Engine no start

Tiny
TECHMAGIC
  • MEMBER
  • 2000 NISSAN SENTRA
  • 4 CYL
  • 2WD
  • AUTOMATIC
  • 140,000 MILES
Car stalled then started back up, after parking it engine cranks but will not start, replaced battery replaced starter engine just clicks a little now, when I put a code reader on it says there is no connection.
Wednesday, July 14th, 2010 AT 7:08 PM

31 Replies

Tiny
RASMATAZ
  • MECHANIC
  • 75,992 POSTS
Hello,

It sounds like you could have a fuse out but to be sure lets check the fuses using this guide with the fuse diagram below turn the key on before you begin.

https://www.2carpros.com/articles/how-to-check-a-car-fuse

This guide can help as well.

https://www.2carpros.com/articles/car-cranks-but-wont-start

Check out the diagrams (Below). Please let us know what you find.

Was this
answer
helpful?
Yes
No
Wednesday, July 14th, 2010 AT 10:15 PM
Tiny
MAHENDRA DAHYA
  • MEMBER
  • 1 POST
I had to get a used ECU for the wrecking yard fired right up :) also I found correction on the eletecial connector I had to clean off, that may have done it as well.
Was this
answer
helpful?
Yes
No
Friday, March 27th, 2020 AT 12:17 PM
Tiny
MARECANIS
  • MEMBER
  • 2 POSTS
  • 2000 NISSAN SENTRA
  • 4 CYL
  • FWD
  • AUTOMATIC
  • 53,400 MILES
Car ran just fine on the way to work. After 8 hours, I tried to start car to return home. The starter never engaged and there was no clicking noise. The battery is fine (headlights, radio, windows, fan, etc.) All operate. When I try to start the car I hear a faint buzz sound and then nothing. This happened a week ago and when I tried the car 3 days later it started and ran just fine. Could it be a faulty starter or ignition coil or is it the computer.
Was this
answer
helpful?
Yes
No
+1
Friday, March 27th, 2020 AT 12:18 PM (Merged)
Tiny
KHLOW2008
  • MECHANIC
  • 41,814 POSTS
Hi marecanis,

It should not be the ECM when the starter don't crank.

No clicking noise means power is not getting to the starter solenoid so it probably is the ignition switch or starter relay.

Where did the buzz noise come from? If from the rear, it could be the fuel pump working.
Was this
answer
helpful?
Yes
No
Friday, March 27th, 2020 AT 12:18 PM (Merged)
Tiny
MARECANIS
  • MEMBER
  • 2 POSTS
Thanks KHLow2008,

The buzz noise is from the front and rear. Could it be the computer? The my wife said this happened over a year ago and Nissan told her it was something with the computer.

Or could there be a dead cell in the battery?

Thanks.
Was this
answer
helpful?
Yes
No
-1
Friday, March 27th, 2020 AT 12:18 PM (Merged)
Tiny
KHLOW2008
  • MECHANIC
  • 41,814 POSTS
Hi marecanis,

The computer would not give any buzzing noise, maybe some relays.

There are many possibilites why the starter did not crank.

If there is a clicking noise, then either starter or battery.

If there is no clicking noise, you need to check for power input to ignition switch and output to starter relay.

If your car is equipped with immobilizer, you need to check the key. Try using the spare key.

Are the gear shift position indicator lights working? It could also be the inhibitor switch.
Was this
answer
helpful?
Yes
No
Friday, March 27th, 2020 AT 12:18 PM (Merged)
Tiny
KIESHAK
  • MEMBER
  • 1 POST
  • 2000 NISSAN SENTRA
  • 125,000 MILES
I have a 2000 nissan sentra with 1.6 n it cranks but it won't start up and it's not getting any fire and I check my fuel pump to c if its giving out gas n it is I started having a problem when I let my car sit and I try to drive my car n A few miles it start to jurk when I push d gas I have gas n it. Then I turn it off n back on it I drove back home since then I move d car to another parking lot And it won't start back up
Was this
answer
helpful?
Yes
No
Friday, March 27th, 2020 AT 12:18 PM (Merged)
Tiny
SATURNTECH9
  • MECHANIC
  • 30,869 POSTS
So do you have spark?Also have you checked to see what your actual fuel pressure is?Have you checked for codes in the computer?
Was this
answer
helpful?
Yes
No
-1
Friday, March 27th, 2020 AT 12:18 PM (Merged)
Tiny
3PITBULLS
  • MEMBER
  • 1 POST
  • 2000 NISSAN SENTRA
  • 4 CYL
  • FWD
  • MANUAL
  • 103,000 MILES
It's been a really good car(reliable)no problems with it before, yesterday we stop at the gas station to put gas, turned off car, when trying to go home we disable the alarm(factory), got in the car, nothing it will not start, everything else works, light, stereo, power windows, all, but it just won't start, so I disconnected the battery, thinking it was the engine demobilizer from the alarm, after a few seconds, put it back, nothing, checked battery, is good, the only way it works is by pushstarting it, the starter itself does not make anyclicking noises when trying to start the car, im going to check the switch thats behind the clutch pedal(there's 2)to see if thats the problem, ANY OTHER IDEAS, I should try, thanks you guys, this is my first time on this site, I think is great to have something like this and somebody pro's like you guys helping all of us with our problems! Thanks again. ZAMCHO(from New Mexico).
Was this
answer
helpful?
Yes
No
Friday, March 27th, 2020 AT 12:18 PM (Merged)
Tiny
RASMATAZ
  • MECHANIC
  • 75,992 POSTS
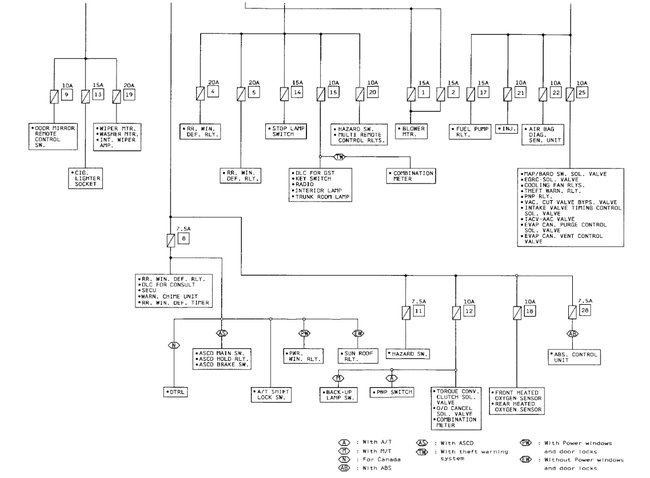
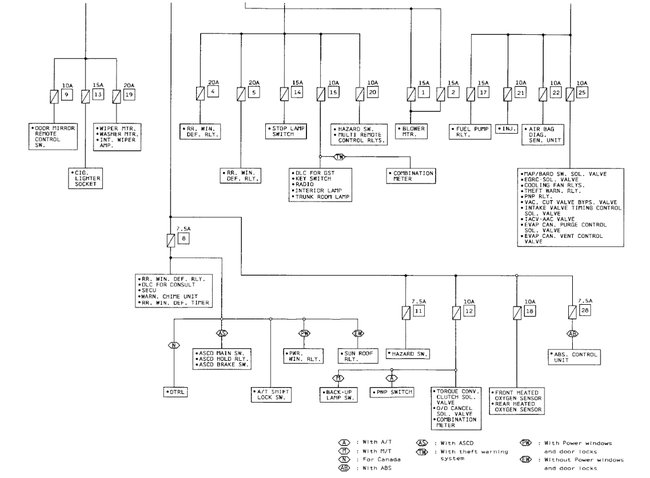
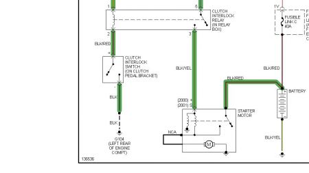
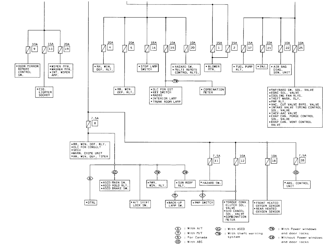
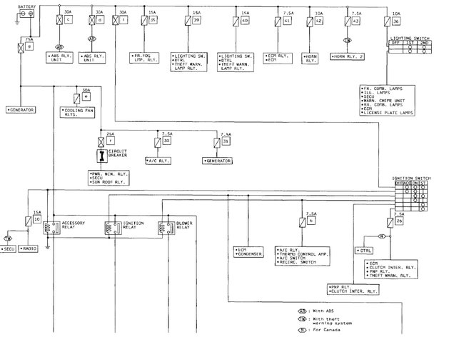
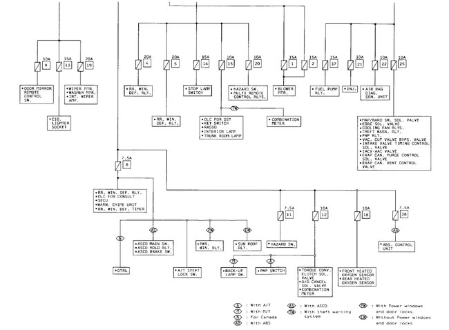
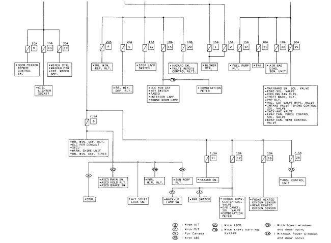
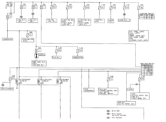
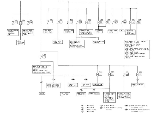
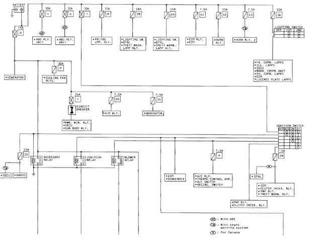
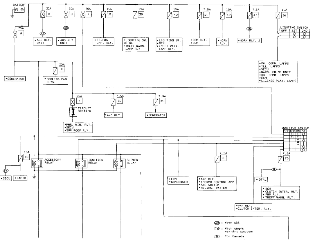
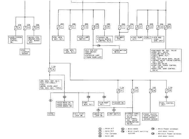
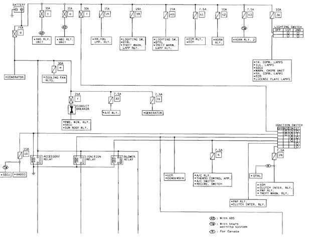
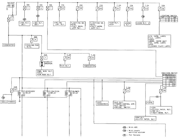
Try the fuse and interlock relay see below start circuit diagram


https://www.2carpros.com/forum/automotive_pictures/12900_s1_4.jpg




https://www.2carpros.com/forum/automotive_pictures/12900_s2_4.jpg

Was this
answer
helpful?
Yes
No
Friday, March 27th, 2020 AT 12:18 PM (Merged)
Tiny
POPO22
  • MEMBER
  • 1 POST
  • 2000 NISSAN SENTRA
  • 4 CYL
  • 2WD
  • AUTOMATIC
  • 141,000 MILES
The car was working fine, made a 30 minutes stop and then the car would not start. Every light works but the car would not start.
Was this
answer
helpful?
Yes
No
Friday, March 27th, 2020 AT 12:18 PM (Merged)
Tiny
DABAUR
  • MEMBER
  • 2 POSTS
I have same car with same mileage with same problem. Mine sporatic, will start with a couple of tries. I belive it is an electrical problem, still looking.
When car does not start mine will crank, but will start later. This has happened while driving, cold starts, and warm starts. This has happened in dry and wet weather, nothing consistant.
One thing that I noticed, when starting usually the check engine light will come on, but when the car will just crank, the check engine light does not come on. I still think electrical, but need help.
Was this
answer
helpful?
Yes
No
Friday, March 27th, 2020 AT 12:18 PM (Merged)
Tiny
DABAUR
  • MEMBER
  • 2 POSTS
I have found my problem, brother in law did, while car was running he jiggled wires. A wire harness from from the fuse box, near battery that runs under the battery, after he jiggled it the car shut off. Pulled out battery and battery box he found a wire that was bulged. We suspect that some battery acid may have dripped down and comprmised the wire. We cut out bad section and spliced together and sealed up the wire and have not encountered any problems.
Was this
answer
helpful?
Yes
No
+1
Friday, March 27th, 2020 AT 12:18 PM (Merged)
Tiny
COUNTRY CHARLIE
  • MEMBER
  • 3 POSTS
  • 2000 NISSAN SENTRA
  • 4 CYL
  • 2WD
  • AUTOMATIC
  • 90,000 MILES
Car will start but will not idle right. Starts to stumble then quits. When it starts it will not move with out stalling nor can you revit up. I have installed new pump and fuel pressue regulator. Removed injectors and blew them out with compressed air. Pressure at idle is 34 psi and it increases to 45 if you remove the vacuum line from the fuel regulator. If you partially restict the fuel return line and bring the pressure up to 55 psi the engine works much better but still not perfect. Would it possibly be the coolant sensor or the mat sensor?
Was this
answer
helpful?
Yes
No
Friday, March 27th, 2020 AT 12:18 PM (Merged)
Tiny
JACOBANDNICKOLAS
  • MECHANIC
  • 110,194 POSTS
IT could be a many different sensors that could cause this. Does outside temp affect this or is it the same no matter what? Also, has the check engine light come on? Have you had the throttl position sensor tested? Have you checked for vacuum leaks?

Let me know.

Joe
Was this
answer
helpful?
Yes
No
Friday, March 27th, 2020 AT 12:18 PM (Merged)
Tiny
COUNTRY CHARLIE
  • MEMBER
  • 3 POSTS
Temerature does not seem to make any difference. No check engine light has not come on. Looked for vacuum leaks none found. Have not checked the throttle position sensor yet. When I changed the pump and filter the old ones were quite dirty. The tank was clean inside.
Was this
answer
helpful?
Yes
No
Friday, March 27th, 2020 AT 12:18 PM (Merged)
Tiny
JACOBANDNICKOLAS
  • MECHANIC
  • 110,194 POSTS
Just for the heck of it, check the new fuel filter to make sure it isn't plugging. There may have been something you didn't see in the tank. Also, I was thinking about this after I posted. Check the EGR valve to make sure it isn't clogged with carbon.

Let me know what you find.

Joe
Was this
answer
helpful?
Yes
No
Friday, March 27th, 2020 AT 12:18 PM (Merged)
Tiny
COUNTRY CHARLIE
  • MEMBER
  • 3 POSTS
Checked car with scan tool. Mil light burn:t out. Found 8 codes. These are the codes as follows
1. PO 171
2. PO 300
3. PO 732
4. P. 1140
5. PO 110
6. PO 300
7. P. 1140
8. PO 455
I think my problem after testing some sensors might be the IAT sensor and the MAF sensor. My reasoning is that when I remove the plug from the MAF the idle improved. The readings for the IAT were way off of the actual temperature readings at the time. What do you think
Was this
answer
helpful?
Yes
No
Friday, March 27th, 2020 AT 12:18 PM (Merged)
Tiny
JACOBANDNICKOLAS
  • MECHANIC
  • 110,194 POSTS
I agree. That is where I would start. You may want to try cleaning it first to see if that helps.
Was this
answer
helpful?
Yes
No
Friday, March 27th, 2020 AT 12:18 PM (Merged)
Tiny
MEKISS
  • MEMBER
  • 2 POSTS
  • 2000 NISSAN SENTRA
  • 4 CYL
  • FWD
  • AUTOMATIC
  • 130,000 MILES
My 2000 Nissan Sentra GXE will not start. I have replaced Cam and Crank Sensors. I did this and the car started and ran fine for a day. I was on my way home from school and the car died going 65mph on the highway. Funny thing is, the RPM's dropped to 0 as I was going 65mph. They read 0 for about a mile or so. Finially the car started bogging down then up, down then up and eventually died. Now it will crank, but will not turn over! OBD port will not power ANY reader at all--Zero Power to OBD port. Please help!
Was this
answer
helpful?
Yes
No
Friday, March 27th, 2020 AT 12:18 PM (Merged)

Please login or register to post a reply.