TURNS OVER BUT WILL NOT START

Tiny
DOCFIXIT
  • MECHANIC
  • 18,828 POSTS
Hi
Have you checked for spark at the coli wire?
Any check engine light?
Let me know
Was this
answer
helpful?
Yes
No
+2
Wednesday, November 14th, 2018 AT 12:11 PM (Merged)
Tiny
CHRISCHANDLER913
  • MEMBER
  • 9 POSTS
  • 1999 NISSAN PATHFINDER
  • 3.3L
  • V6
  • 2WD
  • AUTOMATIC
  • 170,000 MILES
It cranks and runs good sometimes, when you turn it off or it dies. It will not start again until the next day or a day is needed in between or 8 hours later.
Was this
answer
helpful?
Yes
No
+1
Wednesday, November 14th, 2018 AT 12:11 PM (Merged)
Tiny
KEN L
  • MASTER CERTIFIED MECHANIC
  • 55,297 POSTS
Hey Chrischandler913,

When it wont start, lets check for spark, follow this guide

https://www.2carpros.com/articles/how-to-test-an-ignition-system

if you have spark check for fuel pressure, here is a guide, you may need to tap into the fuel line. This gives you an idea of what to do though.

https://www.2carpros.com/articles/how-to-check-fuel-system-pressure-and-regulator

Please let me know what you find

Was this
answer
helpful?
Yes
No
+1
Wednesday, November 14th, 2018 AT 12:11 PM (Merged)
Tiny
LBRUNDIDGE
  • MEMBER
  • 1 POST
  • 1999 NISSAN PATHFINDER
  • 3.6L
  • 6 CYL
  • AUTOMATIC
  • 110,000 MILES
It will not stay cranked and when it does it sputters like it is miss firing. Would that be the fuel pump and or the fuel filter or what is it?
Was this
answer
helpful?
Yes
No
Wednesday, November 14th, 2018 AT 12:11 PM (Merged)
Tiny
WRENCHTECH
  • MECHANIC
  • 20,761 POSTS
Why don't you test the fuel pressure and find out. That is the only way anyone is ever going to know. I can tell you it won't be the filter.
Was this
answer
helpful?
Yes
No
Wednesday, November 14th, 2018 AT 12:11 PM (Merged)
Tiny
JULIE LAWHORN
  • MEMBER
  • 2 POSTS
  • 1999 NISSAN PATHFINDER
  • 160 MILES
My husband changed the distributor cap because it had a hole in it, but it still wont start.
Was this
answer
helpful?
Yes
No
Wednesday, November 14th, 2018 AT 12:11 PM (Merged)
Tiny
WRENCHTECH
  • MECHANIC
  • 20,761 POSTS
All "crank, no start" conditions are approached in the same way. Every engine requires certain functions to be able to run. Some of these functions rely on specific components to work and some components are part of more than one function so it is important to see the whole picture to be able to conclude anything about what may have failed. Also, these functions can ONLY be tested during the failure. Any other time and they will simply test good because the problem isn't present at the moment.
If you approach this in any other way, you are merely guessing and that only serves to replace unnecessary parts and wastes money.

Every engine requires spark, fuel and compression to run. That's what we have to look for.

These are the basics that need to be tested and will give us the info required to isolate a cause.

1) Test for spark at the plug end of the wire using a spark tester. If none found, check for power supply on the + terminal of the coil with the key on.

2) Test for injector pulse using a small bulb called a noid light. If none found, check for power supply at one side of the injector with the key on.

3) Use a fuel pressure gauge to test for correct fuel pressure, also noticing if the pressure holds when key is shut off.

4) If all of these things check good, then you would need to do a complete compression test.

Once you have determined which of these functions has dropped out,
you will know which system is having the problem.
Was this
answer
helpful?
Yes
No
+1
Wednesday, November 14th, 2018 AT 12:11 PM (Merged)
Tiny
SAUL77
  • MEMBER
  • 5 POSTS
  • 1999 NISSAN PATHFINDER
  • 6 CYL
  • 4WD
  • AUTOMATIC
  • 150,000 MILES
Won't start I change gasolin filter and I check gasolin pressure but is so ok 40psi normal PRESSURE can you help please thank you.
Was this
answer
helpful?
Yes
No
Wednesday, November 14th, 2018 AT 12:11 PM (Merged)
Tiny
RASMATAZ
  • MECHANIC
  • 75,992 POSTS
Are you getting spark?
Was this
answer
helpful?
Yes
No
Wednesday, November 14th, 2018 AT 12:11 PM (Merged)
Tiny
SAUL77
  • MEMBER
  • 5 POSTS
Yes I got spart but won't start
Was this
answer
helpful?
Yes
No
Wednesday, November 14th, 2018 AT 12:11 PM (Merged)
Tiny
RASMATAZ
  • MECHANIC
  • 75,992 POSTS
Check the valve and ignition timing
Was this
answer
helpful?
Yes
No
Wednesday, November 14th, 2018 AT 12:11 PM (Merged)
Tiny
SAUL77
  • MEMBER
  • 5 POSTS
Where can I fine valve
Was this
answer
helpful?
Yes
No
Wednesday, November 14th, 2018 AT 12:11 PM (Merged)
Tiny
SAUL77
  • MEMBER
  • 5 POSTS
A have some bad code p0340 and p0105 can you explan to me what is please tank you very much
Was this
answer
helpful?
Yes
No
Wednesday, November 14th, 2018 AT 12:11 PM (Merged)
Tiny
SHERI CAMPBELL
  • MEMBER
  • 1 POST
  • 1998 NISSAN PATHFINDER
  • 4.3L
  • V6
  • 4WD
  • AUTOMATIC
  • 213,000 MILES
The engine will not start. The lights in the dash light up but no start. The fuse IGN AT 10A CONT was blown. Replaced fuse. Tried to start again. Blew another fuse.
Was this
answer
helpful?
Yes
No
Wednesday, November 14th, 2018 AT 12:11 PM (Merged)
Tiny
KEN L
  • MASTER CERTIFIED MECHANIC
  • 55,297 POSTS
Hello,

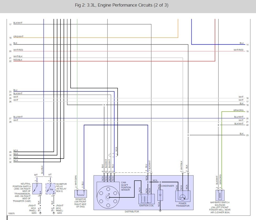
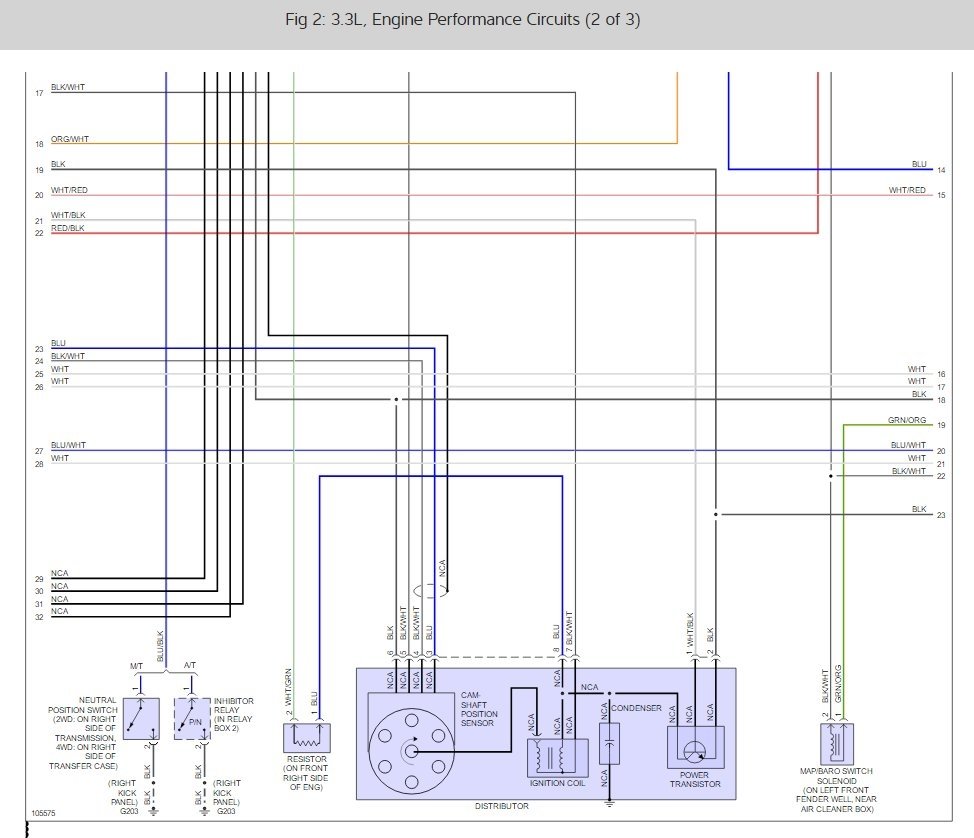
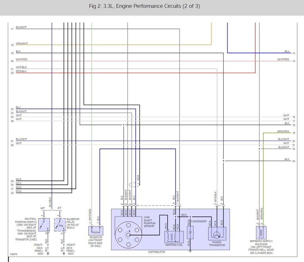
Do have a short in the wiring causing the engine not to start here is engine wiring diagrams (BELOW) that will show you everything on the circuit so you can do some checking to see what is wrong.

There is an ECC relay, ignition coil or an injector can be causing it. disconnect them one at a time to see which one is causing it.

https://www.2carpros.com/articles/how-to-check-an-electrical-relay-and-wiring-control-circuit

Please run some tests and get back to us so we can continue helping you.

Cheers, Ken

Was this
answer
helpful?
Yes
No
+2
Wednesday, November 14th, 2018 AT 12:11 PM (Merged)
Tiny
JIM1111
  • MEMBER
  • 7 POSTS
  • 1997 NISSAN PATHFINDER
  • 210,000 MILES
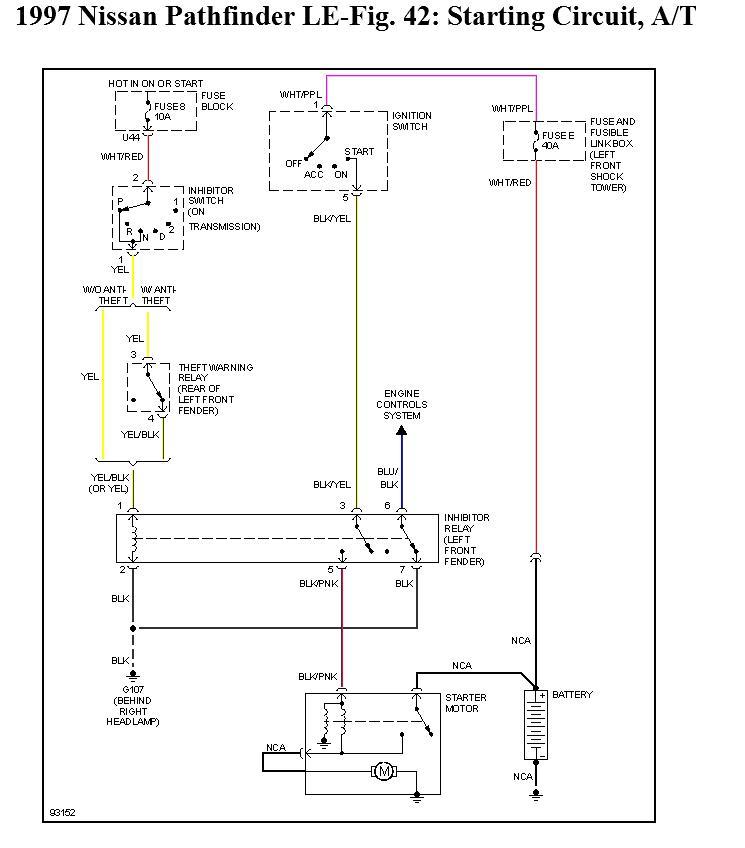
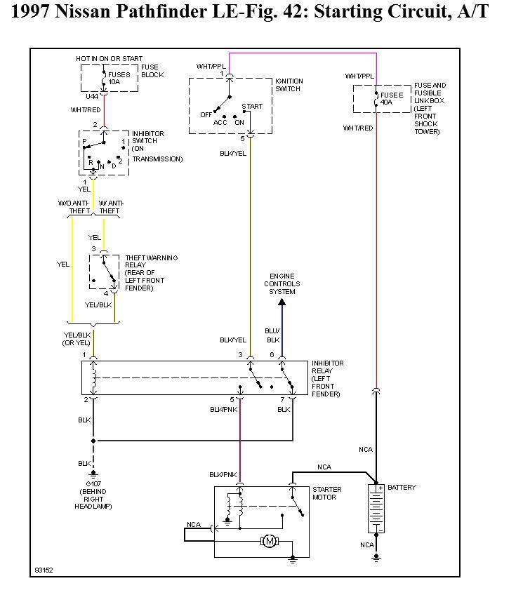
Turn key no power to starter, the battery and starter test good. Tried jumping starter relay number 3 and 5 connections starter will power up. I replaced the relay but no power to starter when key is turned. I also replaced the inhibitor relay and all fuses look good. What should I check next?
Was this
answer
helpful?
Yes
No
+1
Wednesday, November 14th, 2018 AT 12:19 PM (Merged)
Tiny
MTN_JUNKEE
  • MEMBER
  • 1 POST
  • 1994 NISSAN PATHFINDER
Engine Mechanical problem
1994 Nissan Pathfinder 6 cyl Four Wheel Drive Manual 192k miles

My Pathfinder will not start. It turns over just fine. I checked the fuel pump and changed the fuel filter. It has a good spark, new battery. It was fine before. No symptoms of anything failing. It was all of the sudden. No good. I was thinking of the fuel injectors or maybe electrical. What could it likely be? Thanks.
Was this
answer
helpful?
Yes
No
Wednesday, November 14th, 2018 AT 12:19 PM (Merged)
Tiny
RASMATAZ
  • MECHANIC
  • 75,992 POSTS
Check the fuel pressure to rule out the fuel pump and also for injection pulses from the injector/s.
Was this
answer
helpful?
Yes
No
-1
Wednesday, November 14th, 2018 AT 12:19 PM (Merged)
Tiny
KHLOW2008
  • MECHANIC
  • 41,814 POSTS
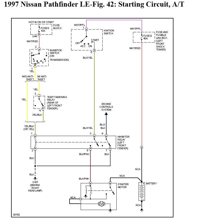
Diagram shows the starting circuit.

With transmission in P or N and ignition turned on, test for battery voltage at the inhibitor relay termnal 1. If voltage is not available, test for battery voltage going to and out of inhibitor switch, Yellow wire.
Was this
answer
helpful?
Yes
No
+2
Wednesday, November 14th, 2018 AT 12:19 PM (Merged)
Tiny
HUNTER_MONTANA2
  • MEMBER
  • 2 POSTS
  • 1997 NISSAN PATHFINDER
  • 163,000 MILES
My car won't start its a 97 Nissan pathfinder the alternator has 14.5 when tested and we put in a new battery. It will start if we hook up a charger and hit it with the 60 amp boost. Other wise its just dead don't even try to turn over any ideas what it could be?

It has 163 thousand miles and is in otherwise good mechanical order - nice site :-) btw
Was this
answer
helpful?
Yes
No
Wednesday, November 14th, 2018 AT 12:19 PM (Merged)

Please login or register to post a reply.