New starter, battery and battery terminal ends and still will not start?

Tiny
APRILOF1976
  • MEMBER
  • 2010 DODGE CARAVAN
  • 3.6L
  • V6
  • 2WD
  • AUTOMATIC
  • 161,000 MILES
It started when the car wouldn't turn over. I tried to jump it, but it didn't turn over still. The battery had a bunch of corrosion on the terminals and the terminal ends that connect to the wires had corroded away. New battery, new terminal ends, and new starter. Everything turns on but it won't turn over.
Monday, August 15th, 2022 AT 4:32 PM

3 Replies

Tiny
JACOBANDNICKOLAS
  • MECHANIC
  • 110,192 POSTS
Hi,

This could be the result of a few things. However, I need to confirm the engine size. In 2010, the 3.6L wasn't offered. It was in 2011, so you may have a late production vehicle. However, I need to know which wiring schematics to use.

In 2010, the 3.3L, 3.8L, and 4.0L were offered.

Let me know.

Joe
Was this
answer
helpful?
Yes
No
Monday, August 15th, 2022 AT 9:11 PM
Tiny
APRILOF1976
  • MEMBER
  • 2 POSTS
Yes, sorry it is 3.8L. I selected the wrong one.
Was this
answer
helpful?
Yes
No
Tuesday, August 16th, 2022 AT 8:00 AM
Tiny
JACOBANDNICKOLAS
  • MECHANIC
  • 110,192 POSTS
Hi,

No problem whatsoever. Okay, there can be a few things causing this. I am going to start with the basics and move on as needed.

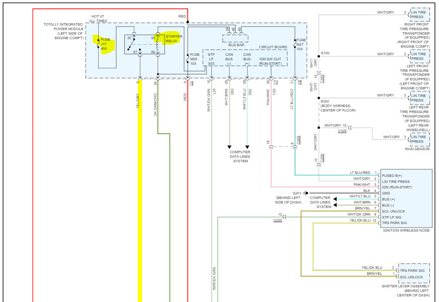
First, I need you to locate fuse J17 in the power distribution box under the hood. First, confirm the fuse is good. Next, we need to confirm there is power to and from it. Here is a link that you may find helpful:

https://www.2carpros.com/articles/how-to-check-a-car-fuse

If that is good, I need you to remove the starter relay and switch it with a different one in the box having the same part number and see if it works. If there isn't one with the same part number, here is a link explaining how to check one:

https://www.2carpros.com/articles/how-to-check-an-electrical-relay-and-wiring-control-circuit

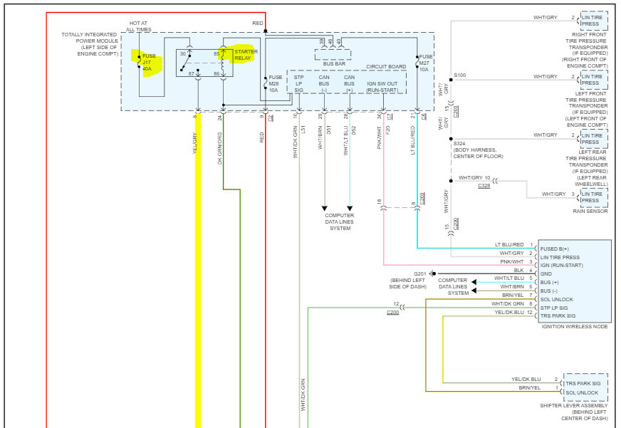
If the relay checks good, then I need you to get a helper. At the starter motor, there will be a heavy gauge red wire that has power at all times. There will also be a smaller gauge yellow wire with a gray tracer. This wire only gets power when the key is in the start position.

First, confirm the heavy gauge red wire has power. Just be careful not to cause it to short., Again, it has battery voltage all the time. If that is good, then have your helper turn the key to the start position while you check for power to the yellow/gray wire. If there is power to both, chances are you got a bad starter from the store. If there is no power, try to see if anything changes if you place it in neutral.

I attached the wiring schematic below for the starter circuit, so you have a reference. Let me know what you find or if you have other questions,

Take care,

Joe

See pics below. In pic 3, there is an arrow pointing to the fuse and I circled the relay in red.
Was this
answer
helpful?
Yes
No
Tuesday, August 16th, 2022 AT 6:11 PM

Please login or register to post a reply.