New ECM, now no crank no start and codes U0100, P0315 and P1682

Tiny
JDT0018
  • MEMBER
  • 2009 BUICK LUCERNE
  • 3.9L
  • V6
  • 2WD
  • AUTOMATIC
  • 30,000 MILES
During a trip to town, I left an accessory running by mistake and drug my battery down. When I tried to start it, the starter drug a couple revs and died. I retried starting it and I got nothing form the starter, no clicking, nothing. Dash lit up like normal, but it started throwing error messages like crazy.

Tried to jump it off, but no change (well, the lights brightened). Replaced the battery. No change. Back home, I tried hotwiring the starter. It spun the engine fine, but it would not start. I replaced the ECM with a new one programmed to my VIN. No change, not even the security warning to relearn the key. Checked all fuses both boxes; all good. Replaced powertrain relay (desperation); no change.

Bought a scan tool to get the codes. Old ECM showed U0100, no communication with ECM so it was bad. New ECM shows P0315 (crankshaft variability) and P1682 (ignition power mismatch) engine codes only. Codes will clear, but reappear as soon as the powertrain relay energizes.

I have not been able to reteach the key because the security light does not stay lit. It works during the lamp test, but then goes off. I am still getting dash warnings about the Stabilitrac system malfunctioning and about the traction control system malfunctioning; those are new since the problem started.

Help?
Friday, March 26th, 2021 AT 9:32 PM

7 Replies

Tiny
JACOBANDNICKOLAS
  • MECHANIC
  • 110,192 POSTS
Hi,

The P1682 is what I would focus on first. What it means is the ignition 1 voltage of the ignition main relay is more than 3 volts different than the ignition 1 voltage of the powertrain relay for more than 2 seconds.

To get started, check the two fuses I highlighted in the attached pic below (pic 1). These are located in the fuse box under the hood. In addition to checking the fuse, confirm there is power both in and out of the fuse. Here is a link you may find helpful:

https://www.2carpros.com/articles/how-to-check-a-car-fuse

Additionally, I highlighted a relay. Is that the one you replaced?

If fuses are relay are good, then we need to check the circuit. Here are the directions specific to your vehicle:

Here is a link you may find helpful:

https://www.2carpros.com/articles/how-to-check-wiring

_____________________________________________

Circuit/System Testing

Note: You must perform the Circuit/System Verification before proceeding with Circuit/System Testing.

1. Ignition OFF, disconnect the powertrain relay, which is PWR/TRN relay 29.
2. Ignition ON, verify that a test lamp does not illuminate between the powertrain relay controlled output circuit terminal 87 and ground.

If the test lamp illuminates, test the powertrain relay controlled output circuit for a short to voltage.

3. Ignition OFF, verify that a test lamp illuminates between the powertrain relay coil voltage supply circuit terminal 86 and ground.

If the test lamp does not illuminate, test the powertrain relay coil voltage supply circuit for a short to ground or an open/high resistance.

4. Verify that a test lamp illuminates between the powertrain relay switch voltage supply circuit 30 terminal and ground.

If the test lamp does not illuminate, test the powertrain relay switch voltage supply circuit for an open/high resistance.

5. Disconnect the X1 harness connector at the ECM.
6. Ignition ON, verify that a test lamp illuminates between ECM connector terminal 19 X1 and ground.

If the test lamp does not illuminate, test the RUN/CRANK relay controlled output circuit for a short to ground or open/high resistance. If the circuit tests normal and its fuse is open, replace the ECM.

7. Ignition OFF, connect the harness connector at the ECM.
8. Ignition ON, connect a jumper wire between the powertrain relay switch voltage supply circuit terminal 30 and the powertrain relay controlled output circuit terminal 87. Verify the EC Ignition Relay Feedback Signal parameter indicates battery positive voltage.

If not the specified value, test the powertrain relay controlled output circuit for a short to ground or an open/high resistance. If the circuit tests normal and its fuse is open, replace the ECM.

9. If all circuits test normal, replace the powertrain relay.

___________________________________

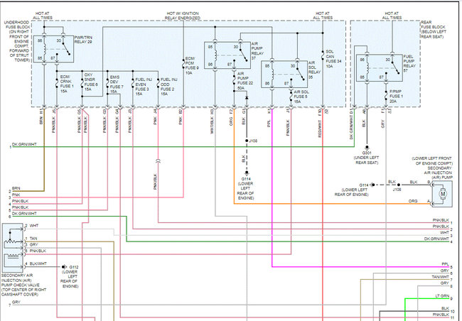
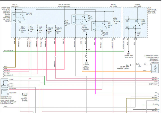
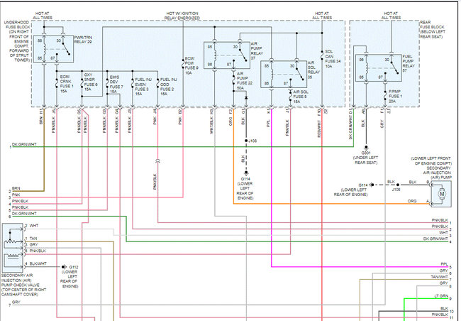
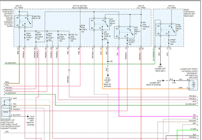
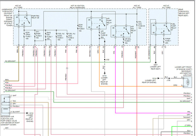
Starting with pic 2, I attached the entire powertrain management wiring schematic for reference. I had to cut each pic in half to make them readable, but I did overlap them so you can follow from one to the next.

I hope this helps. Let me know what you find or if you have other questions.
'
Take care,
Joe
Was this
answer
helpful?
Yes
No
+1
Saturday, March 27th, 2021 AT 8:23 PM
Tiny
JDT0018
  • MEMBER
  • 4 POSTS
I believe I have located the source of the P1682 code, with your kind help Joe.

I verified fuse 10, then checked the powertrain relay. Everything checked out okay. I then tried to check the ignition voltage at pin X11-19 on the ECM. I was getting a sporadic (rapidly changing) voltage between 1 volt and battery voltage. Checking the wiring diagrams, I saw that this pin is connected to fuse 9 under the hood. I removed and tested fuse 9; perfect continuity, no sign of distress. I checked the voltage coming into fuse 9 with ignition on; steady battery voltage. I then checked continuity between the other terminal of fuse 9 and pin X1-19 of the ECM connector. Perfect continuity, reading in the u-ohms. So what's going on? I reset my meter to again test for voltage at pin X1-19, and plugged the fuse in. It wiggled.

Apparently there is a problem in the under hood fuse block. That connector is not making acceptable contact. At times I can get fuse 9 to make connection for a few minutes, but then it loses it again. I can only assume that the connections were already weak and overheated during the low-voltage crank attempt, causing the fuse to fail to connect. I have come across poor connections in other places with this car.

At this point I have two additional questions, if you would be so kind: how difficult is it to replace that fuse box (I am willing to spend the $150.00 for a new one), and what is the probability that this is the source of my problem? Specifically, during power on, does the ECM make the voltage check before checking for anti-theft? Recall that I am not getting the anti-theft warning light as I should be.

Thank you again,
Doug
Was this
answer
helpful?
Yes
No
Sunday, March 28th, 2021 AT 2:44 PM
Tiny
JACOBANDNICKOLAS
  • MECHANIC
  • 110,192 POSTS
Hi,

The under hood fuse box really isn't too bad. Once the battery is disconnected, it is basically and unbolt and reinstall the new one. If you look at the two attachments below, they are from my manual. They show both pics and directions.

As far as the problem, if you are losing voltage due to a poor connection, that certainly could cause the code you are getting. Before you replace the box, disconnect the battery and see if you are able to manipulate the connectors in the box to maintain good contact. You may be able to fix the one you have.

Let me know if you have questions or need help.

Take care,
Joe
Was this
answer
helpful?
Yes
No
+1
Sunday, March 28th, 2021 AT 7:11 PM
Tiny
JDT0018
  • MEMBER
  • 4 POSTS
Wonderful! I already tried doing some manipulation on the box with no luck. I'll try again with it out of the car. My biggest concern was having to cut and splice wires back into the harness. That is a long, tedious job and the chances of making a mistake are pretty high. Not to mention it is asking for future issues. It looks like the box just plugs in, so that's no longer a concern.

Joe, if you are ever in Alabama, you have a steak dinner on me just waiting for you.

Doug
Was this
answer
helpful?
Yes
No
Monday, March 29th, 2021 AT 10:53 AM
Tiny
JACOBANDNICKOLAS
  • MECHANIC
  • 110,192 POSTS
Doug,

No need for dinner. I just hope I helped. If you ever come to PA, the same stands for you.

Take care and let me know if I can help.

Joe
Was this
answer
helpful?
Yes
No
+1
Monday, March 29th, 2021 AT 7:22 PM
Tiny
JDT0018
  • MEMBER
  • 4 POSTS
The fuse box was pretty badly corroded inside. I could have possibly repaired it, but at the cost of a lot of time and work. I opted for a new one.

Sometimes it just makes sense to buy. I could recreate the case with my 3D printer, and I work with/create circuit boards all the time, but it just didn't seem worth it. I got some good light on the thing and looked down the fuse connector hole and all I could see was green corrosion.

The new fuse box will be here either Friday or Monday. That should fix the P1682 code. We'll see what happens next.

Doug
Was this
answer
helpful?
Yes
No
Monday, March 29th, 2021 AT 8:56 PM
Tiny
JACOBANDNICKOLAS
  • MECHANIC
  • 110,192 POSTS
Hi,

I think that is a good idea. Hopefully, it will take care of the problem.

Let me know what happens.

Joe
Was this
answer
helpful?
Yes
No
Tuesday, March 30th, 2021 AT 5:52 PM

Please login or register to post a reply.