Engine overheats when A/C is on

Tiny
OLASWEECH
  • MEMBER
  • 2007 FORD EDGE
  • V6
  • 4WD
  • AUTOMATIC
  • 124,000 MILES
Earlier when the Ac is on, in about 10minutes, it overheats. So, I changed the radiator (water plastic) cover, the overheating now occurs 1-2 hours during driving. But when the AC is not on, it doesn't (though I have not driven more than 2 hours to confirm this).

I have changed the water pump, thermostat, gasket, even the water return hose, but the problem still persists.

I have checked different videos on the web on this particular issue, but it seems not to help.

I have inquired from about three of my friends that use the same year as this car, they said they also face similar issues.

What could be the problem or was there an issue with some batches of this model?

Kindly help out.
Friday, April 1st, 2022 AT 8:34 AM

9 Replies

Tiny
JACOBANDNICKOLAS
  • MECHANIC
  • 110,192 POSTS
Hi,

When you turn the A/C on, does the engine cooling fan turn on as well? It should. Pay attention to that first.

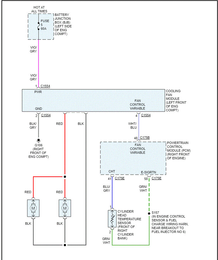
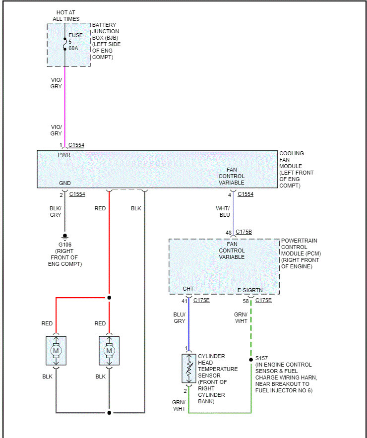
Also, I attached the wiring schematic below of the radiator cooling fans. If they aren't working, check fuse 5 in the under-hood fuse box.

Pic 2 shows the fuse to check. In addition to checking the fuse, confirm there is power to and from it. Here is a link you may find helpful:

https://www.2carpros.com/articles/how-to-check-a-car-fuse

Let me know what you find. Also, let me know if the engine overheats while operating at highway speeds.

Let me know.

Take care,

Joe

See pics below.

Was this
answer
helpful?
Yes
No
Friday, April 1st, 2022 AT 9:41 PM
Tiny
OLASWEECH
  • MEMBER
  • 1 POST
Due to the high heat temperature from my region (Lagos-Nigeria, west Africa) and after rigorous diagnosis without any result, the radiator cooling fans were converted to manual (i.E. The fans start working immediately when I start the engine) but still same issue.

We have also checked the condition and the direction at which the radiator cooling fans blow but they are okay.

I have to drive around today with the A/C on to confirm when the temperature rises, it's between 40 minutes to an hour.
And it does overheat at highway.

With what I've checked so far, it's mostly when the A/C is on that it overheats.

About three auto mechanics have checked it but the overheating persists.

So, I don't know what they've left out.
Was this
answer
helpful?
Yes
No
+1
Sunday, April 3rd, 2022 AT 11:07 AM
Tiny
OLAYINKA SWEECH LOGBON
  • MEMBER
  • 4 POSTS
I saw that you have replied but I can't view it, can you please kindly help resend the response?
Thanks
Was this
answer
helpful?
Yes
No
+1
Sunday, April 3rd, 2022 AT 3:27 PM
Tiny
JACOBANDNICKOLAS
  • MECHANIC
  • 110,192 POSTS
Hi,

If the cooling fans are on at all times, that isn't the cause. Also, is the radiator in good condition? If it is partially plugged internally or dirty on the exterior, that can cause the issue.

As far as the AC is concerned, that is just adding an extra load on the engine, so it may be enough to cause it even though it shouldn't.

Have you checked to make sure there isn't an issue with the head gasket? Take a look through this link:

https://www.2carpros.com/articles/head-gasket-blown-test

Let me know.

Joe
Was this
answer
helpful?
Yes
No
+1
Sunday, April 3rd, 2022 AT 7:58 PM
Tiny
OLAYINKA SWEECH LOGBON
  • MEMBER
  • 4 POSTS
Hi,

I saw that you have replied but I can't view it. Can you please kindly help resend the response?
Thanks
Was this
answer
helpful?
Yes
No
Tuesday, April 5th, 2022 AT 10:05 AM
Tiny
JACOBANDNICKOLAS
  • MECHANIC
  • 110,192 POSTS
Hi,

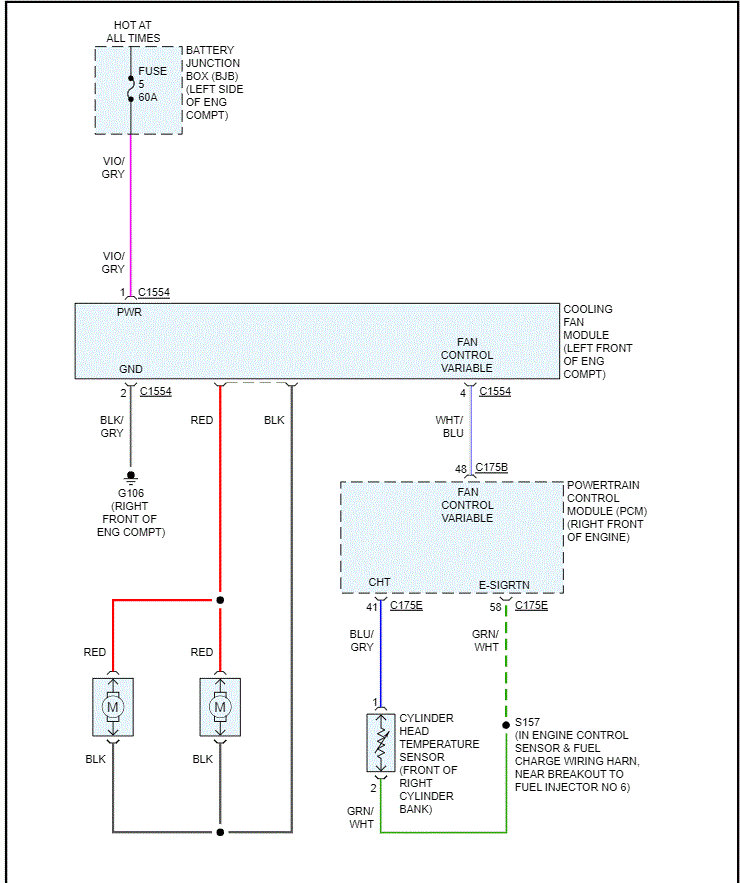
I'm not sure why you aren't getting it. I reattached it below.

If the cooling fans are on at all times, that isn't the cause. Also, is the radiator in good condition? If it is partially plugged internally or dirty on the exterior, that can cause the issue.

As far as the AC is concerned, that is just adding an extra load on the engine, so it may be enough to cause it even though it shouldn't.

Have you checked to make sure there isn't an issue with the head gasket? Take a look through this link:

https://www.2carpros.com/articles/head-gasket-blown-test

Let me know.

Joe
Was this
answer
helpful?
Yes
No
Tuesday, April 5th, 2022 AT 5:53 PM
Tiny
OLAYINKA SWEECH LOGBON
  • MEMBER
  • 4 POSTS
Hi,

I appreciate your assistance.
The fans are working perfectly, even when it overheats, I will go check if the fans stop working in the cause of driving, but it does not.
I have also replaced the radiator and the head gasket.
I took my time to drive around for like 5 hours, with A/C on from the start but when the engine gets really hot (like an hour), the temperature started rising, immediately I noticed that I switched off the A/C while still on motion and the temperature gradually drops back to normal.
After some hours still driving without the A/C on, I tried to put on the A/C again to see the effect, but the temperature rises within some minutes unlike it took like an hour before it rises when I start driving, I guessed that is due to the fact that engine is very hot this time around, and I immediately switched off the A/C again, the temperature gradually drops to normal again.
I tried this couple of times, it's the same result.
The water pump, head gasket, thermostat, fans, radiator, to the best of my knowledge are ok as iv also replaced most. I have also replaced the cover of water can.
What else should I do? It's so annoying.
Was this
answer
helpful?
Yes
No
Wednesday, April 6th, 2022 AT 1:27 AM
Tiny
OLAYINKA SWEECH LOGBON
  • MEMBER
  • 4 POSTS
In addition, you can drive hours without the A/C on and it won't overheat.
Was this
answer
helpful?
Yes
No
Wednesday, April 6th, 2022 AT 1:33 AM
Tiny
JACOBANDNICKOLAS
  • MECHANIC
  • 110,192 POSTS
It sounds like you have done a lot. I am going to look at this from a different point of view.

When it overheats, if you were to pull over and check it, do you hear coolant boiling or see steam from the radiator or reservoir? Also, have you replaced the cylinder head temperature sensor (CHT)?

Let me know. Years ago, this type of overheating could have been caused by an ignition timing issue. If it was over-advanced too far, it could overheat. But your vehicle's timing is controlled by the powertrain control module (PCM).

I'm starting to question if it could be an electrical issue causing a voltage change from the sensor when the A/C is turned on. It's only a theory at this point but is certainly a possibility. That is why I'm asking if there is true evidence of the engine overheating and not just the temperature gauge showing a high temperature.

I attached a pic below showing the location of the sensor. Disconnect it and inspect the connectors. Make sure there is nothing that can cause a problem such as a damaged pin, corrosion, or the plug is loose.

Let me know.

Joe

See pic below.
Was this
answer
helpful?
Yes
No
Wednesday, April 6th, 2022 AT 4:37 PM

Please login or register to post a reply.