My car is starting on its own?

Tiny
CKAYY1995
  • MEMBER
  • 2012 SUBARU LEGACY
  • 2.5L
  • 4 CYL
  • 2WD
  • AUTOMATIC
  • 142,000 MILES
I’ve had a MAP sensor code for a week, replaced the MAP sensor and mass air flow sensor. The code still was up and I was reconnecting the battery when the car headlights came on and the car tried turning over without the key in the ignition.
Sunday, November 19th, 2023 AT 11:03 AM

8 Replies

Tiny
JACOBANDNICKOLAS
  • MECHANIC
  • 110,194 POSTS
Hi,

Were there any electrical issues prior to disconnecting the battery? I ask because this is an odd one.

Does the vehicle have a factory remote start system or has someone installed an aftermarket one? Let me know that information so I can look at the correct wiring schematic for the starter circuit. If it doesn't, then we have a traditional starter relay. If it does have a factory remote start, it is designed differently.

Also, let me know if anything other than the sensors were replaced.

Let me know.

Joe
Was this
answer
helpful?
Yes
No
Sunday, November 19th, 2023 AT 8:45 PM
Tiny
CKAYY1995
  • MEMBER
  • 6 POSTS
The only issue was the dancing RPMs and the car stalling, which sent all the lights to flash on the dashboard and the code was for the MAP sensor. I replaced the MAP sensor and the mass air flow sensor. Unplugged those and disconnected batteries to clean the O2 sensor and when reconnecting the battery, the car was trying to turn over (never started). I just bought the vehicle 3 weeks ago and haven’t driven it for a total of 4 days since I bought it. The first time it messed up, the company I bought it from replaced the spark plugs and coil pack.
Was this
answer
helpful?
Yes
No
Monday, November 20th, 2023 AT 6:54 AM
Tiny
CKAYY1995
  • MEMBER
  • 6 POSTS
No remote start either.
Was this
answer
helpful?
Yes
No
Monday, November 20th, 2023 AT 6:54 AM
Tiny
JACOBANDNICKOLAS
  • MECHANIC
  • 110,194 POSTS
Hi,

Nothing you have done should have caused this to happen. To me, it sounds like there is an issue with the electrical box.

Does it still do the same thing? Do the lights turn on and the starter engages when the battery is connected? Also, I want you to remove the starter relay and see if the starter still engages. It is located in the fuse/relay box.

There is also a headlamp relay in the same box. Check it as well.

Here is a link that explains how to check a relay:

https://www.2carpros.com/articles/how-to-check-an-electrical-relay-and-wiring-control-circuit

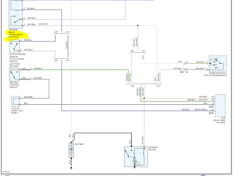
I attached the wiring schematic for the starter circuit so that you would have a reference. I had to cut it in half to make it readable, but I did overlap the two so you can follow from one to the next.

Let me know what you find.

Joe

See pics below. Also, if the dealer that sold you the vehicle provided a warranty, you may want to contact them. As mentioned, you did nothing wrong, and I suspect the problem is in the fuse box.
Was this
answer
helpful?
Yes
No
Monday, November 20th, 2023 AT 7:14 PM
Tiny
CKAYY1995
  • MEMBER
  • 6 POSTS
The starter seems to have engaged but I’m not sure if it is going out. I had the vehicle towed to the shop so hopefully they can figure it out soon. But I wanted to kind of jump on here and get some suggestions, really want to know why the map sensor and mass air flow sensor replacement still never fixed my dancing RPMs and rough idle problem... Wondering if this is connected to the car's starter seeming to be going out? I’m not a car person so I’m lost.
Was this
answer
helpful?
Yes
No
Monday, November 20th, 2023 AT 8:16 PM
Tiny
CKAYY1995
  • MEMBER
  • 6 POSTS
Update: Shop says it tried turning over for the initial hooking up of the battery but stopped and now is running without issue... I’m so confused!
Was this
answer
helpful?
Yes
No
Tuesday, November 21st, 2023 AT 12:24 PM
Tiny
JACOBANDNICKOLAS
  • MECHANIC
  • 110,194 POSTS
Hi,

Vehicles, in general, have become confusing for all of us. The number of possible causes of issues has grown beyond belief.

As far as the starter and the rough running is concerned, it may take a bit for the modules to relearn things before the engine runs smoothly. That isn't uncommon when the battery is disconnected.

Don't feel confused. It happens to all of us. LOL. My best friend disconnected the battery on his 2018 Altima and now the engine won't crank at all. I get to figure that one out tomorrow.

Let me know if there is anything I can help with. Also, let me know if all prior issues are resolved. It sounds like they are.

Take care and Happy Thanksgiving.

Joe
Was this
answer
helpful?
Yes
No
Tuesday, November 21st, 2023 AT 8:28 PM
Tiny
CKAYY1995
  • MEMBER
  • 6 POSTS
Thank you! Happy thanksgiving!
Was this
answer
helpful?
Yes
No
Wednesday, November 22nd, 2023 AT 5:09 AM

Please login or register to post a reply.