Multiple codes/limp mode

Tiny
DIVIDES
  • MEMBER
  • 2008 BMW 335
  • 6 CYL
  • TURBO
  • 2WD
  • AUTOMATIC
  • 183,000 MILES
This car was in limp mode and still is, with reduced power message and barely any throttle response. Took ECU to be checked out and they said there was a minor repair needed and they fixed it, installed it same codes pretty much. Battery is good, alternator charging. Checked throttle body harness and is fine, cleaned throttle and it's now clean. Checked air box connectors and no cracks there. Engine sometimes would start from first time especially if cold. Sometimes it would take a lot to get it to run. And I notice tachometer doesn't move when it tries to start. When it runs now it stays running but engine RPMs is up and down continuously, that is the only different since ECU repair. Checked 50-amp fuse in engine bay by ECU and is good. Here are the codes. Any ideas would be appreciated.
Tuesday, October 5th, 2021 AT 4:16 PM

68 Replies

Tiny
AL514
  • MECHANIC
  • 5,562 POSTS
Hello,

When you say the "rom" will move, are you talking about the tachometer? The RPM signal? If so, I would expect that with all the Crankshaft and Camshaft codes, you have. The main codes that would concern me the most, (and these codes are in Hex Code) are the first couple codes 2ACB, which is the Power Relay circuit for the DME (Main ECU), and 2DEB which is Power management Overvoltage or Under Voltage, Since the codes are in Hex you don't have the whole code. For instance, Hex Code 0x2DEB is actually P160C, D, or E,. C is Overvoltage. D is undervoltage Etc.
But I think here you're having a voltage issue to the DME, possibly a wiring issue. Since you're getting the 2ACB ECM/PCM Power Relay Circuit code, this relay feeds the DME power and is supposed to be hot all the time. I will put up diagrams.
If you have put a meter on the charging system and the voltage is very steady. Then there's a wiring issue going on somewhere before that Relay.
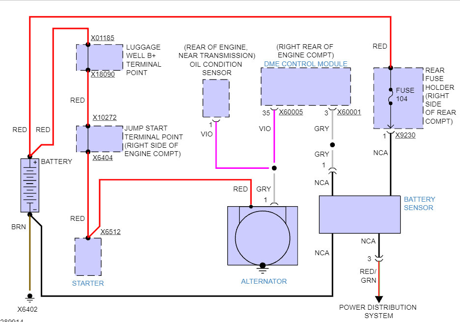
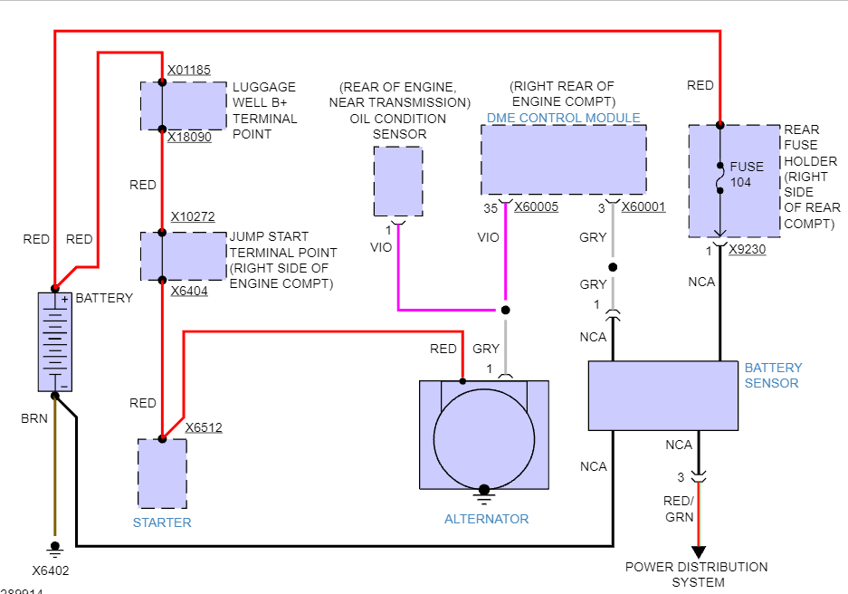
The relay is located in the Junction Box under the right side of the dash (Passenger side). You may want to take a look at the backside of that fuse/relay junction box for any melted, loose terminals, or wires. Fuse F4 (Red/Black wire) feeds the DME, as well as fuse F39 (orange wire).
On the second diagram is the Powers and Grounds for the DME, they are all highlighted in yellow. Three powers labelled Term 30 and two labelled Term 87. You'll see the three below that are the Grounds. I would check all of these while the car is running so the circuits are loaded.
All the other codes could be caused by low voltage to the DME,
Some of these 2DEB codes are labelled as Voltage Fluctuations 10.5v-14v.

The third diagram is an example of one of the three possibilities with this code.
Second diagram is another example of 2DEB. But either way I would check all the power and ground connections at the battery and also the grounds going to the body, frame, and engine block.
The Crank and Cam sensors may not be getting the correct voltage to operate and that might explain the codes for those.
I would do a voltage drop test on these circuits from the Battery to the DME and see what you have. The Crank and Cam codes can be keeping this thing in Limp Mode to prevent Catalytic Converter damage. But this definitely looks like a voltage issue to the DME (ECM/PCM). Hopefully there's no shorts to ground that have damaged the DME,

https://www.2carpros.com/articles/how-to-check-wiring

https://www.2carpros.com/articles/how-to-use-a-voltmeter

https://www.2carpros.com/articles/how-a-car-electrical-system-works
Was this
answer
helpful?
Yes
No
Tuesday, October 5th, 2021 AT 7:08 PM
Tiny
DIVIDES
  • MEMBER
  • 954 POSTS
Oh wow, that is a lot to take in, lol. But with you it is an electrical issue, which is usually not the easiest to diagnose, ugg, I'll start digging and see what I find. Thanks
Was this
answer
helpful?
Yes
No
Wednesday, October 6th, 2021 AT 7:53 AM
Tiny
AL514
  • MECHANIC
  • 5,562 POSTS
I'm thinking an electrical issue because of those 2 codes, if you don't have the correct voltage at the points where it needs it, it's going to affect other circuits and any code that points to a power issue with an ECM I would always attack that first because it's the brains behind the whole system. I know electrical issues are a pain, but if you think about it, why are those 2 codes being set? Your first post said that it stays running now. I'm not saying you may not have a Crank/Cam correlation issue, but I would go after the codes that are going to affect the ECM first and get rid of those codes if possible. And if other codes come back after, then attack those. Especially with BMW, everything in those vehicles is pretty complicated, they're not your average bear.
Going through the wiring diagrams, things are labelled strange, some things you just can't tell what the abbreviation stands for, so you have to just follow the wiring on the schematics,
If you wanted to check the crank to cam timing you can scope those sensors and see if they line up properly, but while I was reading, I noticed that with the ECM/PCM power issue code it said that you would have throttle body related codes with it, and you do.
I think it's the third picture, it's a throttle valve code, so all the more reason to make sure the ECM(DME) are in good working order first.
This is just how I would start my diagnoses.

By the way is this a Coupe, Sedan, or Convertible? And is it a 335i or 335xi?

Also, so you know, never unplug an ECM with the key on, there can be a voltage spike.

https://www.2carpros.com/articles/how-a-car-computer-works-pcm-ecm-bcm
Was this
answer
helpful?
Yes
No
Wednesday, October 6th, 2021 AT 10:13 AM
Tiny
DIVIDES
  • MEMBER
  • 954 POSTS
Thanks. Sedan, 335i, 2wd.
Was this
answer
helpful?
Yes
No
Wednesday, October 6th, 2021 AT 10:18 AM
Tiny
AL514
  • MECHANIC
  • 5,562 POSTS
Okay. Let us know what you find.
Was this
answer
helpful?
Yes
No
Wednesday, October 6th, 2021 AT 10:19 AM
Tiny
AL514
  • MECHANIC
  • 5,562 POSTS
I'm wondering, how is it running overall? Is there any difference is running condition during cold or hot? I know you have a ton of codes popping up, but I did notice also that the Crank and Cam sensors are powered up (12v) by the DME relay but look at how many other things this relay powers up, all kinds of sensors and actuators, plus the ECM (DME). I just wanted to add that. I really do hope you find a power or ground issue that's easy for you to fix.
Was this
answer
helpful?
Yes
No
Wednesday, October 6th, 2021 AT 3:19 PM
Tiny
DIVIDES
  • MEMBER
  • 954 POSTS
It is not drivable as the RPM fluctuation is so bad, and sometimes it shuts off on its own. Fluctuation is the same even after its warm. I did a drop battery test, and it was good. But the voltage on the battery while running is between 14.8-15.22, usually it starts at 13.87, then it jumps to that. The relay by the ecu has power too. I checked all fuses under the glove box, and all were good as well.
Was this
answer
helpful?
Yes
No
Wednesday, October 6th, 2021 AT 4:30 PM
Tiny
DIVIDES
  • MEMBER
  • 954 POSTS
Also, after I had the battery charges even though I know its good, cleaned the throttle body, made sure the connector is good, and deleted all codes the only ones left are both cam sensors and the throttle valve control circuit. So p369, p1636, and p1417
Was this
answer
helpful?
Yes
No
Wednesday, October 6th, 2021 AT 4:37 PM
Tiny
DIVIDES
  • MEMBER
  • 954 POSTS
Also, when I connected battery tester it showed good. Did a drop test fir 4-5 seconds the machine started to smoke so I stopped, but it showed it was in green as well.
Was this
answer
helpful?
Yes
No
Wednesday, October 6th, 2021 AT 4:55 PM
Tiny
AL514
  • MECHANIC
  • 5,562 POSTS
Okay. So, it looks like you meant p0369 for that cam sensor. This is the Exhaust Cam Sensor synchronization error.
Are you checking these voltage levels with a multimeter? Or just a battery tester?
The 15.2 volts on the charging system is too high for one, and can you check what the actual reading at these fuses is in first diagram, because even the 14.2 volts is still too high. That's a level you would see with a battery that's very low.

But here's the wiring diagram for the Cam sensors so you can check the voltage levels at them as well. They should be 12-volt hall effect sensors. The 15 volts may be causing them to malfunction.
The Orange wires should be the 12v feed to the cam sensors. (Second diagram) and the others are just explaining the Cam sensor location and Code setting criteria.

I want you to also do a real good inspection of the turbo, look for any broken tubes to it or any sensors on the turbo that may have been damaged, like a boost pressure sensor. There's a charge pipe that connects to the throttle body, inspect as much as you can. Look for cracks or anything broken.

This p1636 has something to do ETC (Electronic Throttle Control) monitoring the circuit for a short to ground or short to battery power. (Last Diagram) The H Bridge IC is a chip in the ECM that does this monitoring. There isn't a lot of information on this subject, except that the ECM monitors this Throttle Control circuit internally and is seeing a fault and possibly an over temperature condition.

Have you tried disconnecting the battery for 30 min or so and trying to reset the system?
I would be concerned with the high charging voltage and checking for any leaks around the throttle body.
Those original codes set for a reason and may not have had enough time to come back yet, especially since the ECM is either in sleep mode or Limp Mode. This vehicle has more than one issue right now, which is making it difficult to diagnose.
Check the Cam sensor voltages and if the DME is receiving that 15.2 volts on its main power feeds, because that's way too high. Look behind the fuse panels for any melted wires as well.
Was this
answer
helpful?
Yes
No
Wednesday, October 6th, 2021 AT 7:20 PM
Tiny
DIVIDES
  • MEMBER
  • 954 POSTS
The volts were measured via a multimeter. The charge pipe to the throttle was my first suspect, its good I checked it. Yes, I did disconnect the battery, for a whole week when the ECU was being repaired. I'll do more digging. Yes, I am concerned with the high voltage. There is a small wire that runs from the negative battery cable to the fuse on top of the battery. It may have been disconnected or cut in half before or did so when I removed the battery to check it. So, I connected the two ends, or someone was testing it before. What I remove the serpentine belt for a little bit to relief the ecu of that high charging and see what happens, you think that would help?
Was this
answer
helpful?
Yes
No
Wednesday, October 6th, 2021 AT 7:28 PM
Tiny
AL514
  • MECHANIC
  • 5,562 POSTS
Well, I'm not sure removing the belt is going to make any difference because the ECM is on control of the charging system. "But" I did find some information that's crazy to be honest.
I had thought about this but did not see it anywhere in the diagrams, this car has a second battery, I remember them being a small 12volt battery, almost the size of a lawn mower battery. I don't remember its exact location but here's all the information I found. Things will start to make a little more sense now as to what may be happening.
The other battery is a vehicle circuit battery, and the main larger battery is the starting battery, They're switched on when either needs to be charged. I will bet the smaller circuit battery is bad. I think it might be somewhere under one of the seats but I'm 100% sure. It has been a long time since I have seen this issue. But it was in the back of my mind, that there might be a second battery somewhere.
So, this information talks about an Isolation switch that can turn on to charge or not charge the either battery.
This might be one of things, that if you called a dealership and just asked them how much the second battery costs, you could get some info out of them without having to bring your car there.
I also made a goofy little drawing which ill post last to show you how to do a Voltage Drop Test with a multimeter if you're not sure. It's an invaluable test that I use all the time and is best because you can run the car, so the circuits are loaded and do voltage drop measurements to find problems quick. Please excuse my drawing, it was just easier than explaining it.
Was this
answer
helpful?
Yes
No
Thursday, October 7th, 2021 AT 9:31 AM
Tiny
DIVIDES
  • MEMBER
  • 954 POSTS
Yes, I thought about that, especially that the fuse box has an on/off switch, which I have never seen before on a 3 series. Usually, BMW 7 series has that switch in the trunk above the battery. I have sold tons of 3 series and never heard or seen a second battery. I also did a search, and nothing came up. I think these are only available on 7 series.
Was this
answer
helpful?
Yes
No
Thursday, October 7th, 2021 AT 11:22 AM
Tiny
DIVIDES
  • MEMBER
  • 954 POSTS
I have seen 2 batteries on Benz though, even c class, one to start and one for accessories, but never on BMWs.
Was this
answer
helpful?
Yes
No
Thursday, October 7th, 2021 AT 11:24 AM
Tiny
DIVIDES
  • MEMBER
  • 954 POSTS
Called the dealer and he said doesn't have an auxiliary battery.
Was this
answer
helpful?
Yes
No
Thursday, October 7th, 2021 AT 11:26 AM
Tiny
DIVIDES
  • MEMBER
  • 954 POSTS
Car is basically in sleep mode, that I know for sure, why is the question. Am leaning toward the throttle or something with the camshaft sensors, cause for both to have codes on is not something that is common.
Was this
answer
helpful?
Yes
No
Thursday, October 7th, 2021 AT 11:27 AM
Tiny
AL514
  • MECHANIC
  • 5,562 POSTS
Well, it was listed under this model BMW, so I'm not sure then. You can check powers and grounds on the cam sensors, but to see if they're in sync you'll need at least a 4-channel scope to watch all the cam and crank sensors at once to determine the sync. Or if the cams are advanced or retarded too much (late timing). But that still doesn't explain the charging issue.
The information I read said that the ECM looks for the Intake cam sensors to sync and if they don't it goes to the exhaust cam sensors to see if they sync and repeats this process until it sets a code. Did you check to see if there's 15volts going into the DME? Or check the Grounds?
There's a ton of Technical Service Bulletins on electrical failures.
And if the car is in sleep mode, it's not going to show any other codes if the ECM isn't functioning. Those cam codes are hard faults that's why they're showing up. But at least check the sensors for power and grounds before replacing them. Or you could do it the old fashion way and pull everything apart and line up all the timing marks. If its circuit/harness issues though they will line up fine, It's in sleep mode to protect the Catalytic Converter from damage due to the fault codes.
Have you replaced the battery at any point during this? I'm finding some Tech Tips here as well.
Was this
answer
helpful?
Yes
No
Thursday, October 7th, 2021 AT 7:26 PM
Tiny
DIVIDES
  • MEMBER
  • 954 POSTS
Did not replace the battery, it tested fine and even with the drop test it is fine. I can tell it is strong, and it looks new.
Was this
answer
helpful?
Yes
No
Friday, October 8th, 2021 AT 4:53 AM
Tiny
AL514
  • MECHANIC
  • 5,562 POSTS
Have you checked any of the cam sensors yet?
Was this
answer
helpful?
Yes
No
Friday, October 8th, 2021 AT 10:57 AM
Tiny
DIVIDES
  • MEMBER
  • 954 POSTS
No not yet, been tied up.
Was this
answer
helpful?
Yes
No
Friday, October 8th, 2021 AT 11:08 AM

Please login or register to post a reply.