Turn signal problems and flasher location please?

Tiny
KINGSNOWMANINFL
  • MEMBER
  • 2006 MITSUBISHI GALANT
  • 4 CYL
  • FWD
  • AUTOMATIC
  • 46,000 MILES
Ive changed my blubs but my right turn signal flashes rapidly plus my right rear brake light wont turn on ive also checked the fuses
Monday, May 4th, 2009 AT 12:43 PM

15 Replies

Tiny
ATKAPARKING
  • MEMBER
  • 64 POSTS
Check the inside of the bulb housing itself for power and ground, using a volt/ohm meter or a test light that will also diagnose ground circuit. If you are missing one of these (and I suspect it's the ground) check the wires to the housing to verify if the problem is in the housing. Sounds like a bad ground. this guide can help us fix it

https://www.2carpros.com/articles/turn-signals-not-working-blinker

Please run down this guide and report back.
Was this
answer
helpful?
Yes
No
Monday, May 4th, 2009 AT 7:39 PM
Tiny
CYSROOST
  • MEMBER
  • 1 POST
  • 2001 MITSUBISHI GALANT
Do I have to remove the steering wheel to replace the turn signal switch or can I get to it by removing the steering column covers?
Was this
answer
helpful?
Yes
No
Thursday, February 18th, 2021 AT 12:39 PM (Merged)
Tiny
GUAIRDEAN
  • MEMBER
  • 1 POST
No, it's not necessary to remove the steering wheel. Remove the three screws underneath the cover, unclip the switch (one at the top and one at the bottom) with your fingers and pull it out. Insert the new switch and replace the covers. Leave the steering column adjusting lever down to facilitate moving the column when removing the covers.
Was this
answer
helpful?
Yes
No
+1
Thursday, February 18th, 2021 AT 12:39 PM (Merged)
Tiny
KEN L
  • MASTER CERTIFIED MECHANIC
  • 55,522 POSTS
Here are diagrams to help you see what needs to be done. Excellent addition to this thread! Please feel free to help out whenever you are on the site :) Check out the diagrams (Below). Please let us know if you need anything else to get the problem fixed.
Was this
answer
helpful?
Yes
No
+2
Thursday, February 18th, 2021 AT 12:39 PM (Merged)
Tiny
TOLBERTRATLIFF
  • MEMBER
  • 3 POSTS
  • 2001 MITSUBISHI GALANT
  • 4 CYL
  • FWD
  • AUTOMATIC
  • 157,743 MILES
Turn signals and hazard flashers stopped working. I replaced the headlight, turn signal switch and still no lights. Is there a relay? It's my step-daughters car and her Dad can't find owners manual. I'm an injured police officer and I would donate but don't have money right now. Please help!
Was this
answer
helpful?
Yes
No
Thursday, February 18th, 2021 AT 12:39 PM (Merged)
Tiny
DOCFIXIT
  • MECHANIC
  • 18,828 POSTS
Flashing control is by the ETACS ECU are dash indicators out also? see diagram for location


https://www.2carpros.com/forum/automotive_pictures/198357_Graphic_496.jpg



This guide can help us fix it

https://www.2carpros.com/articles/turn-signals-not-working-blinker

Please run down this guide and report back.
Was this
answer
helpful?
Yes
No
+6
Thursday, February 18th, 2021 AT 12:39 PM (Merged)
Tiny
TOLBERTRATLIFF
  • MEMBER
  • 3 POSTS
Yes, dash indicators are out also.
Was this
answer
helpful?
Yes
No
+1
Thursday, February 18th, 2021 AT 12:39 PM (Merged)
Tiny
TOLBERTRATLIFF
  • MEMBER
  • 3 POSTS
Thank you for your help.
Was this
answer
helpful?
Yes
No
Thursday, February 18th, 2021 AT 12:39 PM (Merged)
Tiny
ERIKV11
  • MEMBER
  • 1 POST
Our Galant has the same problem.

Can the ETACS ECU can be swapped between a 6cyl and a 4 cyl?

I know the 99-03 galants have generally interchangeable parts, but unsure about 6 cyl and 4 cyl for the ETACS ECU.
Was this
answer
helpful?
Yes
No
Thursday, February 18th, 2021 AT 12:39 PM (Merged)
Tiny
TEDWILLIAMS2260
  • MEMBER
  • 6 POSTS
  • 1997 MITSUBISHI GALANT
  • 4 CYL
  • FWD
  • AUTOMATIC
  • 72,100 MILES
Looking for the turn signal flasher on 97 galant. Looked under dash, drivers side, all around fuse panel and can't seem to find it. There are 2 plastic gray colored relays beside fuse panel that won't come out. Is one of them the flasher or is it somewhere else?
Was this
answer
helpful?
Yes
No
Thursday, February 18th, 2021 AT 12:39 PM (Merged)
Tiny
KHLOW2008
  • MECHANIC
  • 41,814 POSTS
Hello,

The turn signal flasher is located at lower left side of dash. Check out the diagrams (Below). Please let us know if you need anything else to get the problem fixed.
Was this
answer
helpful?
Yes
No
+3
Thursday, February 18th, 2021 AT 12:39 PM (Merged)
Tiny
LISA BROOKS
  • MEMBER
  • 1 POST
  • 1997 MITSUBISHI GALANT
  • 83,500 MILES
I own a 1997 Mitshibshi Galant. I am trying to locate the turn signal flasher. I saw a diagram on this web site showing where it is supposed to be located. To the right of the fuse panel under the dash, but, it's NOT there. I see NOTHING close to it?

Thanks for this site :-)
Was this
answer
helpful?
Yes
No
Thursday, February 18th, 2021 AT 12:39 PM (Merged)
Tiny
JACOBANDNICKOLAS
  • MECHANIC
  • 110,194 POSTS
It should be low on the steering column or to the left of it.
Was this
answer
helpful?
Yes
No
+1
Thursday, February 18th, 2021 AT 12:39 PM (Merged)
Tiny
DAVIDECHEN
  • MEMBER
  • 1 POST
My blinkers and hazard signals we are not working on my 2006 Mitsubishi Galant ES. I replaced the 10A fuse for the hazards that is located in the fuse box under the hood by the driver side engine compartment.
Was this
answer
helpful?
Yes
No
Thursday, September 22nd, 2022 AT 4:16 PM
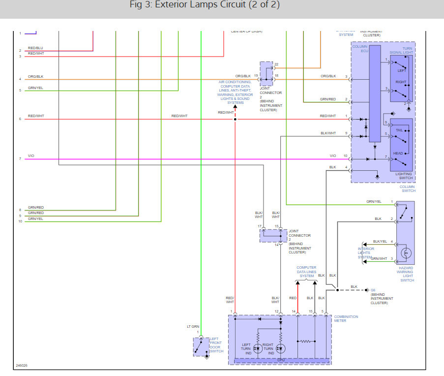
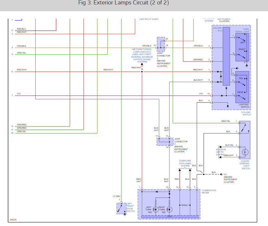
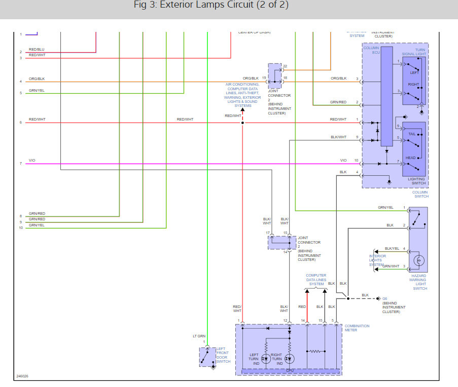
Tiny
KEN L
  • MASTER CERTIFIED MECHANIC
  • 55,522 POSTS
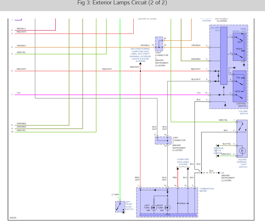
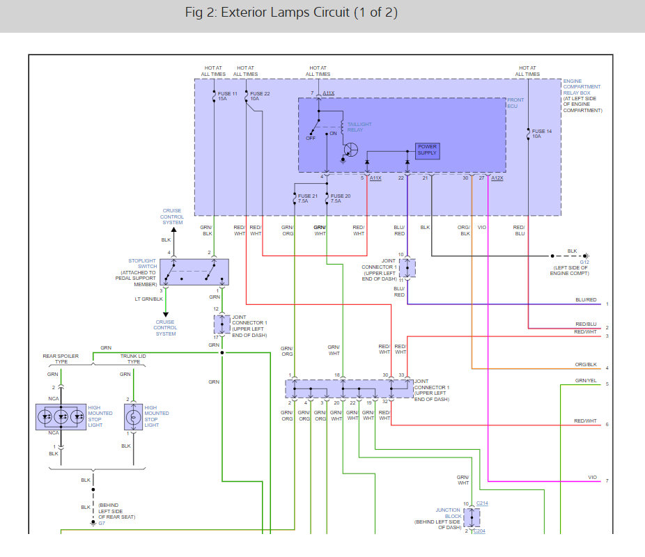
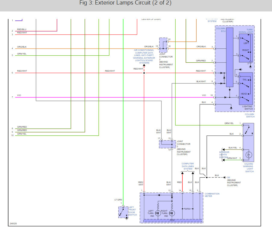
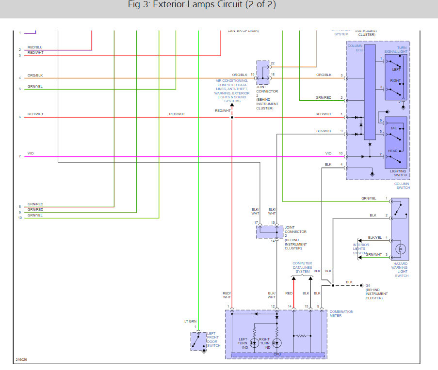
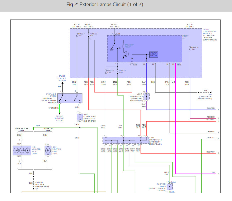
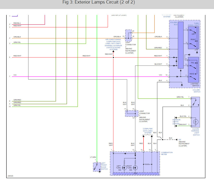
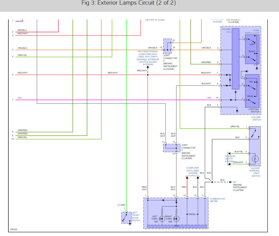
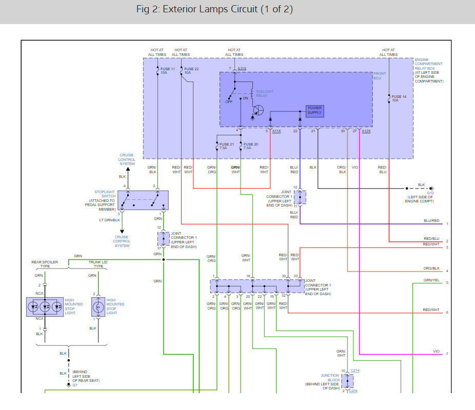
There are 7 fuses that run the blinker system. here is a wiring diagram for the blinkers and hazard lights so you can see how the system works and which fuses to check with a guide to show you how to check for power at the fuses.

https://www.2carpros.com/articles/how-to-check-a-car-fuse

Check out the images (below). Please let us know what you find. We are interested to see what it is.
Was this
answer
helpful?
Yes
No
Thursday, September 22nd, 2022 AT 5:02 PM

Please login or register to post a reply.