1995 Mercury Sable V8 Front Wheel Drive Automatic
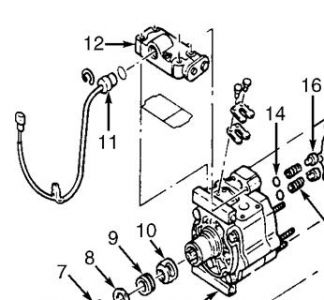
Hi- I needed an ac compressor for my 1995 Mercury Sable 3.8L engine, and bought it used, but the mechanic says we need the part that screws onto the four posts shown in this picture. He says it will come with two hoses. Can someon tell me what the part is called? (I'm in Mexico and don't speak Spanish well) Thanks.

Wednesday, June 3rd, 2009 AT 10:10 PM




