HOME
ASK A QUESTION
REPAIR GUIDES
BECOME A MEMBER
LOG IN
Login with Facebook
OR
Remember me
NOT A MEMBER?
FORGOT PASSWORD?
CONTACT US
PRIVACY POLICY
TERMS AND CONDITIONS
☰
Home
Chevrolet
Tahoe
Engine
Wiring
Engine wiring diagrams camshaft sensor low voltage?
SWINT
MEMBER
2004 CHEVROLET TAHOE
5.3L
V8
4WD
AUTOMATIC
200,000 MILES
Knock sensor low voltage, camshaft sensor low voltage, mass air flow low voltage, shift solenoid b low voltage.
Tuesday, January 12th, 2021 AT 1:20 AM
1 Reply
ASEMASTER6371
MECHANIC
52,796 POSTS
Good morning,
What was the voltage at these sensors?
https://www.2carpros.com/articles/how-to-check-wiring
Are there any codes set for this issue?
https://www.2carpros.com/articles/checking-a-service-engine-soon-or-check-engine-light-on-or-flashing
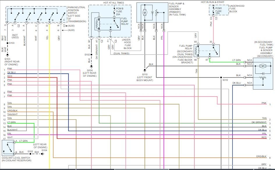
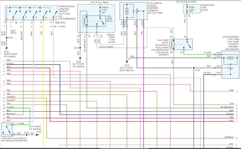
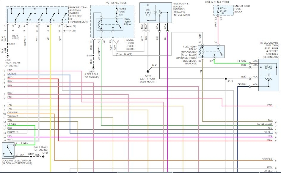
All sensors should have 5 volts and all actuators and solenoids need 12 volts. I attached the wiring diagram for you to view.
I would also check the battery to be sure it is good.
https://www.2carpros.com/articles/car-battery-load-test
Roy
Images (Click to make bigger)
Was this
answer
helpful?
Yes
No
+1
Tuesday, January 12th, 2021 AT 3:56 AM
Please
login
or
register
to post a reply.
Related Engine Wiring Content
There Is No Fuel Getting To The Intake?
We Are Having A Problem With Our Tahoe. We Have Replaced The Fuel Pump And Fuel Filter And There Is A Spark, However There Is No Fuel...
Asked by
debklahn
·
1 ANSWER
4 IMAGES
2001
CHEVROLET TAHOE
2003 Chevrolet Tahoe Knock Sensors/harness
I Have Been Having Problems With My Knock Sensor Engine Light Coming On, So I Got The Car Scanned At The Chevy Dealer They Said There Was...
Asked by
ohoffner
·
1 ANSWER
2003
CHEVROLET TAHOE
1997 Chevrolet Tahoe 97 Chevy Tahoe
Do You Think By My Fuel Pump Relay Wire Burnt Could Be Why My Truck Dont Start Got Power In The Relay Box Now Im Bout To See If I Got Power...
Asked by
crossingboyslim
·
3 ANSWERS
1997
CHEVROLET TAHOE
1999 Chevy Tahoe Fuel System Wiring
Engine Performance Problem 1999 Chevy Tahoe V8 Automatic Need Wiring Diagram For Fuel Pump, Relay And Ecu Wiring To Relay. Looking...
Asked by
cheech1
·
2 ANSWERS
3 IMAGES
1999
CHEVROLET TAHOE
Ignition Control Switch And It Still Wont Start?
I Rebuilt The Heads, Full Gaskets, Starter, Water Pump, Distributor, Cap And Rotor, Spark Plugs And Wires, Idle Air Valve, Map...
Asked by
truckracer32
·
2 ANSWERS
6 IMAGES
1997
CHEVROLET TAHOE
VIEW MORE
Ask a Car Question. It's Free!
How to Use a Test Light
Oil Change and Filter Replacement Dodge Ram
Engine Oil Change and Filter Replacement