Low beams are not working?

Tiny
LETHA COX DOLOWITZ
  • MEMBER
  • 2007 HONDA ACCORD
  • 4 CYL
  • 2WD
  • AUTOMATIC
  • 57,000 MILES
Low beams do not work, but the high beams are working.
Sunday, October 22nd, 2017 AT 2:24 AM

12 Replies

Tiny
KEN L
  • MASTER CERTIFIED MECHANIC
  • 55,535 POSTS
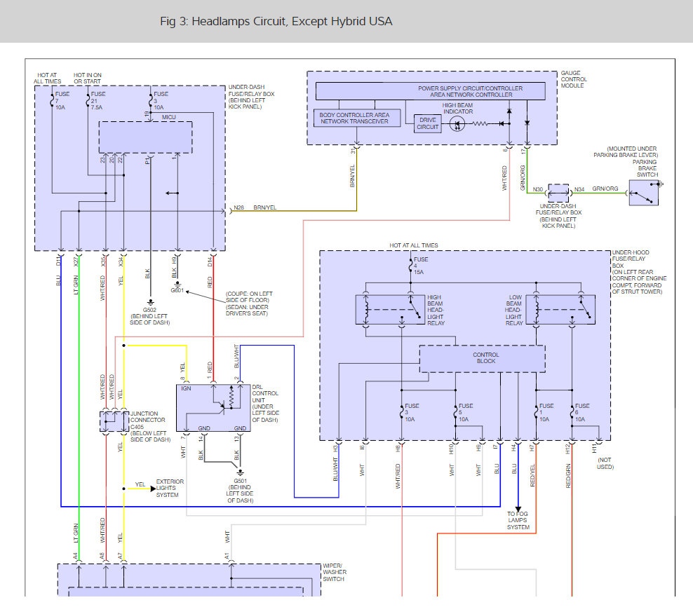
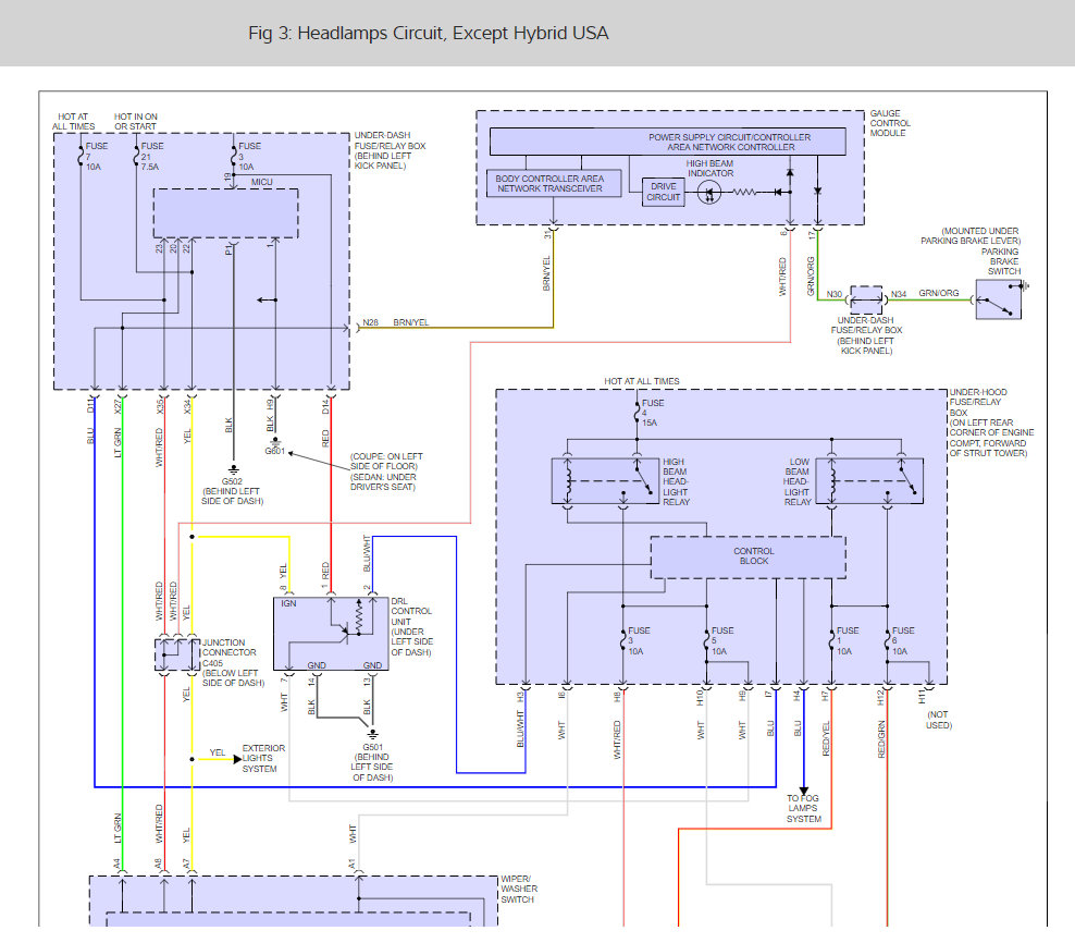
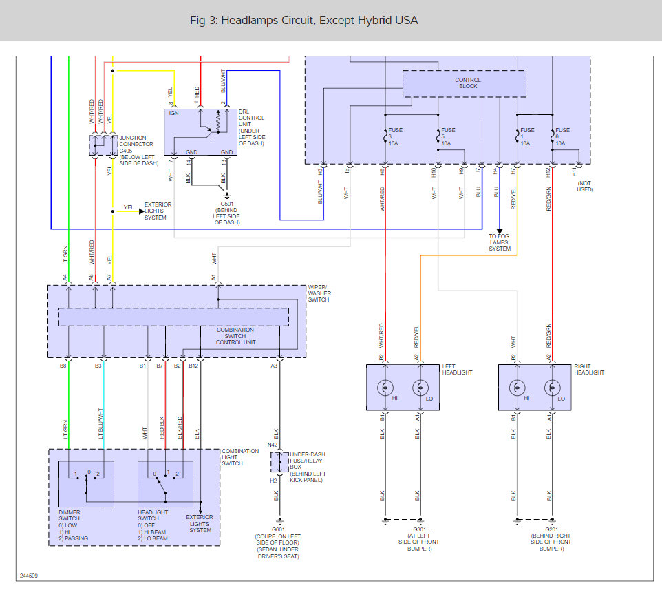
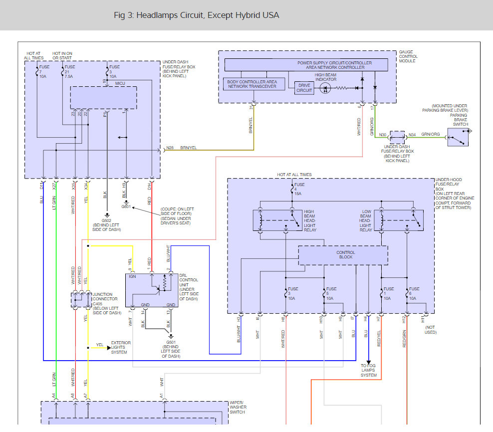
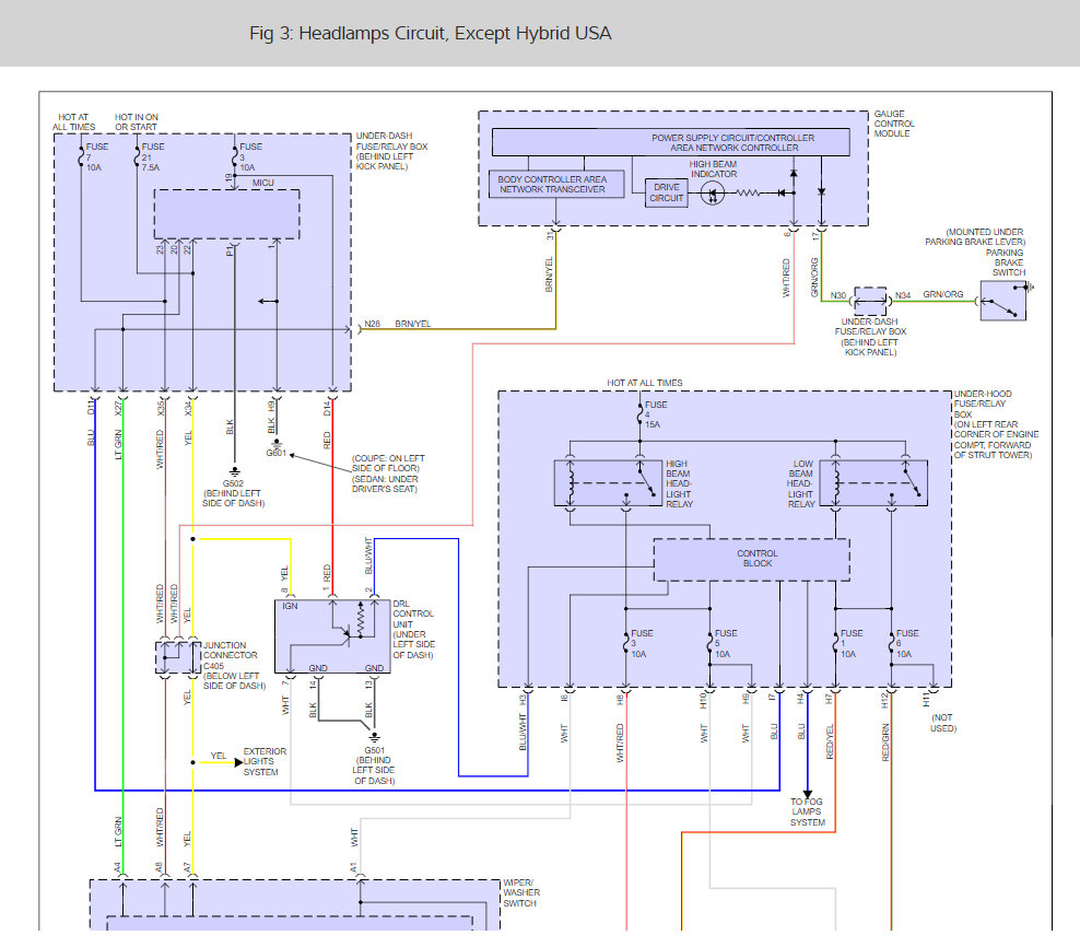
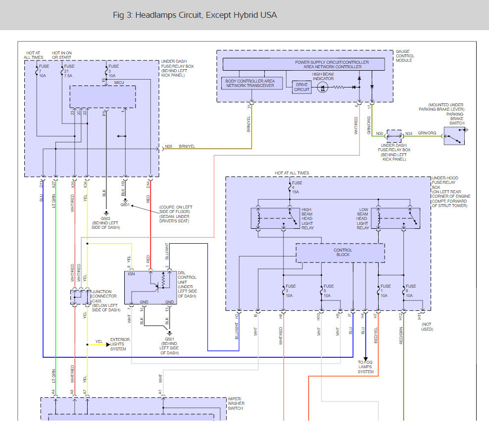
There is a headlight relay that sound like it went out. Here are some diagrams and diagrams so you can find and test the relay. I would try to swap it with another relay that is close by to see if you can get it to work. Check the fuses too.

https://www.2carpros.com/articles/how-to-check-a-car-fuse

and

https://www.2carpros.com/articles/how-to-check-an-electrical-relay-and-wiring-control-circuit

and

https://www.2carpros.com/articles/how-to-use-a-test-light-circuit-tester

Test for where we are losing power (below)

Please let us know what happens.

Cheers, Ken
Was this
answer
helpful?
Yes
No
Monday, October 23rd, 2017 AT 1:44 PM
Tiny
DJNACORY
  • MEMBER
  • 1 POST
  • 2007 HONDA ACCORD
  • 4 CYL
  • 2WD
  • MANUAL
  • 3,800 MILES
The Drivers side low beam won't work. I've replace the bulb and checked the fuse but still won't work. I measured the voltage at the fuse with lights on and read 0VDC. At the passenger side fuse I read 12.8VDC. Any help would be appreciated.
Was this
answer
helpful?
Yes
No
Monday, May 17th, 2021 AT 12:09 PM (Merged)
Tiny
KHLOW2008
  • MECHANIC
  • 41,814 POSTS
Hi djnacory,

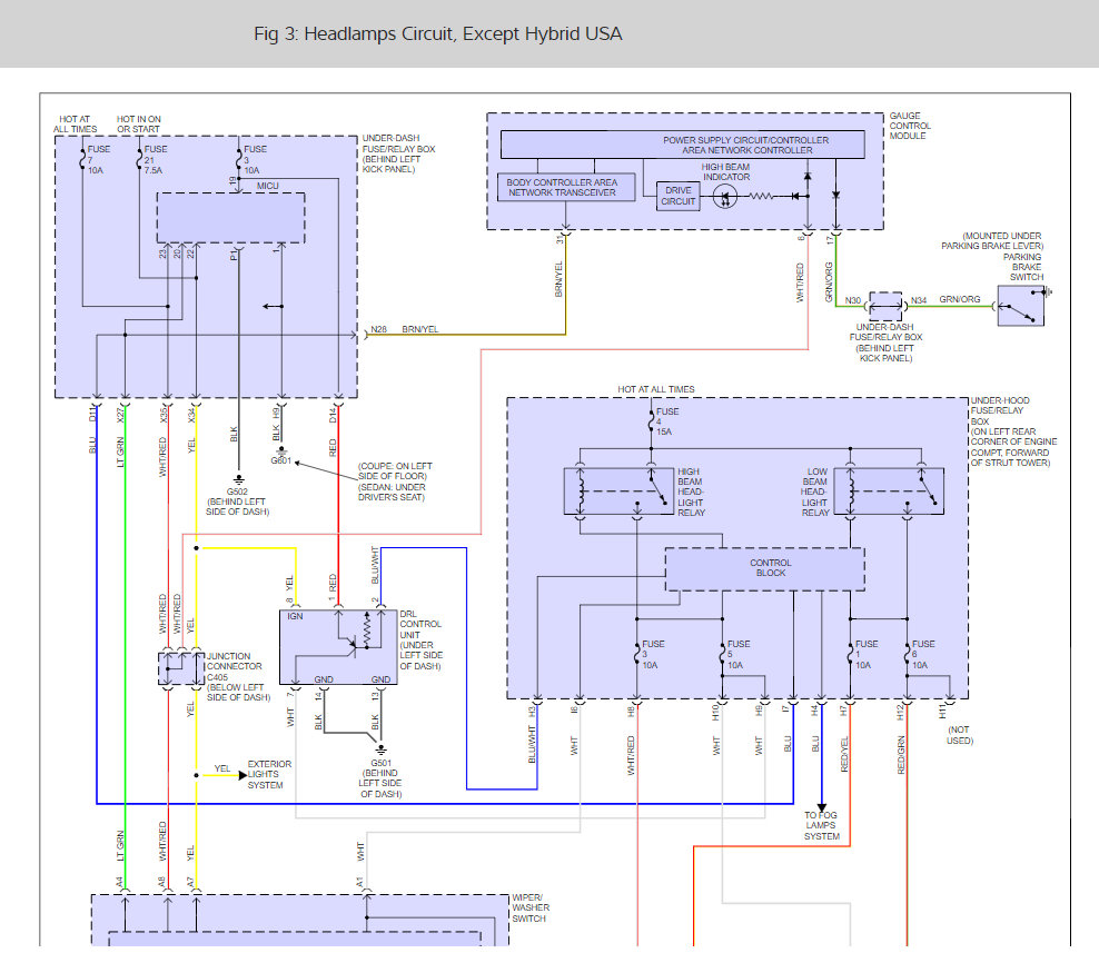
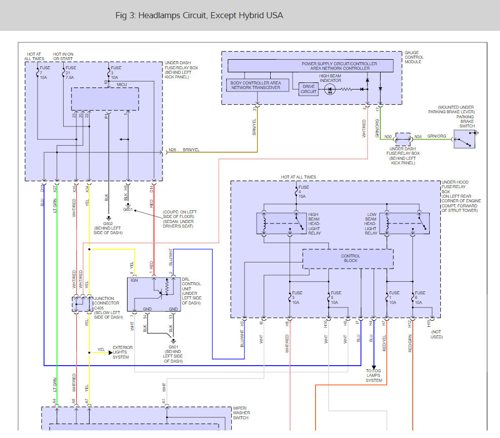
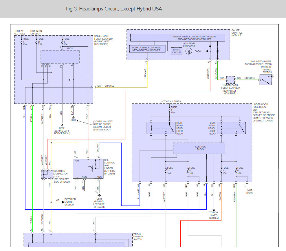
If you do not have voltage at fuse # 1 ( 10 A ) in underhood fuse box with low beam turned on, there is an open circuit within the relay.

The headlight low beam relay supplies power to both fuses for left and right low beams and if only 1 is not working, it can only be due to an open circuit.


https://www.2carpros.com/forum/automotive_pictures/192750_HeadlightCircuit07AccordFig85a_1.jpg


Was this
answer
helpful?
Yes
No
+1
Monday, May 17th, 2021 AT 12:09 PM (Merged)
Tiny
DJNACORY
  • MEMBER
  • 1 POST
I installed a new fuse and it working must have been a bad connection thank you.
Was this
answer
helpful?
Yes
No
Monday, May 17th, 2021 AT 12:09 PM (Merged)
Tiny
MACKATK
  • MEMBER
  • 1 POST
  • 2006 HONDA ACCORD
  • 6 CYL
  • 2WD
  • AUTOMATIC
  • 45,000 MILES
Both low beam headlights are out. All other lights work fine. Fues are good. Whats happening
Was this
answer
helpful?
Yes
No
Monday, May 17th, 2021 AT 12:09 PM (Merged)
Tiny
MHPAUTOS
  • MECHANIC
  • 31,937 POSTS
There is a low beam relay that needs to be checked here is a guide to help with the relay location in the diagrams below.

https://www.2carpros.com/articles/how-to-check-an-electrical-relay-and-wiring-control-circuit

Check out the diagrams (Below). Please let us know what happens.
Was this
answer
helpful?
Yes
No
Monday, May 17th, 2021 AT 12:09 PM (Merged)
Tiny
RONALD ROBEY
  • MEMBER
  • 1 POST
  • 2004 HONDA ACCORD
  • 4 CYL
  • FWD
  • 105,000 MILES
Low beam passenger side 2004 honda accord not working. Power to #6 fuse but not to bulb connector. Fuse good, Bulb good. What & where to look next. Thanks Ronnie
Was this
answer
helpful?
Yes
No
Monday, May 17th, 2021 AT 12:09 PM (Merged)
Tiny
KHLOW2008
  • MECHANIC
  • 41,814 POSTS
Power supply is direct from Fuse # 6 to the headlight. Ensure fuse is good with a test lamp or try swapping with Fuse # 1.

If power is available, then there is a break in the wiring between fuse and bulb. Check the connection behind the fusebox for looseness or contaminations causing poor contacts.
Was this
answer
helpful?
Yes
No
+2
Monday, May 17th, 2021 AT 12:09 PM (Merged)
Tiny
HOUSEDOCTOR
  • MEMBER
  • 2 POSTS
  • 1987 HONDA ACCORD
  • 4 CYL
  • FWD
  • AUTOMATIC
  • 24,000 MILES
I have a 1987 Honda Accord LX with a headlamp problem. For the last few weeks, the lights were essentially locked in HIGH beams. The LOW beams would occasionally work. The High beam dash indicator light seems to be working OK. One thing that may help diagnose is that the indicator light would dim slightly when I clicked the light switch to Low beam even though the headlamps stayed on High.
Two nights ago, the driver's side headlamp went out while I was driving with the Low beams on (I did say that it would occasionally work w/ Low beams). I clicked the lights to high and both headlamps worked fine. I thought it was probably the headlamp and I replaced the driver's side (the one that didn't work on low beam) headlamp this afternoon. Still the same problem. When placed on low beam, the driver's side headlamp goes out and the passenger-side headlamp seems to stay on high beam. So, what do you think is the most likely cause of the problem?
1) Bad ground or broken headlamp wire?
2) Bad relay--and if it is, where is it located?
3) Bad light switch stalk? If so, how hard is that to replace?
Was this
answer
helpful?
Yes
No
Monday, May 17th, 2021 AT 12:09 PM (Merged)
Tiny
HONDAMIKE
  • MECHANIC
  • 71 POSTS
You have a fuse for your high beams and low beams. Check those first with a test light. If the fuses are OK and the lamps are OK, then the problem will likely be the wires going to the lamp plugs. You will need to remove the headlight assembly to get to the wires.

86-89 Accords have flip-up headlights and the wires will break from the flexing - like bending a paper clip back and forth until it breaks.

Also, a side note, the screws that hold the lamps are not magnetic and you can lose them easily.
Was this
answer
helpful?
Yes
No
+1
Monday, May 17th, 2021 AT 12:09 PM (Merged)
Tiny
HOUSEDOCTOR
  • MEMBER
  • 2 POSTS
Thanks HondaMike.
I found a manual and downloaded the 800 plus pages. I located the wiring diagram and noticed that there was a separate fuse for the low beams as well as the high beams. It was simply a matter of replacing the 10amp low beam fuse. I feel kinda stupid.
What got me confused was that the low beams would only work intermittently for a few weeks. I would guess that my fuse had a "hanging chad".
There aren't too many people around here with much knowledge of a 1987 Accord. It's great to know that I can come here for some good advice.
Was this
answer
helpful?
Yes
No
+1
Monday, May 17th, 2021 AT 12:09 PM (Merged)
Tiny
HONDAMIKE
  • MECHANIC
  • 71 POSTS
I also owned an 88 Accord LXi as well as worked at a Honda dealership.
Glad it all worked out for you.
Was this
answer
helpful?
Yes
No
Monday, May 17th, 2021 AT 12:09 PM (Merged)

Please login or register to post a reply.