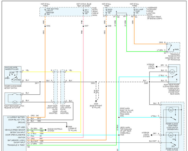
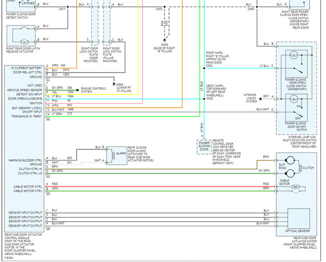
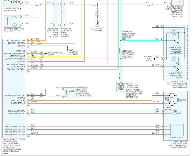
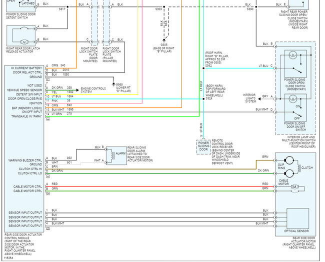
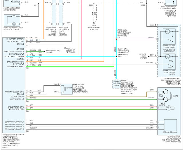
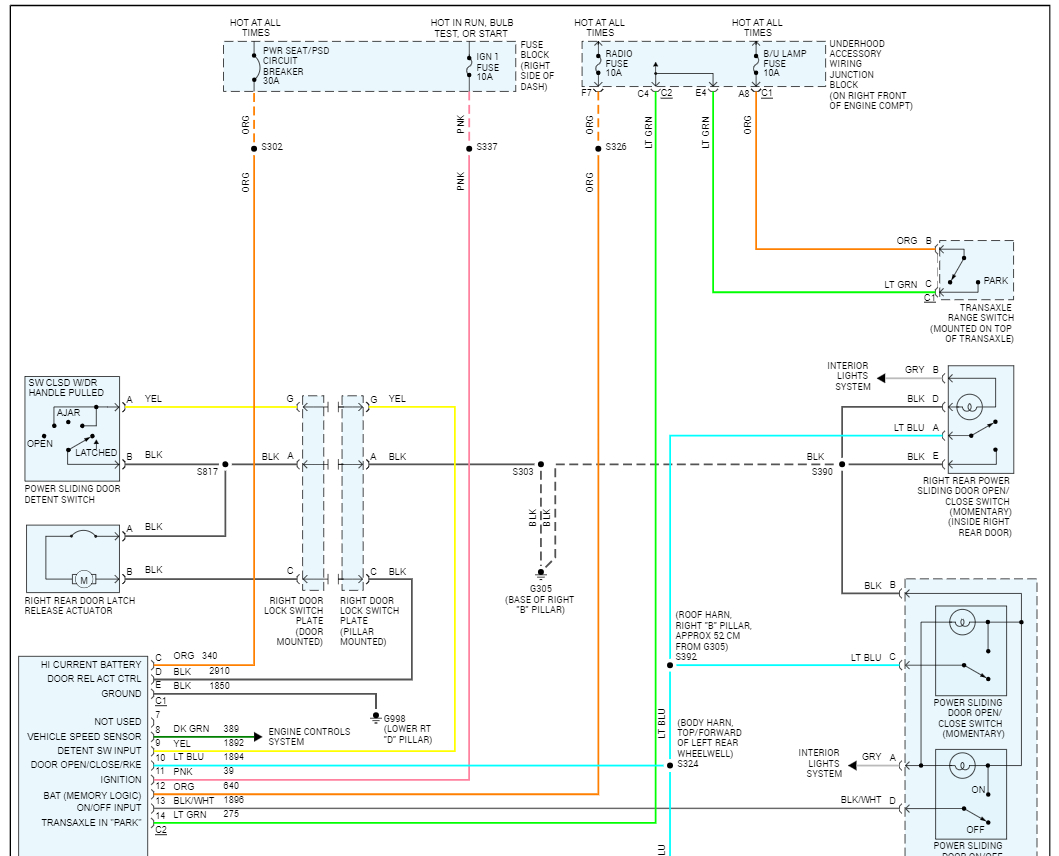
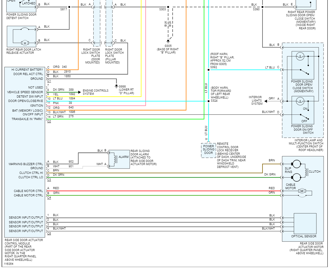
After replacing the battery, the passenger sliding door is not working properly now. I have tried to do the manual resetting instructions in the operations manual. Did not fix the problem. I have cleaned the PSD contacts.
Looking for solutions. Took it to the dealer and the dealer said they couldn't get parts so they wouldn't work on it.
Any solutions?
Friday, November 17th, 2023 AT 12:57 PM



