The A/C does not come on, clutch does not engage?

Tiny
MIKE DECELLE
  • MEMBER
  • 2015 TOYOTA AVALON
  • 3.5L
  • 6 CYL
  • 2WD
  • AUTOMATIC
  • 114,000 MILES
A/C pump isn't seized. Fuse 13 and 27 good. Can't find relay switch? If not relay what else should I check and how?
Sunday, April 23rd, 2023 AT 8:48 AM

11 Replies

Tiny
KEN L
  • MASTER CERTIFIED MECHANIC
  • 55,488 POSTS
Is the system full of refrigerant? This would be the first thing I would check because the system will not turn on when the system is low.

Here is a guide to help see if that is the problem:

https://www.2carpros.com/articles/air-conditioner-how-to-add-freon

This guide may help as well:

https://www.2carpros.com/articles/car-air-conditioner-not-working-or-is-weak

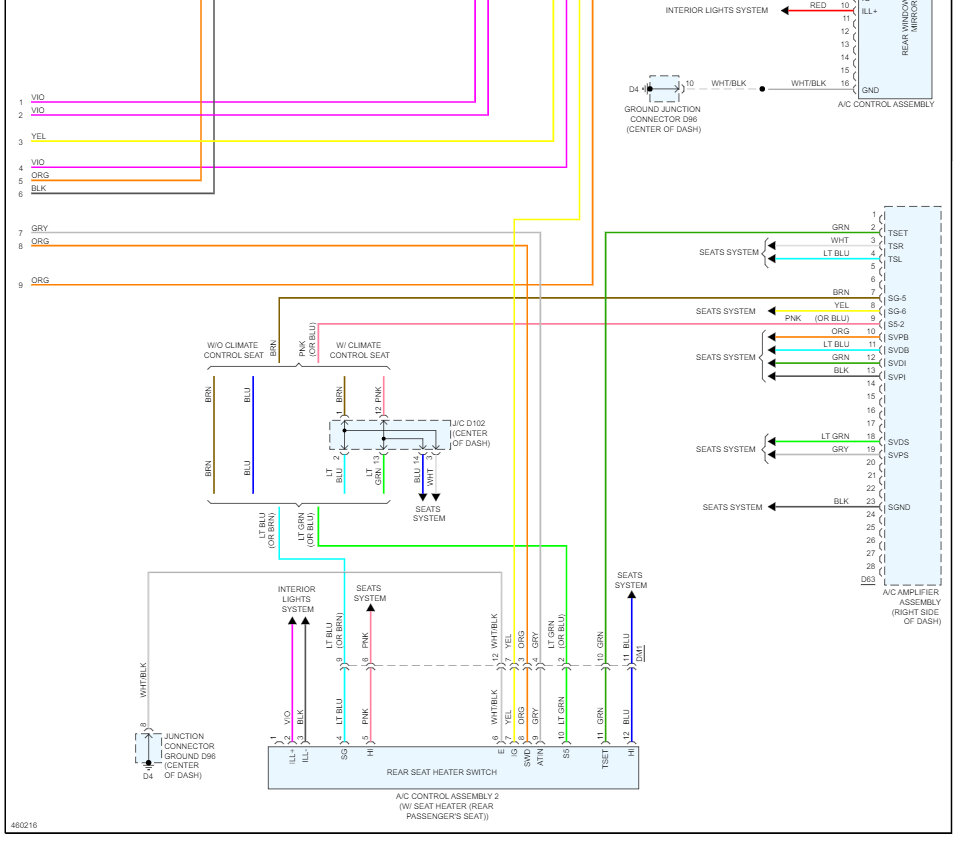
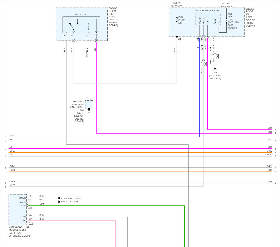
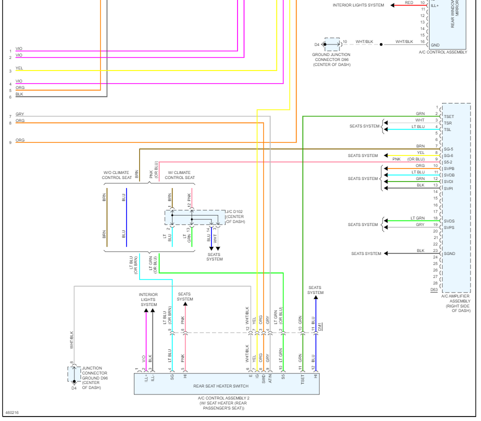
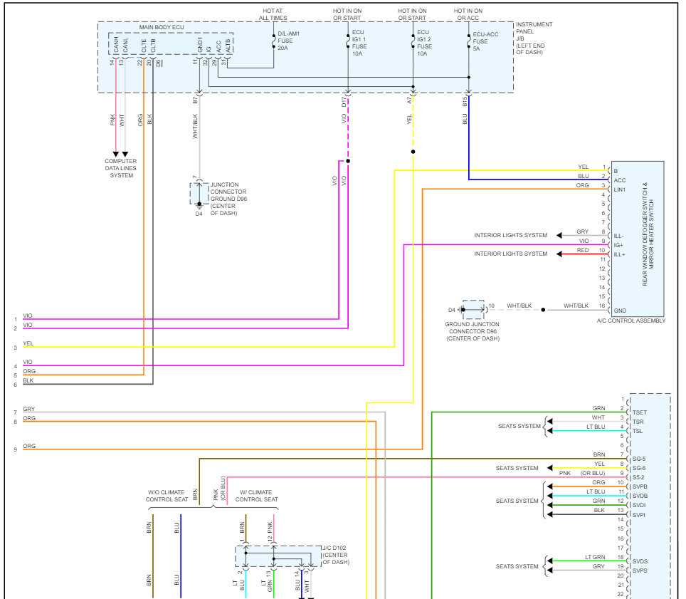
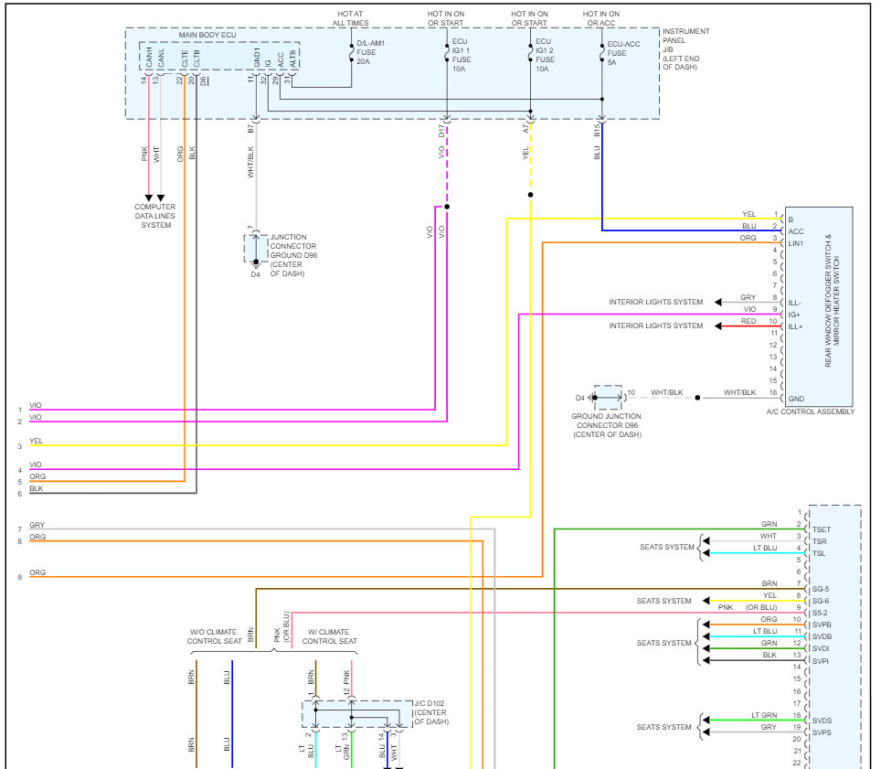
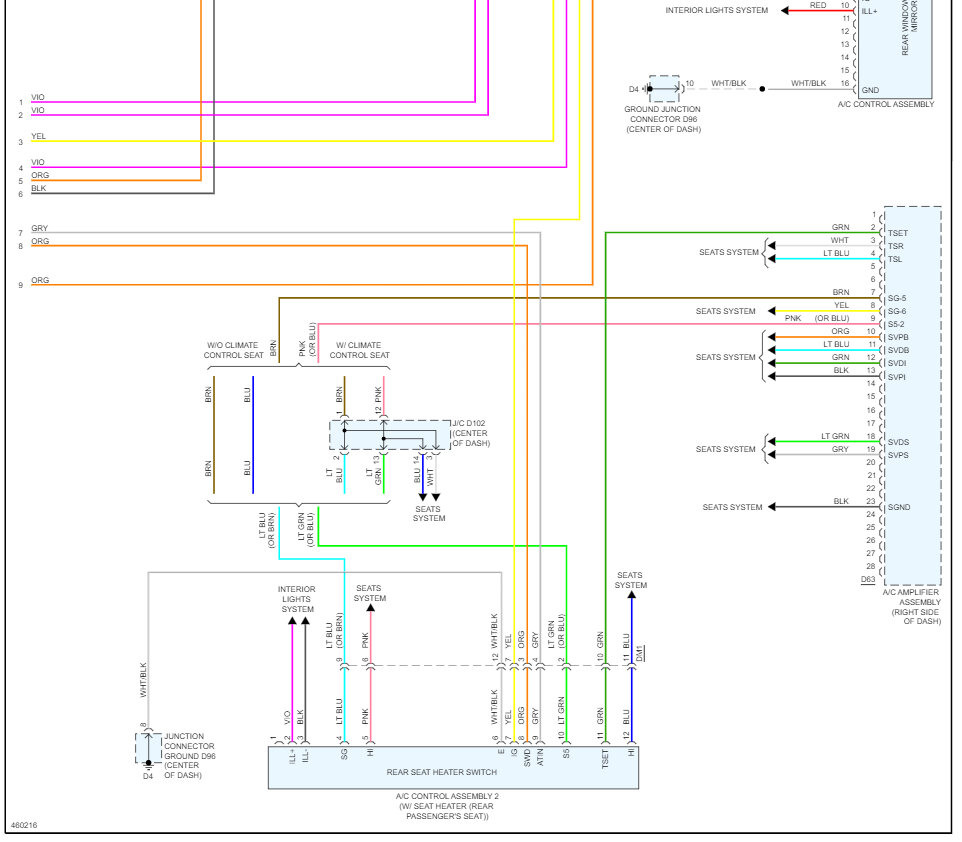
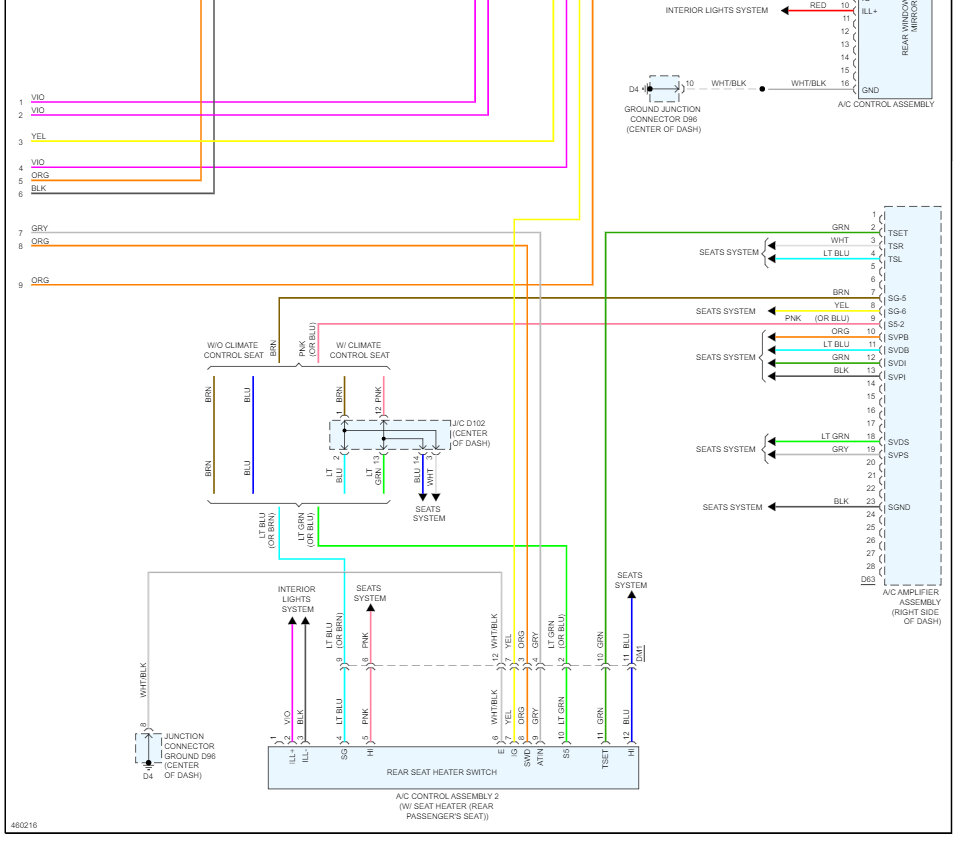
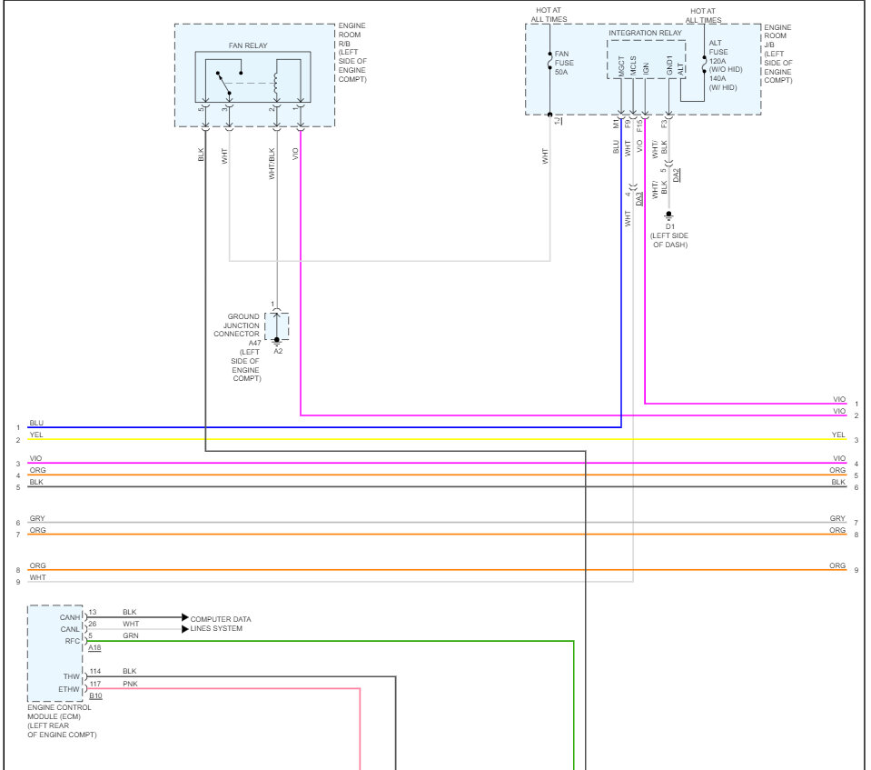
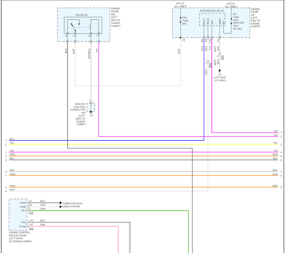
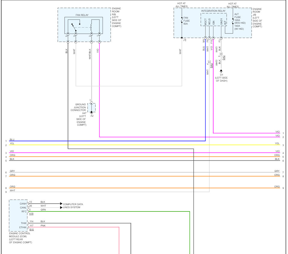
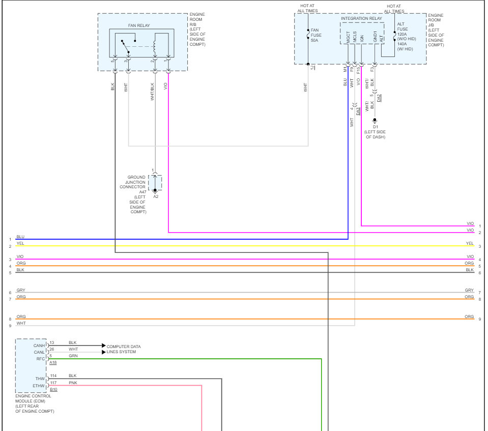
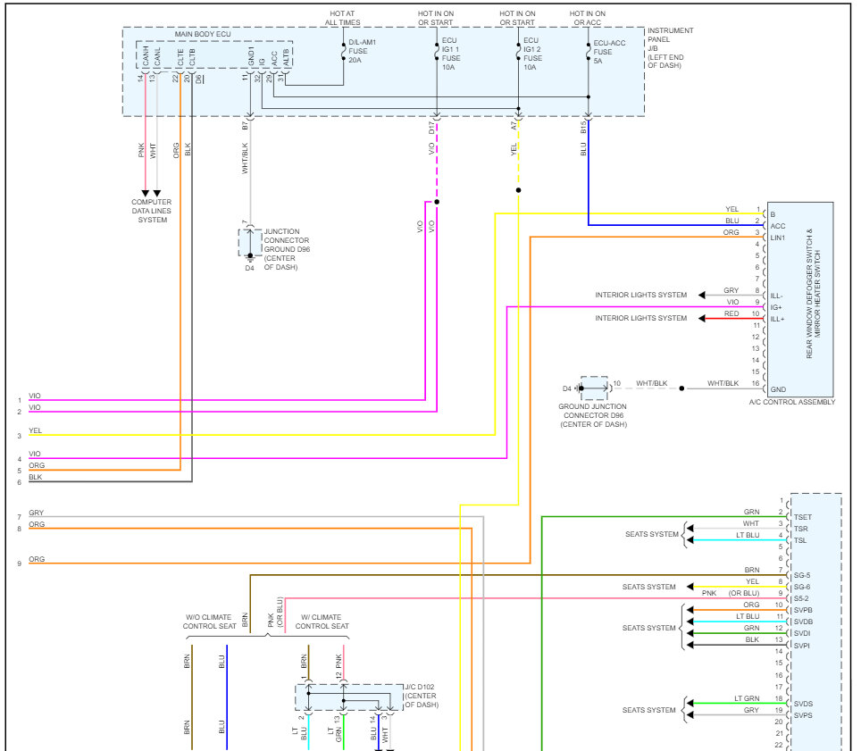
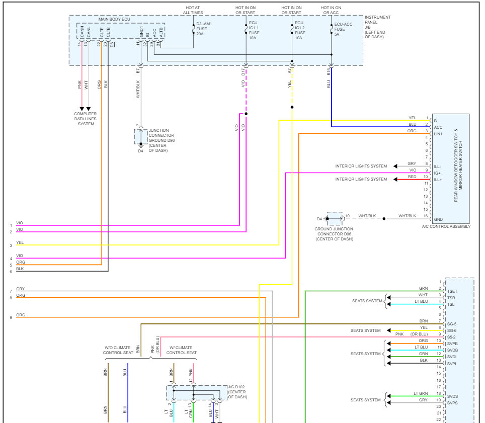
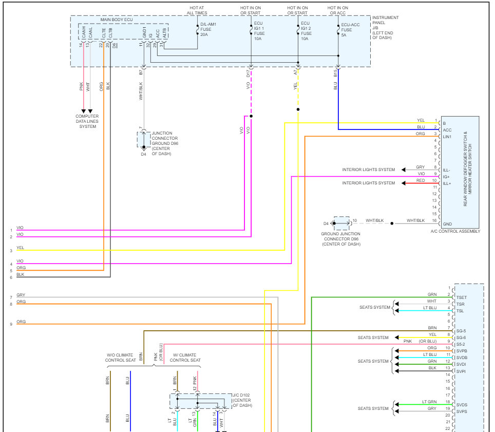
Here are the air conditioner wiring diagrams so you can see how the system works and which fuses to check. If the system is empty here is a guide to help you find the leak:

https://www.2carpros.com/articles/air-conditioner-leak-detection

Check out the images (below). Please let us know what you find. We are interested to see what it is.
Was this
answer
helpful?
Yes
No
Monday, April 24th, 2023 AT 10:18 AM
Tiny
MIKE DECELLE
  • MEMBER
  • 6 POSTS
System is charged. It reads way into the red danger zone. Approximately 140 which is way too high. And yes, I read the low pressure side?
Was this
answer
helpful?
Yes
No
Monday, April 24th, 2023 AT 12:50 PM
Tiny
KEN L
  • MASTER CERTIFIED MECHANIC
  • 55,488 POSTS
That might be normal if the system is not turning on. At least it has a charge. There are more fuses that run the system than 2, please use the wiring diagrams above to see all of the fuses and then check them, if the fuses are okay, we need to do a CAN scan because it sounds like an A/C amplifier has gone bad. the CAN scan should be able to confirm the problem. You can get a CAN scanner (Controller Area Network) which will work on most cars from Amazon.

Here is a video to show you how:

https://youtu.be/u-4syLc-ifQ

and

https://www.2carpros.com/articles/can-scan-controller-area-network-easy

Here is one for about $99.00 if you need it:

https://amzn.to/3ZixY4v

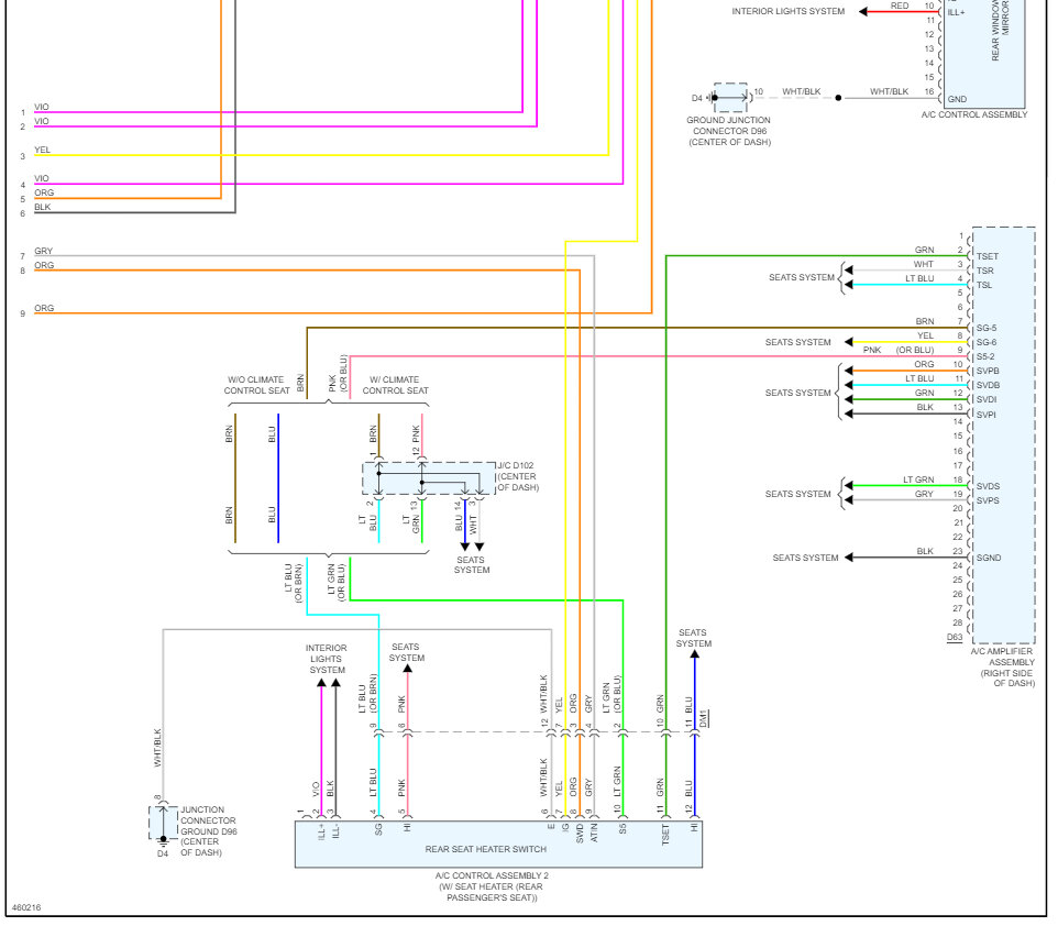
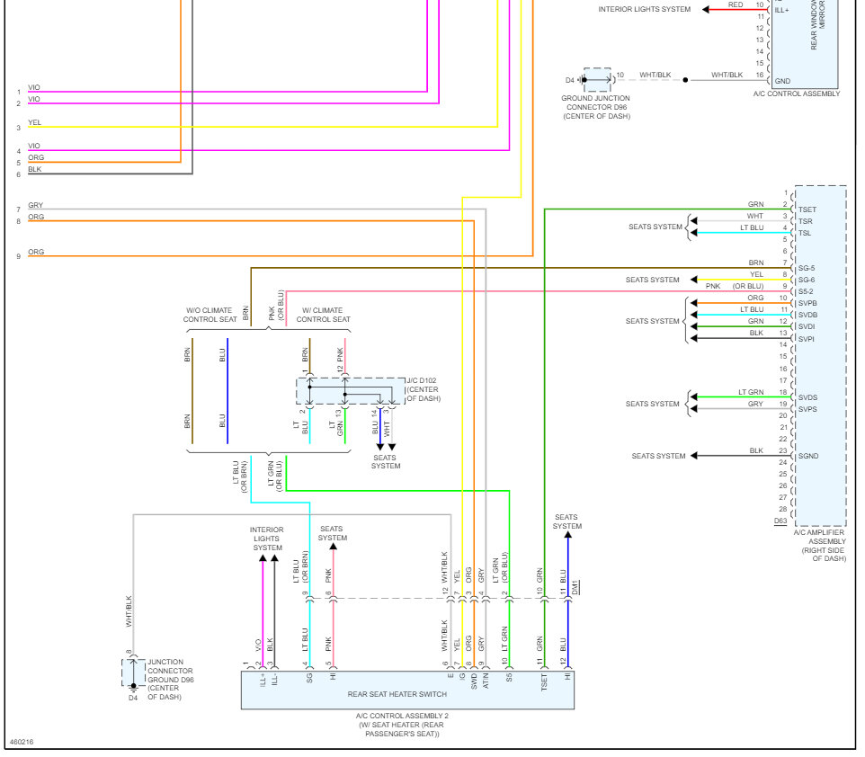
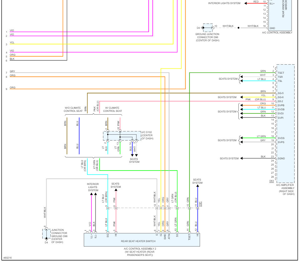
Here is the location of the A/C amplifier in case you need it. Check out the images (below). Please let us know what happens.

Was this
answer
helpful?
Yes
No
Tuesday, April 25th, 2023 AT 8:38 AM
Tiny
MIKE DECELLE
  • MEMBER
  • 6 POSTS
Okay, smart car fixed itself now it works. Why, who knows but it works. I will keep you posted.
Was this
answer
helpful?
Yes
No
Thursday, April 27th, 2023 AT 2:56 PM
Tiny
KEN L
  • MASTER CERTIFIED MECHANIC
  • 55,488 POSTS
The system could have reset itself, you may have a bad amplifier. Let me know if you have any other problems.
Was this
answer
helpful?
Yes
No
+1
Saturday, April 29th, 2023 AT 10:39 AM
Tiny
MIKE DECELLE
  • MEMBER
  • 6 POSTS
Okay, thank you.
Was this
answer
helpful?
Yes
No
Wednesday, May 3rd, 2023 AT 3:42 PM
Tiny
MIKE DECELLE
  • MEMBER
  • 6 POSTS
It seems to work when it feels like?
Was this
answer
helpful?
Yes
No
Friday, May 5th, 2023 AT 11:44 AM
Tiny
KEN L
  • MASTER CERTIFIED MECHANIC
  • 55,488 POSTS
It could be a bad compressor as well. Let me know if the system stops working again so we can continue.
Was this
answer
helpful?
Yes
No
Saturday, May 6th, 2023 AT 11:04 AM
Tiny
MIKE DECELLE
  • MEMBER
  • 6 POSTS
Not working any more?
Was this
answer
helpful?
Yes
No
Thursday, May 11th, 2023 AT 12:22 PM
Tiny
KEN L
  • MASTER CERTIFIED MECHANIC
  • 55,488 POSTS
Okay, let's do the CAN scan to see if it is a part of the climate control or the compressor itself.

Here is a video to show you how:

https://youtu.be/u-4syLc-ifQ

and

https://www.2carpros.com/articles/can-scan-controller-area-network-easy

Please go over these guides and get back to us.
Was this
answer
helpful?
Yes
No
Saturday, May 13th, 2023 AT 9:30 AM

Please login or register to post a reply.