Limp mode

Tiny
EMIRAMIREZ
  • MEMBER
  • 2004 CHRYSLER SEBRING
  • 2.4L
  • 4 CYL
  • 2WD
  • AUTOMATIC
  • 120,667 MILES
My car is in a limp mode. I already replace battery, transmission, also re-flashed the PCM. Replace wiring going to transmission. Engine light on soon as I start the car.
Thursday, December 27th, 2018 AT 8:17 PM

8 Replies

Tiny
ASEMASTER6371
  • MECHANIC
  • 52,796 POSTS
Good morning,

Lets start with the code. do you have the code number?

https://www.2carpros.com/articles/checking-a-service-engine-soon-or-check-engine-light-on-or-flashing

Do you mean it has only one gear in the transmission or is the engine limited to low rpm? Limp mode can be from either the engine or transmission.

Roy
Was this
answer
helpful?
Yes
No
Friday, December 28th, 2018 AT 7:10 AM
Tiny
EMIRAMIREZ
  • MEMBER
  • 5 POSTS
Engine codes p0888, p0700, p0499, p0622 and is stuck in second gear. Does not shift any other gear. You can drive about 45.
Was this
answer
helpful?
Yes
No
+4
Friday, December 28th, 2018 AT 8:13 AM
Tiny
EMIRAMIREZ
  • MEMBER
  • 5 POSTS
Thanks for your help.
Was this
answer
helpful?
Yes
No
Friday, December 28th, 2018 AT 8:13 AM
Tiny
ASEMASTER6371
  • MECHANIC
  • 52,796 POSTS
OKay,

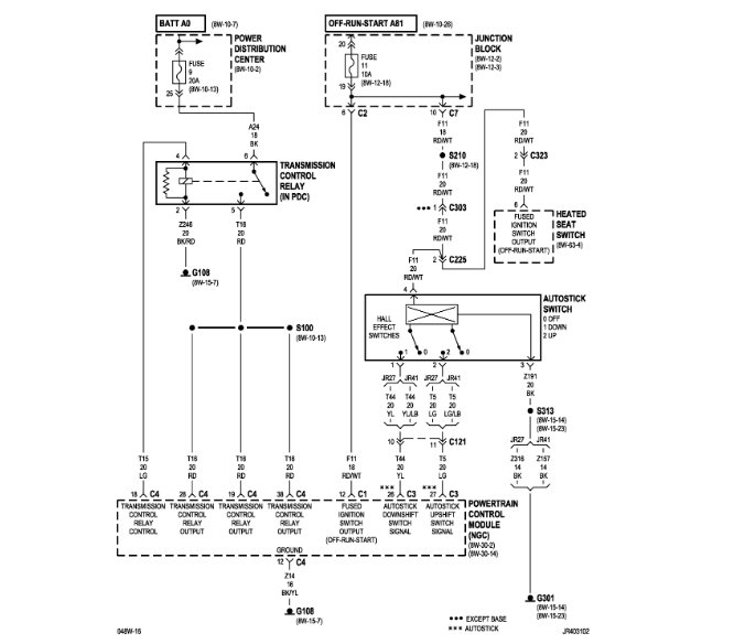
700 is a general code for transmission issue.

The 888 is your issue. It looks like it is an electrical issue such as wiring or a bad transmission control module.

When Monitored:
Continuously

Set Condition:
This DTC is set when less than 3 volts are present at the Transmission Control Relay output circuits at the Transmission Control Module (TCM) when the TCM is energizing the relay. Note: Due to the integration of the Power-train and Transmission Control Modules, the transmission part of the PCM has its own specific power and ground circuits.

888 possibilities

P0888
Descriptor
Relay Output Always Off
Probable Causes
Fused B+ Circuit Open
Intermittent Wiring and Connectors
Power-train Control Module (PCM)
Transmission Control Module (TCM)
Transmission Control Relay Control Circuit Open
Transmission Control Relay Control Circuit Short to Ground
Transmission Control Relay Ground Circuit Open
Transmission Control Relay Output Circuit Open
Transmission Control Relay Output Circuit Short to Ground
Transmission Control Relay Stuck Open

499 this is an evap code and has nothing to do with your issue

P0499
Descriptor
Nvld Canister Vent Valve Solenoid Circuit High
Probable Causes
Good Trip Counter Equal to Zero
Ground Circuit Open
Natural Vacuum Leak Detection (NVLD) Solenoid Control Circuit Open
Natural Vacuum Leak Detection (NVLD) Solenoid Control Circuit Shorted to Battery Voltage
Natural Vacuum Leak Detector (NVLD) Solenoid
Power-train Control Module (PCM)
Vehicle History and Service Bulletin Investigation

622 is a charging system issue

P0622
Descriptor
Generator Field Control Circuit
Generator Field Not Switching Properly
Probable Causes
Alternator
Generator Field Coil Open
Generator Field Coil Shorted
Generator Field Control Circuit Open
Generator Field Control Circuit Shorted to Battery Voltage
Generator Field Control Circuit Shorted to Ground
Generator Field Driver Circuit Open
Generator Field Driver Circuit Short to Ground
Generator Field Ground Circuit Open
Generator Field Performance
Generator Field Source Circuit Open
Good Trip Counter Equal to Zero
Power-train Control Module (PCM)
Was this
answer
helpful?
Yes
No
+1
Friday, December 28th, 2018 AT 8:22 AM
Tiny
EMIRAMIREZ
  • MEMBER
  • 5 POSTS
Do you think my issue is electrical? I replaced the wiring harness coming out from the PCM to the transmission and alternator thinking that was the issue, but nothing changed.
Was this
answer
helpful?
Yes
No
-1
Friday, December 28th, 2018 AT 9:25 AM
Tiny
ASEMASTER6371
  • MECHANIC
  • 52,796 POSTS
Did you do ant voltage checks at the transmission and the relay?

Did anyone check the transmission control module?

Do you have a scan tool to monitor the transmission system?

Roy
Was this
answer
helpful?
Yes
No
Friday, December 28th, 2018 AT 9:32 AM
Tiny
EMIRAMIREZ
  • MEMBER
  • 5 POSTS
No idea how to do voltage checks. Any tips?
This model has a PCM [TCM-PCM in one], and I had it flashed at the dealer. They said it took the program with no problem but that obviously didn't fix the problem.
I do not have a transmission scan tool.

I read somewhere to check pin#5 for voltage. Any idea what that means? I checked all my relays for continuity. One was bad but I replaced it and no change. Thanks for your help so far.
Was this
answer
helpful?
Yes
No
Friday, December 28th, 2018 AT 10:01 AM
Tiny
ASEMASTER6371
  • MECHANIC
  • 52,796 POSTS
https://www.2carpros.com/articles/how-to-check-wiring

https://www.2carpros.com/articles/how-to-check-an-electrical-relay-and-wiring-control-circuit

https://www.2carpros.com/articles/how-to-use-a-voltmeter

I attached some info on how to check wiring, relays and using a voltmeter.

Roy
Was this
answer
helpful?
Yes
No
Friday, December 28th, 2018 AT 10:06 AM

Please login or register to post a reply.