Dash lights not working properly

Tiny
OLDGOAT1089
  • MEMBER
  • 1995 SUBARU LEGACY
  • 2.2L
  • 4 CYL
  • 4WD
  • AUTOMATIC
  • 166,567 MILES
I have no instrument panel lights, except for the info lights, like seatbelt, door ajar, oil, and so forth. The speedometer and the tachometer have no lights. Absolutely blackout at night. Headlights work fine, as do the taillights and backup lights. I am pretty sure the glove box light doesn't work and neither does the shifter light. I replaced the lighting control module with a used one from China. What can I do to fix this or am I at the mercy of the dealership? Their cost of repair will be more than this car is worth. Can anyone instruct me how to fix this myself?
Thursday, December 23rd, 2021 AT 1:41 PM

8 Replies

Tiny
KASEKENNY
  • MECHANIC
  • 18,907 POSTS
There are a few things that this could be, but we need to find out for sure if the other lights on this circuit are working or not.

It could be as simple as a fuse, but we should check to see if there is power going into one of these lights which will tell us for sure if the fuse is okay.

https://www.2carpros.com/articles/how-to-check-wiring

https://www.2carpros.com/articles/how-to-check-a-car-fuse

I am attaching the wiring diagram below but if all these lights are out then it could be a ground as well.

So, we need to check the ground or just supply a good ground and find out if they start working again.

However, if the cluster lights are the only thing not working, then the cluster is most likely the issue as it is unlikely that all the bulbs would go out at the same time.

Please run through this and let me know what you find with the voltage and the ground, and we can go from there.
Was this
answer
helpful?
Yes
No
Friday, December 24th, 2021 AT 5:54 PM
Tiny
JACOBANDNICKOLAS
  • MECHANIC
  • 110,192 POSTS
Hi,

If this happened all at once, there are two fuses I need to be checked and a relay.

In the main fuse box under the hood and the fuse and relay box under the hood is where they are located.

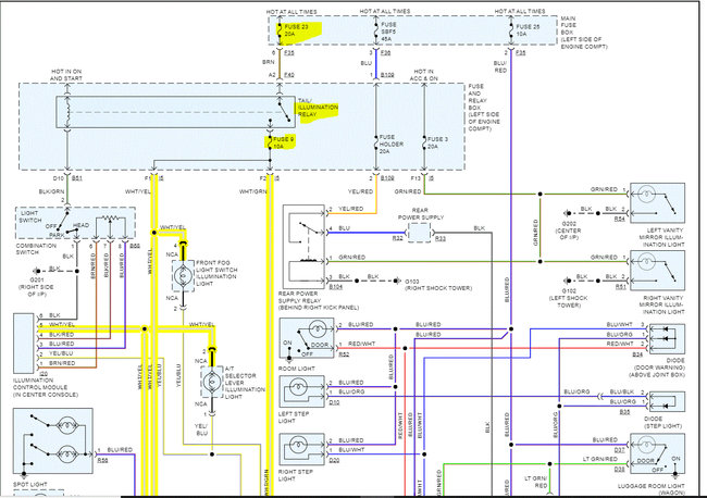
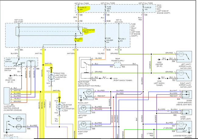
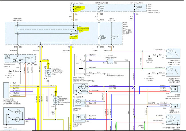
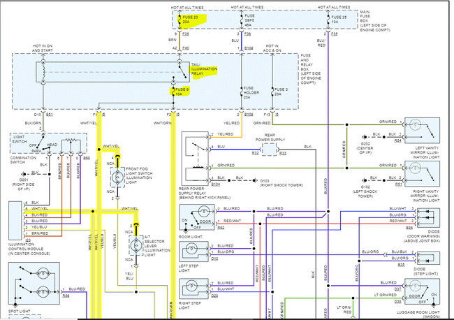
If you look at pics one and two below, I provided the wiring schematic. I highlighted the wiring related to the lighting affected. Don't be overwhelmed. There are a lot of small lights in several things. LOL In the first pic, I highlighted two fuses and the relay.

I need you to confirm the fuses are good. In addition, it is important to confirm there is power to them as well. Here is a link that you may find helpful:

https://www.2carpros.com/articles/how-to-check-a-car-fuse

If the fuses are good and have power, then the relay is the next check. If there is another one that has the same part number, switch them to see if that makes a difference. If there isn't one, here is a link that shows how to test one.

https://www.2carpros.com/articles/how-to-check-an-electrical-relay-and-wiring-control-circuit

In the schematic, it indicates checking fuse 23 in the main under the hood fuse box. I looked at a pic of the fuse box, and fuse 23 indicates AC, and fuse 30 indicates interior lighting. Check both.

Pic 3 below shows the relay and fuses to check and pic 4 is the location.

Let me know what you find or if you have other questions.

Take care and Merry Christmas.

Joe

Was this
answer
helpful?
Yes
No
Friday, December 24th, 2021 AT 5:59 PM
Tiny
OLDGOAT1089
  • MEMBER
  • 4 POSTS
I checked Fuse 9 and Fuse 23 and the fuses are good as well as the voltage is present at both of those sources. There is no Fuse 30. I checked the taillight and illumination relay by grasping it to feel for relay switching. I went ahead and swapped it with the rear defogger relay, being the same. I could feel both relays switching but made no difference.
I checked "B1" on the multi-wire plug on the back of the instrument panel for a good ground and there is, but that ground is for the trouble lights, I believe. I don't know where to check for ground for the dimming dash lights. I checked "B13" for voltage and it is present. I checked "B14" for variable voltage, using a simple voltage checker, and I could see the light on the checker dim. The bulbs in the instrument panel all check good for continuity. When I turn the key to acc. The trouble lights, such as, oil pressure, ABS, Airbag, seatbelt, Battery, AT oil temp, Check Engine all come on. The glovebox light comes on, but nothing else. I haven't torn into the gear shift to check bulb there, but it does not light up. I used my tester to for voltage on "circuit sheet" on the back of the instrument panel where one of the bulbs twists onto and found voltage present.
Was this
answer
helpful?
Yes
No
Sunday, December 26th, 2021 AT 2:22 PM
Tiny
JACOBANDNICKOLAS
  • MECHANIC
  • 110,192 POSTS
Hi,

If you have voltage at B13 and B14, there has to be an issue within the cluster. That is what powers the instrument panel lights.

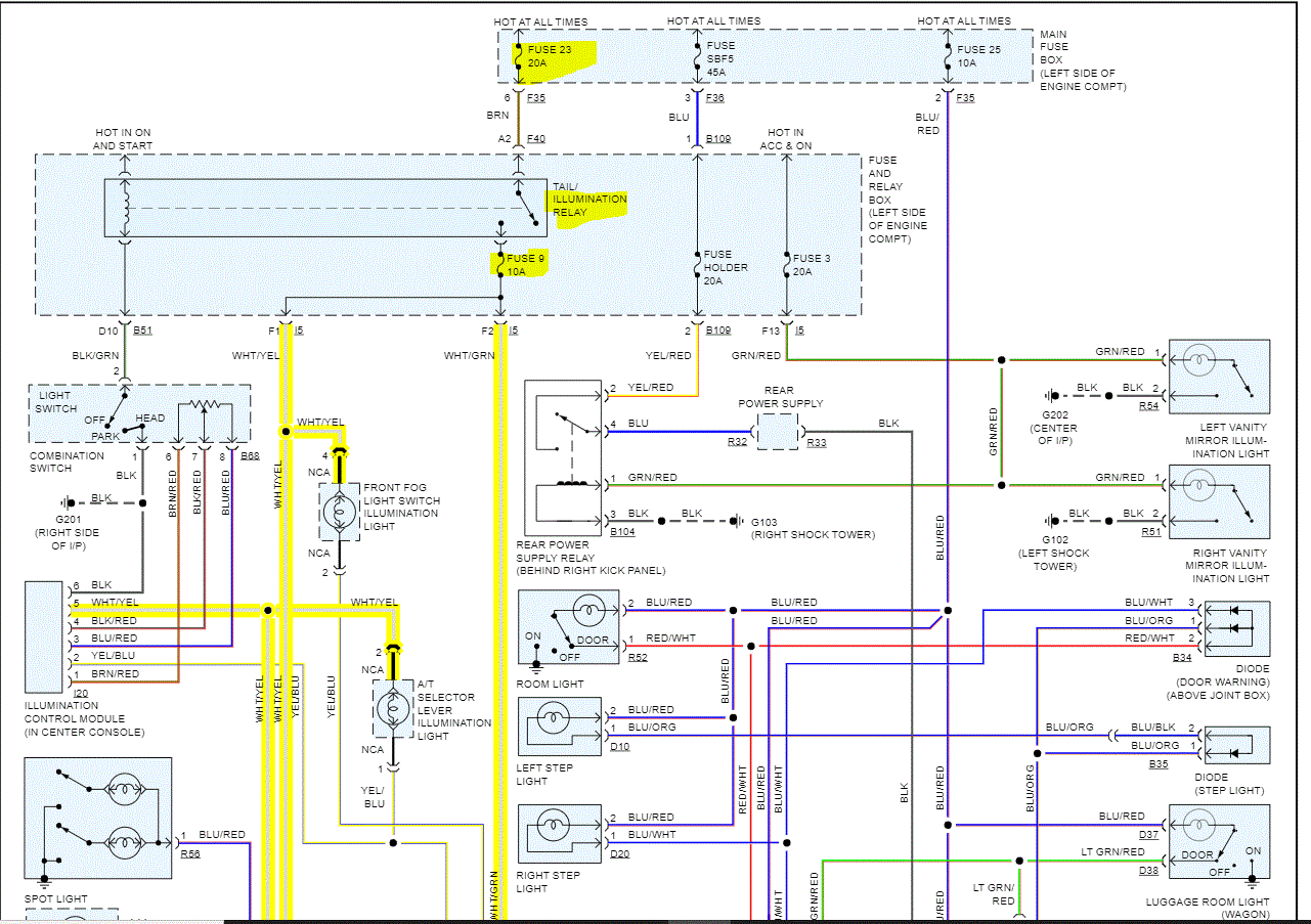
I looked through the schematics again, and the only ground for the circuits is after the glove box, (G202) black wire/center of the instrument panel. However, if that was bad, none of the lights would work. Were you able to locate the ground wire (G202)?

Let me know.

Joe

See pic 1 below.
Was this
answer
helpful?
Yes
No
Sunday, December 26th, 2021 AT 9:20 PM
Tiny
OLDGOAT1089
  • MEMBER
  • 4 POSTS
I found ground(G202) and it is good through the ashtray light as well as the glovebox light. That “branch circuit seems to be fine. It's the other branch circuit that the AT indicator light and the hazard indicator light shares with the dash illumination lights. It looks like that part of the circuit relies on ground(G201). That ground is also good from the ground screw to the connector going into the illumination control module. I no longer trust this “bench tested” used module so, I ordered a new one. We’ll see! By the way, it was a bad bulb at the ashtray, and the AT indicator light bulb is good, and the socket has 12vdc, yet does not work. Please tell me I am heading in the right direction.
Was this
answer
helpful?
Yes
No
Thursday, January 6th, 2022 AT 5:27 PM
Tiny
JACOBANDNICKOLAS
  • MECHANIC
  • 110,192 POSTS
Hi,

If you have power and ground, I feel you are correct. It sounds like an open circuit in the cluster.

If you can, let me know if this takes care of things for you.

Take care,

Joe
Was this
answer
helpful?
Yes
No
Thursday, January 6th, 2022 AT 8:48 PM
Tiny
OLDGOAT1089
  • MEMBER
  • 4 POSTS
Great news guys! It was the illumination control module. Word of advice beware of parts on eBay coming from Lithuania! Anyway, I had to splurge on a new module from a dealership and now everything that I haven’t taken apart is working. I’m confident the rest will too, when I get some time to reassemble the dash. Thanks guys!
Was this
answer
helpful?
Yes
No
Tuesday, January 11th, 2022 AT 5:19 PM
Tiny
JACOBANDNICKOLAS
  • MECHANIC
  • 110,192 POSTS
I'm glad to know you got it fixed. Like they always say, you get what you pay for. LOL

Regardless, thank you for letting me know, and please feel free to come back anytime in the future.

Take care,

Joe
Was this
answer
helpful?
Yes
No
+1
Tuesday, January 11th, 2022 AT 7:35 PM

Please login or register to post a reply.