Left turn signal always stops working

Tiny
DAYO4REAL
  • MEMBER
  • 2000 VOLKSWAGEN GOLF
  • 2.0L
  • 4 CYL
  • 2WD
  • AUTOMATIC
  • 280,000 MILES
My left turn signals stop working and it makes buzzing sound when engaged and the right turn works. Once the issue starts and if I press the hazard switch to see if it's still working it will get burned at that moment and everything stops working. I have changed the hazard switch a couple of times and recently changed the turn signal switch, but the problem still persists.
I would appreciate any suggestion as to where to look.
Please note, I am not the tech working on it, but I have a little understanding of this.
Thursday, February 10th, 2022 AT 11:27 PM

5 Replies

Tiny
JACOBANDNICKOLAS
  • MECHANIC
  • 110,194 POSTS
Hi,

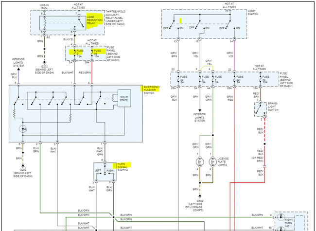
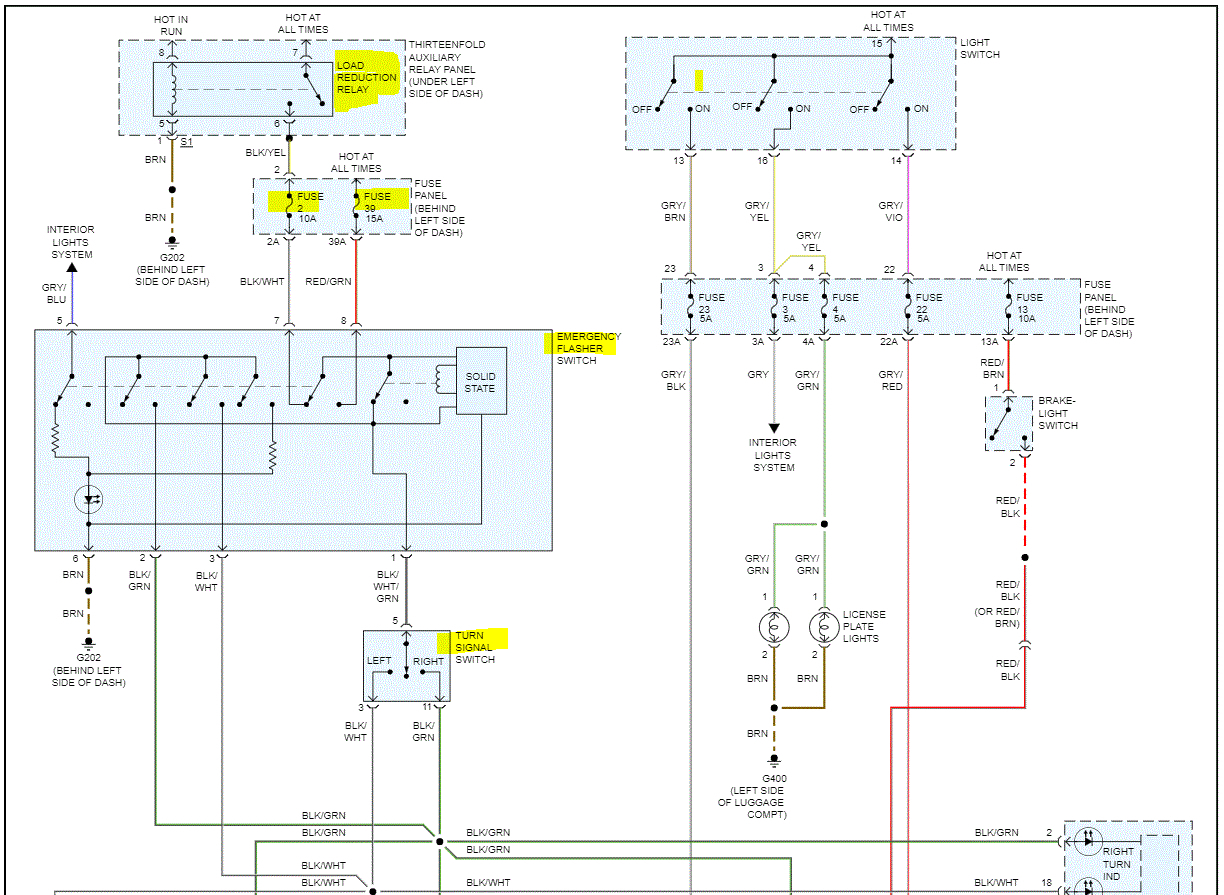
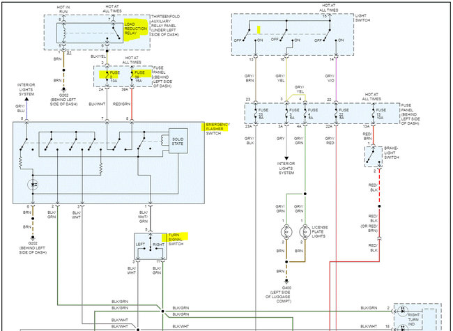
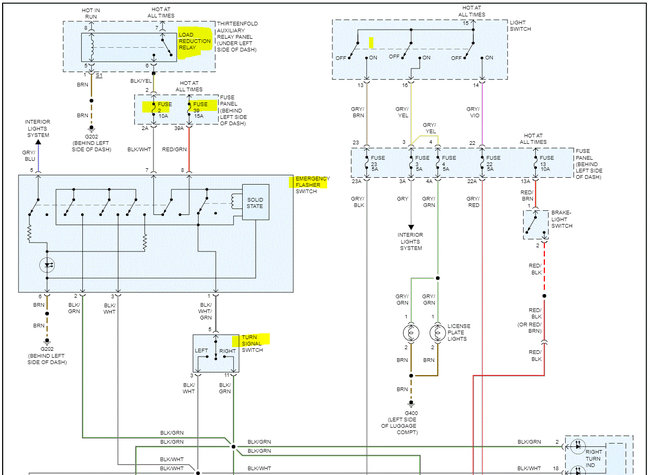
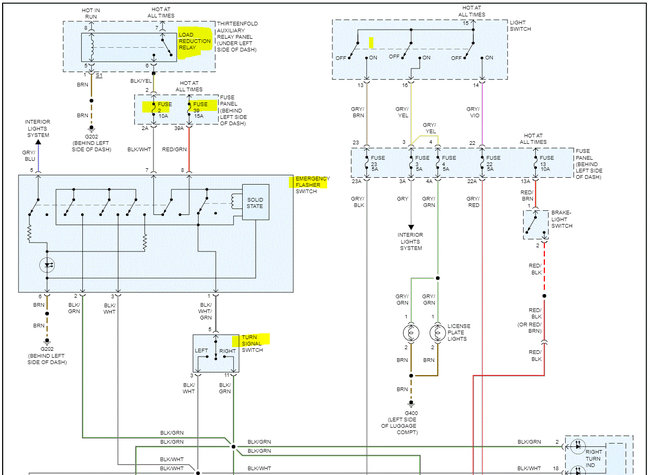
I attached a wiring schematic below of the exterior lighting circuit. There are two fuses I need to know about, fuse 2 and fuse 39. Both are located in the fuse panel in the vehicle, left side under the dash.

Which one blows when you turn the hazard lights are turned on? If it is fuse 2, chances are there is a problem with the load reduction relay. If it's fuse 39, then we have an issue that is likely related to the hazard switch again. When you replaced the switch in the past, did it take care of the issue and then return?

Let me know.

Joe

See pics below.
Was this
answer
helpful?
Yes
No
Friday, February 11th, 2022 AT 4:43 PM
Tiny
DAYO4REAL
  • MEMBER
  • 3 POSTS
Thanks Joe for your response, the fuses are both okay in this situation when the emergency signal pack up. I discussed with the technician he said the issue has nothing to do with the fuses.
Was this
answer
helpful?
Yes
No
Saturday, February 12th, 2022 AT 5:42 AM
Tiny
JACOBANDNICKOLAS
  • MECHANIC
  • 110,194 POSTS
Hi,

I don't feel the fuses are the cause either. Above, you said when it started happening, you would turn the hazard lights on to see if it was working. Then, it would get burned. I assumed you were referring to a fuse. I was trying to determine which fuse it was, so I knew which circuit to follow. LOL

What gets burned?

Let me know.

Joe
Was this
answer
helpful?
Yes
No
Saturday, February 12th, 2022 AT 8:46 PM
Tiny
DAYO4REAL
  • MEMBER
  • 3 POSTS
Hello Joe, it was the emergency flasher switch that got burnt.
Just like I explained earlier, I decided to see today what would happen if I pressed the emergency flasher switch. When I pressed the emergency switch, I wanted to observe what would happen to fuse 39 in the left side panel. After pressing the emergency flasher switch it started making a buzzing sound (like something was frying) and smoke was coming out from it then it stopped working. I then check fuse 39 in left hand side panel, it was intact. Now I have to replace the flasher switch, but how do I fix this issue? Only the right turn signal works.
Was this
answer
helpful?
Yes
No
Sunday, February 13th, 2022 AT 5:32 AM
Tiny
JACOBANDNICKOLAS
  • MECHANIC
  • 110,194 POSTS
Hi,

I misunderstood. Interestingly, there was a recall related to the flasher due to component degrading over time causing a distortion of material.

Do you know if the recall was ever addressed? I attached a copy of it below for your review. The one thing that has me concerned is the fuse didn't blow. Instead, the switch burned up. The recall references the switch, but often times it is related to connectors.

Let me know.

Joe

See pics below.
Was this
answer
helpful?
Yes
No
Sunday, February 13th, 2022 AT 2:58 PM

Please login or register to post a reply.