VWE Golf turn signals not working

Tiny
BARRYFROMVT
  • MEMBER
  • 1991 VOLKSWAGEN GOLF
  • 195,000 MILES
The fuse is ok. We have replaced the relay with a known good one. We have replaced the steering column switch (twice) with know good ones. Problem still persists: Turn signals do not work at all. Emergency flasher does work ok.
Suggestions?
Thanks
Thursday, May 17th, 2012 AT 1:31 PM

3 Replies

Tiny
RASMATAZ
  • MECHANIC
  • 75,992 POSTS
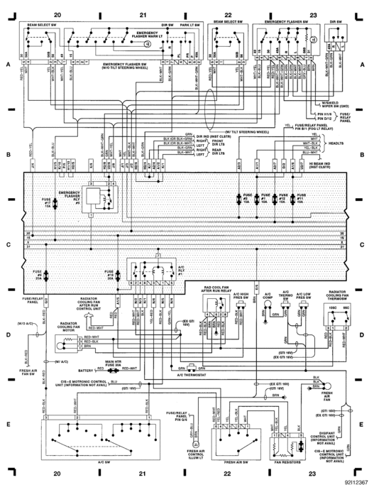
Check the black-white-green wire at the turn signal switch for power
Was this
answer
helpful?
Yes
No
+2
Thursday, May 17th, 2012 AT 4:05 PM
Tiny
TADFROMVERMONT
  • MEMBER
  • 1 POST
Dear Rasmataz,
Thank you for the lead re the wire for the switch, and sending along the wiring diagram. Barry & I continue to work on the problem (it's actually my car). We found the green/black/white wire and built a little tool to remove it from its harness. We inspected the wire and found no problem with it, nor the harness. We brought a second switch unit and tried the harness in that unit, but the blinker still didn't function. When we put the harness back in the original housing in the steering column, though, we can get it to function properly (intermittently) by pulling all of the harness wires toward whoever's sitting in the seat. This worked better when we detached some tape holding that bundle of wires to other bundles of wires, but it's not a fix of the problem, and we still can't figure out what the problem actually is. Any suggestions would be appreciated, or tips on further troubleshooting. We assume now that it is not the switching unit, but cannot identify a problem in the harness. One option is to cut and splice all of the wires into a new harness, but we would rather save that option last.
Many thanks,
Tad
Was this
answer
helpful?
Yes
No
Wednesday, May 30th, 2012 AT 4:43 PM
Tiny
KHLOW2008
  • MECHANIC
  • 41,814 POSTS
Pulling at the wire harness makes the turn signal works indicates there is poor continuity somewhere and it could be an internally broken wire or a loose connection. You need only concentrate on the wire for the turn signal and they are Black/White/Green from terminal 1 of the flasher switch which leads to the turn signal switch.

You need a test light or DVOM to check for battery voltage or wire continuity.
Was this
answer
helpful?
Yes
No
+1
Thursday, May 31st, 2012 AT 3:53 PM

Please login or register to post a reply.