Left turn signal not working

Tiny
BOOKA
  • MEMBER
  • 2007 KIA SPECTRA
  • 82,000 MILES
They think it's bam? Help please.
Saturday, December 25th, 2021 AT 5:59 PM

4 Replies

Tiny
JACOBANDNICKOLAS
  • MECHANIC
  • 110,194 POSTS
Hi,

I'm not sure what bam is. Could they have said BCM (body control module)?

I need a little more info. First, when you turn the left signal on, does anything happen? For example, does it light and not flash? Does it flash really fast? Or does nothing at all happen?

Also, does the right-side signal work properly?

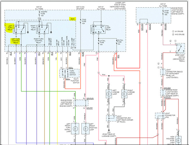
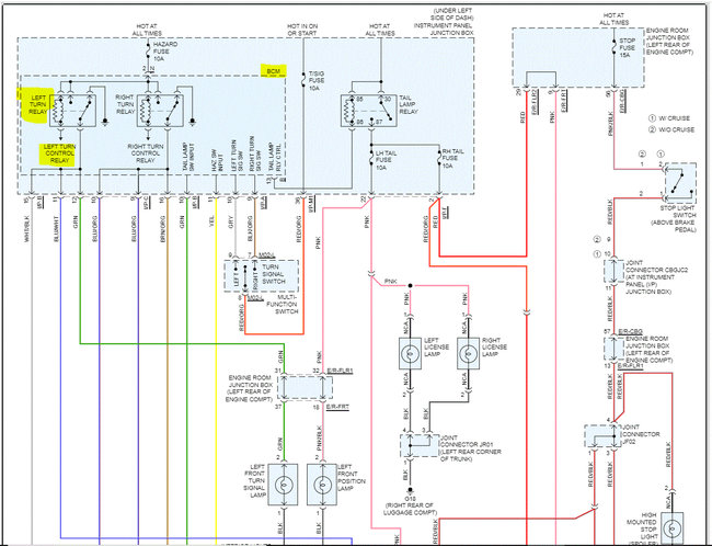
If the BCM is being considered as a cause, then the best thing to do is go to the BCM and check for power out at the wires indicated in pic 1 below. That is the wiring schematic for exterior lighting. It does indicate a left signal relay, but I don't believe that is something that is replaceable.

Let me know as much as you can and if you have other questions.

Take care,

Joe

See pics below.
Was this
answer
helpful?
Yes
No
Saturday, December 25th, 2021 AT 11:05 PM
Tiny
STEVE W.
  • MECHANIC
  • 15,688 POSTS
To add a bit to Joe's answer, neither front nor rear work, correct? A quick test will tell you if it's the switch, turn on the hazard lights, does it now flash? If yes it isn't the BCM but could be the switch. If neither the turn nor hazards work, then it's likely the BCM's internal relay that has failed. It is not a user replaceable part though as it is soldered inside the BCM.
Was this
answer
helpful?
Yes
No
Sunday, December 26th, 2021 AT 2:27 AM
Tiny
BOOKA
  • MEMBER
  • 2 POSTS
Thank you, Joe, and Steve,

This problem is over one year so far, the right turn signal is working fine the hazards works only the right side the left side is not, when you turn the left signal sometime Blink one blink, and disappeared, but most of the time there is no action.
When you go down near the BCM and you turn the signal you hear click inside the BCM box!
Was this
answer
helpful?
Yes
No
Sunday, December 26th, 2021 AT 7:30 AM
Tiny
STEVE W.
  • MECHANIC
  • 15,688 POSTS
Okay, if you turn on the left signal you can hear the BCM click like it's turning on the signal? But no lights except once in a while, What about the dash indicator? Does it flash on the left side or is it the same, one flash now and then? If so, then it's likely that the contact on the relay or the wire that feeds the moving contact inside the relay is bad. I would probably say to use https://www.car-part.com/ and look at salvage yards near you and see if anyone has an 07 on hand. The ETACS module isn't hard to replace and unless you have the optional alarm, I don't believe it needs programming. You basically disconnect the negative battery cable, remove the trim panel in the driver's foot well and remove the connectors from the ETACS, then remove the 5 bolts and pull the unit down. Replace it by reversing the process.
Was this
answer
helpful?
Yes
No
Sunday, December 26th, 2021 AT 10:02 AM

Please login or register to post a reply.