Thursday, February 10th, 2022 AT 5:32 PM
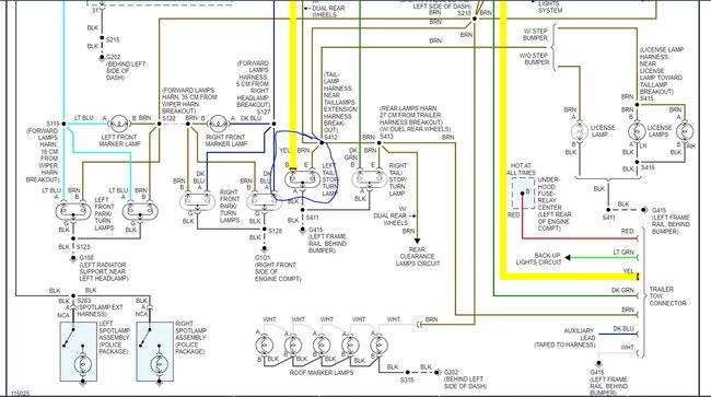
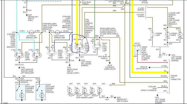
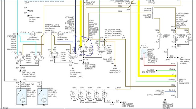
When I turn on the left blinker, inside flashes fast, front left signal is flashing faster than usual. Both the brake lights and turn signal on back left side do not work. The bulbs were checked, and they are fine.



