Saturday, January 17th, 2009 AT 4:47 PM
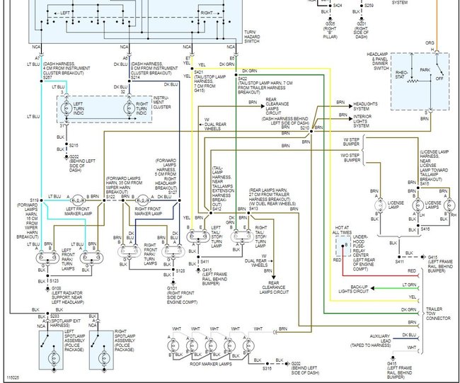
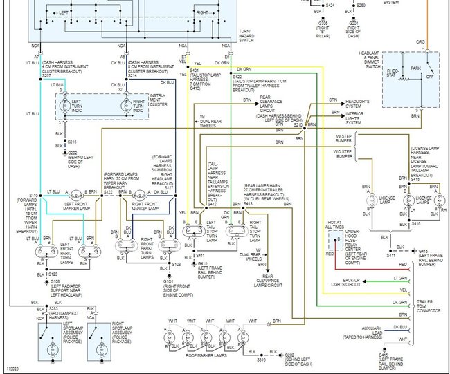
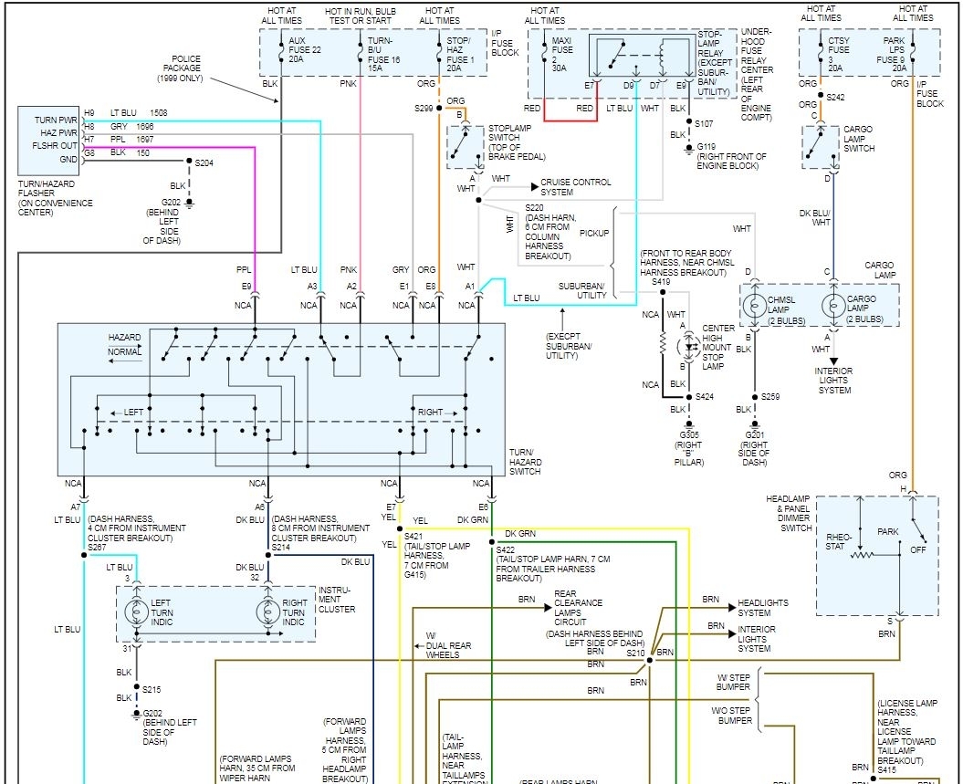
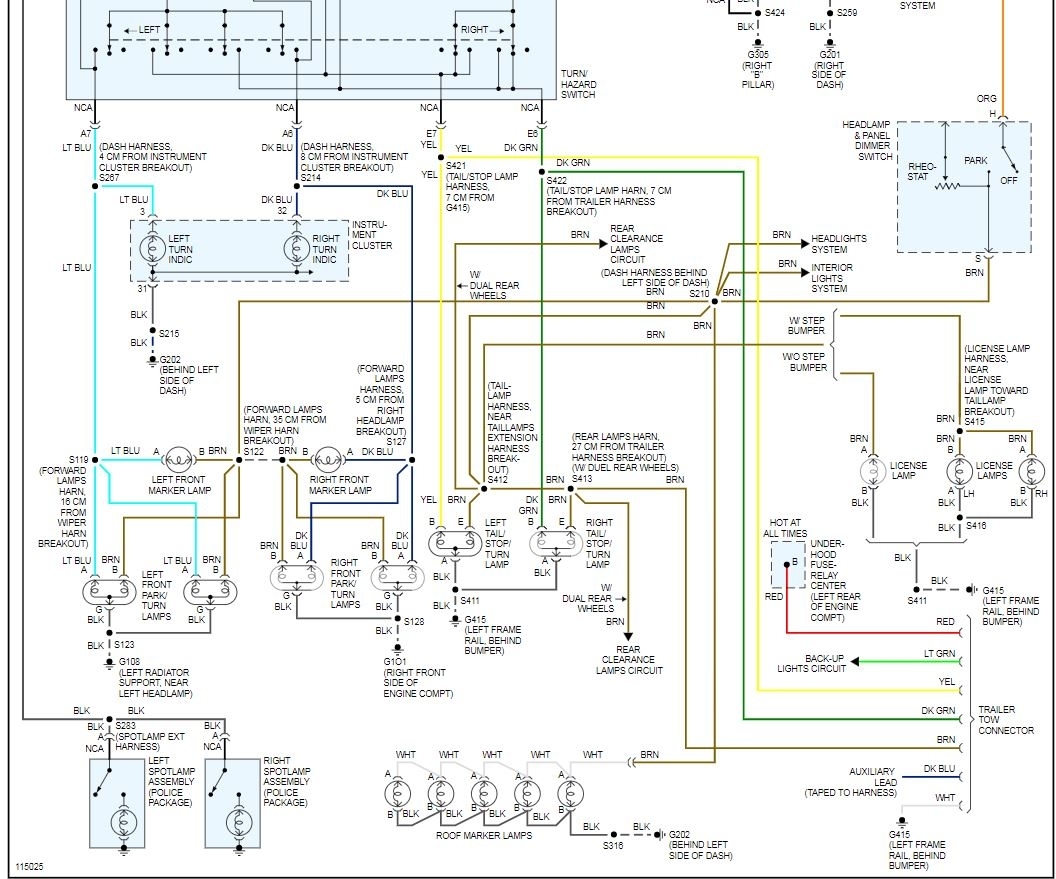
I have noticed now that wehn I have my head light on my left trun signal wil not flash. If I trun off the light it will work again but all of the dash lights bling with the turn signal. I have also noticed that the third brake light is always on. Also when I am Getting out and I step on the brake the warning buzzer saying I have left my headlights on buzzes. And last Now the cruse control is not working. I know this is a lot of things wrong but they all started around the same time and I think it is a common problem. Can you tell me what may be wrong. Thanks in advance




