Knock sensor

Tiny
RCA195203
  • MEMBER
  • 69 POSTS
Thank you for that. Now I just went outside and got the engine up to operator temperature and the book states to disconnect the MAF and probe the middle wire of the wire harness and test it for a good ground which I did by hooking up my probe light to the positive side of the battery and probing the middle wire, A, B, C, which is A for PCM, B ground, C Plus, and the light lite up showing ground to the bulb. Now the book says to probe the B and C and it should not show any resistance, and that if it did, 20 ohms would send a code. I get 15 ohms. And I checked my A and B for PCM-V and got 5.5 and the book said no more then 6 and no less then 4, so I guess I am good there but what about the 20 ohms from B and C? Can I buy a new plug for the MAF? And should I get a ohms reading if I check the MAF by probing the middle and right connector?
Was this
answer
helpful?
Yes
No
Thursday, November 8th, 2018 AT 12:03 PM
Tiny
ASEMASTER6371
  • MECHANIC
  • 52,796 POSTS
The pigtail was a common failure. You are within limits and it has not coded. You can let it go if you wish or replace the pigtail.

You need to check the voltages as I stated as well.

Roy
Was this
answer
helpful?
Yes
No
Thursday, November 8th, 2018 AT 12:15 PM
Tiny
RCA195203
  • MEMBER
  • 69 POSTS
I did and it was 5.5 volts with key on and no start. This is a 3 wire plug. So if I back take a reading while it is connected to the MAF while running, what should I get?
Was this
answer
helpful?
Yes
No
Thursday, November 8th, 2018 AT 12:22 PM
Tiny
ASEMASTER6371
  • MECHANIC
  • 52,796 POSTS
Look at your scan tool with it running. You gave me information before. Use the scan tool and monitor the readings.

Roy
Was this
answer
helpful?
Yes
No
Thursday, November 8th, 2018 AT 12:34 PM
Tiny
RCA195203
  • MEMBER
  • 69 POSTS
Alright I will, but I just had it running and back probed the B and C on a DC-20 and it gave me 0.7 and as I increased slightly the numbers did so as well. But I will go and hook the scan tool up also.
Was this
answer
helpful?
Yes
No
Thursday, November 8th, 2018 AT 12:45 PM
Tiny
ASEMASTER6371
  • MECHANIC
  • 52,796 POSTS
The scan tool is the information that the PCM sees.

Roy
Was this
answer
helpful?
Yes
No
Thursday, November 8th, 2018 AT 12:51 PM
Tiny
RCA195203
  • MEMBER
  • 69 POSTS
Well, now it is not reading anything! I hooked up the volt meter on DC20 and it shows.07 and will increase with rpm's but the scan tool will not show anything.
Was this
answer
helpful?
Yes
No
Thursday, November 8th, 2018 AT 1:02 PM
Tiny
ASEMASTER6371
  • MECHANIC
  • 52,796 POSTS
Wiggle the connector at the mass air flow sensor connector and see if you get readings. You did something during your testing.

Roy
Was this
answer
helpful?
Yes
No
Thursday, November 8th, 2018 AT 1:05 PM
Tiny
RCA195203
  • MEMBER
  • 69 POSTS
Yes I did that already and nothing.
Was this
answer
helpful?
Yes
No
Thursday, November 8th, 2018 AT 1:07 PM
Tiny
ASEMASTER6371
  • MECHANIC
  • 52,796 POSTS
Verify your reference voltage at the connector.

You should never have touched this as it is not your issue. Unfortunately, you have created a new issue for yourself.

Roy
Was this
answer
helpful?
Yes
No
Thursday, November 8th, 2018 AT 1:10 PM
Tiny
ASEMASTER6371
  • MECHANIC
  • 52,796 POSTS
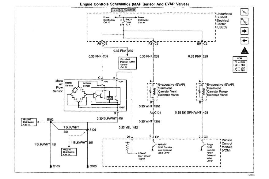
Wire diagram for the mass air flow sensor.
Was this
answer
helpful?
Yes
No
Thursday, November 8th, 2018 AT 1:13 PM
Tiny
RCA195203
  • MEMBER
  • 69 POSTS
I can back probe the plug and all three wires show volts. A-pcm to ground B =6 and B to C shows 7 so the plug works. I have to assume that the scanner is not picking up MAF because the MAF went out somehow or am I wrong?
Was this
answer
helpful?
Yes
No
Thursday, November 8th, 2018 AT 1:42 PM
Tiny
ASEMASTER6371
  • MECHANIC
  • 52,796 POSTS
Does the pink wire have 12 volts as in the diagram I sent you?
Was this
answer
helpful?
Yes
No
Thursday, November 8th, 2018 AT 1:45 PM
Tiny
RCA195203
  • MEMBER
  • 69 POSTS
No, never had. All the book says is to check pin b and c for ignition voltage and if that is the 12 volts you were talking about, then it only shows 2 volts. Now the PCM on wire A and ground shows the 5 volts it is suppose to show but the other showed 2 volts and that was from the start of all of this.
Was this
answer
helpful?
Yes
No
Thursday, November 8th, 2018 AT 2:07 PM
Tiny
ASEMASTER6371
  • MECHANIC
  • 52,796 POSTS
Ignition voltage is 12 volts.
Was this
answer
helpful?
Yes
No
Thursday, November 8th, 2018 AT 2:16 PM
Tiny
RCA195203
  • MEMBER
  • 69 POSTS
Well I found out that I blew a 10a fuse and I am hoping that was the reason the scanner cannot pick up the MAF. Is there any way to test the MAF by itself?
Was this
answer
helpful?
Yes
No
Thursday, November 8th, 2018 AT 2:47 PM
Tiny
ASEMASTER6371
  • MECHANIC
  • 52,796 POSTS
No, not without it hooked and the engine running.

You did not even have a problem with this sensor until you messed around and caused the fuse to blow.
Was this
answer
helpful?
Yes
No
Thursday, November 8th, 2018 AT 2:53 PM
Tiny
RCA195203
  • MEMBER
  • 69 POSTS
Should the engine shut off at idle if I pull the sensor?
Was this
answer
helpful?
Yes
No
Thursday, November 8th, 2018 AT 3:00 PM
Tiny
ASEMASTER6371
  • MECHANIC
  • 52,796 POSTS
It may shut off if you unplug it. It depends on the fuel mapping. That does not tell you if the sensor is good or not.
Was this
answer
helpful?
Yes
No
Thursday, November 8th, 2018 AT 3:07 PM
Tiny
RCA195203
  • MEMBER
  • 69 POSTS
The reason I asked was because of YouTube I saw where he unplugged it and it stop running. However, I got a first hand experience awhile ago on the matter. I went to get some fuses because I was out of 10a's and I felt something not right while running but nothing really bad, just a bit of a kick around kind of something, then my tac went out all at once, nothing else just that. Then I got home I put in the new fuse and tac worked and now it is reading.7 on the MAF and it increase nice and slow on upping the gas and decreases on down. So if this is working alright, I guess tomorrow I will check the fuel pressure and see if it is alright. Thank you so much for all the help! At sixty six years old, sometimes it can get to be a job.
Was this
answer
helpful?
Yes
No
Thursday, November 8th, 2018 AT 4:03 PM

Please login or register to post a reply.