PCM replacement

Tiny
SKOOTER24
  • MEMBER
  • 2003 JEEP GRAND CHEROKEE
  • 4.0L
  • V6
  • 2WD
  • AUTOMATIC
  • 200,000 MILES
I traced back to a bad computer, never messed with replacing one, what's the best option?
Wednesday, December 30th, 2020 AT 4:02 PM

32 Replies

Tiny
CARADIODOC
  • MECHANIC
  • 34,463 POSTS
The Engine Computer should be the last thing on the list of suspects. What tests led you to that? What were the results of any tests you did?

What are the symptoms? Does the starter crank the engine? Are you working on a failure-to-crank, or a crank/no-start condition? Have you read the diagnostic fault codes?

Here is how to replace the PCM in the diagrams below. Check out the diagrams (Below). Please let us know what you find. We are interested to see what it is.
Was this
answer
helpful?
Yes
No
Wednesday, December 30th, 2020 AT 5:02 PM
Tiny
SKOOTER24
  • MEMBER
  • 275 POSTS
There's no power at all coming from the computer.
Was this
answer
helpful?
Yes
No
Wednesday, December 30th, 2020 AT 5:09 PM
Tiny
SKOOTER24
  • MEMBER
  • 275 POSTS
It has had so many problems first the catalytic converter had a code. Then it wouldn't stay running until the O2 sensor was removed. Then the fuse box started making all kinds of noise. Now nothing, so we thought we could just a old scrap PCM but it has be programmed by the dealer I was told for this vehicle.
Was this
answer
helpful?
Yes
No
Wednesday, December 30th, 2020 AT 5:21 PM
Tiny
CARADIODOC
  • MECHANIC
  • 34,463 POSTS
I'm still not clear on the symptoms. The Engine Computer is not involved with the starter system. If you have a failure to crank, we can diagnose that by taking four voltage readings right at the starter relay socket under the hood. Are you up for that? You can get by with a digital voltmeter, but for this type of test, a standard, inexpensive test light works best.

If the starter is working, but the engine won't run, you'll have to be a lot more specific about what you mean by "no power from the computer". Engine Computers power dozens of circuits on and off at different times. I'll run you through the things to look for and a few tests to get started.

Do you still have the original Engine Computer to stick back in? I'll be back shortly. I'm working on preparing some diagrams so they can be posted.
Was this
answer
helpful?
Yes
No
Wednesday, December 30th, 2020 AT 5:53 PM
Tiny
SKOOTER24
  • MEMBER
  • 275 POSTS
Everything still in. I got my friend's dad he does more with the ECU stuff. He just told us it needs a new computer board and it has to be programmed. But, no it does not start or nothing. The fuses and everything was good days ago and now nothing. It want do anything. Any test procedures and everything you have would be helpful. If it does turn out a bad board what could I do because there no dealer ship around here for that?
Was this
answer
helpful?
Yes
No
Wednesday, December 30th, 2020 AT 6:05 PM
Tiny
CARADIODOC
  • MECHANIC
  • 34,463 POSTS
First of all, I'm not convinced anything is wrong with the computer. Second, I'm not sure if computers have to be programmed yet for 2003 models. Yours might just be plug in and go.

I'm kind of in the dark yet, so I'm going to start you with preliminary starter system tests. Check the battery's voltage first. If you need it, here's a guide that will help with reading the voltmeter:

https://www.2carpros.com/articles/how-to-use-a-voltmeter

They're using an expensive meter here with the "auto-ranging" feature. You don't need that. Harbor Freight Tools has a perfectly fine meter for around $7.00. I can help you with setting it up if necessary.

A good, fully-charged battery will read 12.6 volts. If it's closer to 12.2 volts, it's good, but fully-discharged and isn't going to run a starter motor. Use a small portable charger on the lowest setting and charge the battery for two or three hours. If you find it measures around 11 volts or less, it has a shorted cell and must be replaced.

Another indication of a run-down battery is a fast, loud buzzing or ratcheting noise, like a machine gun sound, when you try to crank the engine. That can also be caused by loose or corroded battery cable connections.

This isn't so common any more, but if you get a single, rather loud clunk from the starter motor each time you turn the ignition switch to "crank", that is due to burned or arced-away contacts in the starter solenoid, or a corroded or loose battery cable. A few voltage tests will narrow it down.

If there's a problem in the starter circuit, the head lights, tail and running lights, dash lights, and other accessories such as power windows and radio will still work. If all of those things are dead, we have to back up and test around the battery and fuse boxes.

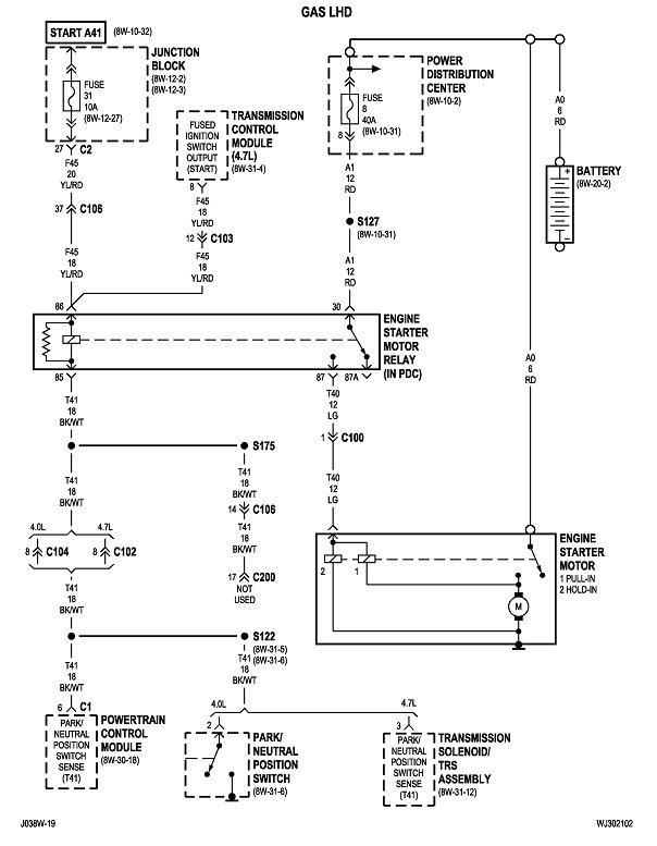
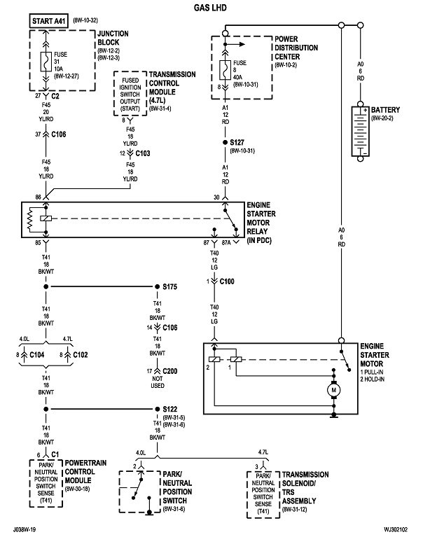
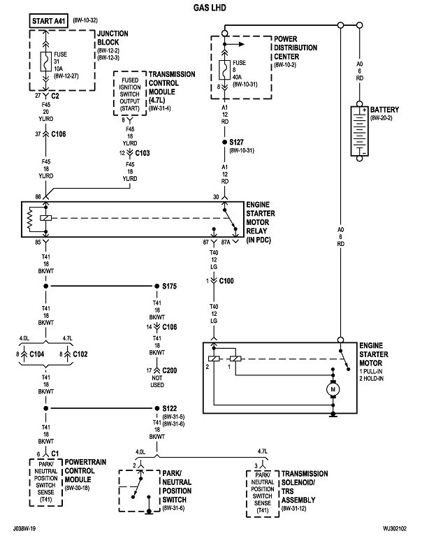
Assuming everything else works, and just the starter doesn't, remove the starter relay from the under-hood fuse box. It's shown in the second drawing. Even though Chrysler was nice and labeled the terminals in the socket, I'm not going to refer to those just yet. That's to show that except for newer models that stuff a bunch of computer controls in the circuit, the following tests apply to all cars that use a starter relay. You can use your voltmeter again, but for this type of problem, the inexpensive, standard test light can be much more accurate, and faster. Here's a link to an article about using a test light:

https://www.2carpros.com/articles/how-to-use-a-test-light-circuit-tester

The third drawing is an enlarged view of the socket we're after. Ignore terminal 87A. That one is rarely used in any application. GM doesn't even include them on their relays. We're interested in the other four. Start with the test light's ground clip attached to the battery's negative post, or to a clean, paint-free point on the engine. At this point I like to touch the probe to the battery's positive terminal just to verify the ground clip has made a good connection. If the light doesn't light up, wiggle and scratch the ground clip until it does. Now we're ready to test.

When you test at a terminal, be careful to not stick the probe into them real far. Just touch the terminals lightly. Poking the probe into them can spread them, then they might make a poor or intermittent contact in the future. Touch the probe to each of the four terminals. The test light should light up on just one of them indicating 12 volts is there. Now do that again while a helper holds the ignition switch in the "crank" position. Now two should light up, the one you found previously and a second one.

For the last two tests, move the test light's clip lead from the battery's negative post to the positive post. We'll be checking for good ground circuits. Ignore 87A again, and the two terminals where you just found 12 volts. We're only interested in the other two terminals. The test light should light up when you touch the probe to either of them.

One of those tests should have not produced the results I described. Now we can look at the numbers on the socket. They correspond to the numbers in the fourth diagram. I'll work later on expanding it if it's too hard to read.

If 12 volts is missing on terminal # 30, check the large 40-amp maxi-fuse, # 8. I pointed that out in the fifth drawing with a purple arrow, . . . because purple is cool. It's rare to find this one blown except after crash damage.

If 12 volts is missing on terminal # 86 when the ignition switch was held in the "crank" position, check fuse # 31. That's in the Junction Block, inside on the left end of the dash. That's my nifty orange arrow in the 7th drawing. If that fuse is okay, you'll notice there's two tiny holes on top for test points. Use the test light to check for 12 volts on both of them when the ignition switch is in "crank". If it's missing on both of them, we'll have to work back toward the switch.

This doesn't apply here, but for the benefit of others researching this topic, mid '90s Jeeps and some other Chrysler models used an ignition switch that had a cam on the end that could crack, then the lock cylinder wouldn't quite turn the switch far enough to get to the "crank" position. Everything else related to the ignition switch still worked. The dealer's parts department has an inexpensive repair kit for that so you don't have to buy a new lock cylinder and have it keyed to match the door lock cylinders. I can describe that in more detail if necessary.

When testing the two ground circuits, if the test light did not light up when probing terminal # 85, the neutral safety switch is not turned on. It's not uncommon for them to develop bad internal contacts. Shift in and out of "park" a few times, then try cranking when it's in "park" and then in "neutral". If that gets the starter working, the switch is going to get worse over time, so get ready to replace it.

The last terminal is # 87. That circuit has continuity to ground through the starter solenoid. Failure of the solenoid for this part of the test is extremely uncommon. Instead, expect to find the light green wire is not connected to the solenoid.

There's the four tests that apply to starter relays on many brands and models. If you noticed the reference to the "PCM", (Engine Computer), at the bottom left of the fourth diagram, that is not actually part of the starter system. It is shown there because it looks at the state of the neutral safety switch when performing some its operations.
Was this
answer
helpful?
Yes
No
Wednesday, December 30th, 2020 AT 8:51 PM
Tiny
SKOOTER24
  • MEMBER
  • 275 POSTS
The PCM was fried. Is there any torque specs for mounting the new one in and the bracket?
Was this
answer
helpful?
Yes
No
Monday, January 4th, 2021 AT 8:01 PM
Tiny
CARADIODOC
  • MECHANIC
  • 34,463 POSTS
Computers don't "fry", but they can fail. What was yours doing or not doing, or did you just pop a different one in and now everything works? We like to know exactly what went wrong so we can figure out if there's a cause that may result in a repeat failure.

There probably is a torque spec for the mounting bolts, but we usually go by common sense. Two fingers pulling on a quarter-inch ratchet is plenty of force. Around 2003, there were still some Engine Computer plugs that were called "zero-insertion" plugs. The only way to plug them in was to hold them in place, then tighten the bolt in the middle of the plug. That bolt will draw in the plug and hold it in place. You'll feel that bolt become snug when it's tight enough.
Was this
answer
helpful?
Yes
No
Tuesday, January 5th, 2021 AT 4:27 PM
Tiny
SKOOTER24
  • MEMBER
  • 275 POSTS
There was no communication at all. My friend's dad put it on a scanner and checked it and said it was corroded bad. So I'm guessing water got in there somehow. He's more advanced at it then I am and bought a new PCM and going to try that out tomorrow.
Was this
answer
helpful?
Yes
No
Tuesday, January 5th, 2021 AT 6:10 PM
Tiny
CARADIODOC
  • MECHANIC
  • 34,463 POSTS
Dandy. Please keep me updated.
Was this
answer
helpful?
Yes
No
Tuesday, January 5th, 2021 AT 7:05 PM
Tiny
SKOOTER24
  • MEMBER
  • 275 POSTS
Put the new PCM in and it cranked and cut off.
Was this
answer
helpful?
Yes
No
Saturday, January 9th, 2021 AT 5:24 PM
Tiny
CARADIODOC
  • MECHANIC
  • 34,463 POSTS
Then what? Do you mean the starter stopped cranking the engine or the engine started and ran for a few seconds, then stalled? Will the engine stay running if you hold the accelerator pedal down 1/4"?

If it does, that is to be expected. The engine may not even run unless you do that, and it will tend to stall at stop signs. That's all due to low idle speed. To meet the conditions for "minimum throttle" to be relearned, drive at highway speed with the engine warmed up, then coast for at least seven seconds without touching the pedals.
Was this
answer
helpful?
Yes
No
Saturday, January 9th, 2021 AT 7:04 PM
Tiny
SKOOTER24
  • MEMBER
  • 275 POSTS
The key is not recognized the key with the ring around it is on the dash.
Was this
answer
helpful?
Yes
No
Saturday, January 9th, 2021 AT 8:03 PM
Tiny
SKOOTER24
  • MEMBER
  • 275 POSTS
I think they just programmed the PCM but not the skim or key and there no dealer near us. My friend's dad said there's a pin or something.
Was this
answer
helpful?
Yes
No
Saturday, January 9th, 2021 AT 8:07 PM
Tiny
CARADIODOC
  • MECHANIC
  • 34,463 POSTS
In all my years at the dealership, I only had to do this once for the Engine Computer in a Neon. The SKIM is the Security Key Immobilizer Module. The PIN is a four-digit number that you get from the old computer and save it in the scanner, in this case Chrysler's DRB3. Once the new computer is plugged in, you use the DRB3 to transfer the PIN into it. If I remember right, you can also get the PIN from the dealer's parts department, and enter it manually, but you still need a scanner to do that. If it's not the dealer that sold the vehicle originally, they'll usually ask for proof of ownership.

The DRB3 also did emissions-related stuff on all car brands starting with '96 models, with a extra plug-in card, so a lot of independent repair shops bought them. Also, some of the newer aftermarket scanners may also have this capability, so it would pay to ask around at some local shops.
Was this
answer
helpful?
Yes
No
Saturday, January 9th, 2021 AT 8:18 PM
Tiny
SKOOTER24
  • MEMBER
  • 275 POSTS
Does the scanner have to be drb3 or is there a cheaper one with same capabilities like on Amazon? Because I saw the drb3 and it's in the thousands.
Was this
answer
helpful?
Yes
No
Saturday, January 9th, 2021 AT 8:38 PM
Tiny
SKOOTER24
  • MEMBER
  • 275 POSTS
Can Ace Hardware do it?
Was this
answer
helpful?
Yes
No
Sunday, January 10th, 2021 AT 4:48 PM
Tiny
CARADIODOC
  • MECHANIC
  • 34,463 POSTS
The DRB3 kit which included multiple cables and a huge case used to be available from the manufacturer for $6,200.00 on the internet, but I got mine through the dealer I used to work for, for half of that. The last time I looked on eBay, you could find them for less than $2,000.00 for used ones. I sold three new ones to pay for the fourth one that I kept.

These were first obsolete on the 2004 Dakotas and Durangos, and the last year they worked on anything was some 2008 Jeep models. They only work back to '96 models directly, but there are plug-in cards that will let them work back to '94 models or to '83 models. There's also some other specialty cards, but I've never needed them.

For newer models such as my 2014 Ram, I bought a Snapon Solus Edge because a friend has one and I became familiar with it. The drawback is Snapon is very proud of their products, and they charge accordingly for the annual updates, as in $1,000.00 per year. To add to the insult, you can't skip any years. That means if you buy one updated through 2014, you'd have to pay $1,000.00 to have it updated to 2015 before you could pay another $1,000.00 to have the 2016 update installed, and so on for every year up to current. It wouldn't pay to update it in the first place because it would cost more than for buying a brand new one with the latest update. That can work in your favor because if a shop has two or three of them, they only have to update one to be able to work on customers' newest models. They can let the others get old, then sell them when they don't see much use any more. For that reason, you can find these on eBay for less than $800.00. I bought mine in 2018 updated to current at that time, for $1,800.00 from a fellow who always has that model listed multiple times. I wasn't able to check for the SKIM key function because I would need a relevant vehicle to plug the scanner into to access the menus. This would be a question for a Snapon salesman.

Be aware the aftermarket scanners never do quite as much as the manufacturer's scanners will do, but they will do it on more car brands. For example, I have an old "Monitor 4000" which is almost identical to Chrysler's older DRB2. They were both built by the same company, but while the Monitor 4000 does fewer functions than the DRB2, it works equally well on Ford and GM products, and it cost less. The DRB2 only worked on '95 and older models with the older computer language. There were no SKIM keys on any car model at that time.

Matco has been advertising a programmer that might do what you want to do, but I haven't seen one yet. This isn't exactly a scanner as you would think of being "bi-directional", meaning it can show you information, and you can talk back to the computers and command them to do things. GM has always been the leading innovator in things that benefit GM, and one of those things was the need to code computer modules to your specific vehicle. They never released that capability to the independent repair shops in an effort to keep their dealership repair shops busy. They also don't like it when you can buy a good used computer from a salvage yard and have it programmed to your vehicle. This is the problem MATCO addressed with this programmer I'm sorry I don't know any more about it. You might look on their web site for more information, but I'd be pretty sure it would cost more than multiple trips to the dealer for the same service. Even my friend hasn't bought one for his shop yet because with all the new-car dealers he works with being within 20 miles, it is more cost-effective to just trailer cars there to have them programmed. He always has the latest equipment and isn't afraid to spend way too much money on his tools, but he can't justify the cost since this programmer would see so little use.

Also remember there's two parts to transferring the SKIM code to a replacement Engine Computer. First you have to use the scanner to retrieve the code from the old one, then you have to use it o enter it into the replacement computer. I recall you could do just the second part if you knew the PIN already. There is a place to type it into the scanner, and then enter it. The dealer that sold the vehicle new keeps a detailed record of everything related to that vehicle for at least seven years. After that, if they no longer have those records, or if you go to a different dealership, they can get the PIN right from Chrysler.

Even if you find a scanner or programmer that will let you enter the PIN, some people think they'll just try every four-digit number until one works. To prevent car thieves from doing that, you only get three chances to enter the number. I can't remember if a fourth attempt locks that computer permanently or if you have to wait a certain period of time before you can try again.

There are new things happening all the time with replacement keys, probably because the manufacturers have priced their replacements out of reach of many people, and a new key can cost more than an older car is worth. With some older Lexus models, for example, when a fellow bought the car with just one valet key, the only way to get two new keys was to order them with the new, matching Body Computer, from Japan, for $1,500.00. Got'cha". I'd be pleasantly surprised but doubtful the people at hardware stores could program a new key to someone's car, but remember, you're trying to program the computer to the existing keys. I've been told a locksmith can sell you a replacement key and program it for you, but only if you already have one working key they can copy. That's also to prevent them from being able to provide a key for a stolen vehicle.
Was this
answer
helpful?
Yes
No
Sunday, January 10th, 2021 AT 4:53 PM
Tiny
SKOOTER24
  • MEMBER
  • 275 POSTS
Well dang, seems like so much trouble for one simple task.
Was this
answer
helpful?
Yes
No
Sunday, January 10th, 2021 AT 5:02 PM
Tiny
SKOOTER24
  • MEMBER
  • 275 POSTS
That's what I told my friend chipping a new key is different than pairing the skim to PCM.
Was this
answer
helpful?
Yes
No
Sunday, January 10th, 2021 AT 5:05 PM

Please login or register to post a reply.