Will not start when hot

Tiny
SUNSHINE52377
  • MEMBER
  • 2004 JEEP LIBERTY

six cylinder four wheel drive automatic 85,000 miles.

I drive about forty miles to pick up my son from school, if I cut the car off on a really hot day and come out to start it, it will not start for about thirty minutes. We drove to the beach and back with no problem. Have replaced battery, starter, alternator. What could it be?
Monday, June 21st, 2010 AT 3:53 PM

30 Replies

Tiny
CARADIODOC
  • MECHANIC
  • 34,490 POSTS
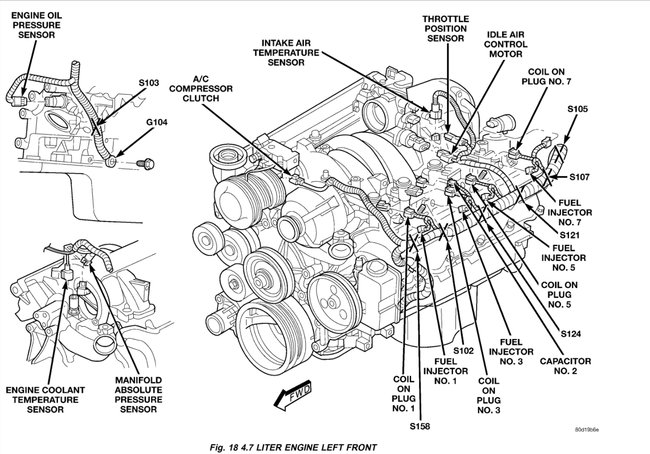
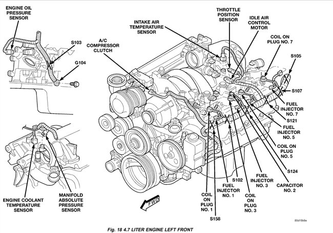
Hi Sunshine52377. Welcome. To relate it to high temperature and sitting with a hot engine for a short time suggests the engine cranks but does not start up and run. A heat-sensitive, (failing), crankshaft position sensor is a common suspect but they will usually cause a diagnostic fault code to be memorized in the Engine Computer which will turn on the Check Engine light. If no code is present I would replace the engine coolant temperature sensor. because it can cause these problems as well.

Here is a guide:

https://www.2carpros.com/articles/coolant-temperature-sensor-cts-replacement

Here is the location on your car I gave both engines.

Check out the diagrams (below)

Please let us know what you find. We are interested to see what it is.

Cheers, Caradiodoc
Was this
answer
helpful?
Yes
No
+4
Monday, June 21st, 2010 AT 4:43 PM
Tiny
SUNSHINE52377
  • MEMBER
  • 1 POST
I just want to thanks you my mechanic could not find out the reason, then I replaced the coolant sensor and have not had the problem since. I love this site!
Was this
answer
helpful?
Yes
No
+3
Friday, June 25th, 2010 AT 4:03 PM
Tiny
BPIASCIK
  • MEMBER
  • 1 POST
  • 2004 JEEP LIBERTY
65,000 miles.

Car rode fine yesterday afternoon. Last night I had no power at all, I tried to jump it and now all my lights are coming on but the engine will not turn over and it is clicking.
Was this
answer
helpful?
Yes
No
+1
Thursday, June 21st, 2018 AT 1:35 PM (Merged)
Tiny
BMRFIXIT
  • MECHANIC
  • 19,053 POSTS
Check battery terminals.
Charge and or replace battery.
Was this
answer
helpful?
Yes
No
Thursday, June 21st, 2018 AT 1:35 PM (Merged)
Tiny
JESSICASUMMER
  • MEMBER
  • 1 POST
  • 2004 JEEP LIBERTY
  • 3.7L
  • 6 CYL
  • 2WD
  • AUTOMATIC
  • 200,000 MILES
I just changed the spark plugs also the IAC valve. It will turn over but not crank. I need help please.
Was this
answer
helpful?
Yes
No
Thursday, June 21st, 2018 AT 1:35 PM (Merged)
Tiny
KEN L
  • MASTER CERTIFIED MECHANIC
  • 55,499 POSTS
If you turn the key to the on position without cranking the engine over do you hear the pump prime in the tank for five seconds?

Cheers, Ken
Was this
answer
helpful?
Yes
No
Thursday, June 21st, 2018 AT 1:35 PM (Merged)
Tiny
TAMERA89
  • MEMBER
  • 1 POST
  • 2004 JEEP LIBERTY
  • 0.5L
  • 4 CYL
  • 4WD
  • 146 MILES
My vehicle just will not start. Got a brand new starter. All my lights work fine. Radio plays. I took it to a mechanic and they said it was a wire. Was working fine after they fixed this wire. Then about a month later the same exact problem happen, it will not start. Had my alternator looked at, and was told it was in good condition. I had my battery looked at and was told it was also good. They recharged it, and my car started up just fine, couple hours later it would not start. Any suggestions on what could be going on?
Was this
answer
helpful?
Yes
No
+1
Thursday, June 21st, 2018 AT 1:35 PM (Merged)
Tiny
HMAC300
  • MECHANIC
  • 48,601 POSTS
Have it checked for a parasitic draw may be wearing battery down causing it.
Was this
answer
helpful?
Yes
No
Thursday, June 21st, 2018 AT 1:35 PM (Merged)
Tiny
TERRY52
  • MEMBER
  • 1 POST
  • 2004 JEEP LIBERTY
  • 6 CYL
  • 2WD
  • AUTOMATIC
  • 98,000,000 MILES
Will not start. The battery is good and starter is good. Could it be the ignition switch?
Was this
answer
helpful?
Yes
No
Thursday, June 21st, 2018 AT 1:35 PM (Merged)
Tiny
ERNEST CLARK
  • MECHANIC
  • 1,730 POSTS
Yes, it could be the ignition switch. But you need to follow a logical order for diagnosis of a no start.

1) Ignition system.
2) Fuel system.
3) Compression.
4) Computer/sensors/switches.
Was this
answer
helpful?
Yes
No
Thursday, June 21st, 2018 AT 1:35 PM (Merged)
Tiny
BCV2017
  • MEMBER
  • 4 POSTS
  • 2004 JEEP LIBERTY
  • 3.7L
  • V6
  • 4WD
  • AUTOMATIC
  • 150,000 MILES
If the engine is cold my vehicle will not start with out me giving it gas and then I have to hold the gas until it is warm then it will finally catch. I have already had it to a mechanic and they were pretty puzzled. They said possibly a coolant temperature sensor but that usually pulls a code and their is no codes or engine light on.
Was this
answer
helpful?
Yes
No
Thursday, June 21st, 2018 AT 1:35 PM (Merged)
Tiny
CARADIODOC
  • MECHANIC
  • 34,490 POSTS
Has the battery was recently disconnected or run drained? This is a common problem, and the clue is the engine runs fine as long as you hold the accelerator pedal down 1/4". Idle speed is too low because the Engine Computer has not relearned "minimum throttle". Until that occurs, the engine will be hard to start unless you hold the pedal down 1/4", you will not get the nice idle flare-up to 1,500 rpm at start-up, and it will tend to stall stop signs.

To meet the conditions for the relearn to take place, drive at highway speed with the engine warmed up, then coast for at least seven seconds without touching the pedals.
Was this
answer
helpful?
Yes
No
+1
Thursday, June 21st, 2018 AT 1:35 PM (Merged)
Tiny
BCV2017
  • MEMBER
  • 4 POSTS
I have not had to jump the battery or nothing, but I will give it a try in the morning to see if it works.
Was this
answer
helpful?
Yes
No
Thursday, June 21st, 2018 AT 1:35 PM (Merged)
Tiny
BCV2017
  • MEMBER
  • 4 POSTS
Well I did that yesterday and it started for the first time on its own in the last three weeks. Not sure if it was just a coincidence or not. Did not start on the first crank after work but did the second time.
Was this
answer
helpful?
Yes
No
Thursday, June 21st, 2018 AT 1:35 PM (Merged)
Tiny
CARADIODOC
  • MECHANIC
  • 34,490 POSTS
The easiest observation is the engine should run up to around 1,500 rpm for a few seconds after starting, then come right down to around 800 rpm. Mechanics can tell if minimum throttle has been learned by observing the automatic idle speed motor "steps" the Engine Computer has commanded it to. A scanner is needed for that. Typical for a well-running engine is step 32, (out of 256 steps). If you find it on step "0", minimum throttle has not been learned. Try doing the relearn procedure while holding the brake pedal up with your toes. If the brake light switch flickers on due to road vibrations, during the seven-second coast, that will abort the relearn event.

If you find the AIS motor is on a higher step, like 50 or more, the computer is trying to increase engine speed, but without success. That involves a different set of diagnostic procedures related to low engine performance.
Was this
answer
helpful?
Yes
No
Thursday, June 21st, 2018 AT 1:35 PM (Merged)
Tiny
RICHARD ARMANINO
  • MEMBER
  • 3 POSTS
  • 2004 JEEP LIBERTY
  • 11,000 MILES
V6 automatic transmission, two wheel drive with a new 12 volt battery and a new battery in remote will not start. Car was operating with no problems, then nothing happens when key turned to start position. No buzz click or anything. Put a new battery in remote. Alarm company deactivated alarm and also tried new spare remote and key. Everything running fine and then zero. When you turn key to start position no buzz click or other. Anything to try before the sending it to the crusher?
Thanks,
Richard
Was this
answer
helpful?
Yes
No
Thursday, June 21st, 2018 AT 1:35 PM (Merged)
Tiny
JACOBANDNICKOLAS
  • MECHANIC
  • 110,194 POSTS
Are you not getting power to anything?
Was this
answer
helpful?
Yes
No
Thursday, June 21st, 2018 AT 1:35 PM (Merged)
Tiny
BCV2017
  • MEMBER
  • 4 POSTS
Just found out the clamp that hooks the hose on to the gas tank broke off and I was losing gas. Do you think this could be part of the problem?
Was this
answer
helpful?
Yes
No
Thursday, June 21st, 2018 AT 1:35 PM (Merged)
Tiny
RICHARD ARMANINO
  • MEMBER
  • 3 POSTS
Power to everything gauges, alarm, fuel pump runs on start position two fuses marked starter okay, relay?
Was this
answer
helpful?
Yes
No
Thursday, June 21st, 2018 AT 1:35 PM (Merged)
Tiny
CARADIODOC
  • MECHANIC
  • 34,490 POSTS
Doubtful. There is a means of detecting leaks in the fuel vapor recovery system which would increase emissions. Chrysler does that by pumping the tank and vapor recovery lines up to two pounds of pressure, then they watch to see how long it takes to bleed down. Gas tank filler hoses usually fit pretty tightly, even without a hose clamp, so while there might have been some seepage, I suspect it was not bad enough to be detected as a leak. Had that happened, a diagnostic fault code would have been set, and the Check Engine light would have been turned on.

Even when there is a "gross leak detected", which most commonly is due to a loose gas cap, that has nothing to do with the pressurized fuel supply system for the engine. You can have the largest of leaks involving the tank, but pressure is still maintained in the supply line to the engine. It is that pressure that is needed for the injectors to work and for the engine to start and run.
Was this
answer
helpful?
Yes
No
+1
Thursday, June 21st, 2018 AT 1:35 PM (Merged)

Please login or register to post a reply.