Windshield Wipers not working correctly

Tiny
RSWANN21
  • MEMBER
  • 2004 JEEP CHEROKEE
Six cylinder four wheel drive automatic

I was wondering what the problem was with the wipers on my vehicle? I have only had the vehicle for about a month and ever since I bought it the wipers have driven me crazy. They work perfectly normal on low and high speed and the wash switch works fine but the problem is in the intervals. The wipers will turn on and stop in various positions on the windshield, they will be going then stop vertical and diagonal. And also not just in intervals but anytime I turn the windshield wipers on, I have to guess when they are coming to the resting place and turn them off real quick as like a guessing game to get them to stop at the bottom out of my sight, as if I just turn them off they stop wherever they are at that point on the windshield. What could be the problem? I would appreciate any information!
Thursday, August 20th, 2009 AT 4:38 PM

28 Replies

Tiny
MERLIN2021
  • MECHANIC
  • 17,250 POSTS
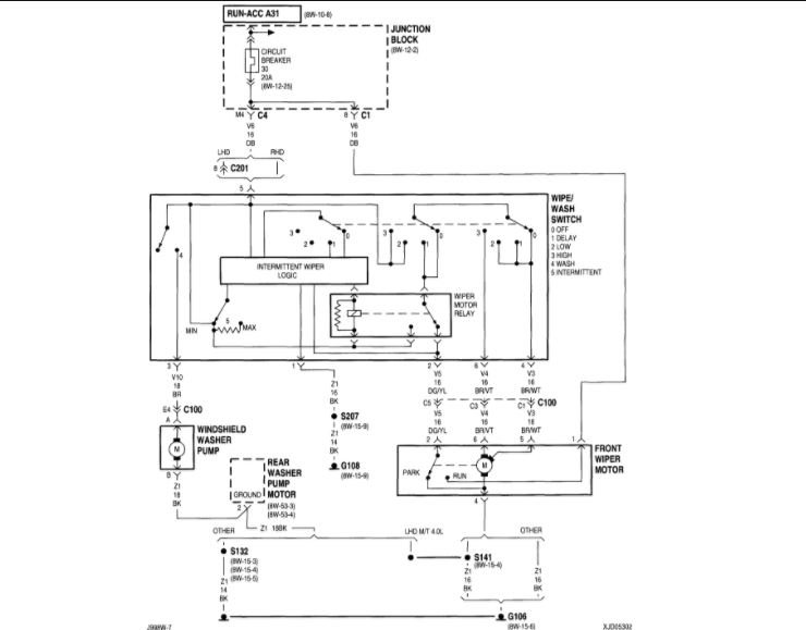
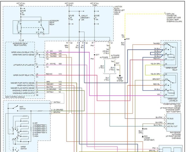
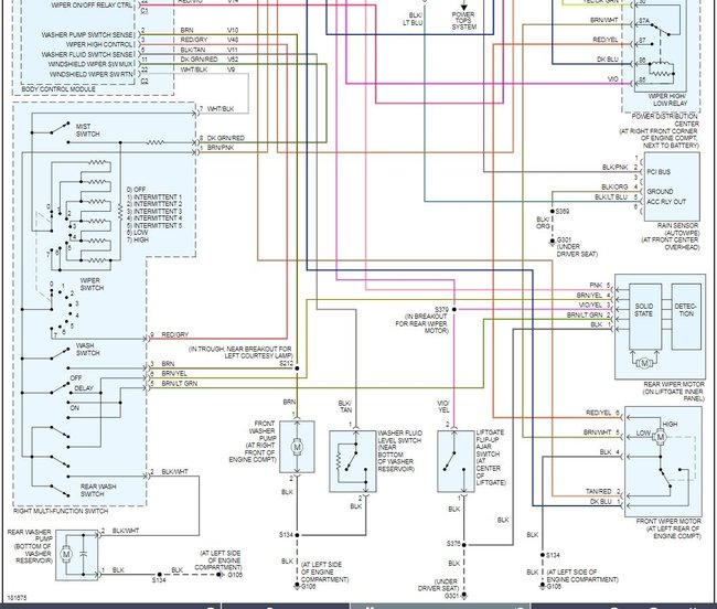
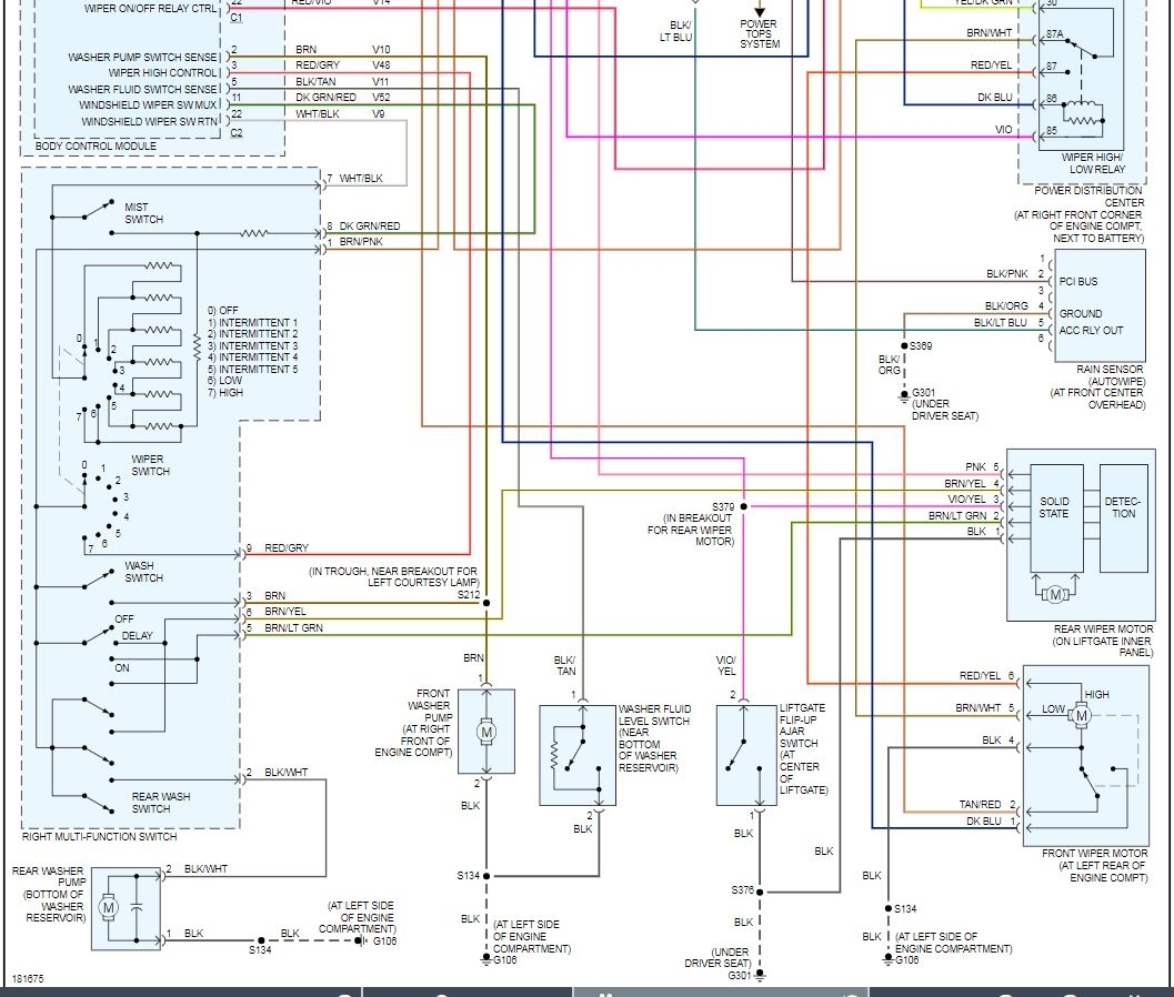
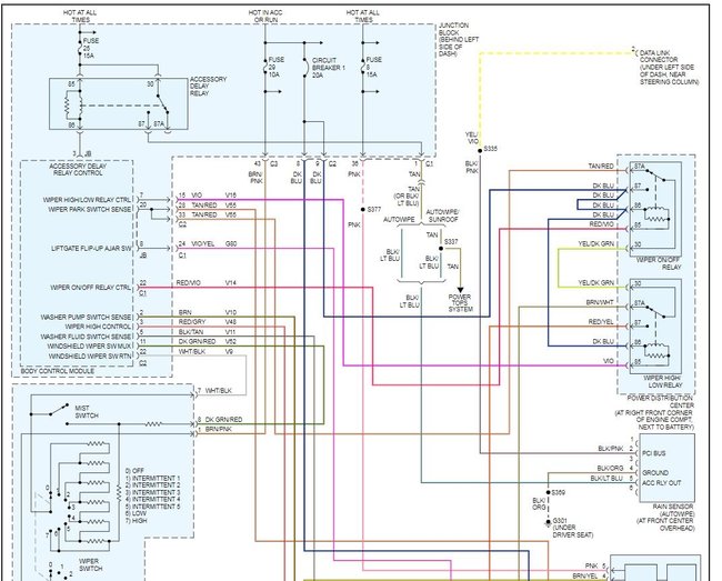
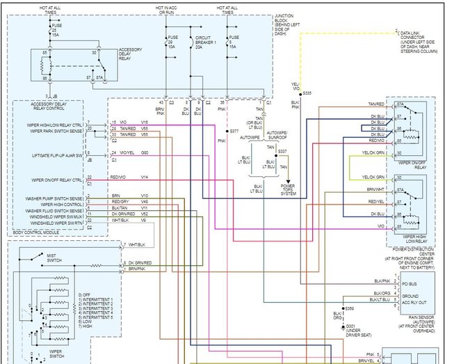
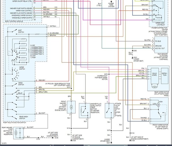
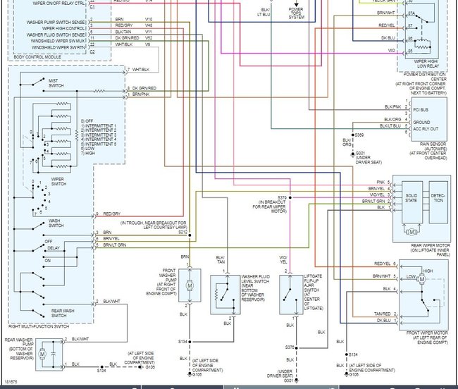
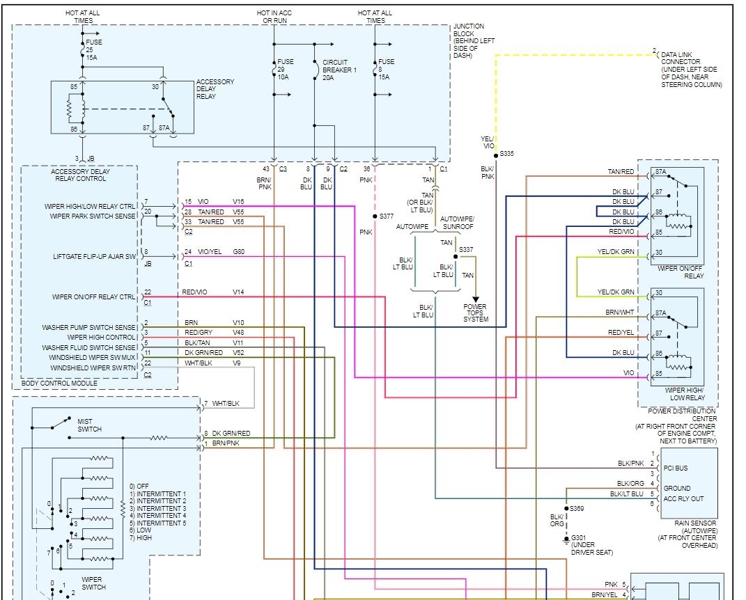
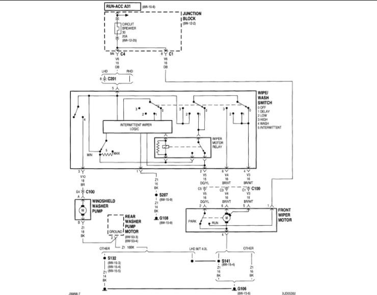
This will sound crazy, but your wipers operate through the BCM (Body control module) and the multifunction switch (steering column). Powered by two micro relays under the hood in the power distribution center, then to the wiper control module, any of theses, except maybe the relays, could be the cause! A test with a Chrysler DRB III tool is needed to find out if a module, or the motor, or switch is at fault. My money is on the wiper motor park switch, inside the motor, but test first!
Operation; the front wiper module operation is controlled by the battery current inputs received by the wiper motor from the wiper on/off and wiper high/low relays. The wiper motor speed is controlled by current flow to either the low speed or the high speed set of brushes. The park switch is a single pole, single throw, momentary switch within the wiper motor that is mechanically actuated by the wiper motor transmission components. The park switch alternately closes the wiper park switch sense circuit to ground or to battery current, depending upon the position of the wipers on the glass. This feature allows the motor to complete its current wipe cycle after the wiper system has been turned off, and to park the wiper blades in the lowest portion of the wipe pattern. The automatic resetting circuit breaker protects the motor from overloads. The wiper motor crank arm, the two wiper linkage members, and the two wiper pivots mechanically convert the rotary output of the wiper motor to the back and forth wiping motion of the wiper arms and blades on the glass.

Heres a guide on testing wiring and relays

https://www.2carpros.com/articles/how-to-check-wiring

https://www.2carpros.com/articles/how-to-check-an-electrical-relay-and-wiring-control-circuit

Wiring diagrams for your wipers are attached below
Was this
answer
helpful?
Yes
No
+2
Thursday, August 20th, 2009 AT 4:49 PM
Tiny
DPM10989
  • MEMBER
  • 4 POSTS
  • 2004 JEEP CHEROKEE
  • 6 CYL
  • 4WD
  • AUTOMATIC
  • 86,000 MILES
We had a big snow storm recently and after cleaning ice and snow off my windshield, my wipers no longer work. There isn't even a noise, nothing. How bad is it?

Thanks!

Dorothy
Was this
answer
helpful?
Yes
No
Sunday, February 7th, 2021 AT 9:10 AM (Merged)
Tiny
LEGITIMATE007
  • MECHANIC
  • 5,121 POSTS
That is really a crazy coincidence, you will need to check the fuse/relay for the wipers. I believe it is a relay. Because if it was the motor, you would still hear the clicking of the relay.
Was this
answer
helpful?
Yes
No
+2
Sunday, February 7th, 2021 AT 9:10 AM (Merged)
Tiny
DPM10989
  • MEMBER
  • 4 POSTS
After finding out it was just a fuse, the LED light on my radio is blown out. The repair shop I used said it was "just a coincidence" and takes no blame for it.
Was this
answer
helpful?
Yes
No
Sunday, February 7th, 2021 AT 9:10 AM (Merged)
Tiny
LEGITIMATE007
  • MECHANIC
  • 5,121 POSTS
Do you mean the problem is now fixed? Yeah shops never want to take blame for anything, even if you see it happen. They will still try to find some way to say it was not them.
Was this
answer
helpful?
Yes
No
Sunday, February 7th, 2021 AT 9:10 AM (Merged)
Tiny
JSKISSELL
  • MEMBER
  • 1 POST
  • 2004 JEEP CHEROKEE
  • V8
  • 4WD
  • AUTOMATIC
  • 11,000 MILES
I have a 2004 Jeep Grand Cherokee. The wipers on the front wind shield do not park or stop in a down or off position. When selecting off or intermitted they will stop anywhere along their route of travel. To get then to stop in the down position, the sws must be selected off at just the right time. I have tried replacing the relay and that did not work. Any suggestions before I have to take it to the dealer.
Was this
answer
helpful?
Yes
No
Sunday, February 7th, 2021 AT 9:10 AM (Merged)
Tiny
SERVICE WRITER
  • MECHANIC
  • 9,123 POSTS
I don't have a testing procedure on this. The porblem lies in one of three likely areas. The switch, the intermittant wiper controller or the motor.

The switches on the late model chyslers were having a problem like this. Having said that I have also seen the intermitant wiper controller be the bigger source. The controllers are very common on the GMs.

The exception to this is if the windsheild has been replaced with the wrong one, the rain sensor will pick up an incorrect refraction of light. This is a long shot.
Was this
answer
helpful?
Yes
No
-1
Sunday, February 7th, 2021 AT 9:10 AM (Merged)
Tiny
KIMODAN
  • MEMBER
  • 3 POSTS
  • 1999 JEEP CHEROKEE
My wipers stopped working as if a fuse blew. I checked the manual but no fuse for front wipers was listed. I also checked the Power Distribution box under the hood but still can not find a fuse for the front wipers. I went to an auto zone and looked in a repair manual for my jeep and in the wiring diagram it shows a 7.5 amp fuse for the wipers in the fuse block, but it doesn't exist. I also called some jeep dealers and they say its in the fuse block. Please help!
Was this
answer
helpful?
Yes
No
Sunday, February 7th, 2021 AT 9:11 AM (Merged)
Tiny
LALORENZO
  • MEMBER
  • 28 POSTS
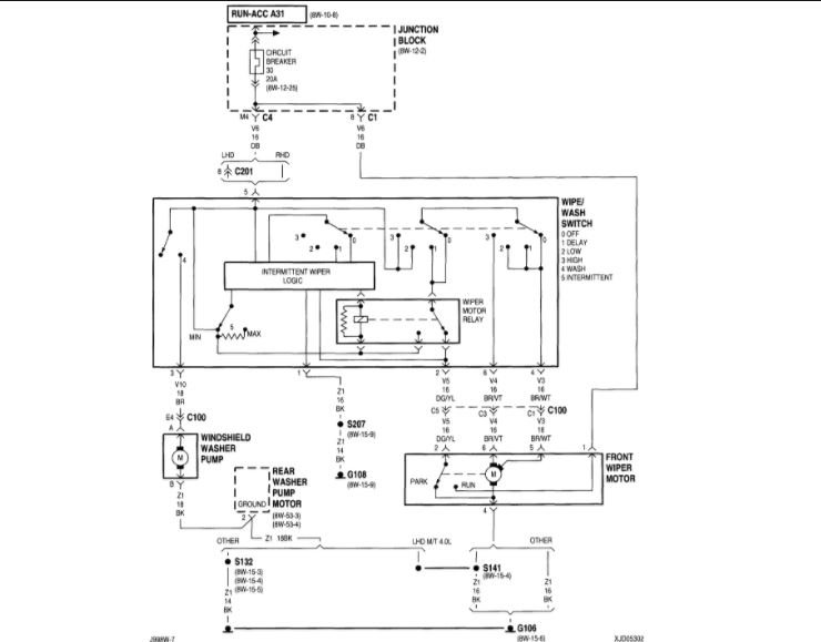
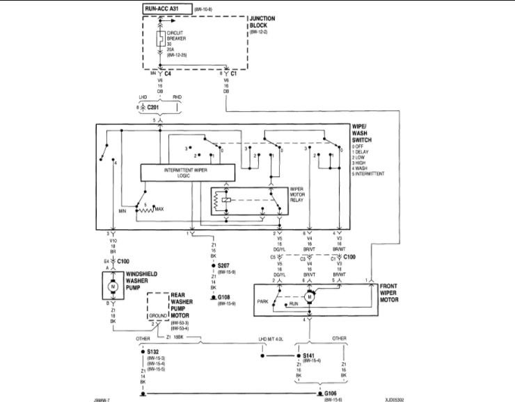
There is a detailed listing of your fuse box.It looks like the wipers run off a breaker (#30)instead of a fuse Every electrical component in your car is fused. Here is a guide and some diagrams (below) so you can get the problem fixed.

https://www.2carpros.com/articles/how-to-check-a-car-fuse

Check out the diagrams (Below). Please let us know what you find. We are interested to see what it is.
Was this
answer
helpful?
Yes
No
+3
Sunday, February 7th, 2021 AT 9:12 AM (Merged)
Tiny
KIMODAN
  • MEMBER
  • 3 POSTS
I have checked the manual from cover to cover also a chiltons repair manual which says there is a 7.5 amp fuse for the wipers but doesn't tell where it is. I even pulled every fuse inside and under the hood in the power distribution box to check them in case of mislabeling but they are all good. Where ever it is, its not in a obvious location.
Was this
answer
helpful?
Yes
No
Sunday, February 7th, 2021 AT 9:12 AM (Merged)
Tiny
JTHOMPSON
  • MEMBER
  • 1 POST
I am having the same problem with my 99 Jeep Cherokee. There is nothing in the manual indicating which fuse is connected to the wipers, very strange. I think I will take it in to the mechanic.

It's not the fuse on mine though because the wiper fluid still works. And I can hear the motor. I think the motor is either not grounded, or is on its last leg. Have you resolved your issue yet?
Was this
answer
helpful?
Yes
No
+1
Sunday, February 7th, 2021 AT 9:12 AM (Merged)
Tiny
KIMODAN
  • MEMBER
  • 3 POSTS
The wiper motor had quit so the mechanic replaced it
He did a quick check to look for the fuse but could not find it either. But there was power to the motor so he didnt have to look for the fuse.
Was this
answer
helpful?
Yes
No
+1
Sunday, February 7th, 2021 AT 9:12 AM (Merged)
Tiny
JOSEPH MCCLURE
  • MEMBER
  • 1 POST
  • 1999 JEEP CHEROKEE
  • 4.0L
  • 6 CYL
  • 4WD
  • AUTOMATIC
  • 240,000 MILES
Wipers only work on high speed, washer works, will not return to park. I installed a new switch and still the same as before. I have read about a (intermittent wiper module). If it has one could you please tell me where it is at and if I can replace it? Thanks!
Was this
answer
helpful?
Yes
No
Sunday, February 7th, 2021 AT 9:12 AM (Merged)
Tiny
ASEMASTER6371
  • MECHANIC
  • 52,796 POSTS
Good morning.

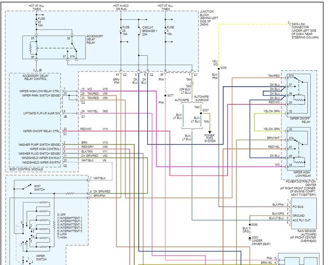
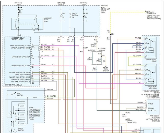
The logic you are talking about is part of the switch.

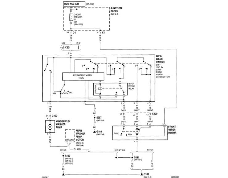
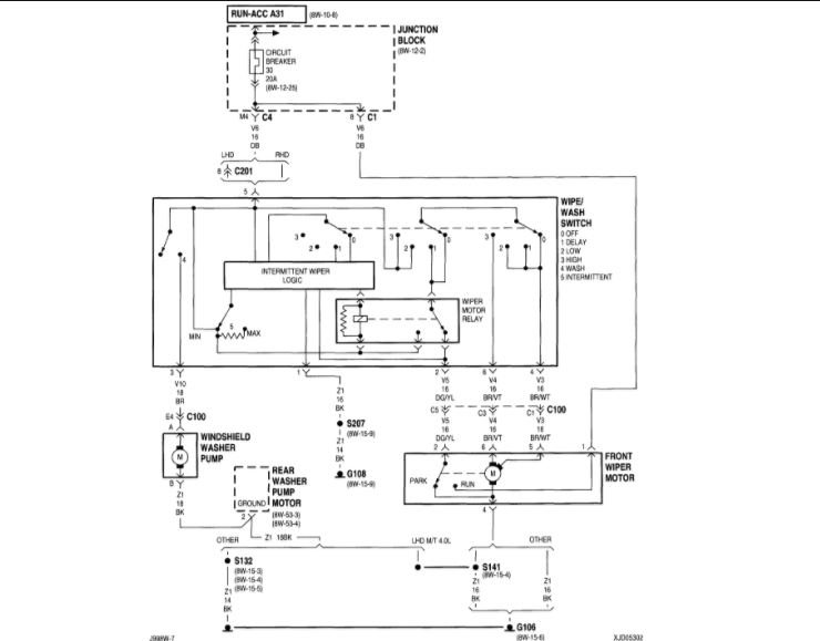
In most cases, the motor itself is the failure. I attached a wire diagram for you to view. Check the wires to the motor when in lower positions. You know it works on high. If you have power it is the motor. If it does not have power it is either wiring between the switch and motor or the switch itself.

Roy
Was this
answer
helpful?
Yes
No
+1
Sunday, February 7th, 2021 AT 9:12 AM (Merged)
Tiny
CMENDEZ
  • MEMBER
  • 1 POST
  • 1998 JEEP CHEROKEE
I have a 1998 Jeep Chrokee sport, it has about 150k miles, v6. I have a couple minor problems with it. My heat/ac only works if it is on 4( full blast) When the knob is on 1, 2, or 3 I get nothing. Should I just take the knob off and replace it with another one or is there more to it? Next on the list is my driver side door. It doesn't fully close. From the outside I have to lift up a bit then close it. From the inside most of the time it isn't fully closing and I am getting a cold draft. Last but not not least my windshield wiper lever has no relay on it, it is either off, slow constant or fast constant. Is this normal or is there a way to fix it? Any solutions?
Was this
answer
helpful?
Yes
No
Sunday, February 7th, 2021 AT 9:12 AM (Merged)
Tiny
JDAWG2112
  • MEMBER
  • 1 POST
Your heater problem is your resistors. You can pick these up at your local dealer and they install very easily once you remove the glove box. The doors just suck - I have a 95 and 98 that both do this and have had them looked at several times, I cant find a way to fix it sorry. And the wiper it sounds like your switch is bad. I just bought a new one from jeepsareus. Com installed and everything works fine. It installs easily as well, but a little nerve racking working around the airbag module in the steering wheel.
Was this
answer
helpful?
Yes
No
Sunday, February 7th, 2021 AT 9:12 AM (Merged)
Tiny
PRS2112
  • MEMBER
  • 1 POST
  • 1994 JEEP CHEROKEE
  • 6 CYL
  • 4WD
  • MANUAL
  • 243,000 MILES
About 4 months ago my turn signals began to act up. They would stop working. And then a little later they would just fix themselves. A little later the heat and windsheid wipers stopped working too. Now the strange part is, is that I could make them all work again if I figgeted with the tumbler it would feel like it would stick and then work.
Now nothing works. Heat, wipers or signals. But the heat still comes through the vents when on highway but the motor itself is not blowing. Another strange thing is that the heat and wipers work when I move the key to the accessories position. But not when im driving, I thought maybe if I replaced the tumbler, ignition key than maybe it would work but im unsure.

If you have any thoughts on what this could be I would really appreciate it.
Was this
answer
helpful?
Yes
No
Sunday, February 7th, 2021 AT 9:13 AM (Merged)
Tiny
MIKE H R
  • MECHANIC
  • 3,094 POSTS
With everything working when put on accessories, I would look at the ignition switch. But first check all the wires around the fuse box and check the fuses. I would think there is a ground problem. Accept that they work with the accessories turned on. The heater, wipers and signal lights they are on separate circuits. Check the wires from the ignition switch to the fuse box. Check the fuse for the wipers. Use a tester to see if it is getting current with hey on position and then turn the key to accessories and see if the test light comes on. If the light does not come on in the on position and does in the accessories position then I would look at the ignition switch.
Was this
answer
helpful?
Yes
No
Sunday, February 7th, 2021 AT 9:13 AM (Merged)
Tiny
JACOBCOMPTON
  • MEMBER
  • 4 POSTS
  • 1987 JEEP CHEROKEE
  • 4.0L
  • 6 CYL
  • 4WD
  • MANUAL
  • 123,000 MILES
My windshield wipers are not working. I check the fuse for corrosion. They try to work when I push the knob, so they are getting power. Could the wiring not be on all the way? Could it be the motor? My limited mechanic skills could not get me out of this one.
Was this
answer
helpful?
Yes
No
Sunday, February 7th, 2021 AT 9:13 AM (Merged)
Tiny
CARADIODOC
  • MECHANIC
  • 34,481 POSTS
Two things to look at. First, turn the switch to the "low" or "high" position; not an intermittent setting. Now push on the wiper motor to see if it starts running. Alternately, check for the presence of 12 volts on the metal case of the wiper motor. Be sure your meter's negative probe or your test light's ground clip is on the battery's negative post or on the engine, not on the plate the motor is bolted to.

If you find 12 volts or the motor starts to run, add a jumper wire from the motor to the body.
Was this
answer
helpful?
Yes
No
Sunday, February 7th, 2021 AT 9:13 AM (Merged)

Please login or register to post a reply.