Clutch safety switch I need to know the location

Tiny
SAMUELMED
  • MEMBER
  • 1986 FORD RANGER
  • 2.9L
  • V6
  • 4WD
  • MANUAL
  • 200,000 MILES
I need to know the location of the neutral safety switch, with a picture. No one seems to know.
Saturday, November 30th, 2019 AT 11:37 PM

3 Replies

Tiny
JIS001
  • MECHANIC
  • 3,412 POSTS
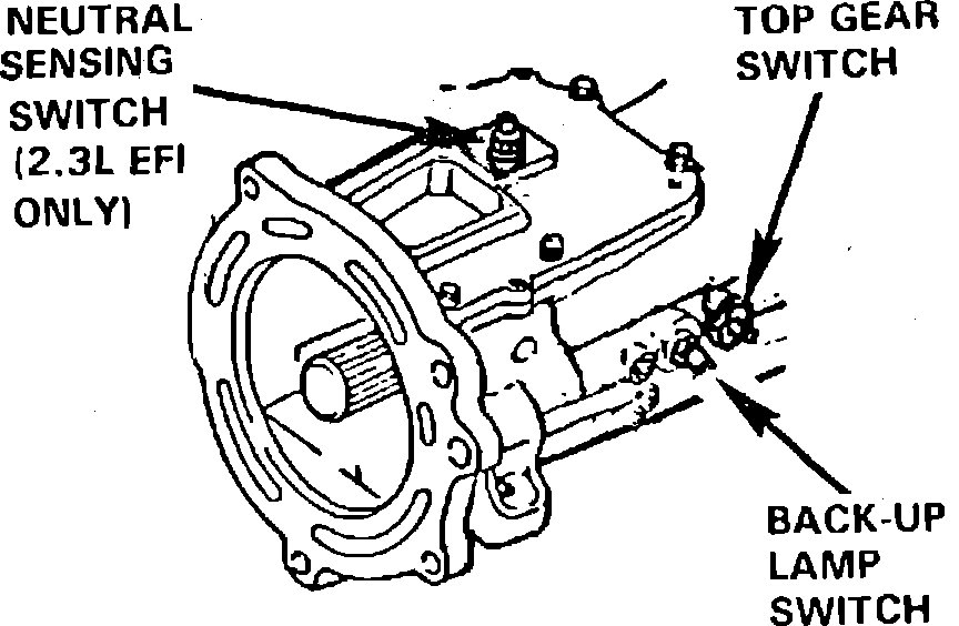
According to my repair guide there are 2 possible transmissions. The first image is the Mazda transmission. The second image is an MMC transmission. Let us know if one of those images is correct. Also just to note, those transmissions are for the USA market.
Was this
answer
helpful?
Yes
No
Tuesday, May 4th, 2021 AT 10:12 AM
Tiny
SAMUELMED
  • MEMBER
  • 2 POSTS
I believe I have the TK5 transmission, which is the Mazda one because it’s 4x4, correct?
Was this
answer
helpful?
Yes
No
Tuesday, May 4th, 2021 AT 10:12 AM
Tiny
JIS001
  • MECHANIC
  • 3,412 POSTS
The difference I see is that the Mazda transmission has the switch on top and the MMC transmission has the switch on the side. I cannot tell you which one you have because I am not looking at your transmission. But I believe the images are straight forward unless you upload some images of the transmission. Especially the top of the transmission and the side of it to see which one you have.
Was this
answer
helpful?
Yes
No
Tuesday, May 4th, 2021 AT 10:12 AM

Please login or register to post a reply.