Tuesday, January 12th, 2010 AT 12:01 PM
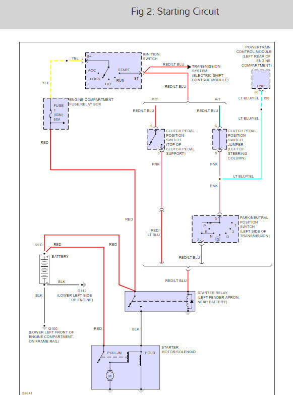
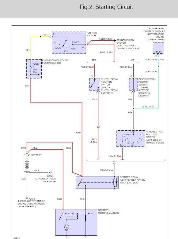
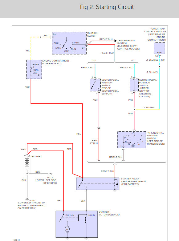
My truck broke down 1/2 mile from house and I need to bypass the neutral safety switch in order to start the vehicle and get it home for repairs. I need to know which wires to jump together to bypass the switch. There are a total of five whires on the plug but I am unable to find information on which wires to jump off of in order to get the truck started and get it home to repair my problems. Any help would be greatly appreciated!


