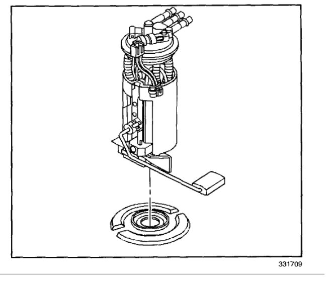
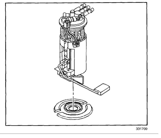
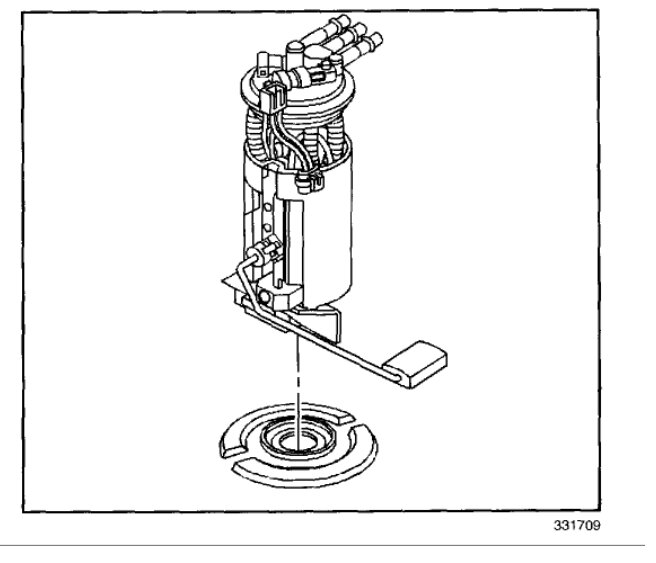
At first, it was throwing a p0304 and p0440 code. Misfiring very badly and the CEL would flash at times, especially at high speeds. I changed the plugs, wires, coil, and module. Needed to be done anyway, but no change from any of that. Cleared the codes and they came right back. Then I changed the fuel filter and injectors. It ran Perfect for about a week. I cleared the codes, and they didn't come back. After that week I had a loss of power going about 70 MPH. Flashing CEL. This time code P0303. Drove it like this for a few days. Flashed again and threw a Po325 knock sensor also. Cleared codes and have not seen the p0325 since, only p0303. I did a compression test, perfect compression. But the spark plugs were bridged. I had gapped them to the Chilton.06. Saw later engine bay says.05. I put a new set gapped correctly. Did a fuel pressure test at rail. Good at prime and idle. But I do notice a whine coming from my gas tank so I'm suspecting my pump may be acting up intermittently and causing misfires. Any suggestions for further diagnostics? Can a failing pump cause a one-off knock sensor?
Sunday, December 18th, 2022 AT 2:49 AM






