Intermittent cruise control not working properly

Tiny
TED SHARP
  • MEMBER
  • 2010 CHEVROLET AVALANCHE
  • 5.3L
  • V8
  • 2WD
  • AUTOMATIC
  • 195,000 MILES
About 50% of the time if I tap my brakes with the cruise on it doesn't resume. I have to mash my brakes again and then reset the cruise. Sometimes if I hit a bump like an over pass the cruise cuts off.
Friday, March 12th, 2021 AT 7:37 AM

4 Replies

Tiny
AL514
  • MECHANIC
  • 5,562 POSTS
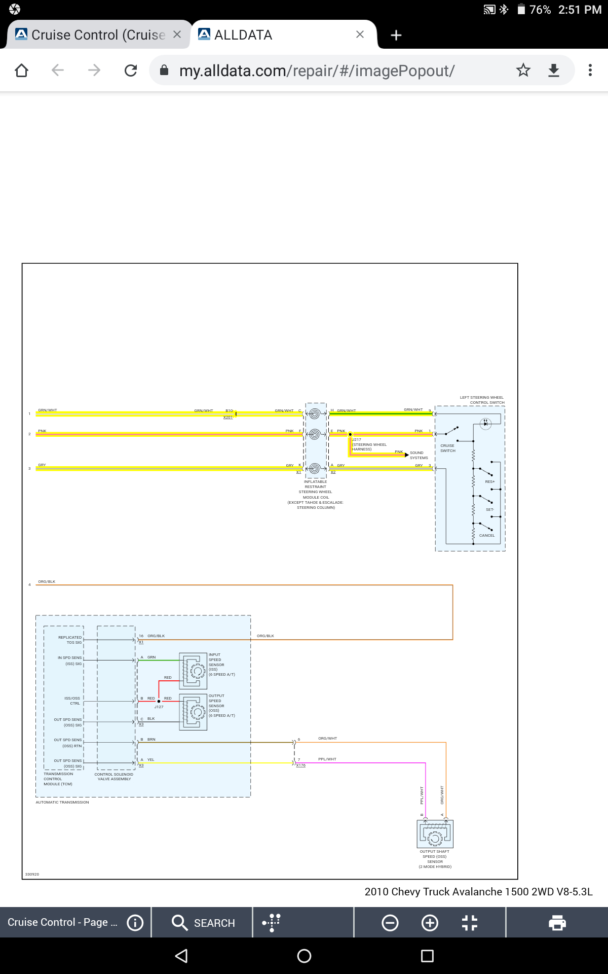
Hello, it sounds like you may have a section of the wiring harness that have worn through, and it sitting on a stub or a place (contact point) where the harness is moving, especially over bumps like you said. Another possibility is there's an intermittent issue with the body control module. It controls the cruise control. Is or has the check engine light been on at any point? I've added the circuit diagrams below, if you're up to testing some circuits. But do a good visual check first, don't move the harness at all, just look for places where there might be damage, or the plastic covering is coming apart. If you have the means to test the wiring circuits, we can talk you through that part. But let us know when you find.

https://www.2carpros.com/articles/how-to-check-wiring

https://www.2carpros.com/articles/how-to-replace-a-bcm-body-control-module
Was this
answer
helpful?
Yes
No
+1
Friday, March 12th, 2021 AT 11:59 AM
Tiny
TED SHARP
  • MEMBER
  • 3 POSTS
I can check circuits and there hasn't been any check engine light. I will do what you suggested and let you know. Thanks
Was this
answer
helpful?
Yes
No
Friday, March 12th, 2021 AT 12:27 PM
Tiny
AL514
  • MECHANIC
  • 5,562 POSTS
Just try not to move the harness too much, because you might move the problem area away from whatever it might be shorting out on. It's like accidently fixing it and you'll never find the problem after that.
Was this
answer
helpful?
Yes
No
+1
Friday, March 12th, 2021 AT 12:39 PM
Tiny
TED SHARP
  • MEMBER
  • 3 POSTS
Thanks. Done that more than once.
Was this
answer
helpful?
Yes
No
Friday, March 12th, 2021 AT 12:45 PM

Please login or register to post a reply.