Intermittent crank no start?

Tiny
SL1M3G1RL
  • MEMBER
  • 31 POSTS
I can pull out my bulb and replace it so does that mean I have composite?
Was this
answer
helpful?
Yes
No
Friday, November 25th, 2022 AT 8:12 PM
Tiny
JACOBANDNICKOLAS
  • MECHANIC
  • 110,192 POSTS
Hi,

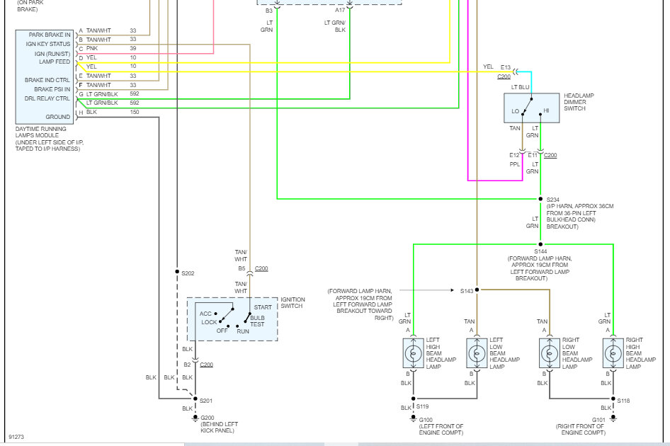
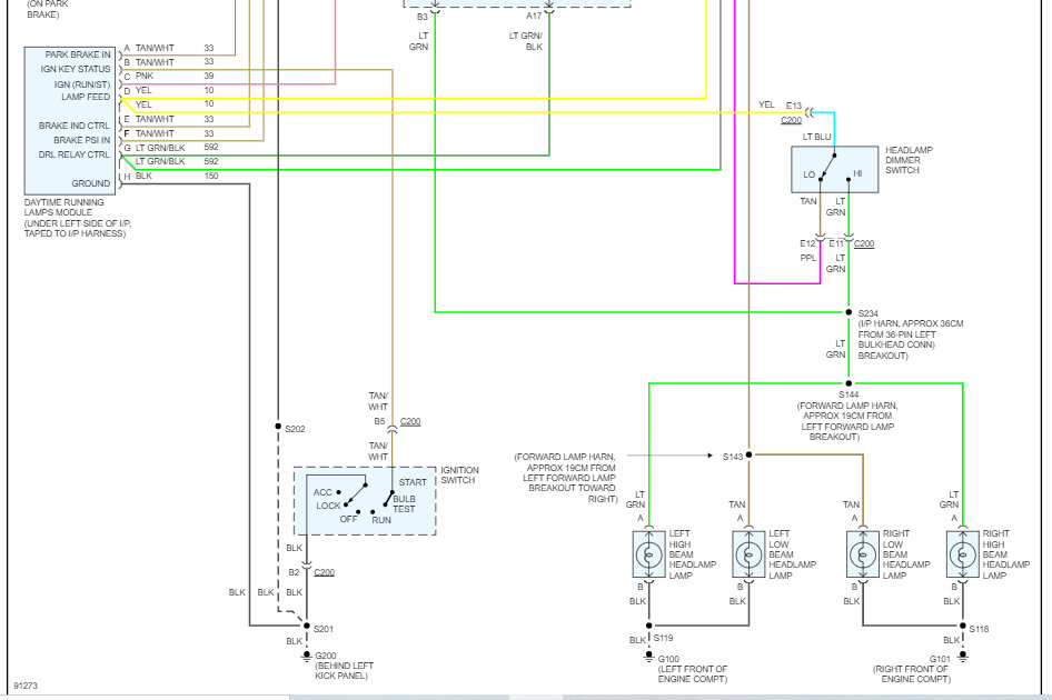
Yep. It sounds like you have composite headlamps. If you are able to remove only the bulb and the lamp assembly is separate, that is what you have.

I attached the wiring schematic below. I had to cut it in half to make it readable for you. I did overlap them so you can follow from one to the next.

Let me know if this helps.

Take care,

Joe

See pics below.
Was this
answer
helpful?
Yes
No
Friday, November 25th, 2022 AT 9:27 PM
Tiny
SL1M3G1RL
  • MEMBER
  • 31 POSTS
This is awesome thank you! I will get to work with these tomorrow.
Was this
answer
helpful?
Yes
No
Friday, November 25th, 2022 AT 9:35 PM
Tiny
JACOBANDNICKOLAS
  • MECHANIC
  • 110,192 POSTS
You are very welcome. If I can help in any way, let me know.

Take care,

Joe
Was this
answer
helpful?
Yes
No
Friday, November 25th, 2022 AT 9:39 PM
Tiny
SL1M3G1RL
  • MEMBER
  • 31 POSTS
Hi Joe!

It's been a while; I hope it's still okay to reply to this thread. I've been driving my van since I last talked to you. It was running just fine until about a week ago. I've now been having the intermittent stalling and crank no start episodes again. My van is actually stuck in a grocery store parking lot right now because it just wouldn't start again after I went grocery shopping today. What I noticed today is that although my fuel pump relay is working (I can see if closing when I pop the little cover off and I hear it click, even tried multiple relays) my fuel pump is currently not getting power. I can't hear the fuel pump running when I turn my ignition to the on position, and I normally do head it prime. I replaced my fuel pump recently, so I don't think it's the fuel pump/sending unit itself. I'm guessing there must be an issue elsewhere in the circuit. I don't see any other fuses or relays that should be involved besides the fuel solenoid fuse which looks good. Do you have any ideas of things I can try to get the fuel pump running? I saw a video on YouTube (I'll link it) where a mechanic was talking about how the fuse boxes on similar years of Chevy express vans have been known to go bad and cause low fuel pressure/crank no start issues so I'm wondering if this could be the case and how I would rest for that if so. Thank you for any advice! Here is the video: https://youtu.be/8Tr5Rk2Q1xg
Ella
Was this
answer
helpful?
Yes
No
Wednesday, December 21st, 2022 AT 10:05 PM
Tiny
JACOBANDNICKOLAS
  • MECHANIC
  • 110,192 POSTS
Hi,

That isn't good. Especially near Christmas. As far as the pump. I'm not sure if you hear the pump prime and nothing more or if you hear nothing. Let me know that.

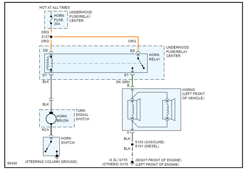
Also, I attached a pic of the fuel pump relay below. I noticed a splice in the power supply to the secondary side of the relay. I'm questioning if we have a poor connection at that splice.

Do me a favor. Remove the fuel pump relay and there will be one connector pin in the relay box that should have 12v at all times. Confirm that for me. If there isn't one, the splice is where we need to go. Of course, I'm assuming the fuse is good and has power to and from it.

Let me know what you find.

Joe

See pic below.
Was this
answer
helpful?
Yes
No
Thursday, December 22nd, 2022 AT 9:30 PM
Tiny
SL1M3G1RL
  • MEMBER
  • 31 POSTS
Hi Joe!

Thanks for getting back to me, sorry it took me a while to respond. I found a pin for the fuel pump relay that has power at all times, but I was a little less than 12 V. 11.7 or something like that. However, my battery was not fully charged at the time because it keeps draining due to a short, so I need to redo that test with a healthy battery. I was wondering what was draining my battery all the time and I remembered that a couple weeks ago someone told me that my horn randomly went off for about 30 minutes while I was gone. My horn itself seems to be damaged now because it only sounds like half its former self. Sure enough, when I went to try and start my van today, I reconnected that battery (I've been leaving it disconnected to try and prevent a strain on it from the short) and I heard a weird gurgling noise coming from near my fuse box. I noticed that my horn relay was hot, so I pulled it out right away and the noise stopped. Whenever I put the relay back in the noise comes back. I don't really know exactly where it's coming from, and it just sounds like a strange gurgling. I also wanted to say that the actual holder of my fuel pump relay has experienced a lot of corrosion in the past and although I've tried to clean it up, I think it has pitting from the corrosion. I'm wondering if this is resulting in a bad connection with the fuel pump relay even though the relay itself is closing. I was wondering if you might be able to send me a wiring diagram that has my horn circuit on it? I was going to try and track down that short. Even though I don't think it's related to my no start issues it's definitely not helping.
Was this
answer
helpful?
Yes
No
Tuesday, December 27th, 2022 AT 1:25 PM
Tiny
SL1M3G1RL
  • MEMBER
  • 31 POSTS
Hello,

I just wanted to add that I charged my battery up more (although it was still at 12.4 ish when I checked unfortunately) and I checked that pin on the fuel pump relay holder again and this time it read around 12.37. However, my fuel pump is still not running. I can hear it trying to very weakly for a second, but it doesn't build up enough fuel pressure to start the engine and it is way quieter and weaker than usual. I did get the van to start yesterday but I'm not sure what it was that got it to work. I traced all the fuel pump wiring by hand and wiggled it around and also applied Dialectric grease to the relay. I can't seem to recreate that today.
Was this
answer
helpful?
Yes
No
Tuesday, December 27th, 2022 AT 4:35 PM
Tiny
JACOBANDNICKOLAS
  • MECHANIC
  • 110,192 POSTS
Hi,

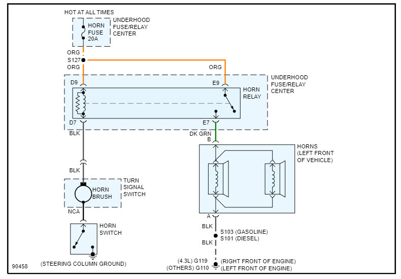
I attached the wiring schematic for the horn below. Based on what happened, I suspect the relay simply failed internally. Have you tried switching it with a different one that has the same part number? If there isn't one, here is a link explaining how to test a relay:

https://www.2carpros.com/articles/how-to-check-an-electrical-relay-and-wiring-control-circuit

Were you able to check the voltage at the fuel pump itself?

Let me know.

Joe

See pic below.
Was this
answer
helpful?
Yes
No
Tuesday, December 27th, 2022 AT 6:47 PM
Tiny
SL1M3G1RL
  • MEMBER
  • 31 POSTS
Hi Joe,

That makes sense I will get a new horn relay asap and try it out. I haven't tested the voltage at the fuel pump yet, I can do that today or tomorrow. I know there are 4 wires coming from my fuel pump but I'm not exactly sure which one should have power at all times. Do you mind helping me out with that? Thank you and I really appreciate all your help.
Was this
answer
helpful?
Yes
No
Wednesday, December 28th, 2022 AT 11:10 AM
Tiny
JACOBANDNICKOLAS
  • MECHANIC
  • 110,192 POSTS
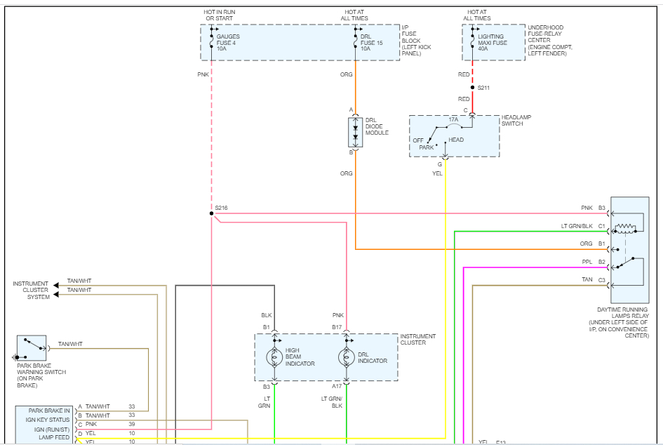
Hi,

I don't mind at all. From the fuel pump, nothing will have power. Instead, power is sent to it from the fuel pump relay.

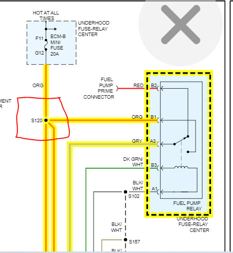
Here is how it works. The orange wire from the ECM-B fuse has power at all times but at the relay itself, the circuit (switch) is open.

If you look at pic 1 below, I numbered each wire. For the circuit to work, the number 1 wire receives voltage from the PCM. Wire 2 is used as a ground for that wire. When that happens, it energizes the primary side of the relay causing an electromagnet to pull the switch closed on the secondary side of the relay. Once that switch is closed, power from wire 3 (hot at all times) can go to the pump.

Let me know if that helps or if you have other questions.

Take care,

joe

See pics below.
Was this
answer
helpful?
Yes
No
Wednesday, December 28th, 2022 AT 4:16 PM
Tiny
SL1M3G1RL
  • MEMBER
  • 31 POSTS
Thank you so much for the wiring diagrams that's very helpful. I see the grey wire coming from my fuel pump connector. So that grey wire should have around battery voltage with my key in the on position, right?
Was this
answer
helpful?
Yes
No
Thursday, December 29th, 2022 AT 11:29 AM
Tiny
JACOBANDNICKOLAS
  • MECHANIC
  • 110,192 POSTS
Hi,

Yes, that is the power source. However, without the engine running (key on) it will only receive power for about two seconds when the key is first turned on. That is the period of time for priming the system. Once the engine starts, the pump runs continuously.

Let me know what I can do to help.

Take care,

joe
Was this
answer
helpful?
Yes
No
Thursday, December 29th, 2022 AT 8:46 PM
Tiny
SL1M3G1RL
  • MEMBER
  • 31 POSTS
Thank you. Then I will try to test for power at that grey wire while someone turn on the ignition. I think I can disconnect the fuel pump clip and put my multimeter leads directly on the ground and power pins. I'm a little stuck and wondering where to go from here now. I know my fuel pump doesn't seem to be getting power although my relay is working and my PCM is giving the signal. I just don't really know where to go from here. The issue could be within the fuse box itself, a grounding issue, or anywhere along the wiring going to the fuel pump. I want to recheck all my grounds soon because I have had other strange electrical symptoms like intermittent dash lights in the past and I wonder if there could be a bad ground somewhere. Any input on other tests I should try or stuff to check would be appreciated. Thank you as always and have a great evening!
Was this
answer
helpful?
Yes
No
Thursday, December 29th, 2022 AT 9:09 PM
Tiny
JACOBANDNICKOLAS
  • MECHANIC
  • 110,192 POSTS
Hi,

If you determine there is power available at the pump, then either the pump has failed, or we have no ground. At that point, we will check the ground circuit to confirm the cause.

If there is no power and we do have power out from the relay, then we have an open circuit between the relay and the connector. At that point, we need to start tracing the power supply to determine where the issue is.

Hang in there.

Joe
Was this
answer
helpful?
Yes
No
Thursday, December 29th, 2022 AT 9:46 PM
Tiny
SL1M3G1RL
  • MEMBER
  • 31 POSTS
Thank you, that's a very helpful response. I will let you know when I get the results of checking the power at the fuel pump. It's been raining a lot so hopefully I get a chance soon!
Best,
Ella
Was this
answer
helpful?
Yes
No
Thursday, December 29th, 2022 AT 10:10 PM
Tiny
JACOBANDNICKOLAS
  • MECHANIC
  • 110,192 POSTS
Hi,

You are very welcome. Hang in there. We'll get it going. By the way, keep the rain. LOL It was nice here today.

Take care,

joe
Was this
answer
helpful?
Yes
No
Friday, December 30th, 2022 AT 12:11 AM

Please login or register to post a reply.