Intermittent cooling fan not working

Tiny
CHICAGOBOB
  • MEMBER
  • 2006 LINCOLN LS
  • 3.9L
  • V8
  • 160,000 MILES
Cooling fan rarely coming on causing overheating within 15 miles of driving. Also doesn't come on when A/C is turned on. With 90° heat selected on climate control "auto" setting the A/C light is lit. Manually set to 90 and A/C light goes out but system blows not nearly as hot as it should. Drive for 15 minutes and car will want to overheat if the fan does by chance come on it will lower the temperature and at least let you get home. All this is done on an 85 degree day.
Thank you!
Wednesday, September 8th, 2021 AT 5:47 PM

3 Replies

Tiny
KASEKENNY
  • MECHANIC
  • 18,907 POSTS
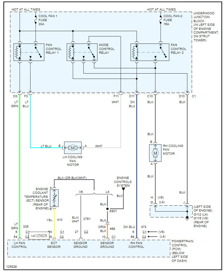
If the fan is working sometimes then we can assume (for now) it is not the fan itself. However, we need to check the voltage at the fan on the white/black wire from the PCM, because you have a micro processor as part of the motor.

https://www.2carpros.com/articles/how-to-check-wiring

Also, I just want to confirm you have the single fan set up and not dual fans?

If you have dual fans then this is a different issue. However, I suspect you have a single fan, so if you do not have voltage at the motor when the fan should be on, then we need to make sure the cylinder head temp sensor is working. If the engine is actually overheating or the gauge is showing that it is overheating then the fan should be coming on.

At that point, the PCM is the likely issue as it should be commanding it on and it is not.

Below is the wiring diagram that will show where we need to test this voltage.

Please run through this and let me know what questions you have.

Thanks
Was this
answer
helpful?
Yes
No
Wednesday, September 8th, 2021 AT 7:51 PM
Tiny
CHICAGOBOB
  • MEMBER
  • 2 POSTS
I am back working on this car again now I hope you can still help me with this.
To answer your question above, this car has the single cooling pad, and I have discovered that if I cut the small white, black wire the fan will come on and it runs constantly. It's loud and very slow to build up enough heat to turn the heater on here in the winter. If I connect the white, black wire I get nothing. Can the cylinder head temperature sensor keep the fan from coming on when you select A/C?
Thank you!
Was this
answer
helpful?
Yes
No
Wednesday, February 26th, 2025 AT 8:46 AM
Tiny
KEN L
  • MASTER CERTIFIED MECHANIC
  • 55,488 POSTS
Yes, if you cut the blk/wht wire the fans will come on. We can test the coolant sensor by plugging in a scanner to check the engine temperature, the fan should come on if the AC is on and working, if the refrigerant is low the A/C will not come on either will the fans.

https://www.2carpros.com/articles/checking-a-service-engine-soon-or-check-engine-light-on-or-flashing

The scanner will show the engine temperature and see if the coolant sensor is working correctly, if not here is the sensor location so you can swap it out which is under the intake manifold :/ Check out the images (below). Please let us know what happens.

Was this
answer
helpful?
Yes
No
Friday, February 28th, 2025 AT 4:53 PM

Please login or register to post a reply.