Interior dome light, how to set it?

Tiny
LINDSEY HENLEY
  • MEMBER
  • 1997 FORD RANGER
  • 2.3L
  • 4 CYL
  • 2WD
  • MANUAL
  • 218,000,524 MILES
How do you set it to when you open the doors the light stays off?
Monday, May 2nd, 2022 AT 2:21 AM

1 Reply

Tiny
KASEKENNY
  • MECHANIC
  • 18,907 POSTS
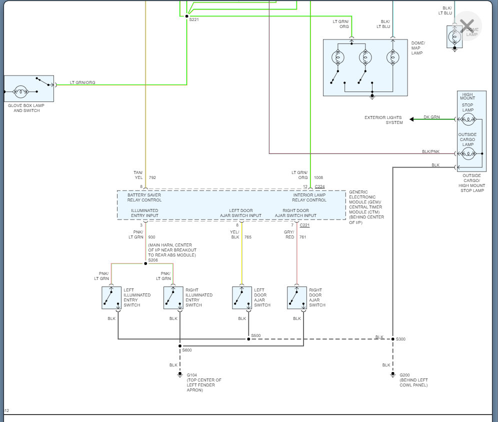
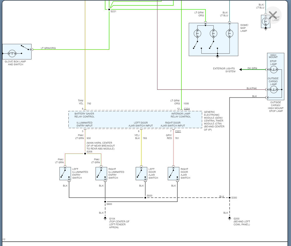
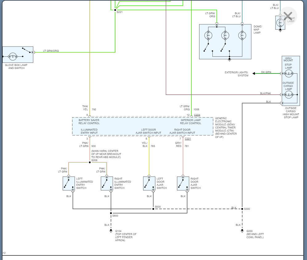
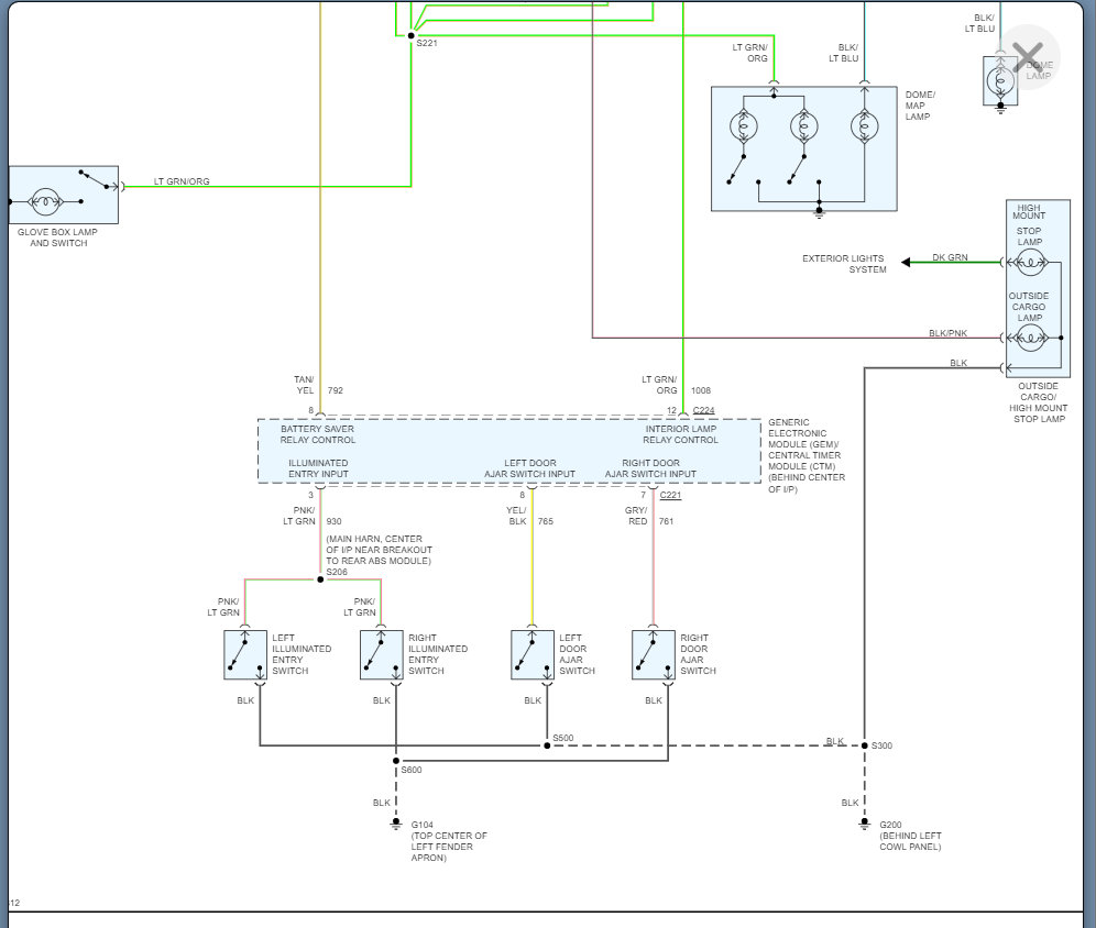
I assume you have the XL model truck. If you do, then I don't think it has any switch to turn the dome light off.

However, the non-XL model should have a dimming switch which will turn off the dome light.

This is the knob at the top left of the dash. I believe you turn it, but I am attaching the wiring diagram and location of the module.

Clearly the module is just the assembly part of the unit that the knob connects to.

I attached the location of it below so take a look at this and let me know if you have this.

If not, then you are not able to turn the dome light off independently.

Let me know. Thanks
Was this
answer
helpful?
Yes
No
Monday, May 2nd, 2022 AT 8:15 PM

Please login or register to post a reply.