Wednesday, June 26th, 2019 AT 7:50 PM
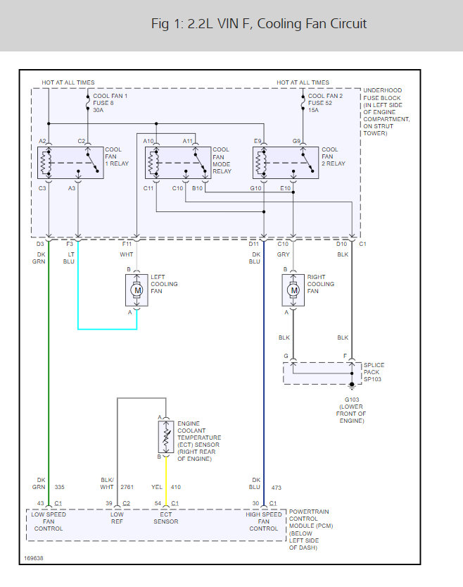
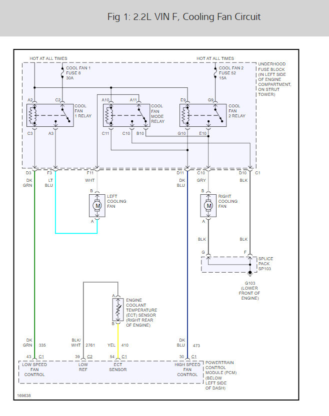
The car had a slight damage in front end in parking lot fender bender, with the instrument cluster going out at that time. I do have emergency dashboard lights and check engine light, but I don't have rpm, speed, fuel, and temperature. An obd2 scan reads back pass - no errors. The car has separate ECM and BCM's. I'm assuming the ECM is working properly because of the obd2 scans. I have visually checked for wiring faults both in front of and behind the firewall and found no obvious breaks. I have not done a continuity check on all of the wires, but I have noticed that there is no power to several of the passenger side fuse box: fog lights, instrument lights and a couple of others which are obviously not working at this time. The A/C and radiator fans are also not working, but I suspect this is a separate problem from the i-c. I would suspect the BCM as a possible problem, but I do have: electric locks, window controls, mirror controls, sunroof controls, seat adjustment, dome and other interior lights, trunk latch, headlights, tail lights, turn signals, emergency signals, rear window fog, interior fans for dash and etc. Running out of ideas of where to look. FYI, All fuses and relays are working properly. Thanks for your time.


