Instrument cluster not working

Tiny
GREG HARRIS
  • MEMBER
  • 2005 PONTIAC GRAND AM
  • 3.4L
  • V6
  • 2WD
  • AUTOMATIC
  • 184,000 MILES
None of my guages work at all.
Tuesday, February 9th, 2021 AT 1:26 PM

1 Reply

Tiny
ASEMASTER6371
  • MECHANIC
  • 52,796 POSTS
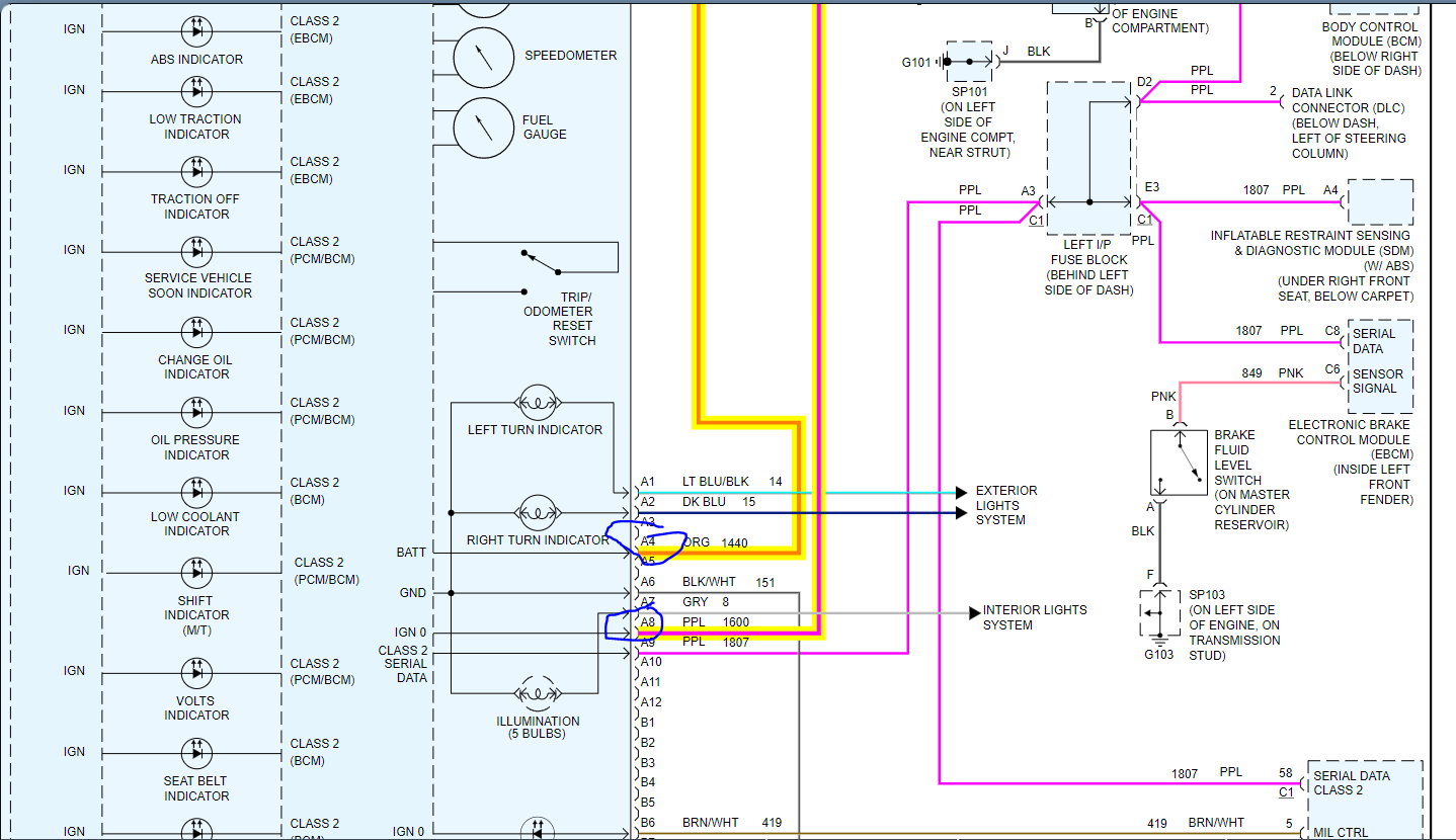
Good morning,

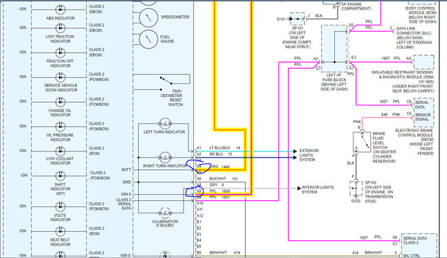
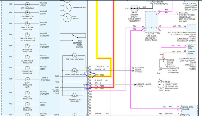
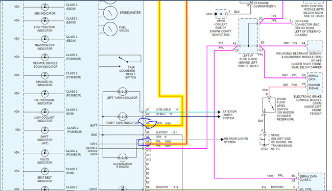
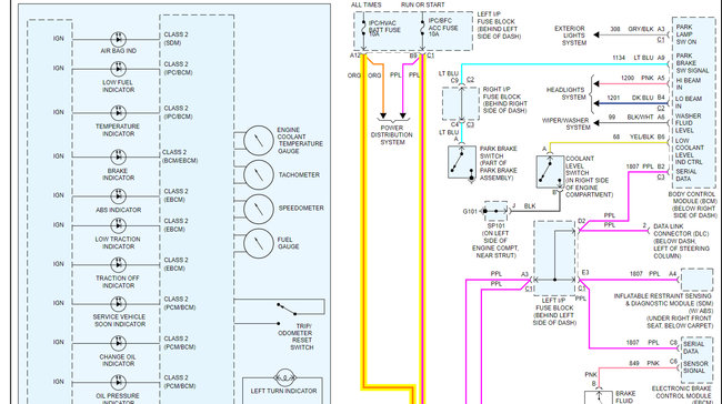
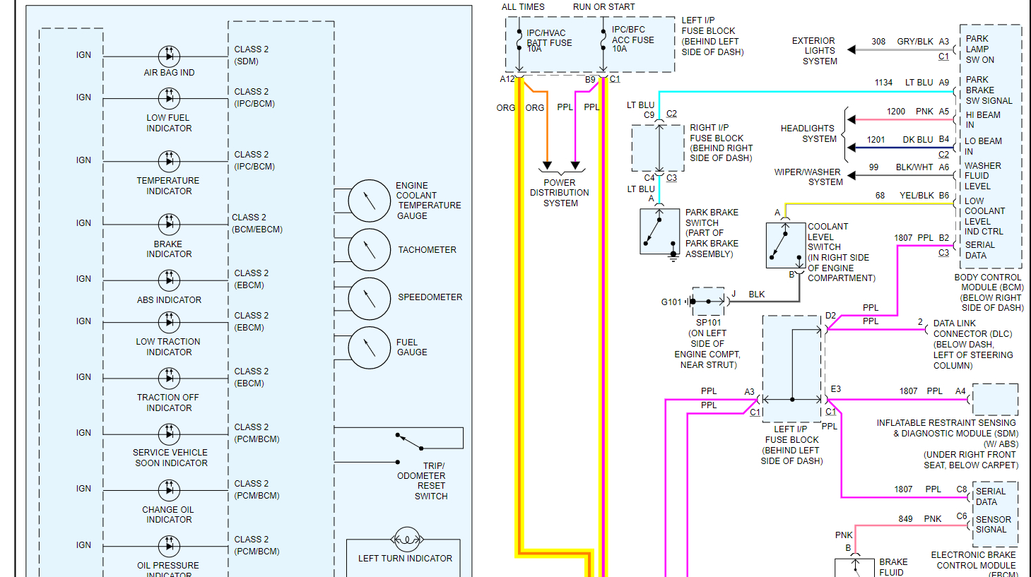
I posted a wiring diagram of the cluster for you.

https://www.2carpros.com/articles/how-to-check-wiring

Check the fuses and for power to the connector for the cluster. If you have good fuses and power to the cluster, the cluster itself is the issue.

https://www.2carpros.com/articles/how-to-check-a-car-fuse

Roy

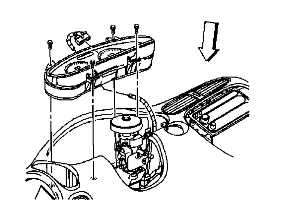
INSTRUMENT PANEL CLUSTER (IPC) REPLACEMENT

REMOVAL PROCEDURE

imageOpen In New TabZoom/Print

1. Remove the instrument panel (IP) cluster trim plate.
2. For the Pontiac only, remove the 2 IP cluster screws.

imageOpen In New TabZoom/Print

3. For the Oldsmobile only, remove the 4 IP cluster screws.
4. Pull the IP cluster rearward. Disconnect the cluster lead.
5. Remove the IP cluster.
Was this
answer
helpful?
Yes
No
Wednesday, February 10th, 2021 AT 1:36 AM

Please login or register to post a reply.