No crank no start

Tiny
WILLIAM DEMMITT
  • MEMBER
  • 1995 NISSAN QUEST
  • 3.0L
  • 6 CYL
  • 2WD
  • AUTOMATIC
  • 119,000 MILES
Now the starter won't crank to spin engine. Installed a new distributor, started for about 2 seconds, engine stopped.
Friday, March 18th, 2022 AT 11:23 AM

5 Replies

Tiny
JACOBANDNICKOLAS
  • MECHANIC
  • 110,194 POSTS
Hi,

When you turn the key on, does anything electrical work? Also, are there any sounds associated with the starter when you turn the key to the start position?

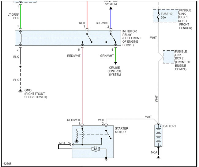
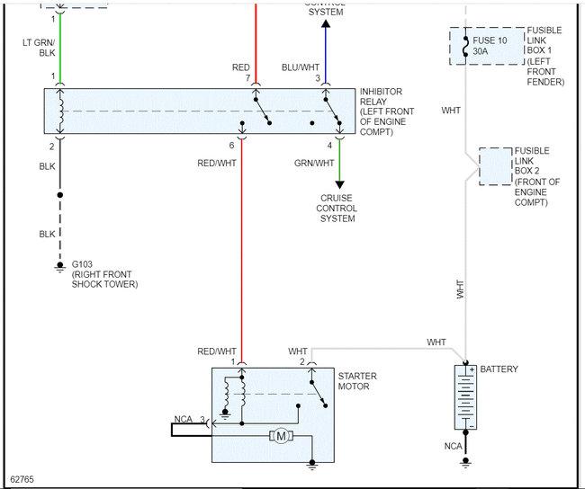
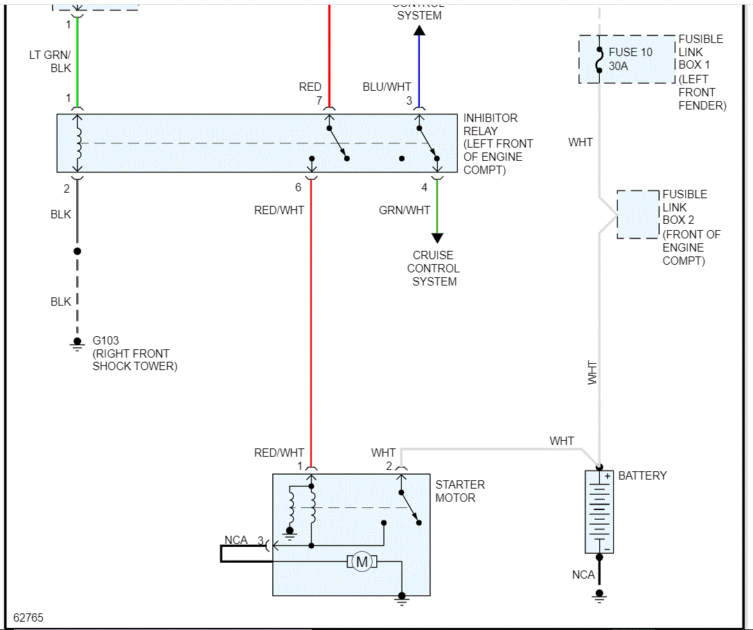
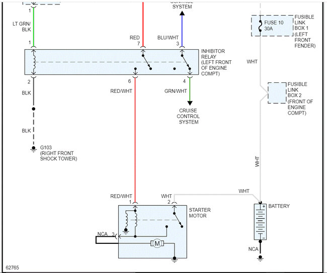
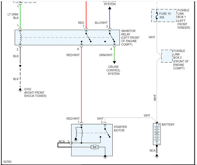
I attached the wiring schematics below. Also, pic 3 below indicated which fuse box to check. Check to make sure fuse 10 is good and there is power to and from it.

Here is a link you may find helpful:

https://www.2carpros.com/articles/how-to-check-a-car-fuse

Let me know what you find or if you have other questions.

Take care,

Joe

See pics below.
Was this
answer
helpful?
Yes
No
Friday, March 18th, 2022 AT 8:59 PM
Tiny
WILLIAM DEMMITT
  • MEMBER
  • 3 POSTS
I do not hear the solenoid or starter make any noise at all and most of the dash lights go off completely when the key is tried. Seems like a short at starting motor. Checked the 30 amp fuse at battery, that's okay. Checked fuse panel in the vehicle, okay.
Was this
answer
helpful?
Yes
No
Friday, March 18th, 2022 AT 10:22 PM
Tiny
JACOBANDNICKOLAS
  • MECHANIC
  • 110,194 POSTS
Okay, what you described sounds like a loose connection. Check the battery terminals and make sure they are both clean and tight. Also, if you haven't already, confirm the battery is fully charged.

Here are two links you may find helpful:

https://www.2carpros.com/articles/car-battery-load-test

https://www.2carpros.com/articles/everything-goes-dead-when-engine-is-cranked

The starter places the heaviest load on the battery. If it doesn't have a good connection, it can fail, all the lights turn off, and then they turn back on after a few seconds.

It sounds like one of the two things I mentioned. Check these and let me know what you find. Also, make sure the battery cables are in good condition.

I will watch for your reply.

Joe

Was this
answer
helpful?
Yes
No
Saturday, March 19th, 2022 AT 6:04 PM
Tiny
WILLIAM DEMMITT
  • MEMBER
  • 3 POSTS
Just a thought. Possible timing belt slippage? That might lock up the engine/starter? Checked battery connections, all okay.
Was this
answer
helpful?
Yes
No
Sunday, March 20th, 2022 AT 5:43 AM
Tiny
JACOBANDNICKOLAS
  • MECHANIC
  • 110,194 POSTS
Hi,

If the timing was off, you would hear the starter click and try to turn the engine, so I don't suspect that is the issue.

Since all power supplies are good and the battery is good, here is what I need you to do. At the starter, there will be a red wire with a white tracer. That wire has no power to it until the key is in the start position.

Have a helper turn the key to the start position while you check that wire for power. If it gets 12v, chances are the starter itself is no good. Also at the starter will be a heavier gauge wire that should have 12v at all times, so be careful not to short anything to it. Also, it may be a good idea to confirm that wire has power as well.

Let me know what you find.

Joe
Was this
answer
helpful?
Yes
No
Sunday, March 20th, 2022 AT 6:42 PM

Please login or register to post a reply.