Injector coil fuse blows when crank

Tiny
DSTONEN
  • MEMBER
  • 2002 CHRYSLER SEBRING
  • 2.7L
  • 2WD
  • 155 MILES
Hello, I have the car listed above LIX convertible. I had to change the timing chain I could not find any bof the ground wires that go to valve covers when putting back. But seems like I found them and they were broken off. I repaired ect. My problem is, when cranking the car for the first time since time job it keeps blowing fuse number 24 injector coil fuse. The only thing I did was used some old coil packs that was rained on for about a year because mines were broken. Well, 2 of them were broken. I can't understand why would the number 24 fuse blows when cranking car. So far I have blown three 20 am fuses.
Wednesday, November 13th, 2019 AT 3:57 PM

42 Replies

Tiny
SCGRANTURISMO
  • MECHANIC
  • 4,897 POSTS
Hello,

Your vehicle keeps blowing the fuse because there is a short to ground in the circuit[s] that that fuse is protecting. This happens because of Ohm's Law, the laws that govern electricity in a vehicle. Ohm's law states that if one of the three properties of electricity stays constant, and one always is in an automotive circuit [Voltage-there is constant battery voltage] and one of the remaining two goes down[Resistance-resistance goes to zero as the electricity has a direct path back to the negative battery terminal] than the last property must go up proportionally [Amperage-Amperage will go to the Amperage rating of the battery]. The Amperage/Current or the flow of electricity will overtake the fuses amperage rating and "pop" the fuse blows, protecting the circuit, just like it was designed to do. In the diagrams down below I have included a wiring diagram of your vehicle's Coil On Plug circuits and a guide on how to find short to grounds in an automotive electrical circuit. You will need to use a Digital Multi-meter [DMM] to do go through this guide. Here is a link below explaining how to use one, if needed:

https://www.2carpros.com/articles/how-to-use-a-voltmeter

Please go through these guides and get back to with what you are able to find out.

Thanks,
Alex
2CarPros
Was this
answer
helpful?
Yes
No
+1
Wednesday, November 13th, 2019 AT 5:16 PM
Tiny
CARADIODOC
  • MECHANIC
  • 34,481 POSTS
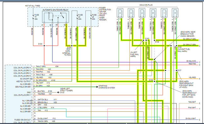
There's no ground wires in the injector or ignition coil circuits, so if you grounded something, that would be what is shorted. Both circuits are grounded by the Engine Computer. It switches the grounds on for the injectors to pulse them for a few milliseconds, and it switches the grounds off for the ignition coils, individually, when they need to create the spark.

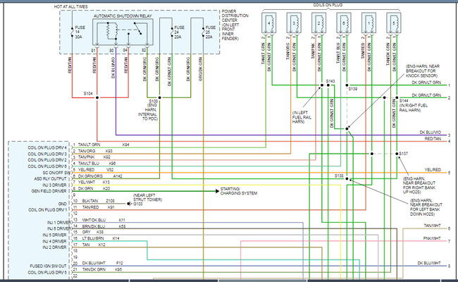
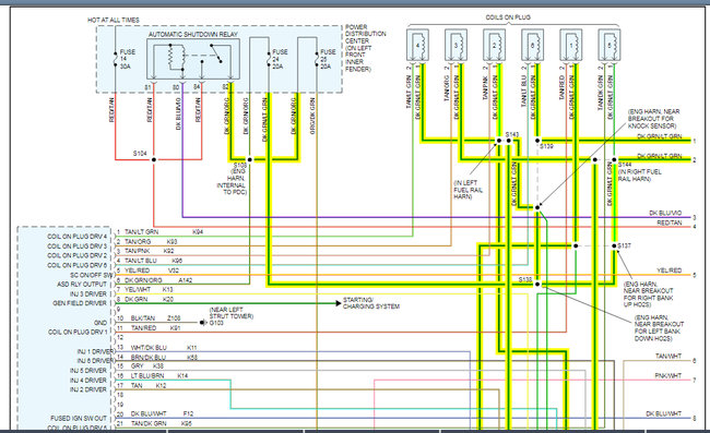
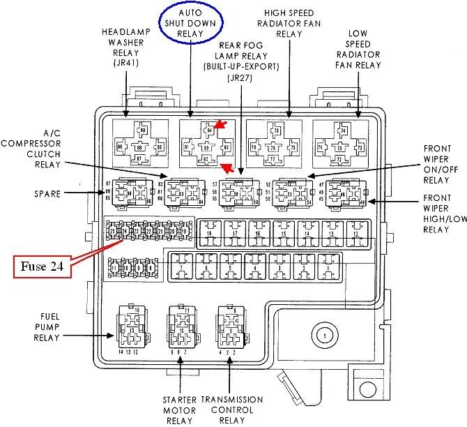
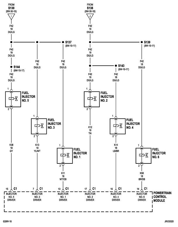
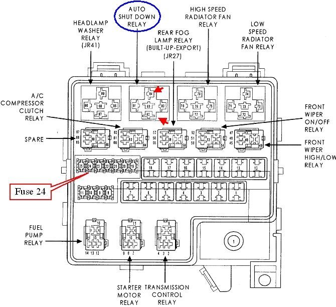
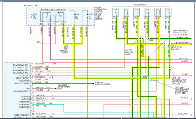
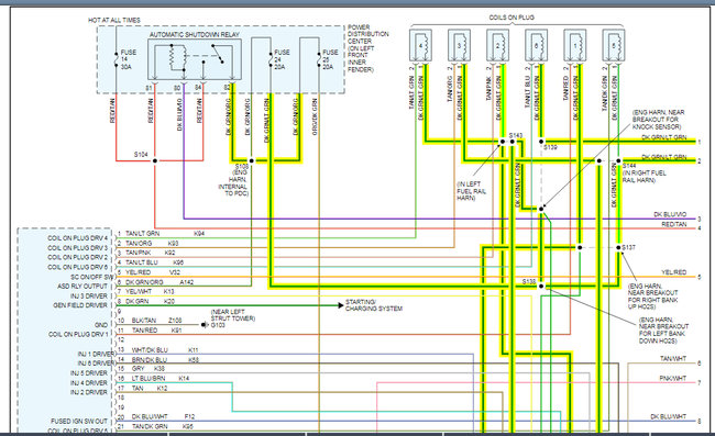
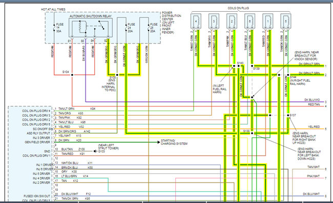
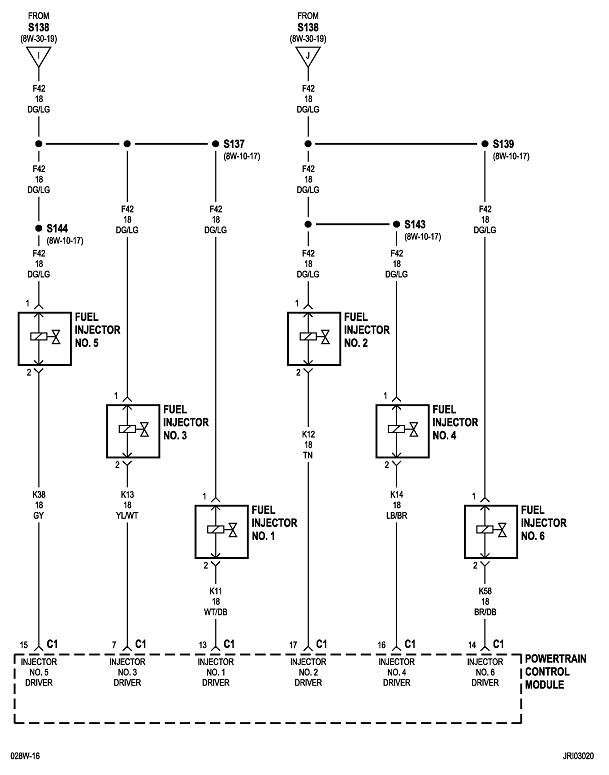
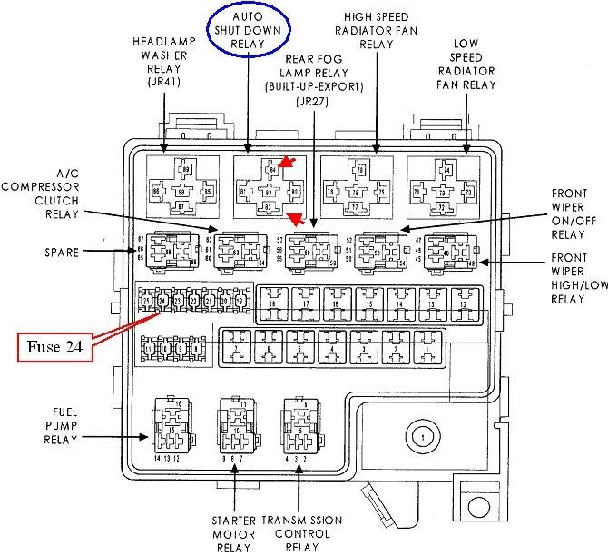
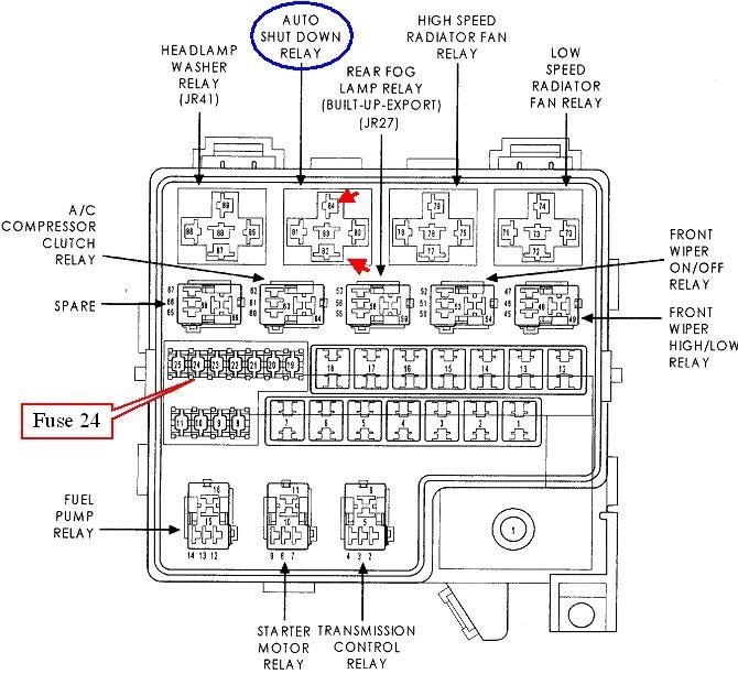
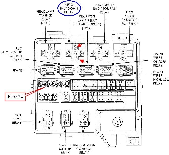
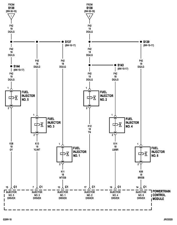
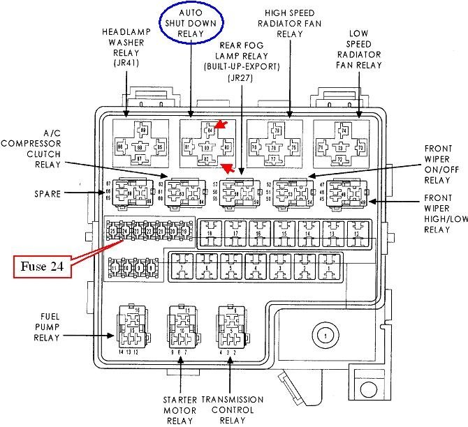
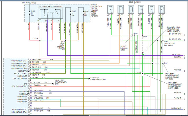
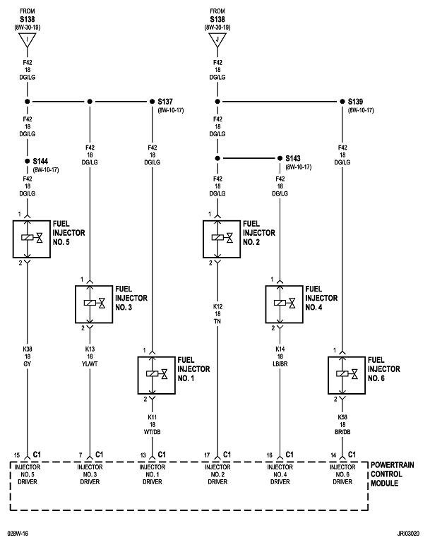
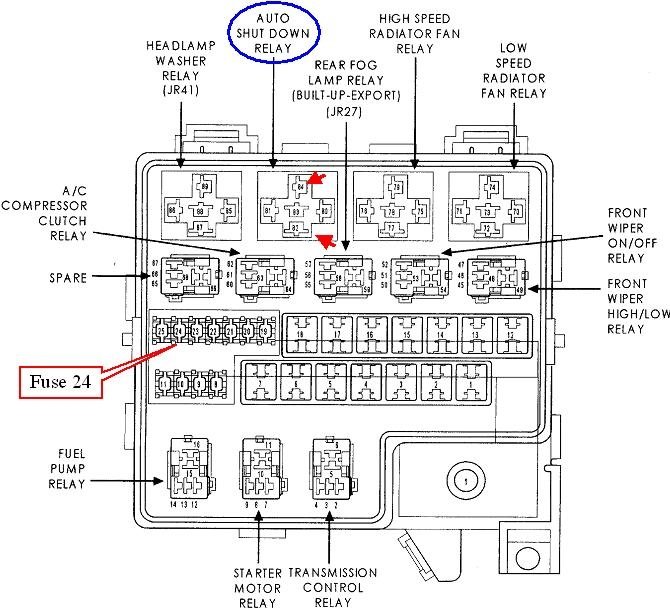
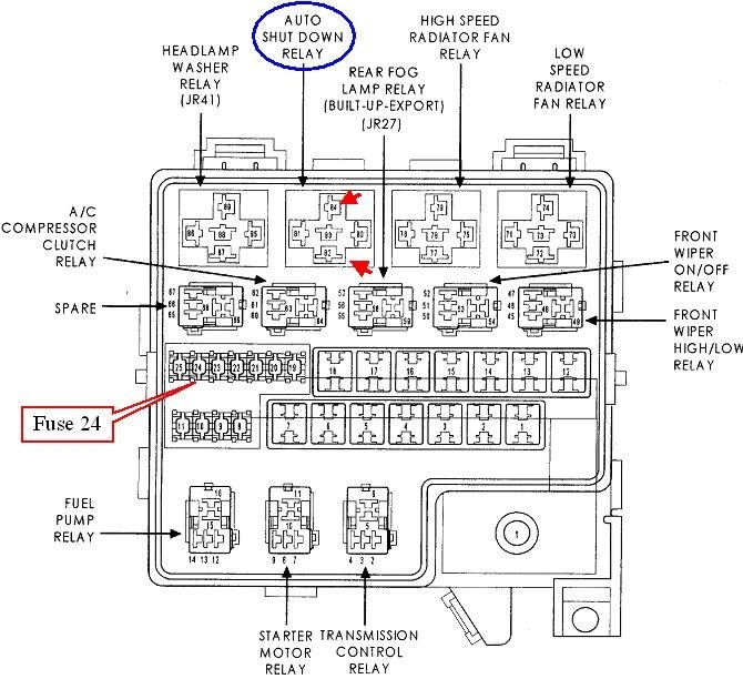
The first diagram has fuse # 24 circled. That feeds circuit F42 dark green / light green for the six injectors. The two circuits are continued on the second diagram at call outs "I" and "J". This is the circuit that has to be shorted for that fuse to blow.

If you aren't sure if the short is something you caused, another way to find this is to replace the blowing fuse with a light bulb. That will limit current flow in the circuit to safe value, and give you a visual indication of when the short is present or removed. Normally I stick a 3057 brake light bulb in place of the fuse, but for anything related to the automatic shutdown, (ASD) relay, which this is, it's better to bypass the relay instead because that relay only gets turned on for one second when you turn on the ignition switch. Obviously that is not enough time to do any testing. The relay gets turned on again during engine rotation, (cranking or running), but since the engine doesn't run, any testing would have to be done while a helper is cranking the engine. Again, not practical.

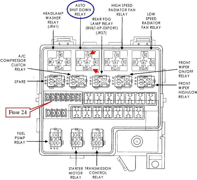
The way to do this is to install a good fuse into socket #24. Don't turn the ignition switch on or that fuse will blow again. Now, remove the ASD relay, then stick in two universal crimp-type spade terminals into the socket's terminals 30 and 87. That's if you have the common 1" cube relays. If you have the skinnier relay like the one shown on the right of the drawing, use the two terminals the arrows are pointing to.

Use a pair of small jumper wires to connect those two terminals to the light bulb. A 3057 brake light bulb has easily accessible terminals and will limit current to one amp. It can get pretty hot when it's at full brightness, so be careful where you lay the bulb.

By connecting the bulb across the relay socket, the circuit will be energized all the time. No need to turn the ignition switch on, and there won't be nearly enough current to blow the new fuse. If the short is present, the bulb will be full brightness. Now you can move wire harnesses around, unplug things, and disconnect connectors to see what removes the short from the circuit. When you find something that removes the short, the bulb will get dim or go out completely.

I just noticed they changed the relay terminal numbering, but the physical locations are the same. Use terminals 82 and 84. Two small red arrows are pointing to them in the fourth diagram.
Was this
answer
helpful?
Yes
No
Wednesday, November 13th, 2019 AT 5:19 PM
Tiny
DSTONEN
  • MEMBER
  • 85 POSTS
I have f42 wire grounded is that supose to b grounded to the valve cover or is it a hot wire
Was this
answer
helpful?
Yes
No
Thursday, November 14th, 2019 AT 9:56 AM
Tiny
DSTONEN
  • MEMBER
  • 85 POSTS
I guess that is the wrong wire. My problem is when I took off valve cover there were 1 or 2 wires on diodes an on 1 on regular grounds I some how the diode broke up this is this the f42 I put the diode back with missing parts the other wire was cut off some how really short, but it was green so I extended it and grounded it. The other is green with black strip coming from the wires coming up from starter. It was cut off just naked wire showing. Please disregard first message.
Was this
answer
helpful?
Yes
No
Thursday, November 14th, 2019 AT 10:15 AM
Tiny
DSTONEN
  • MEMBER
  • 85 POSTS
Typo for diodes capacitor/condenser seems like that is the green and light green wire on one broken capacitor possibly.
Was this
answer
helpful?
Yes
No
Thursday, November 14th, 2019 AT 1:20 PM
Tiny
SCGRANTURISMO
  • MECHANIC
  • 4,897 POSTS
Hello again,

No. The f42 wire is a hot wire coming from the ASD Relay pin 30, or possibly pin 87 and is the wire supplying power to the component to be power[Coil[s]]. It should not be grounded. This is your short to ground.

Thanks,
Alex
2CarPros
Was this
answer
helpful?
Yes
No
Thursday, November 14th, 2019 AT 1:55 PM
Tiny
DSTONEN
  • MEMBER
  • 85 POSTS
Yes, I cut it an the fuse stopped blowing but that wire was connected to a capacitor and screwed to the top of the valve cover. Am I crazy?
Was this
answer
helpful?
Yes
No
Thursday, November 14th, 2019 AT 3:24 PM
Tiny
DSTONEN
  • MEMBER
  • 85 POSTS
Still didn't crank but it's getting plenty of gas now. I can smell it. Where does this wire go? There is one on each side but 25 didn't blow just 24.
Also is there anyway you could show me the grounds that go to the valve covers? There were two capacitors and maybe 2 ground on the valve cover that I can't find any except for this broken capacitor.
Was this
answer
helpful?
Yes
No
Thursday, November 14th, 2019 AT 3:32 PM
Tiny
CARADIODOC
  • MECHANIC
  • 34,481 POSTS
There's no capacitors, diodes, or ground connections in those circuits. Can you post some photos of what you're working with?
Was this
answer
helpful?
Yes
No
Thursday, November 14th, 2019 AT 4:26 PM
Tiny
DSTONEN
  • MEMBER
  • 85 POSTS
Parts number 4606866aa this one is 4 an 04, but it is the same thing/picture the capacitor was on both valve covers. If not where does this wire go green light green wire? As soon as I cut that wire the fuse stopped blowing and I could smell a little gas.
Was this
answer
helpful?
Yes
No
Thursday, November 14th, 2019 AT 6:15 PM
Tiny
DSTONEN
  • MEMBER
  • 85 POSTS
This is at the end of that wire an it screws down on valve cover screw first valve cover screw is tightened down then the capacitor is placed on top of that same screw its about 1 inch then screwed down with another screw smaller size. Then the green with light green strip has a prong the plus right into the capacitor. Which again is broken some peaces missing from old capacitor there is one onm each valve cover.
Was this
answer
helpful?
Yes
No
Thursday, November 14th, 2019 AT 9:02 PM
Tiny
SCGRANTURISMO
  • MECHANIC
  • 4,897 POSTS
Hello,

Okay, this looks like an Radio/Ignition Capacitor for collecting the Electro-Magnetic Frequency[EMF] from the ignition coils and storing it then releasing it to ground of the vehicle battery. When your coils release the electricity that is built up in the winding's of the coil to produce the electricity to make the spark plugs spark, it creates a collapsing magnet pulse that gives of EMF and will be picked up by any unshielded wiring. So it is the job of these capacitors to collect and disseminate the EMF to the vehicle's ground. A good example of what happens when these capacitors aren't working is if you have ever accelerated in a vehicle and the more you accelerated the louder a whining hum would come over the vehicle's speakers, that hum is the EMF from the ignition coils being collected by the speaker wires instead of the capacitor.

Thanks,
Alex
2CarPros
Was this
answer
helpful?
Yes
No
Friday, November 15th, 2019 AT 1:17 AM
Tiny
SCGRANTURISMO
  • MECHANIC
  • 4,897 POSTS
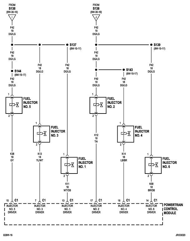
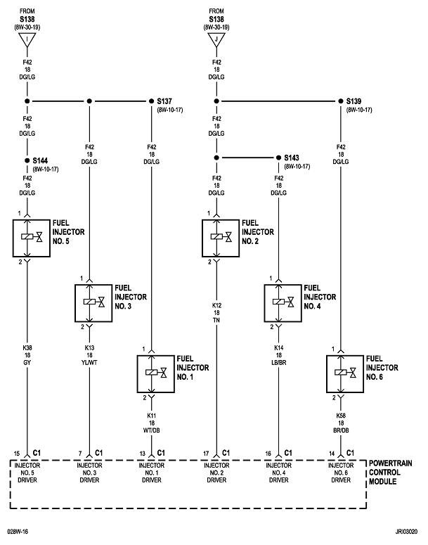
Hello again,

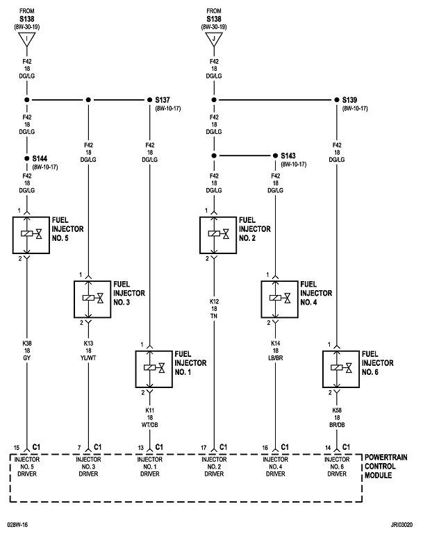
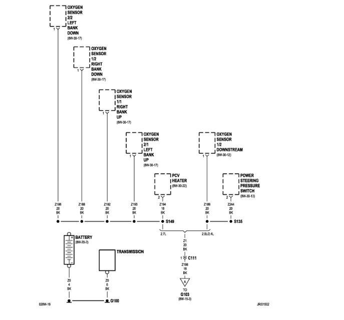
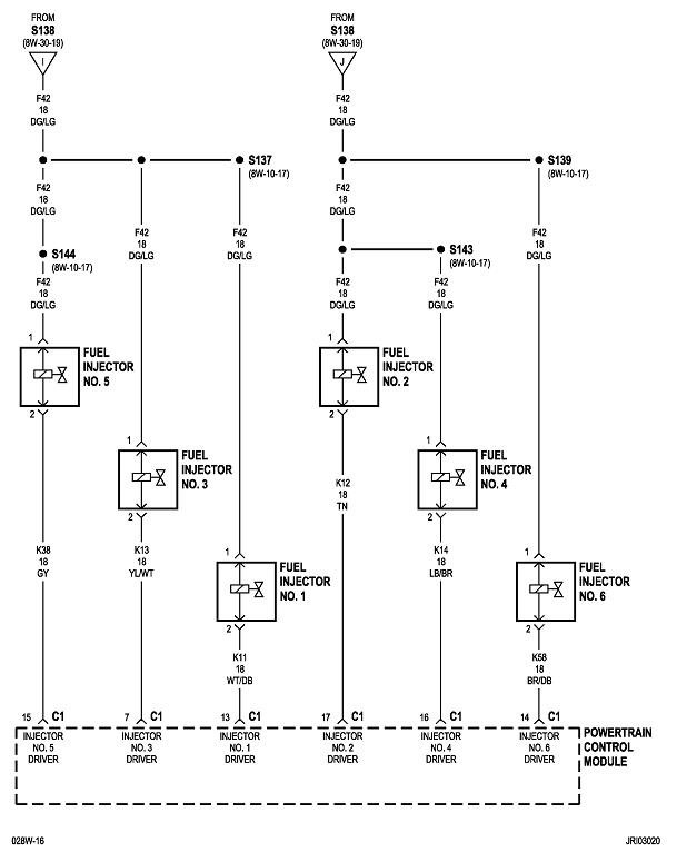
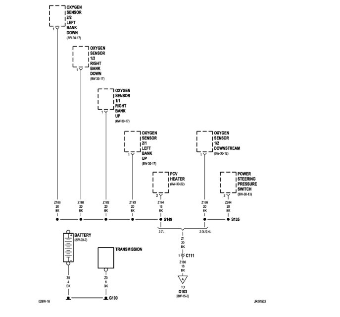
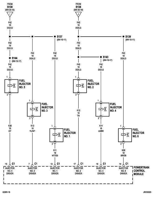
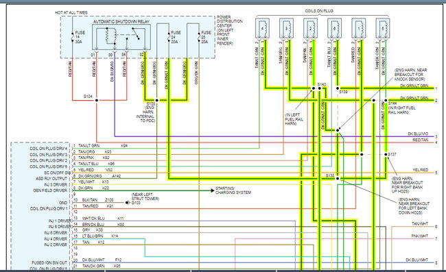
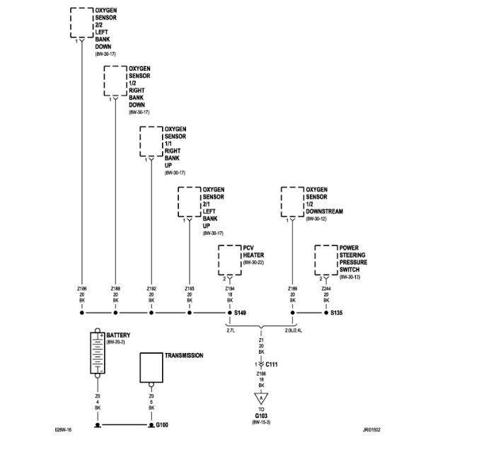
Here are the wiring diagrams with the positive wires to the Coil On Plugs[COP][s] and fuel injectors and the capacitors highlighted for you in the diagrams down below. I hope this helps.

Thanks,
Alex
2CarPros
Was this
answer
helpful?
Yes
No
Friday, November 15th, 2019 AT 1:32 AM
Tiny
DSTONEN
  • MEMBER
  • 85 POSTS
Can I bug you one more time? Could you show me the grounds there is a green with black stripe and I have it grounded to the valve cover. Just want to make sure it is right. Thank you
Was this
answer
helpful?
Yes
No
Friday, November 15th, 2019 AT 10:52 AM
Tiny
SCGRANTURISMO
  • MECHANIC
  • 4,897 POSTS
Hello again,

Where is the wire originating from? If you know.

Thanks,
Alex
2CarPros
Was this
answer
helpful?
Yes
No
Friday, November 15th, 2019 AT 11:00 PM
Tiny
DSTONEN
  • MEMBER
  • 85 POSTS
I don't. It is rapped up with a bunch of other wires. I am trying to find the ground that go onto the valve covers for this car. I am thinking it is a ground. I don't see it on the hot wire diagram you showed me. Is there a ground diagram?
Was this
answer
helpful?
Yes
No
Saturday, November 16th, 2019 AT 12:38 PM
Tiny
DSTONEN
  • MEMBER
  • 85 POSTS
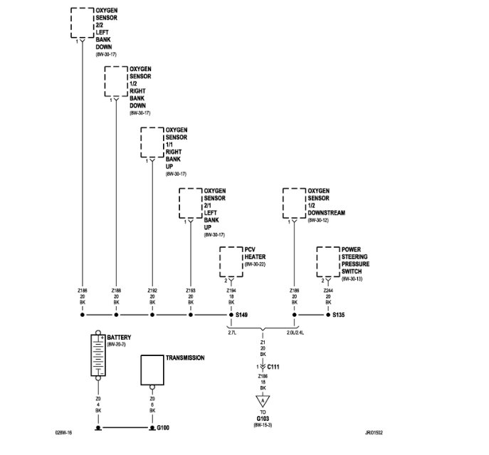
It seems like from your diagram that the black with dark green strip is coming from the power train control module to the oxygen sensor. I grounded it thinking it was a ground wire then I cut it just to see a difference. Still wont start.
Was this
answer
helpful?
Yes
No
Saturday, November 16th, 2019 AT 3:43 PM
Tiny
SCGRANTURISMO
  • MECHANIC
  • 4,897 POSTS
Hello again,

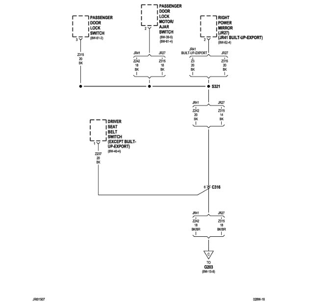
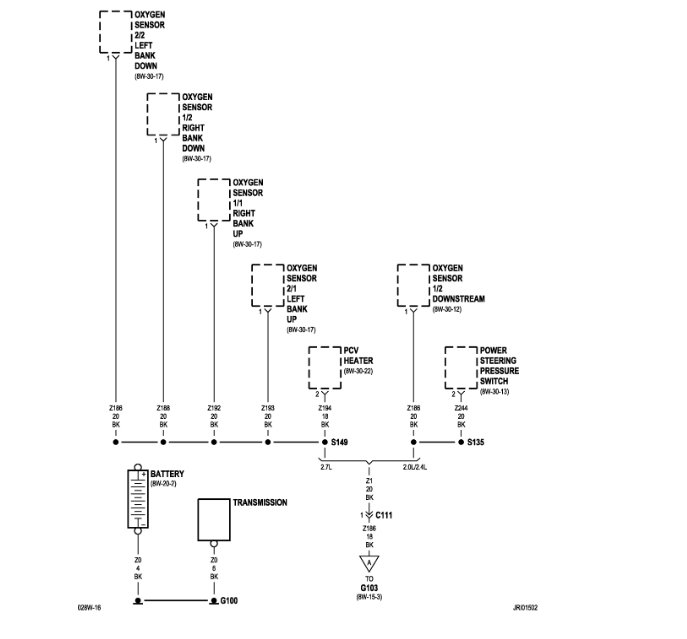
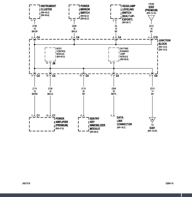
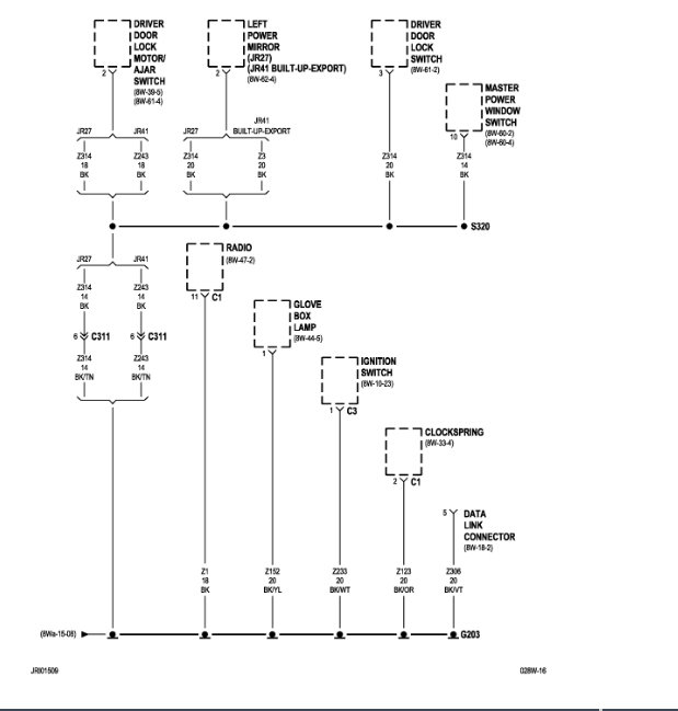
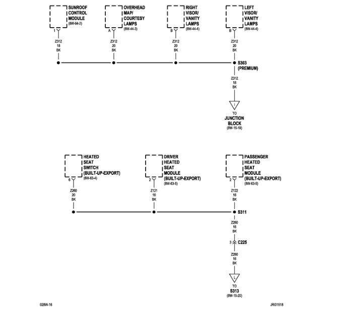
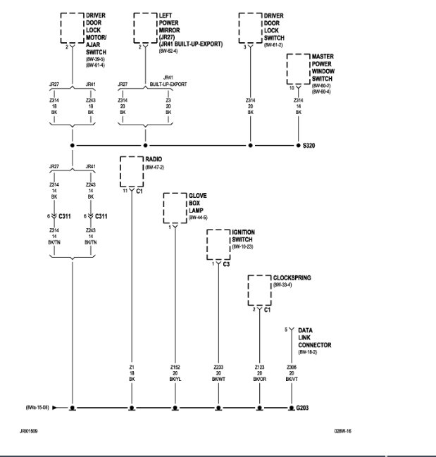
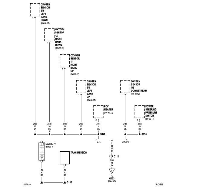
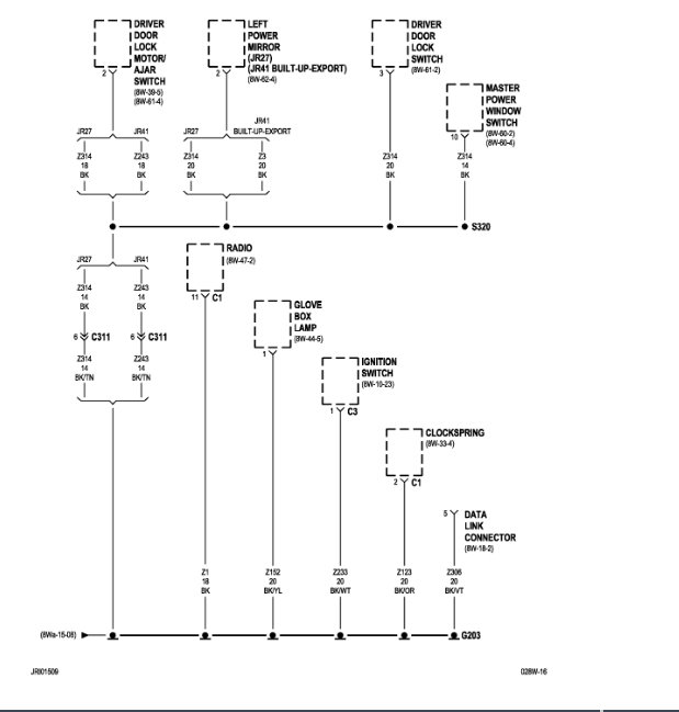
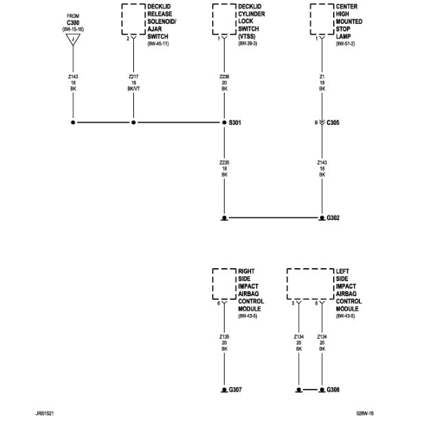
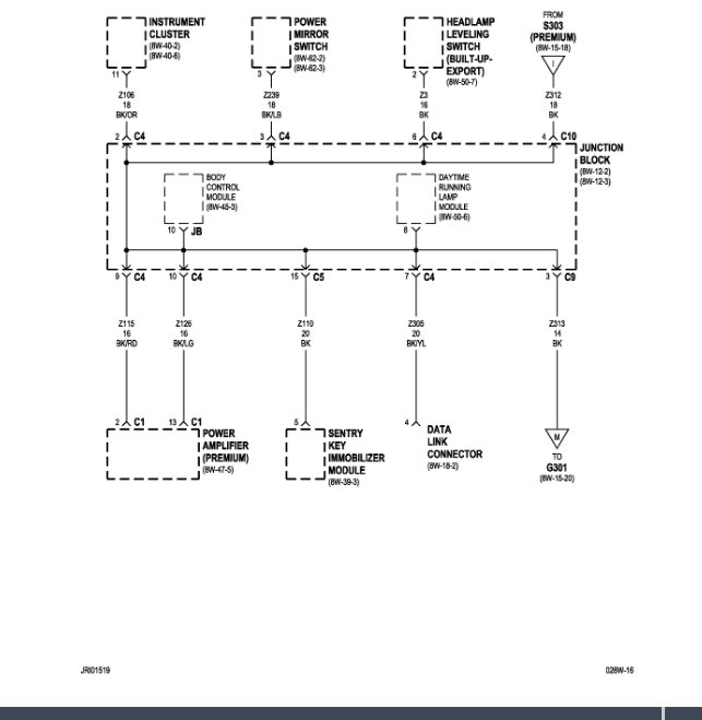
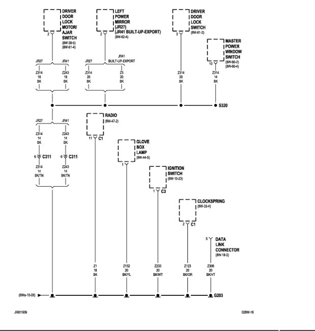
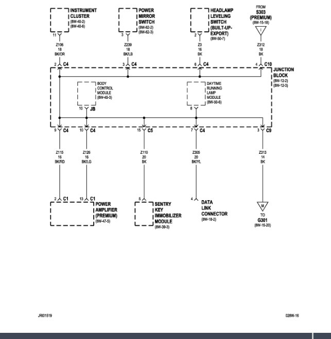
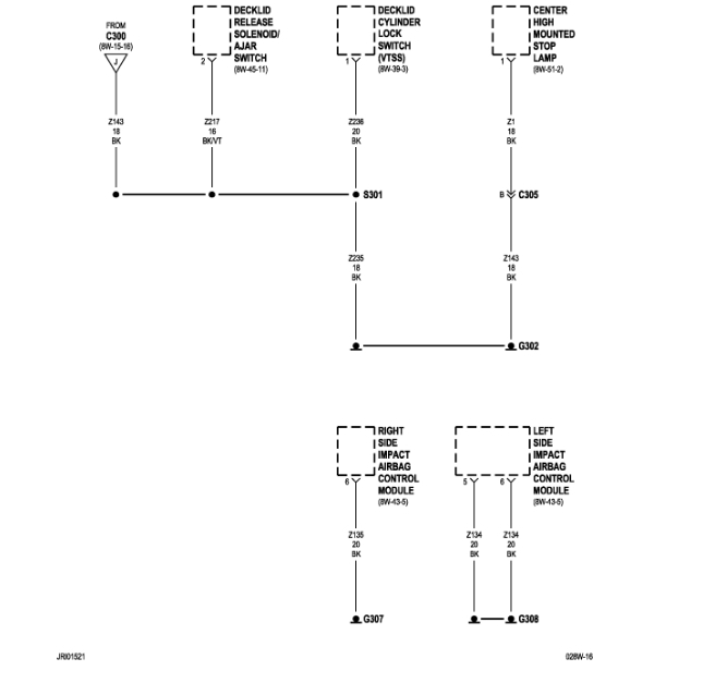
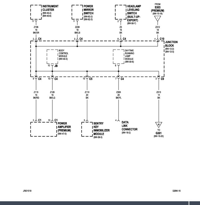
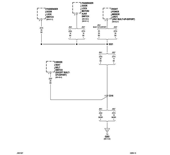
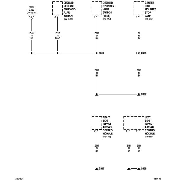
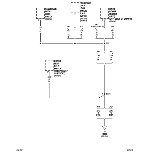
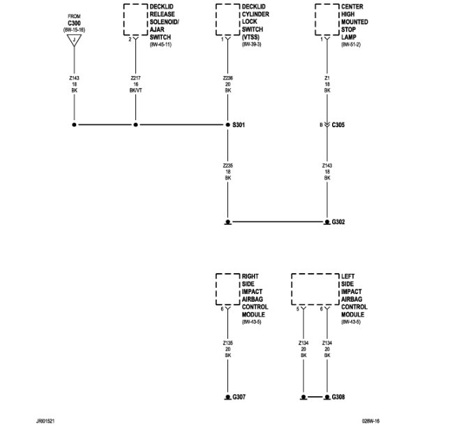
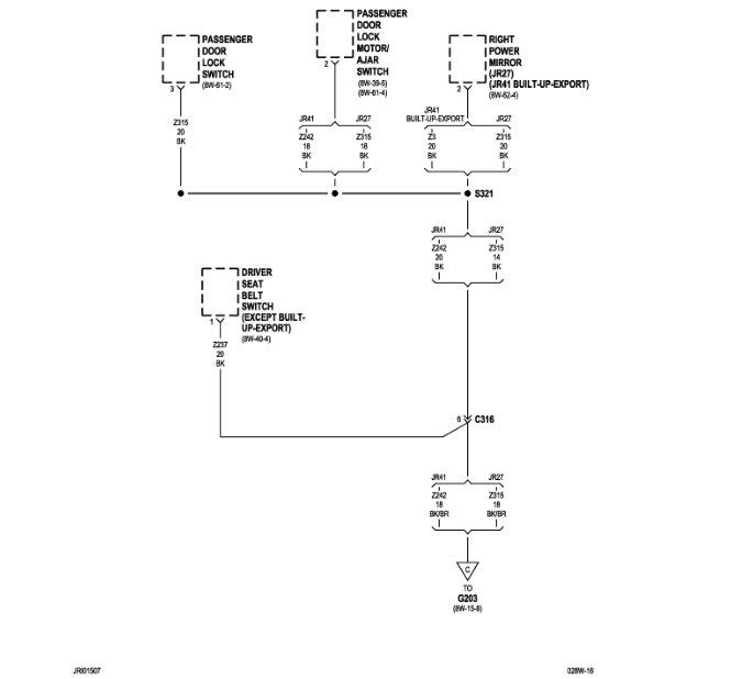
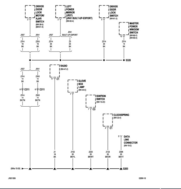
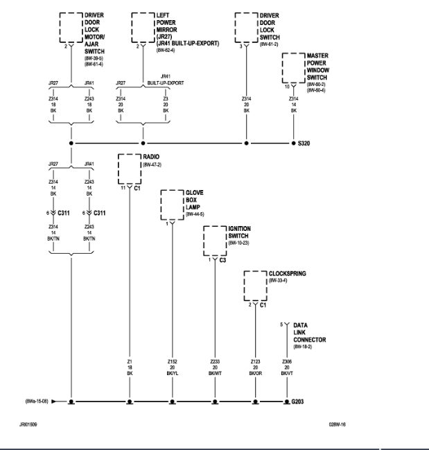
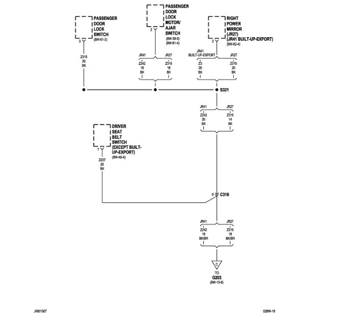
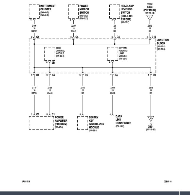
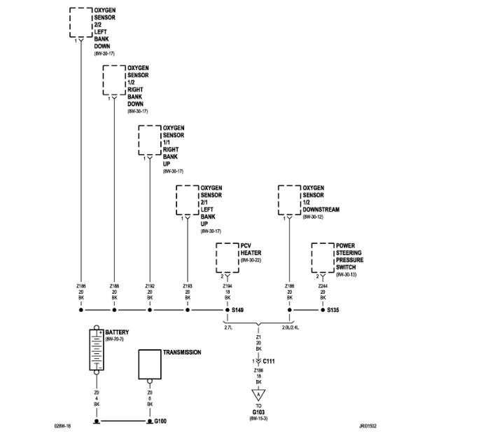
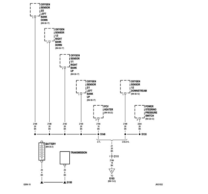
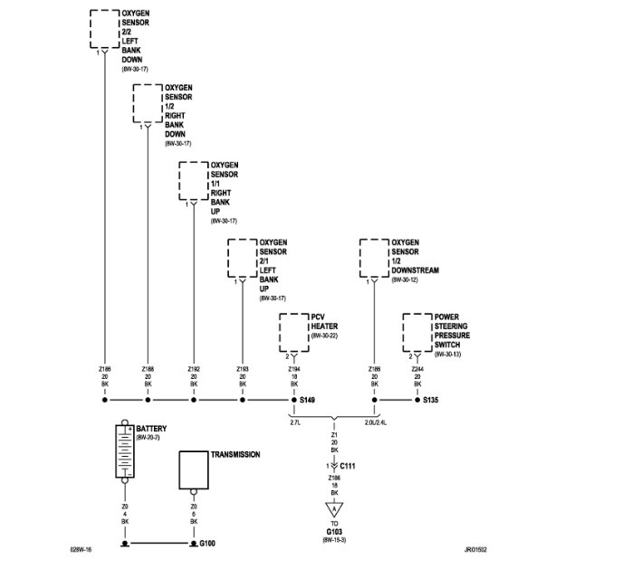
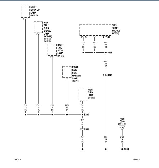
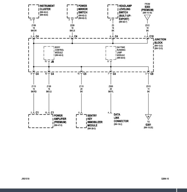
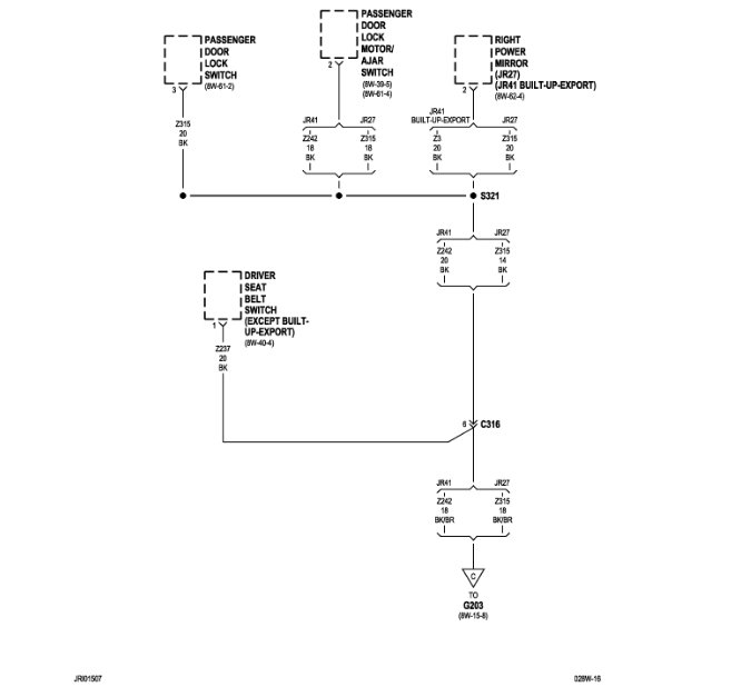
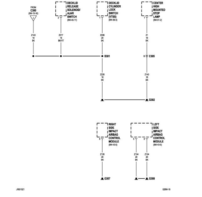
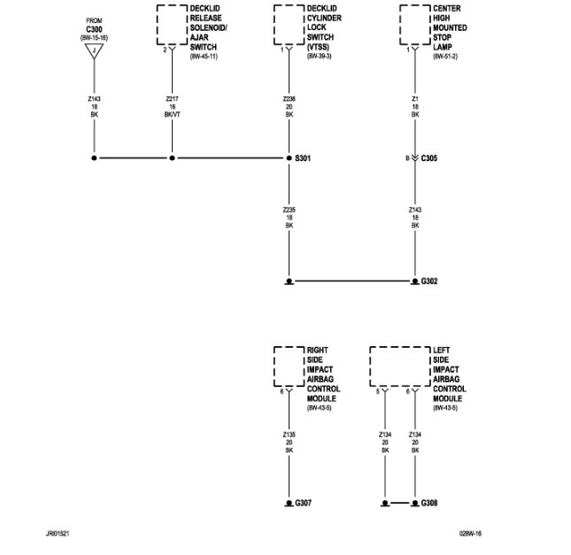
Okay, in the diagrams down below I have sent the entire set of ground distribution wiring diagrams from the vehicle manufacturer. I hope that this helps.

Thanks,
Alex
2CarPros
Was this
answer
helpful?
Yes
No
Saturday, November 16th, 2019 AT 7:10 PM
Tiny
DSTONEN
  • MEMBER
  • 85 POSTS
Thanks Alex. I am so grateful for your help.
Was this
answer
helpful?
Yes
No
Saturday, November 16th, 2019 AT 8:31 PM
Tiny
DSTONEN
  • MEMBER
  • 85 POSTS
Alex I have tor the car down took valves off an changed cam sensor after looking at so many videos seems like I am not getting any power to fuse 25, 24 from auto shut down the auto shut down is working. I used test light also swapped fuses the relay is good but when I turn key an test b24, 25 no power at all.
Was this
answer
helpful?
Yes
No
Sunday, November 17th, 2019 AT 4:37 PM

Please login or register to post a reply.