Turn signal indicator flashing fast?

2015 CHEVROLET SILVERADO
70,000 MILES • 6.6L • V8 • TURBO • 4WD • AUTOMATIC
Avatar
ROD MITCHELL
  • MEMBER
  • 1 POST
Left Hand Rear Indicator flashes 3 times normal then flashes fast although bulb is working changed bulb and control module still have the problem.
Apr 2, 2023 at 6:51 PM
Repair Safety Notice: This information is for general instructional purposes only. Vehicle repair can be dangerous. Verify all information, follow manufacturer service procedures, use proper tools and safety equipment, and consult a qualified repair shop when needed.
Advertisement
Avatar
STRAILER
  • CAR REPAIR CONTRIBUTOR
  • 54,191 POSTS
It sounds like you have a bad ground or a bad instrument cluster. Have you done a CAN scan to see what comes up? These guides will help. You can get a CAN scanner (Controller Area Network) from Amazon.

Here is a video to show you how:

https://youtu.be/u-4syLc-ifQ

and

https://www.2carpros.com/articles/can-scan-controller-area-network-easy

Here is one for about $99.00 if you need it:

https://amzn.to/3ZixY4v

When you say you changed the module is that the BCM? Also, I would carefully inspect the bulb sockets and ensure the correct bulb is installed. If that seems of here is a guide to help you check the grounds and power sources, also please recheck the fuses with the system on.

https://www.2carpros.com/articles/how-to-check-a-car-fuse

and

https://www.2carpros.com/articles/how-to-check-wiring

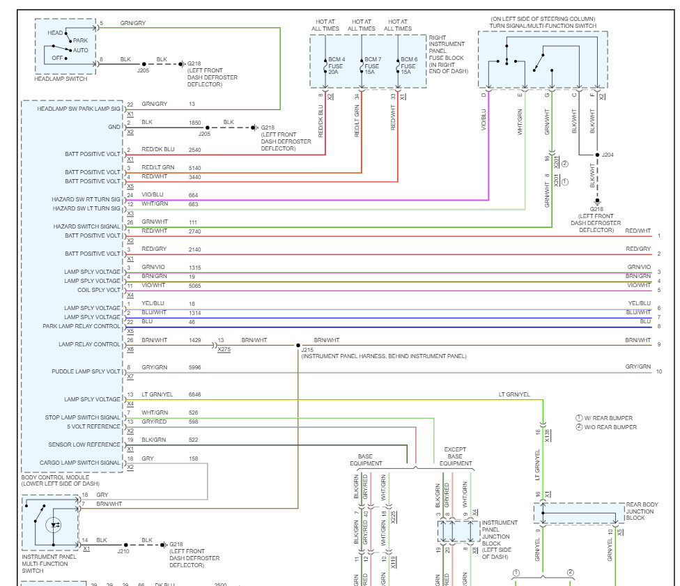
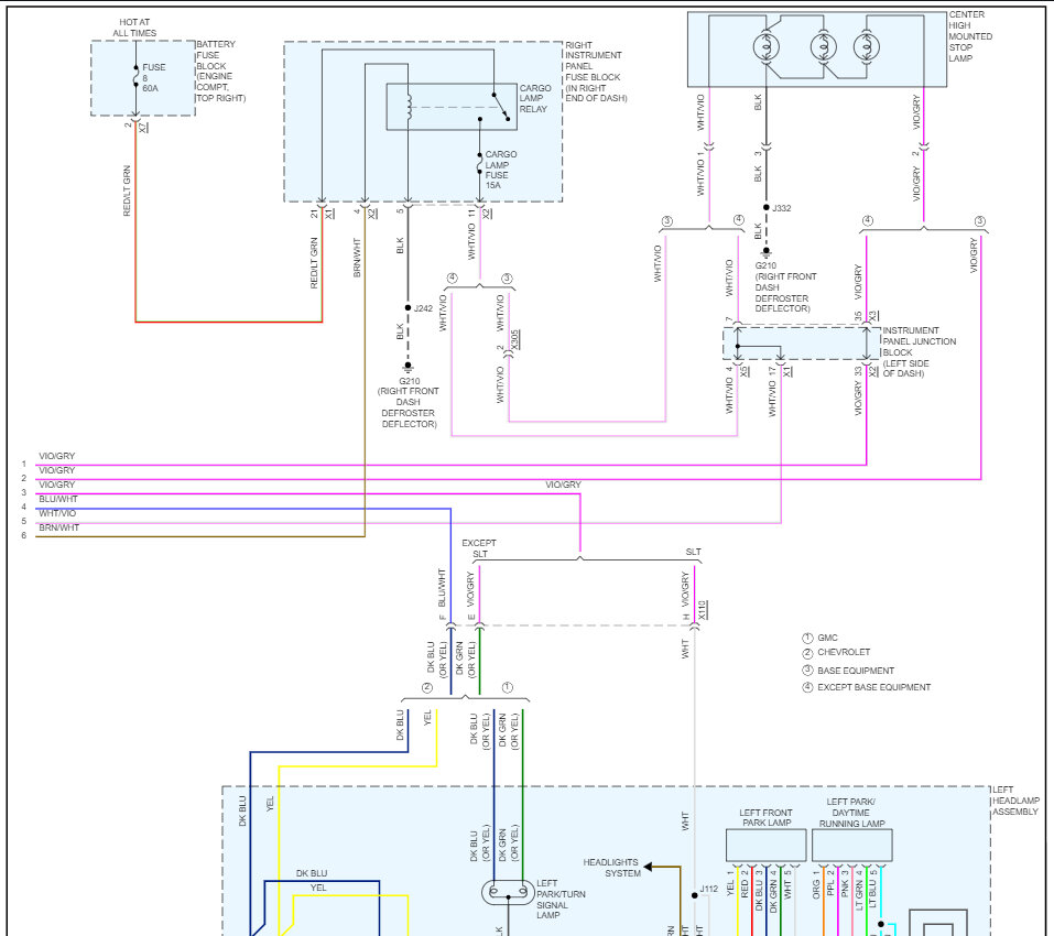
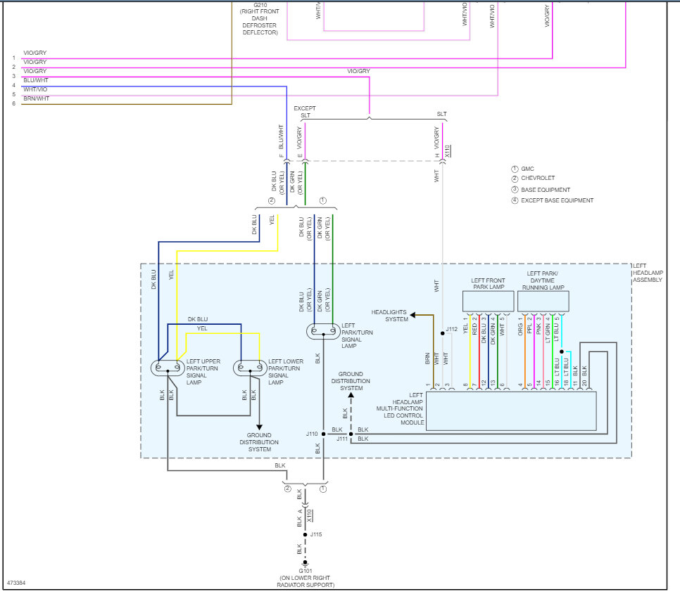
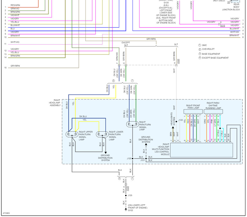
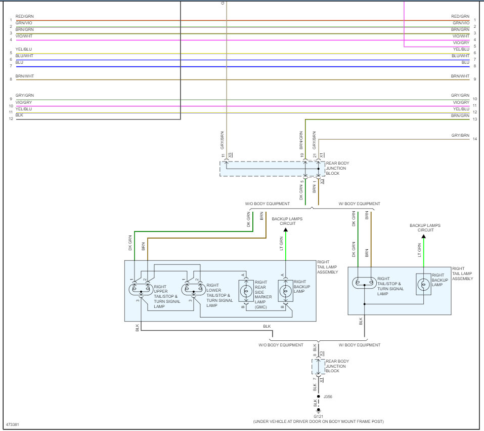
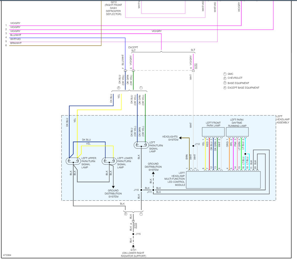
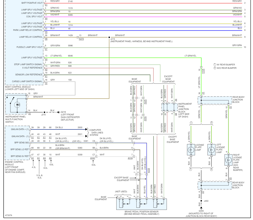
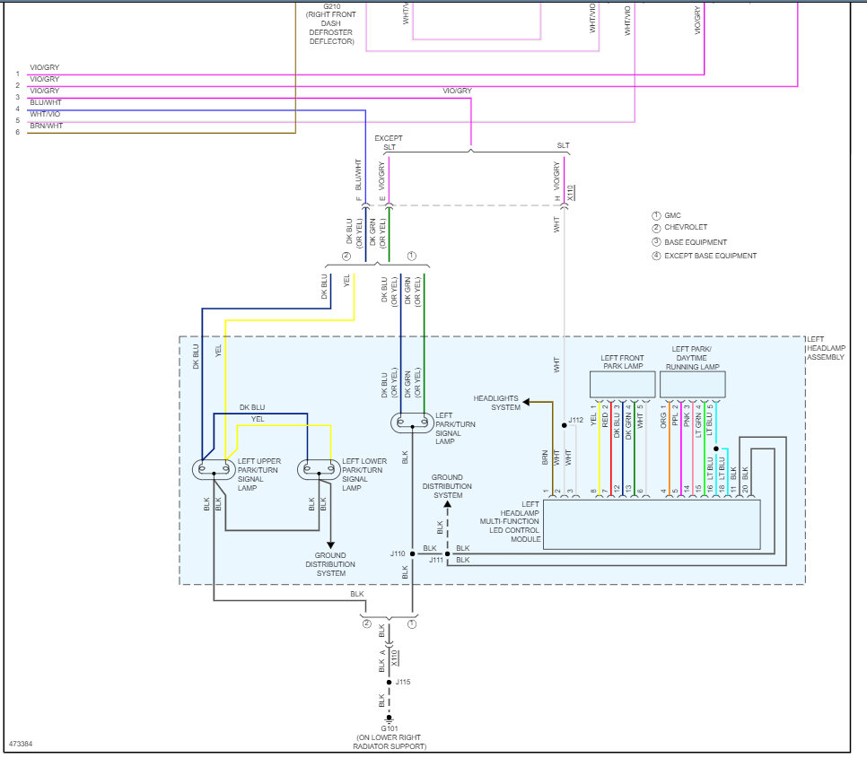
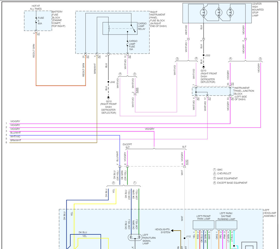
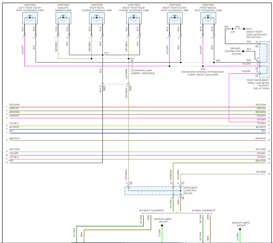
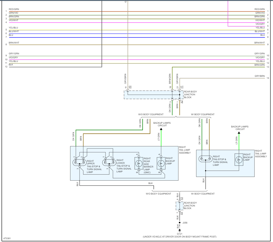
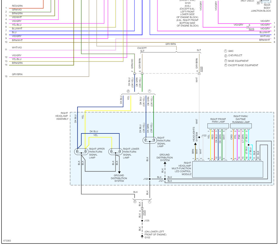
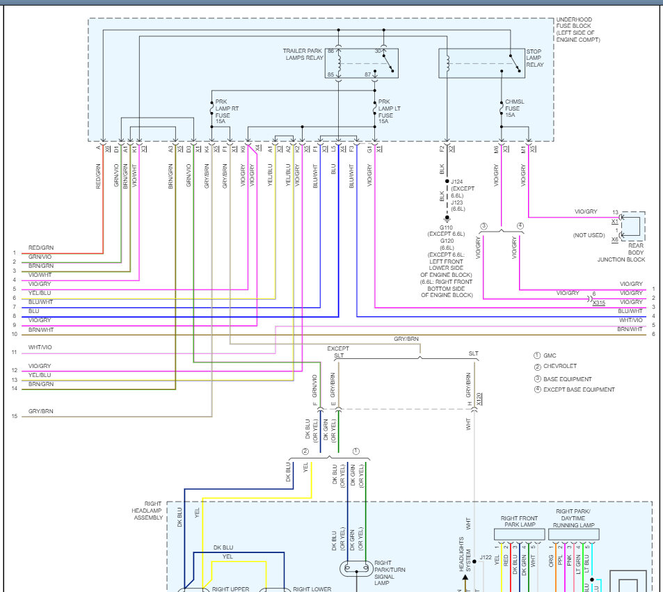
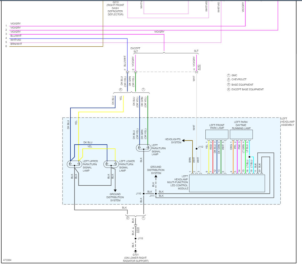
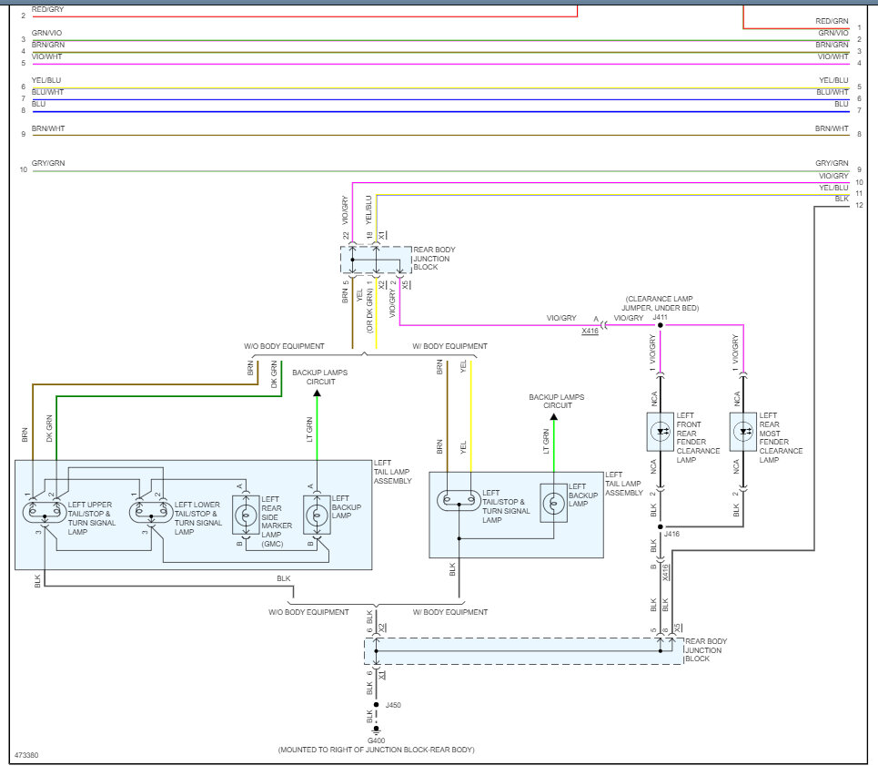
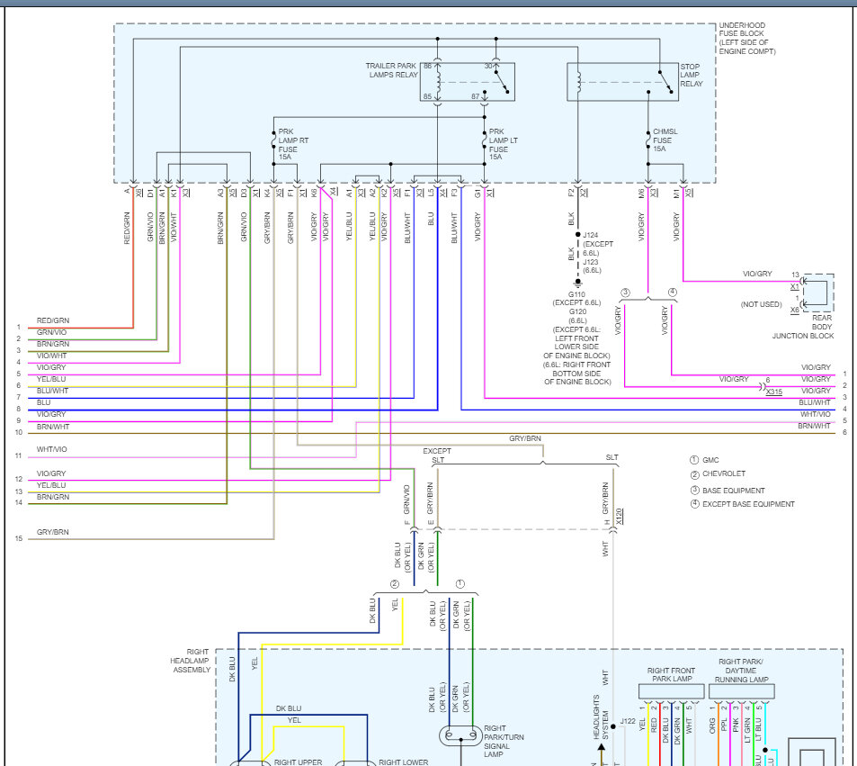
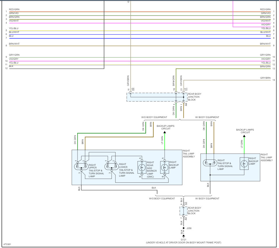
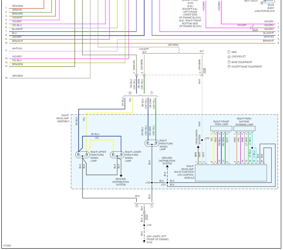
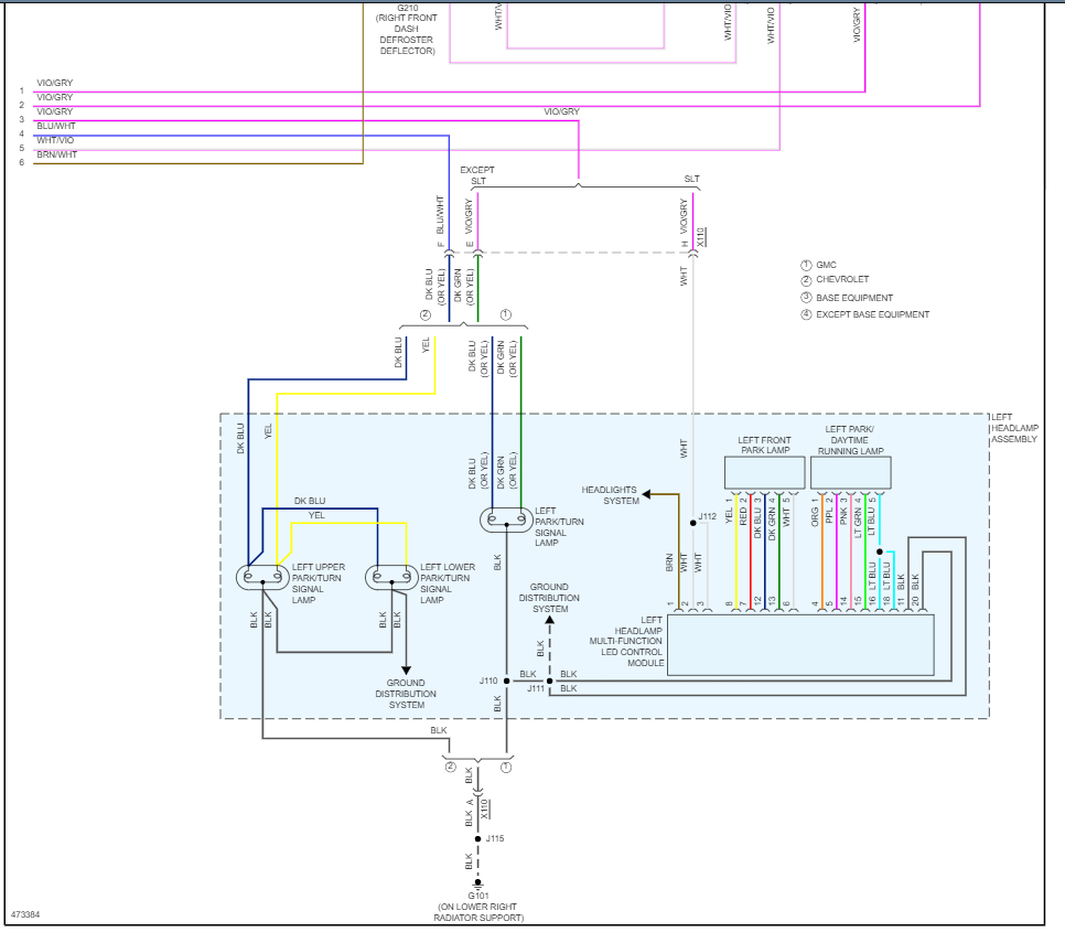
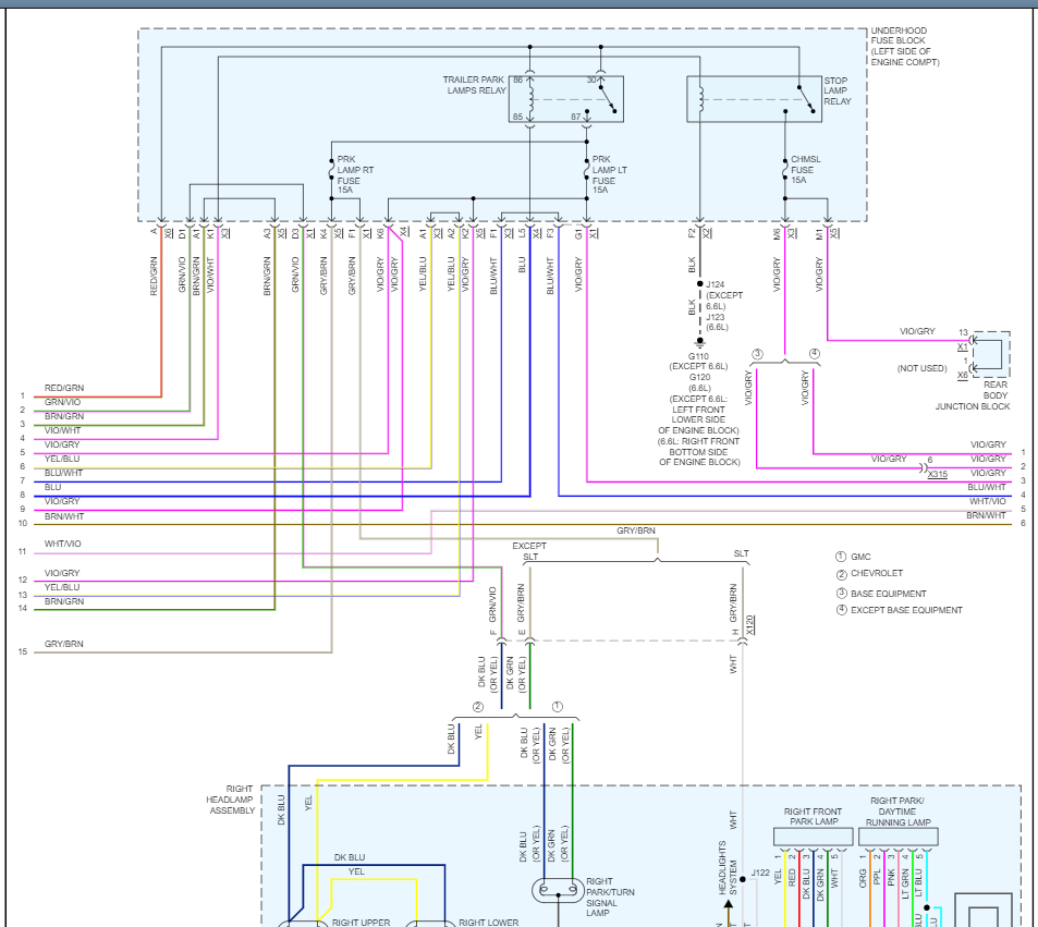
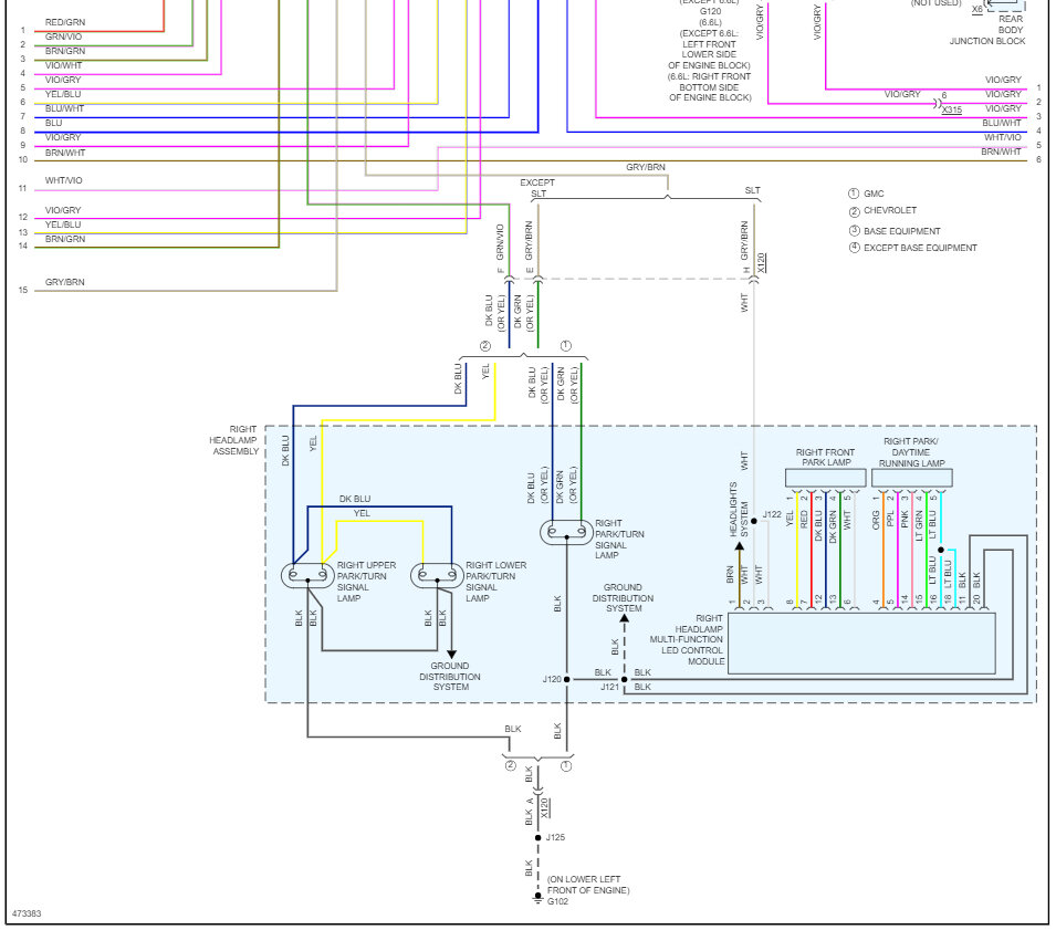
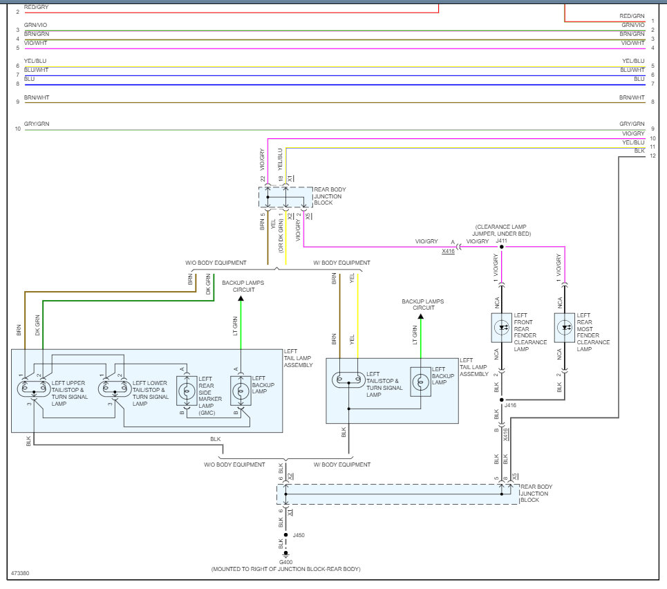
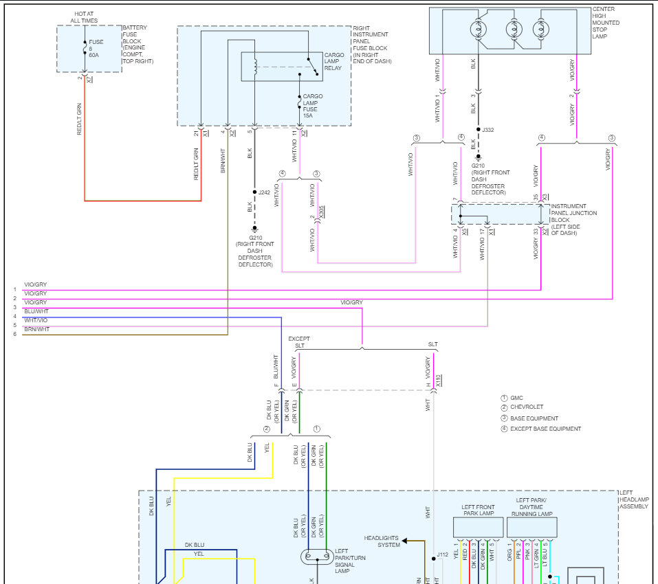
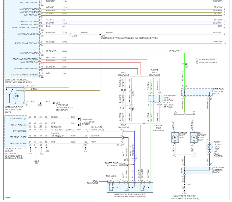
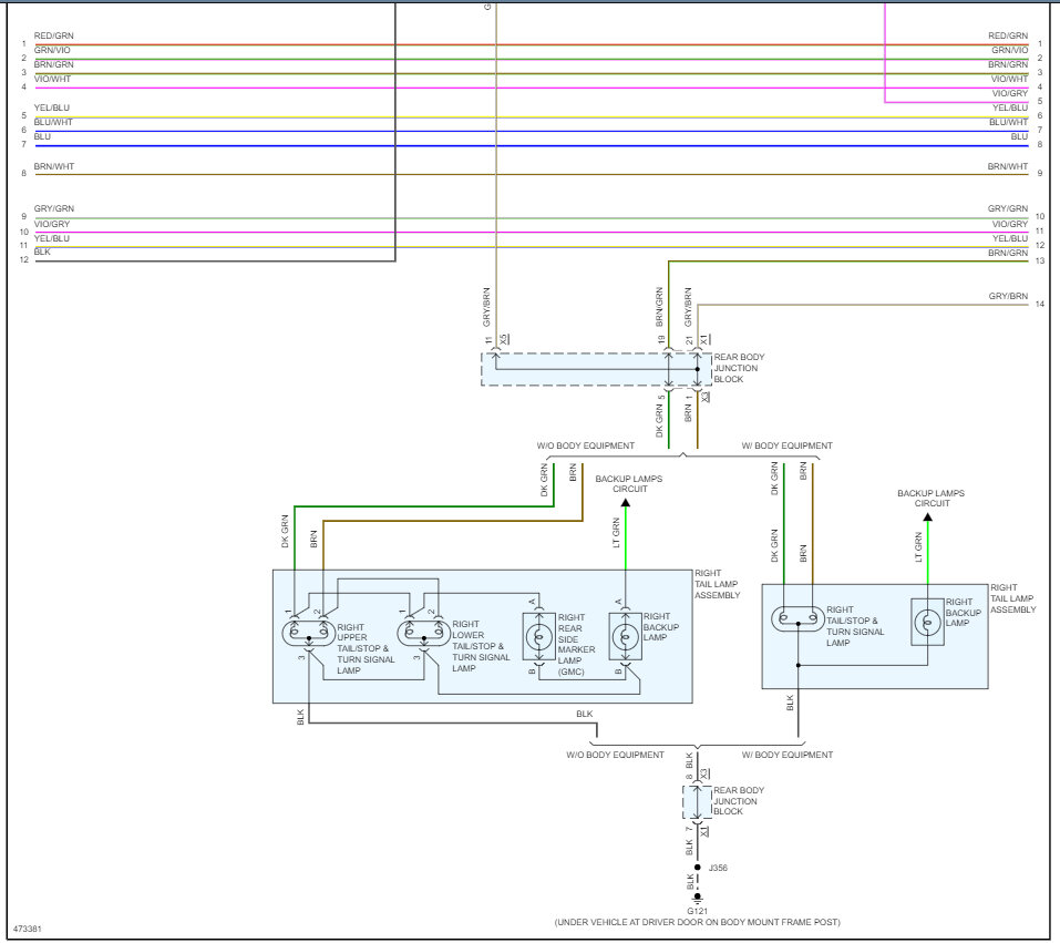
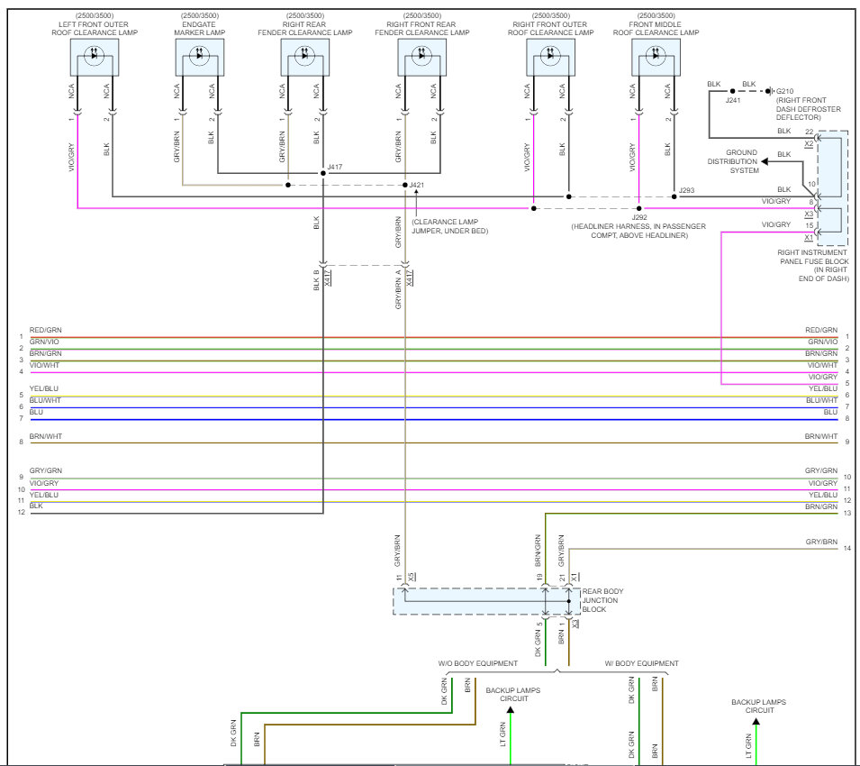
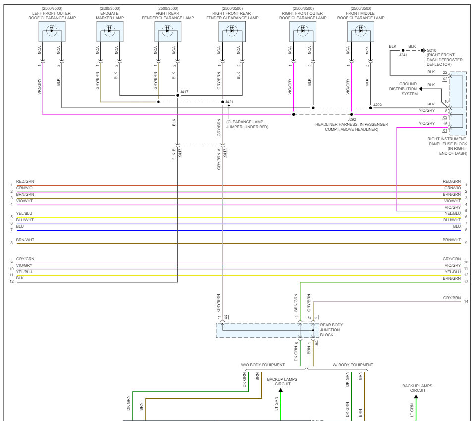
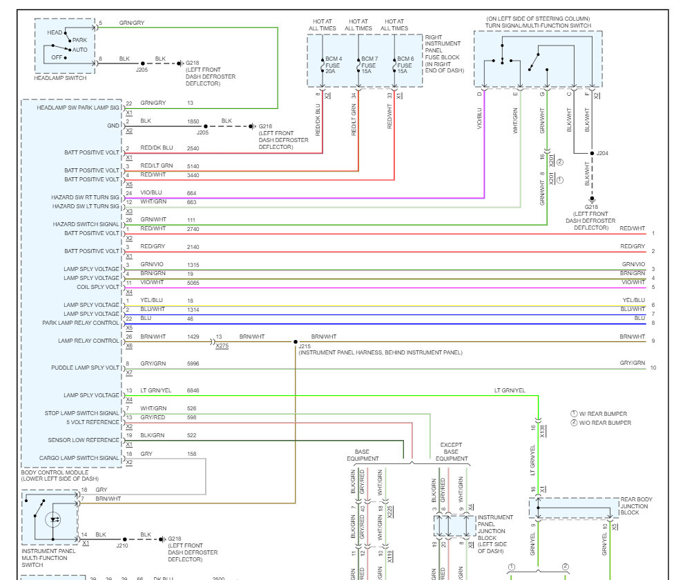
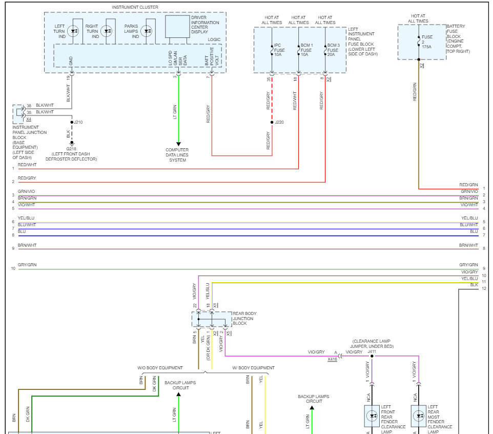
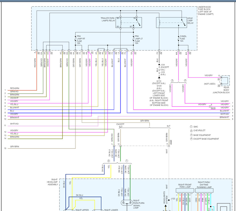
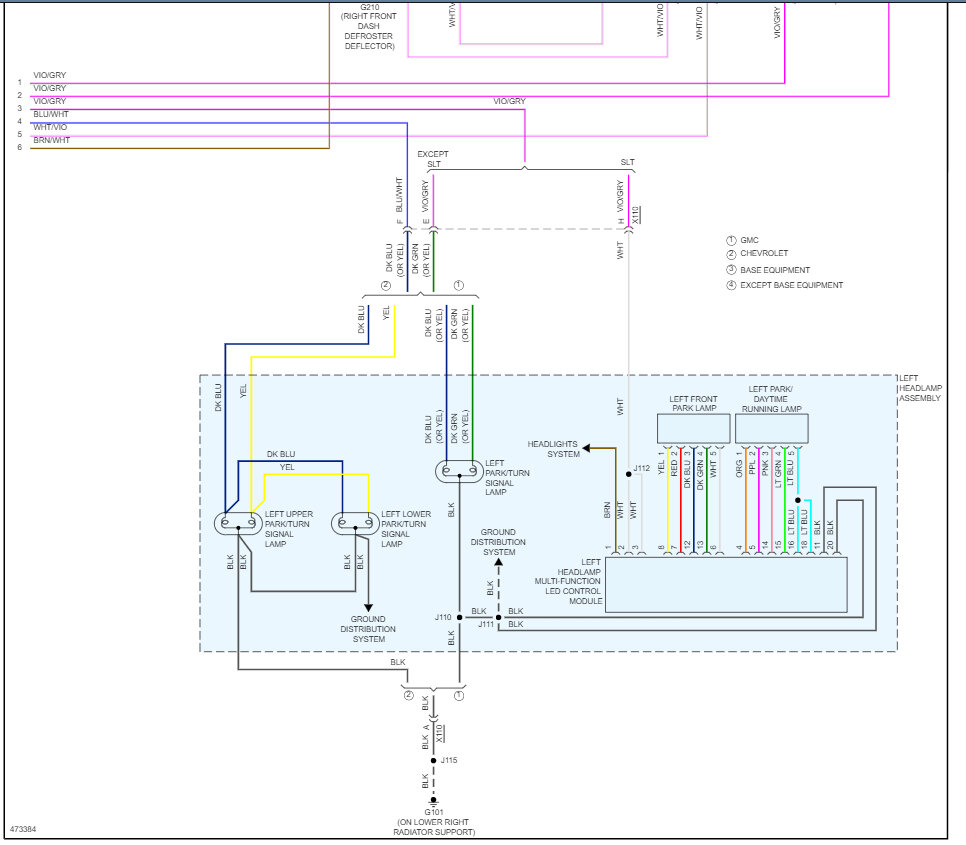
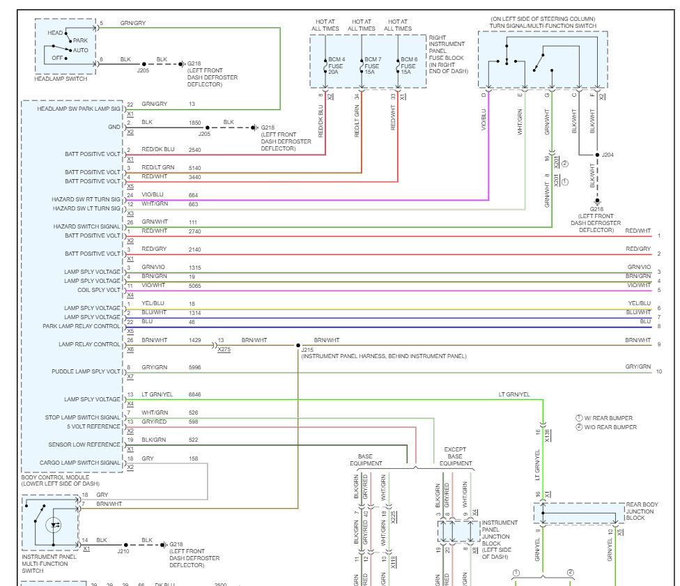
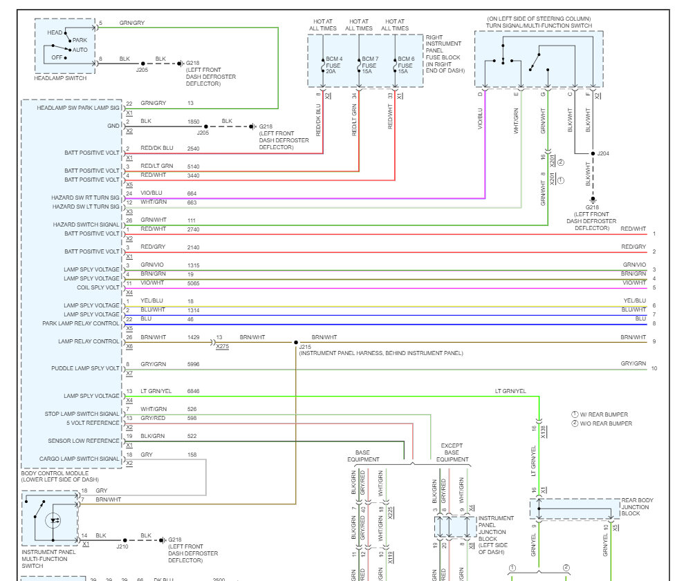
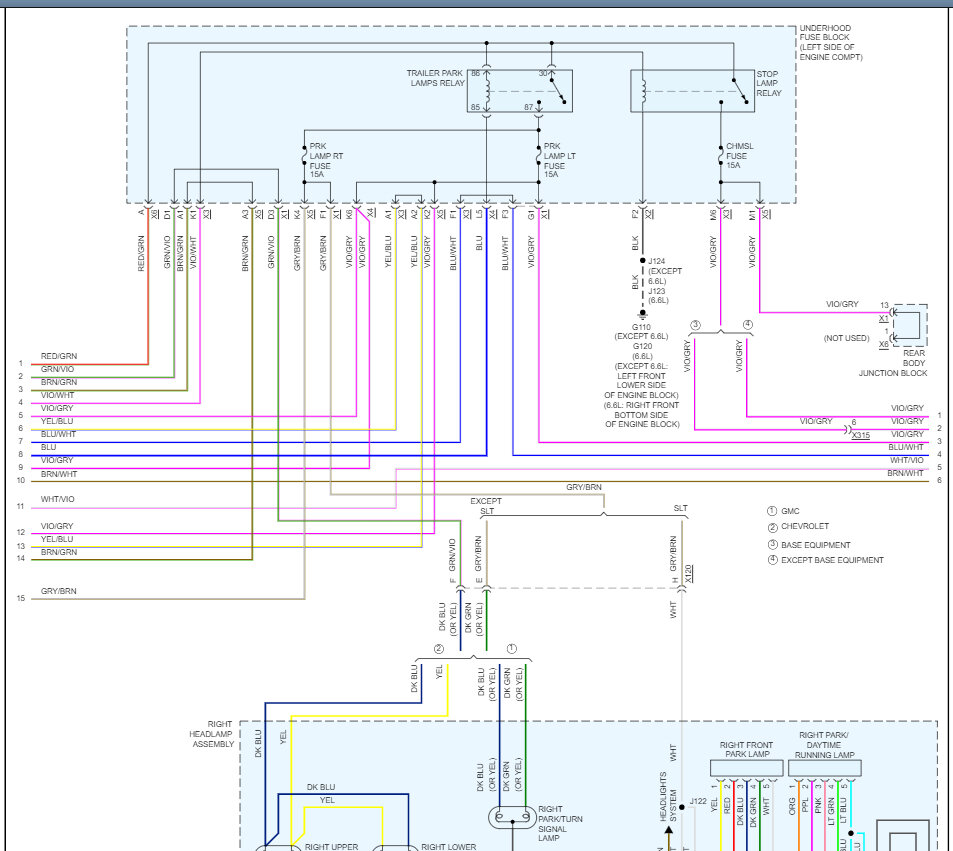
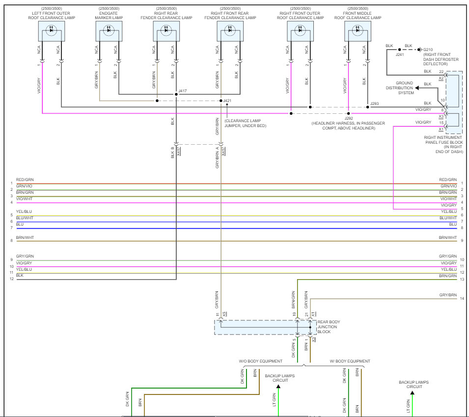
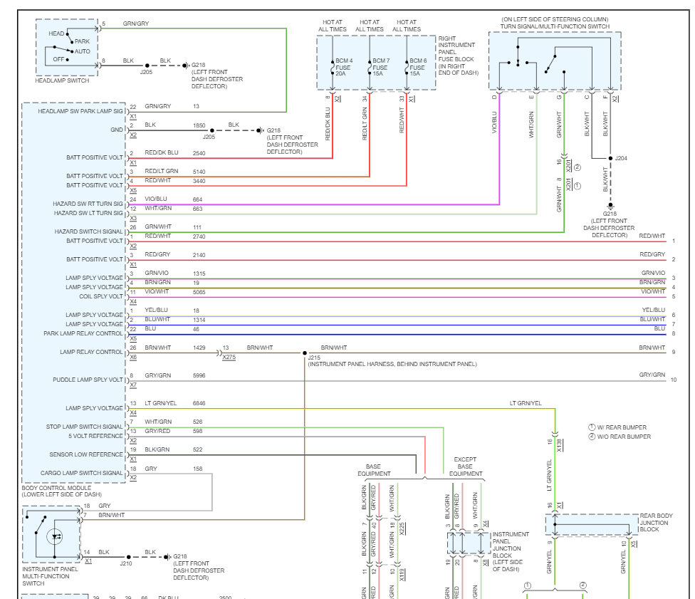
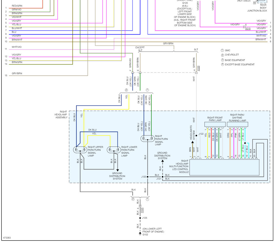
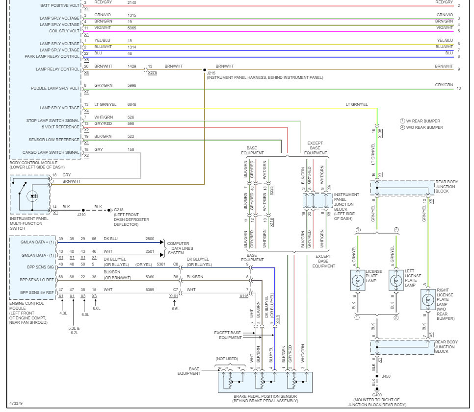
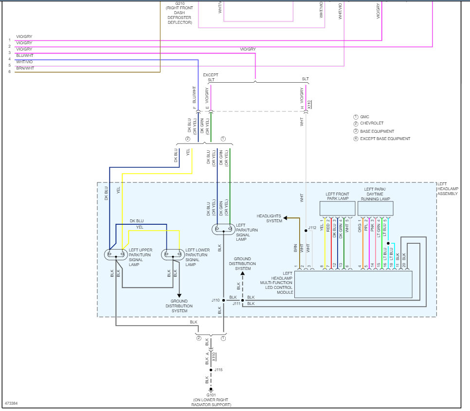
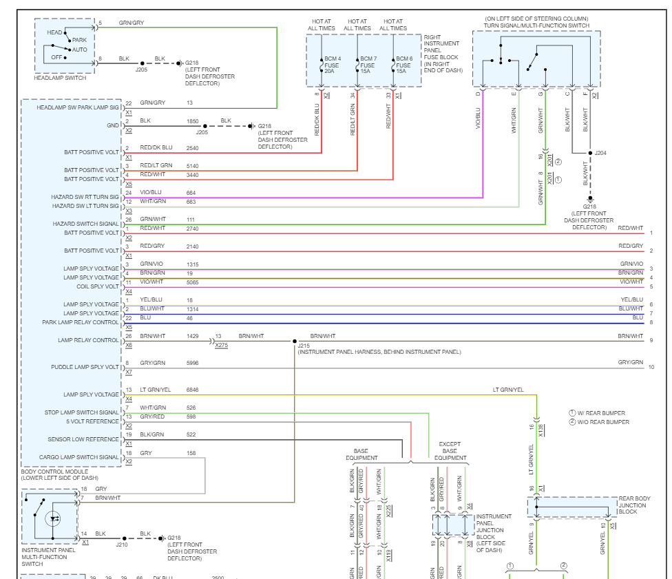
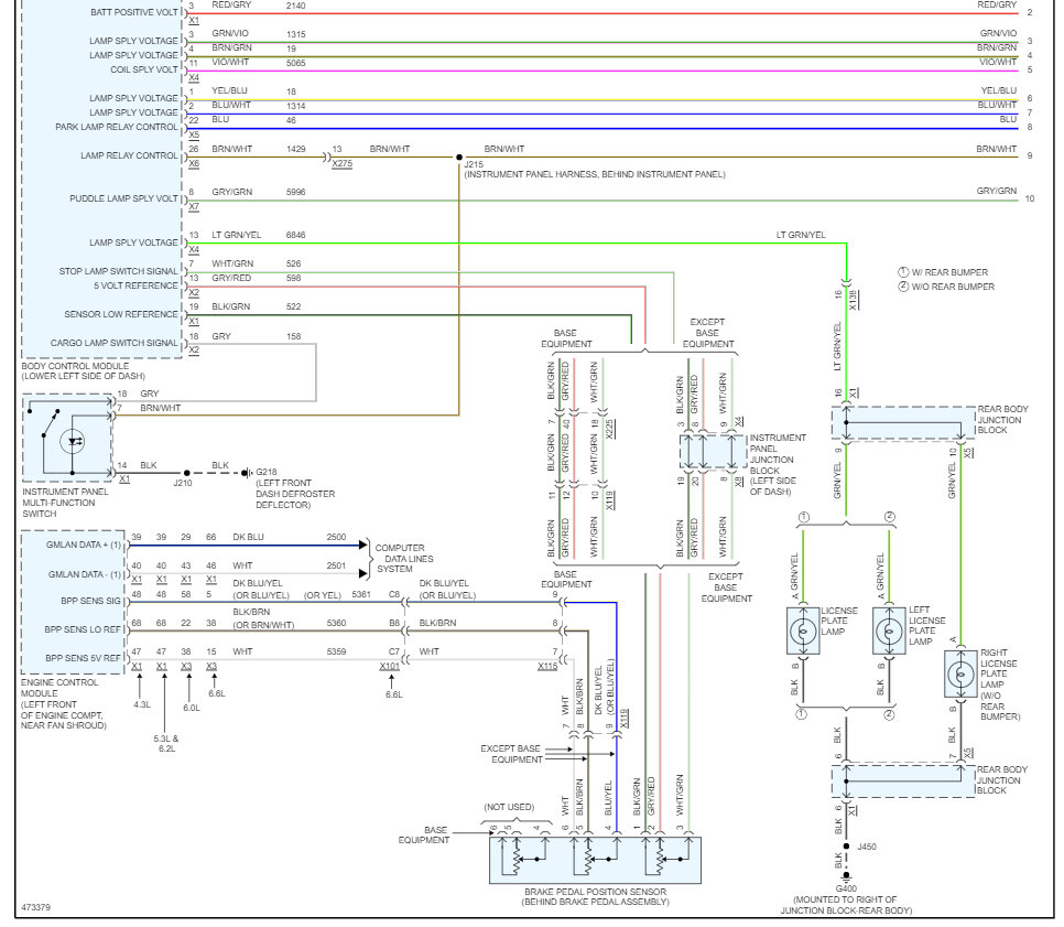
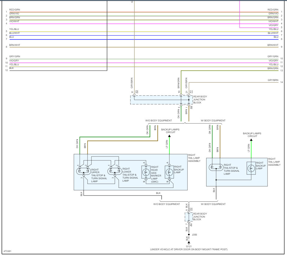
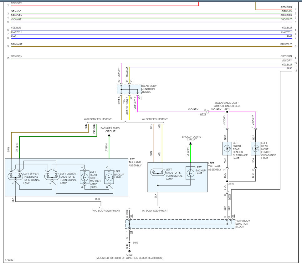
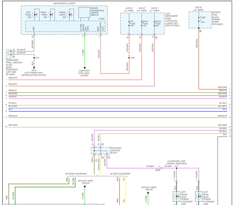
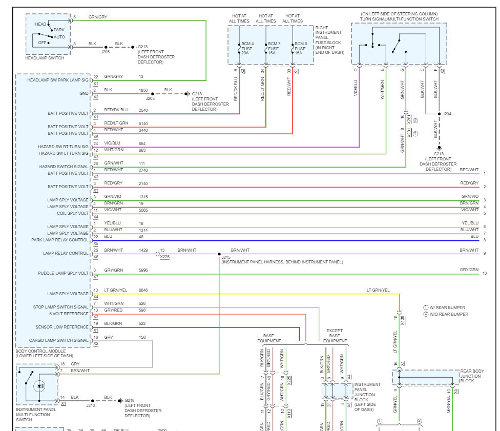
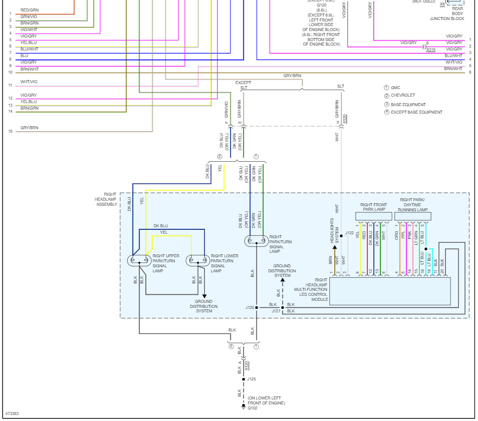
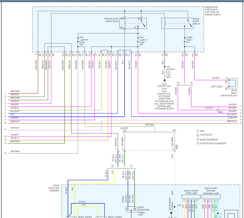
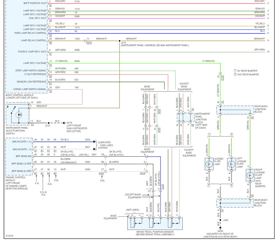
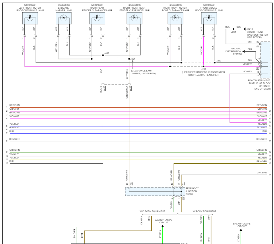
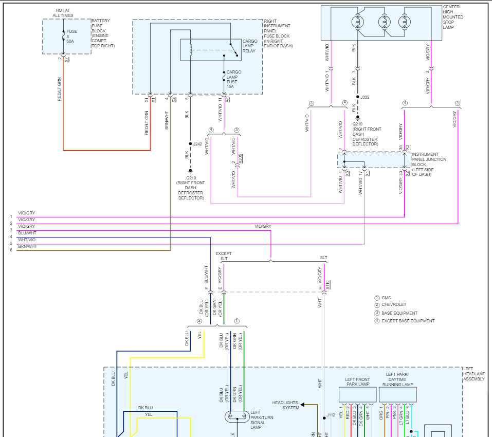
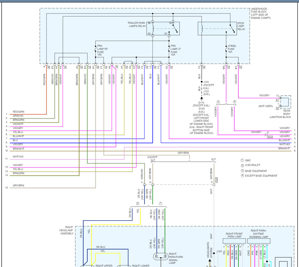
Here are the blinker wiring diagrams in the images below so you can check it out and see how the system works. Check out the images (below). Please let us know what you find. We are interested to see what it is.

Apr 3, 2023 at 11:21 AM
Advertisement