My car is listed above without climate control.
I have a problem with door actuators.
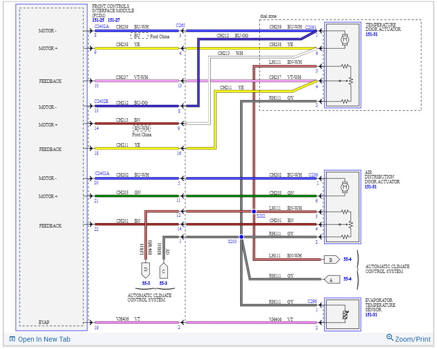
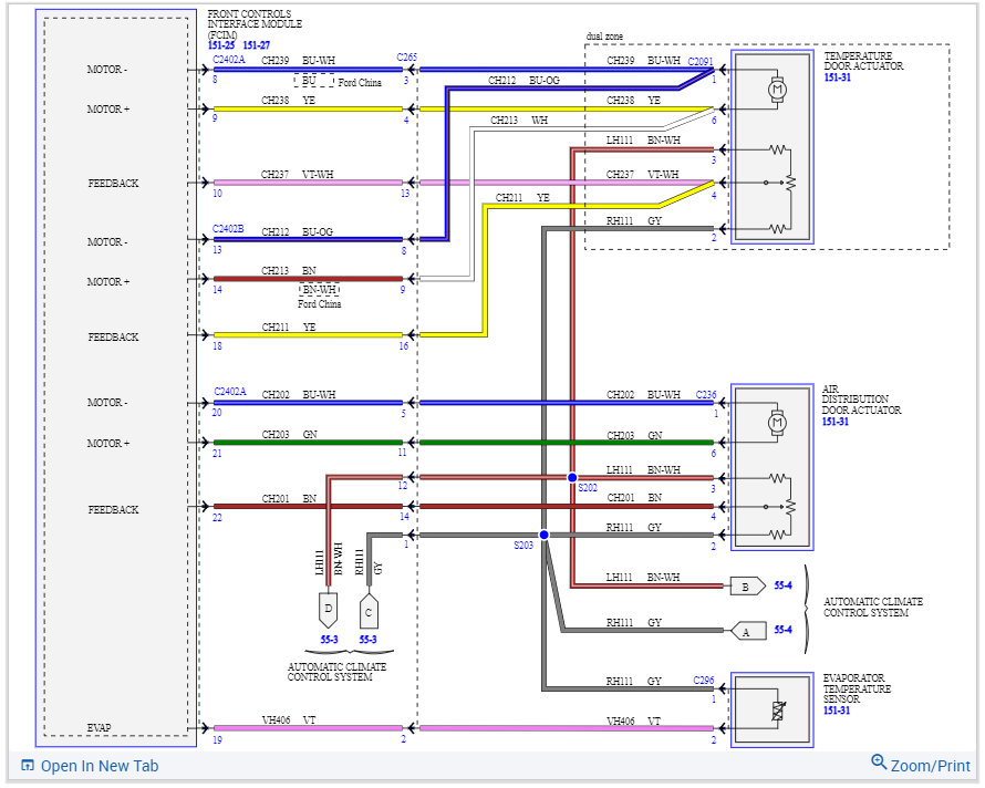
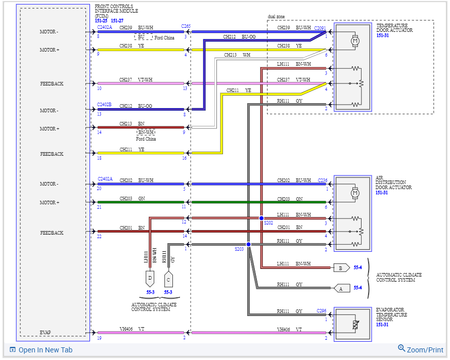
The first problem is with Defrost/Panel/Floor mode door actuator. The floor mode doesn't work. I changed this actuator, but the problem isn't fixed.
The second problem with the Temperature Blend Door Actuator. The actuator works only for heating (max temperature) or for cooling (min temperature). For example: when I'm trying to change the heating position on the middle of heating, I'm steel having max temperature (actuator doesn't change the position). The same is for cooling. Changed this actuator also, but without changes. Maybe there is some way to reset the actuators settings or something else?
If you need additional information, I can attach a video a bit later.
Maybe the problem is with resistor?
Tuesday, December 21st, 2021 AT 1:55 PM


