Location of the A/C heater blend door actuator?

Tiny
SILOKOJAK
  • MEMBER
  • 2011 FORD FUSION
  • 2.6L
  • 4 CYL
  • FWD
  • AUTOMATIC
  • 135,000 MILES
Can you please tell me where the A/C heater blend door actuator is on my car? It is the SE model? Would you also have an illustration of the area? I would really appreciate it. Single zone. Thanks,

Dean
Friday, June 16th, 2017 AT 3:58 PM

14 Replies

Tiny
MHPAUTOS
  • MECHANIC
  • 31,937 POSTS
Located left hand side of heater box here is a guide to help you see what you are in for when doing the job with the location of the blend door actuators below.

https://www.2carpros.com/articles/replace-blend-door-motor

Check out the diagrams (Below). Please let us know if you need anything else to get the problem fixed.
Was this
answer
helpful?
Yes
No
+5
Saturday, June 17th, 2017 AT 7:13 AM
Tiny
SILOKOJAK
  • MEMBER
  • 3 POSTS
Hello, thank you for the information. Is the location of the heater box near the radio? If so, does it show what and how to remove the parts needed to get to this A/C heater blend door actuator?
Was this
answer
helpful?
Yes
No
+10
Saturday, June 17th, 2017 AT 8:06 AM
Tiny
KEN L
  • MASTER CERTIFIED MECHANIC
  • 55,383 POSTS
Hello,

You to start removing lower dash covers and then use a flashlight to locate the actuator. Some spot are a little tight use 1/4 drive tools to remove the actuators.

Let us know what happens and please upload pictures or videos of the problem.

Cheers, Ken
Was this
answer
helpful?
Yes
No
+1
Monday, June 19th, 2017 AT 11:24 AM
Tiny
GEORATOFAMILY
  • MEMBER
  • 3 POSTS
  • 2010 FORD FUSION
  • 3.0L
  • 6 CYL
  • 2WD
  • AUTOMATIC
  • 175,000 MILES
I replaced the blend door actuator because the AC would randomly go from cold to hot and then stay there. Same with just the vent and no AC. The new actuator (Dorman) cycles from hot to cold twice when the temp controls are turned on and then stops on hot. Any ideas?
Was this
answer
helpful?
Yes
No
Wednesday, October 14th, 2020 AT 12:51 PM (Merged)
Tiny
KEN L
  • MASTER CERTIFIED MECHANIC
  • 55,383 POSTS
Yes, I believe you need to have the part initialized before it will work. This will cost about $130.00 at a shop to have done.

Here are the instructions and diagrams below:

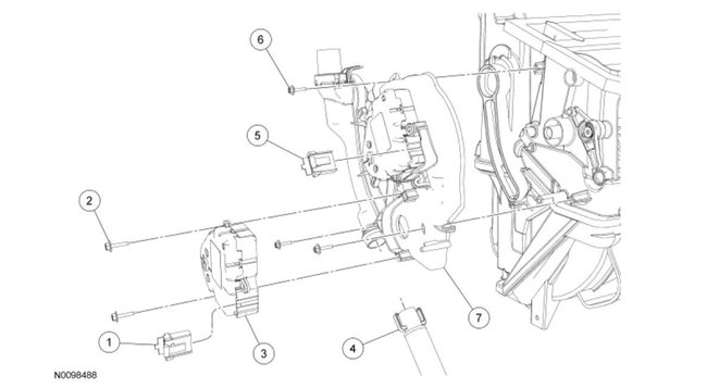
Removal and Installation

1. Remove the instrument panel. For additional information, refer to Instrument Cluster / Carrier &/or Interior Moulding / Trim.

2. Disconnect the LH temperature blend door actuator electrical connector.

3. Remove the 2 LH temperature blend door actuator screws.

4. Remove the LH temperature blend door actuator.

5. Disconnect the in-vehicle temperature sensor aspirator hose connection.

6. Disconnect the DEFROST/PANEL/FLOOR mode door actuator electrical connector.

7. Remove the 3 DEFROST/PANEL/FLOOR mode door actuator and cam assembly screws.

8. Remove the DEFROST/PANEL/FLOOR mode door actuator and cam assembly.

9. To install, reverse the removal procedure.

10. NOTE: The purpose of the module actuator position calibration is to allow the HVAC module to reinitialize and calibrate the actuator stop points. To carry out calibration, carry out the following steps.

Remove the Smart Junction Box (SJB) fuse 15 for at least one minute. See: Power and Ground Distribution > Electrical > Power Distribution Diagrams

11. NOTE: When the ignition switch is switched to the ON position, the HVAC module will initialize and calibrate the actuators. Calibration of the actuators will take approximately 30 seconds.

Reinstall SJB fuse 15. Turn the ignition switch to the ON position and wait 30 seconds before verifying correct DEFROST/PANEL/FLOOR operation.

Check out the diagrams (below). Please let us know what you find.

Cheers, Ken
Was this
answer
helpful?
Yes
No
+1
Wednesday, October 14th, 2020 AT 12:51 PM (Merged)
Tiny
GEORATOFAMILY
  • MEMBER
  • 3 POSTS
Still got the same result. Actuator cycles from hot to cold twice and then stops on hot. Dealer claims it needs a "computer reprogramming" for $129.99. Any other ideas?
Was this
answer
helpful?
Yes
No
-1
Wednesday, October 14th, 2020 AT 12:51 PM (Merged)
Tiny
GEORATOFAMILY
  • MEMBER
  • 3 POSTS
Good news! No need for a $130.00 initialization. It helps to have the correct part. I bought the actuator for the air inlet not the temperature control. They look identical and the part number is also similar. Once I installed the correct part, pulled and replaced the fuse, it worked right away.
Was this
answer
helpful?
Yes
No
+5
Wednesday, October 14th, 2020 AT 12:51 PM (Merged)
Tiny
KEN L
  • MASTER CERTIFIED MECHANIC
  • 55,383 POSTS
Great addition to this thread! Please feel free to help out whenever you are on the site. :)

Cheers, Ken
Was this
answer
helpful?
Yes
No
+1
Wednesday, October 14th, 2020 AT 12:51 PM (Merged)
Tiny
JOEELLISON110
  • MEMBER
  • 1 POST
  • 2010 FORD FUSION
  • 3.0L
  • V6
  • 2WD
  • AUTOMATIC
  • 120,000 MILES
There is only hot air coming out of the two passenger side dash vents when the heat is on. Cold air coming out of the driver's side dash vents and floor vents. No air coming out of the defrost vents. This doesn't change no matter what heat setting is selected. (Defrost/dash vents/floor). I think it is the blend door actuator, so I went to the parts store and they told me that there are three different ones for my car. (Left, right and main). I was hoping you could tell which one I need.
Was this
answer
helpful?
Yes
No
Wednesday, October 14th, 2020 AT 12:51 PM (Merged)
Tiny
JACOBANDNICKOLAS
  • MECHANIC
  • 110,192 POSTS
Hi and thanks for using CarPros.

The air flow directions is controlled by a mode door actuator. Here are the directions for replacement.

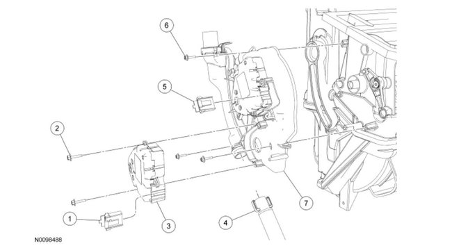
Mode Door Actuator - Defrost/Panel/Floor Door

Picture 1

Removal and Installation

1. Remove the instrument panel. For additional information, refer to Instrument Cluster / Carrier &/or Interior Moulding / Trim.

2. Disconnect the LH temperature blend door actuator electrical connector.

3. Remove the 2 LH temperature blend door actuator screws.

4. Remove the LH temperature blend door actuator.

5. Disconnect the in-vehicle temperature sensor aspirator hose connection.

6. Disconnect the DEFROST/PANEL/FLOOR mode door actuator electrical connector.

7. Remove the 3 DEFROST/PANEL/FLOOR mode door actuator and cam assembly screws.

8. Remove the DEFROST/PANEL/FLOOR mode door actuator and cam assembly.

9. To install, reverse the removal procedure.

10. NOTE: The purpose of the module actuator position calibration is to allow the HVAC module to reinitialize and calibrate the actuator stop points. To carry out calibration, carry out the following steps.

Remove the Smart Junction Box (SJB) fuse 15 for at least one minute. See: Power and Ground Distribution > Electrical > Power Distribution Diagrams

11. NOTE: When the ignition switch is switched to the ON position, the HVAC module will initialize and calibrate the actuators. Calibration of the actuators will take approximately 30 seconds.

Reinstall SJB fuse 15. Turn the ignition switch to the ON position and wait 30 seconds before verifying correct DEFROST/PANEL/FLOOR operation.

______________________________________

As far as no heat from the left side, that is a blend air door actuator. Here are the directions for the left side actuator replacement.

First, here is the general procedure.

https://www.2carpros.com/articles/replace-blend-door-motor

Here are the specific directions.
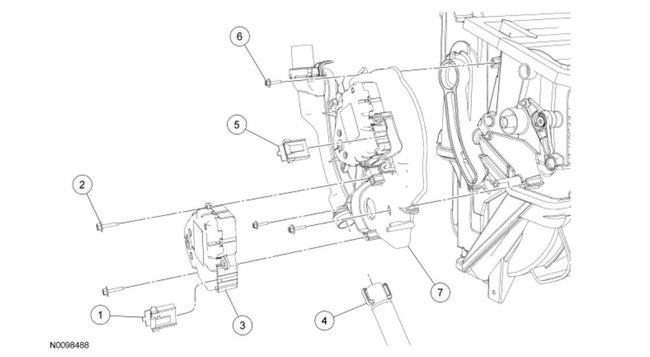
Removal and Installation

See pic 2

NOTE: The LH temperature blend door actuator can be accessed from below the LH side of the instrument panel to the right of the accelerator pedal.

1. Disconnect the LH temperature blend door actuator.

2. Remove the 2 LH temperature blend door actuator screws.

3. Remove the LH temperature blend door actuator.

4. To install, reverse the removal procedure.

5. NOTE: The purpose of the module actuator position calibration is to allow the HVAC module to reinitialize and calibrate the actuator stop points. To carry out calibration, carry out the following steps.

Remove the Smart Junction Box (SJB) fuse 15 for at least one minute. See: Power and Ground Distribution > Electrical > Power Distribution Diagrams

6. NOTE: When the ignition switch is switched to the ON position, the HVAC module will initialize and calibrate the actuators. Calibration of the actuators will take approximately 30 seconds.

Reinstall SJB fuse 15. Turn the ignition switch to the ON position and wait 30 seconds before verifying correct DEFROST/PANEL/FLOOR operation.

Let me know if this helps or if you have other questions,

Joe
Was this
answer
helpful?
Yes
No
+2
Wednesday, October 14th, 2020 AT 12:51 PM (Merged)
Tiny
LORI PAQUETTE NUERNBERG
  • MEMBER
  • 1 POST
  • 2008 FORD FUSION
  • 4 CYL
  • 2WD
  • AUTOMATIC
  • 189,000 MILES
Car listed above is the SE Model. Can you please tell me where the A/C heater blend door actuator is on my car? Would you also have an illustration of the area? I would really appreciate it. Single zone. Thanks
Was this
answer
helpful?
Yes
No
Wednesday, October 14th, 2020 AT 12:51 PM (Merged)
Tiny
ASEMASTER6371
  • MECHANIC
  • 52,796 POSTS
Good morning,

I attached the procedure and the picture of the location for you to view.

Roy

Removal and Installation

NOTE: The LH temperature blend door actuator can be accessed from below the LH side of the instrument panel.

1. Disconnect the LH temperature blend door actuator.
2. Remove the 2 LH temperature blend door actuator screws.
3. Remove the LH temperature blend door actuator.
4. To install, reverse the removal procedure.
Was this
answer
helpful?
Yes
No
Wednesday, October 14th, 2020 AT 12:51 PM (Merged)
Tiny
JUAN DOMINGUEZ
  • MEMBER
  • 1 POST
  • 2006 FORD FUSION
  • 3.0L
  • V8
  • AUTOMATIC
  • 164,831 MILES
A/C not blowing out of front center and sides only out passenger bottom and top vent Where is the AC/heater blend actuator main unit air inlet located?
Was this
answer
helpful?
Yes
No
Wednesday, October 14th, 2020 AT 12:51 PM (Merged)
Tiny
KEN L
  • MASTER CERTIFIED MECHANIC
  • 55,383 POSTS
Hello,

I have this guide that will walk you through the repair with the blend door locations for your car in the diagrams below.

https://www.2carpros.com/articles/replace-blend-door-motor

Check out the diagrams (below). Please let us know what happens.
Was this
answer
helpful?
Yes
No
+1
Wednesday, October 14th, 2020 AT 12:51 PM (Merged)

Please login or register to post a reply.