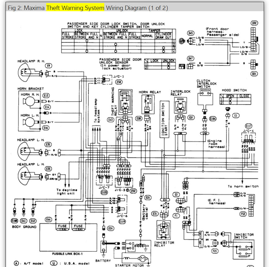
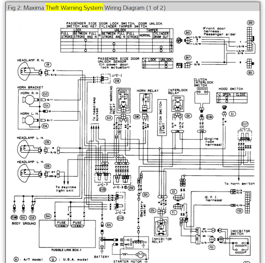
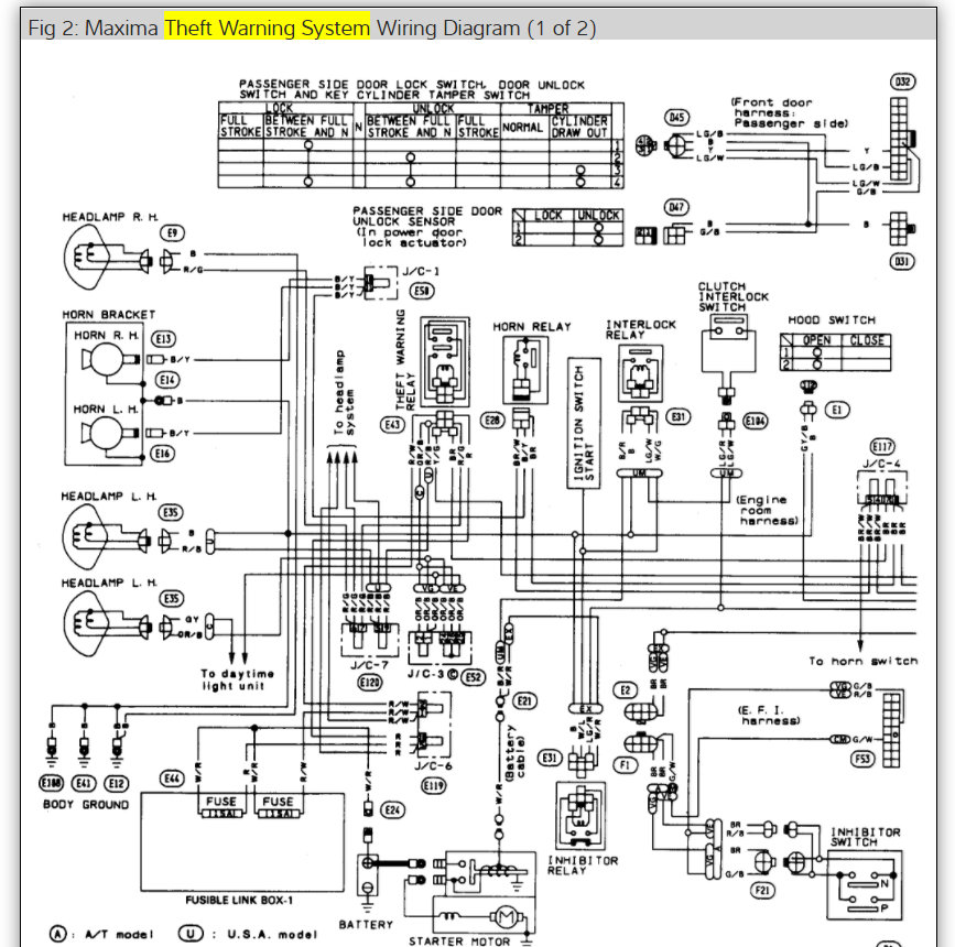
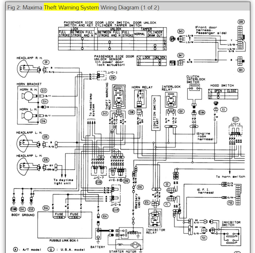
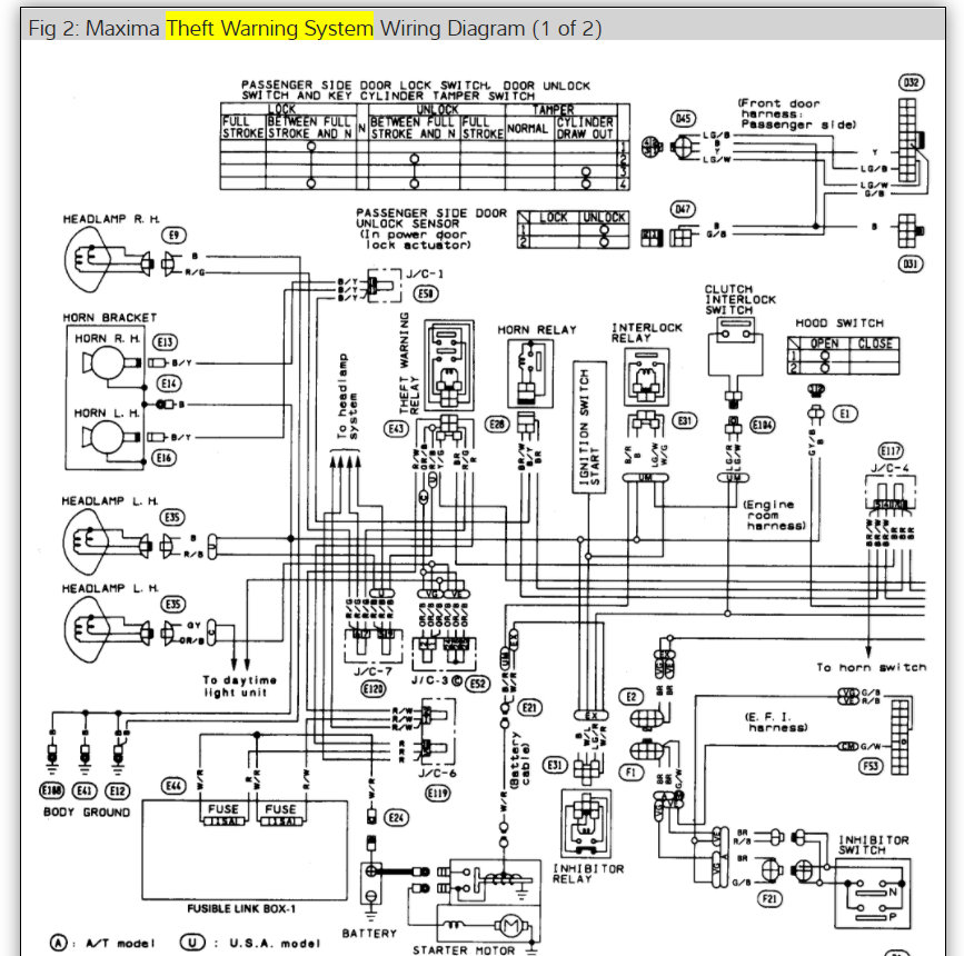
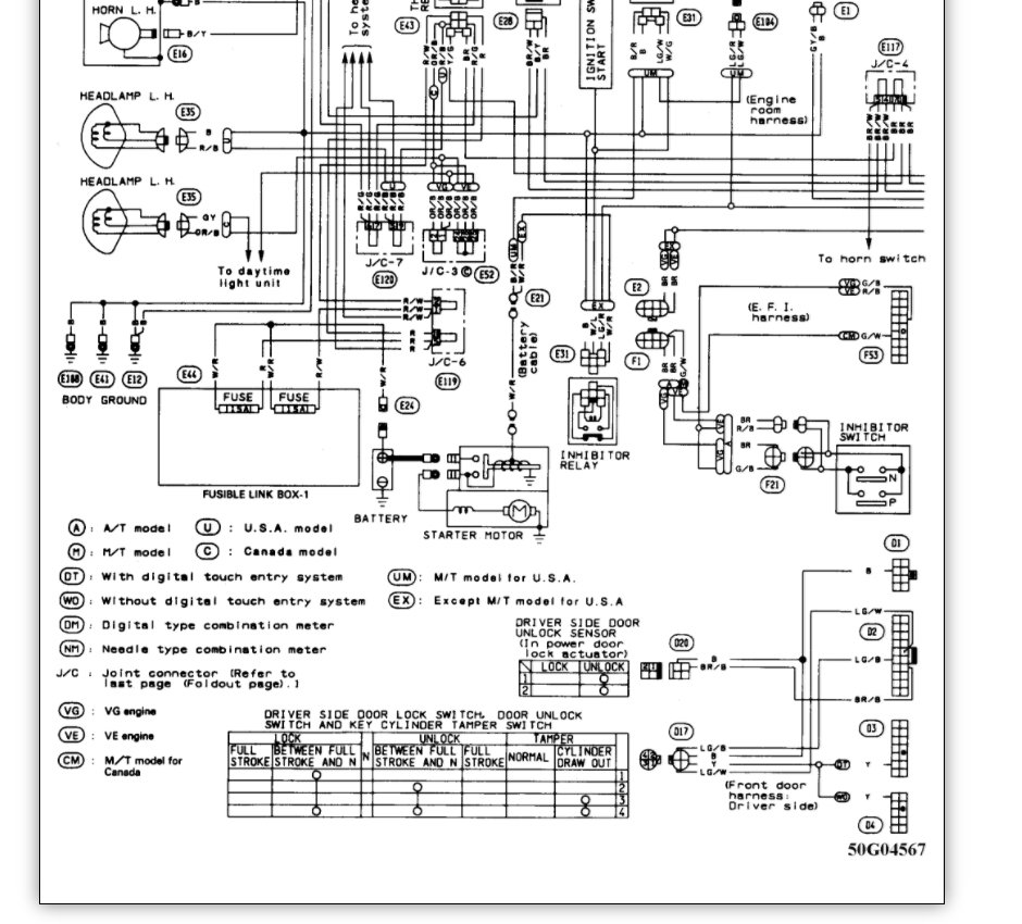
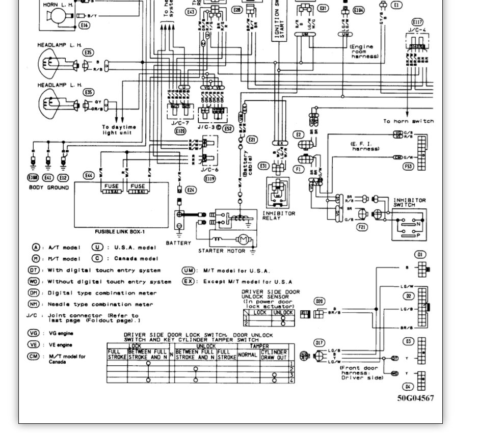
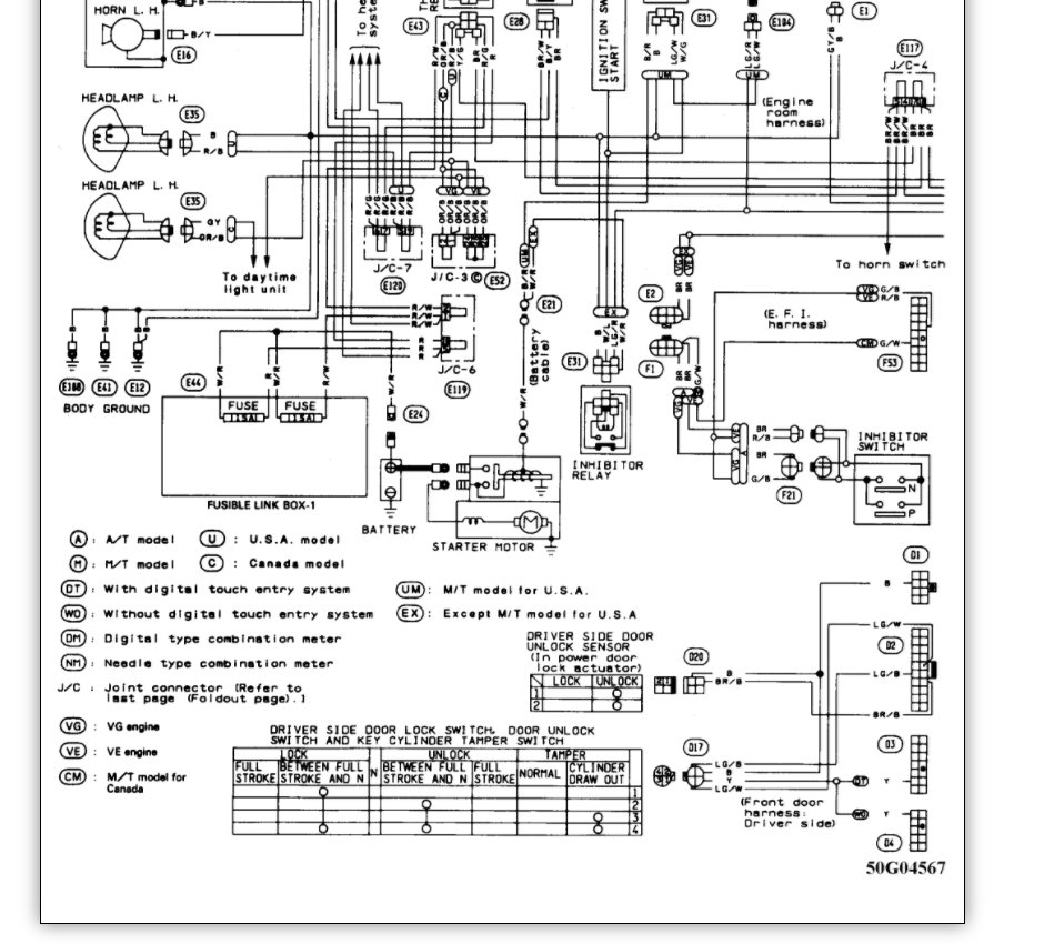
Sunday, January 21st, 2018 AT 1:58 PM
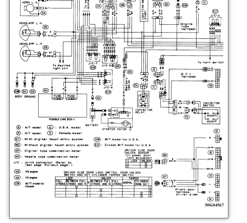
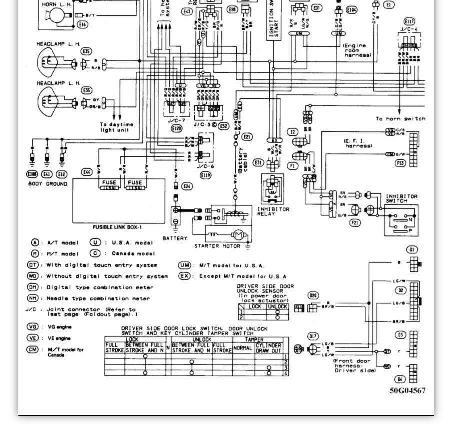
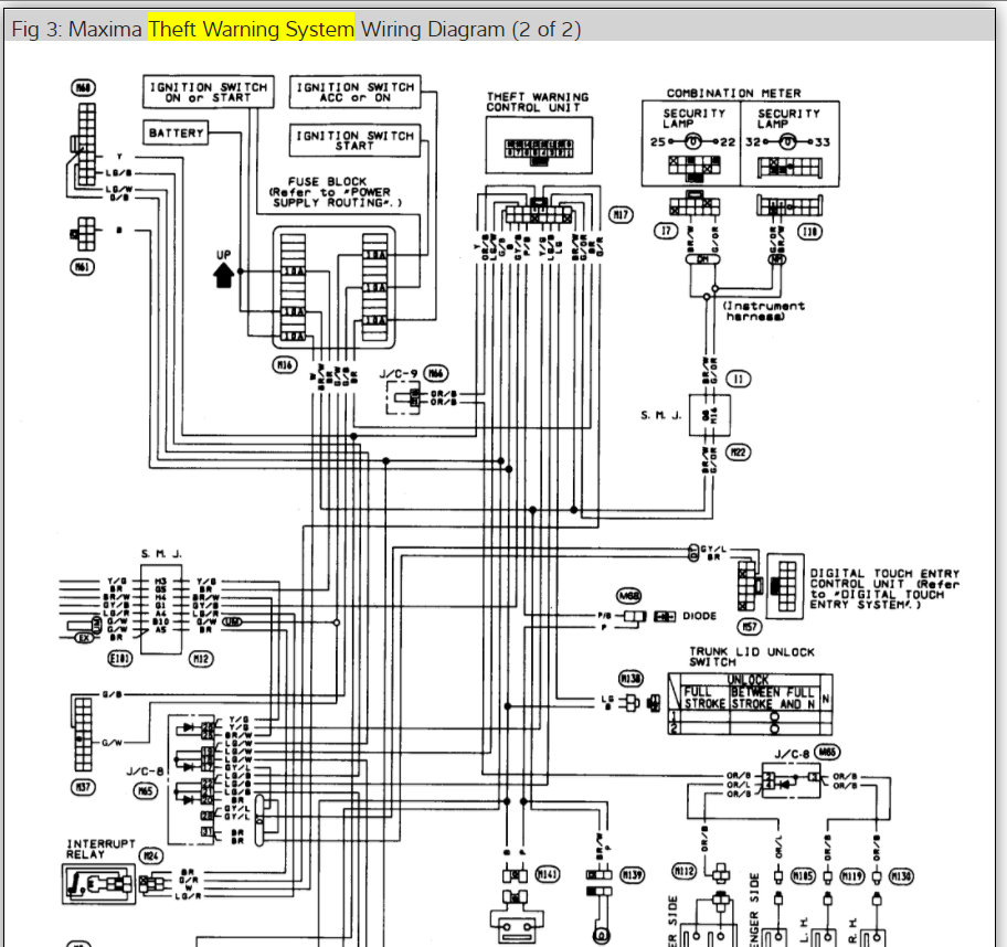
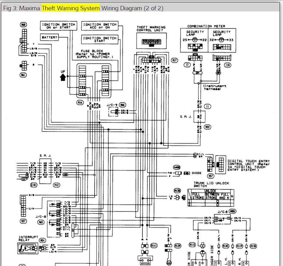
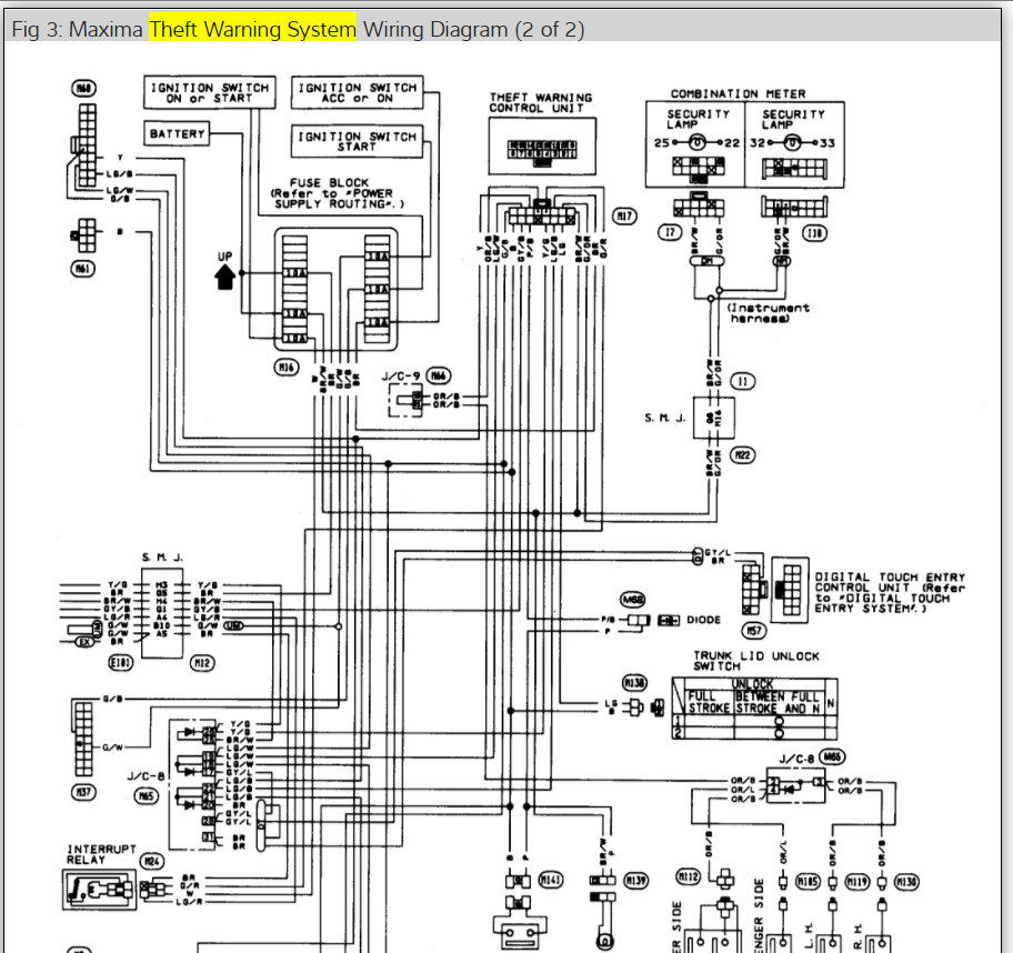
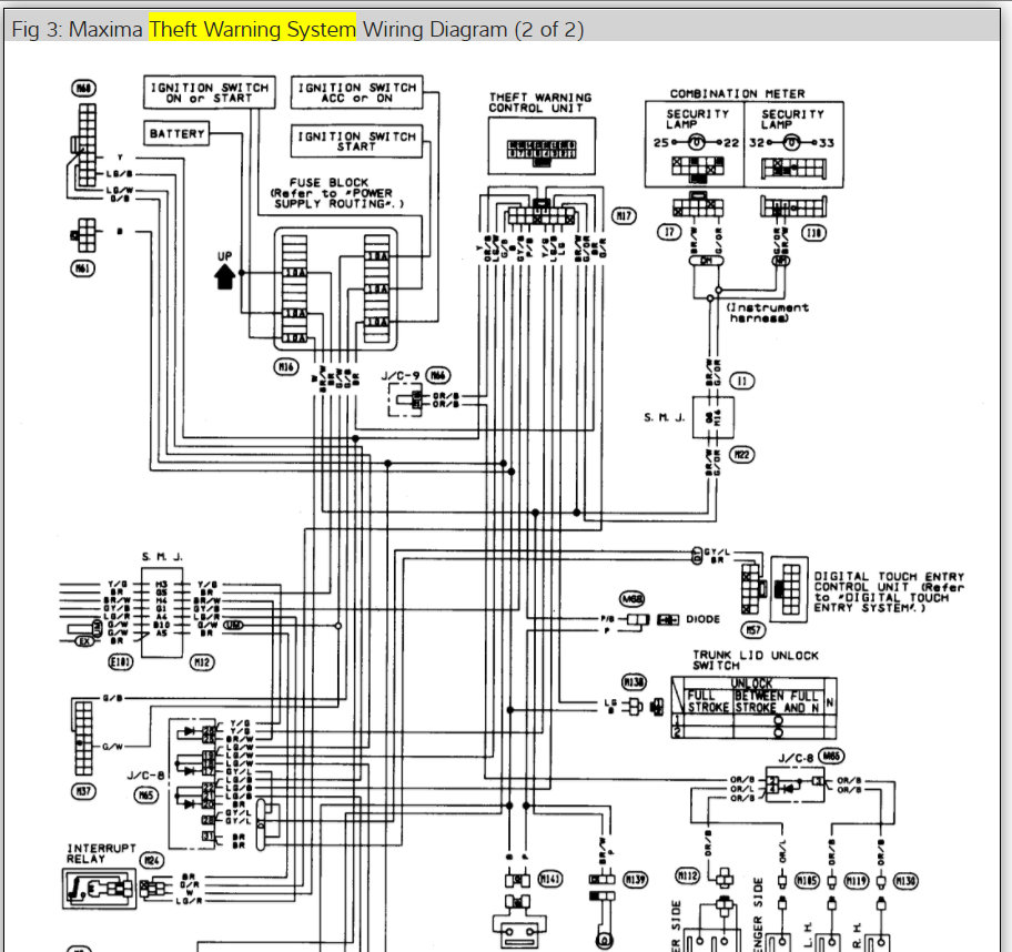
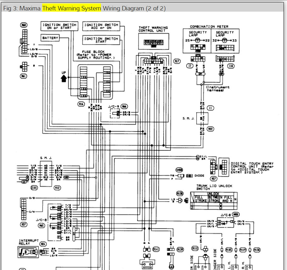
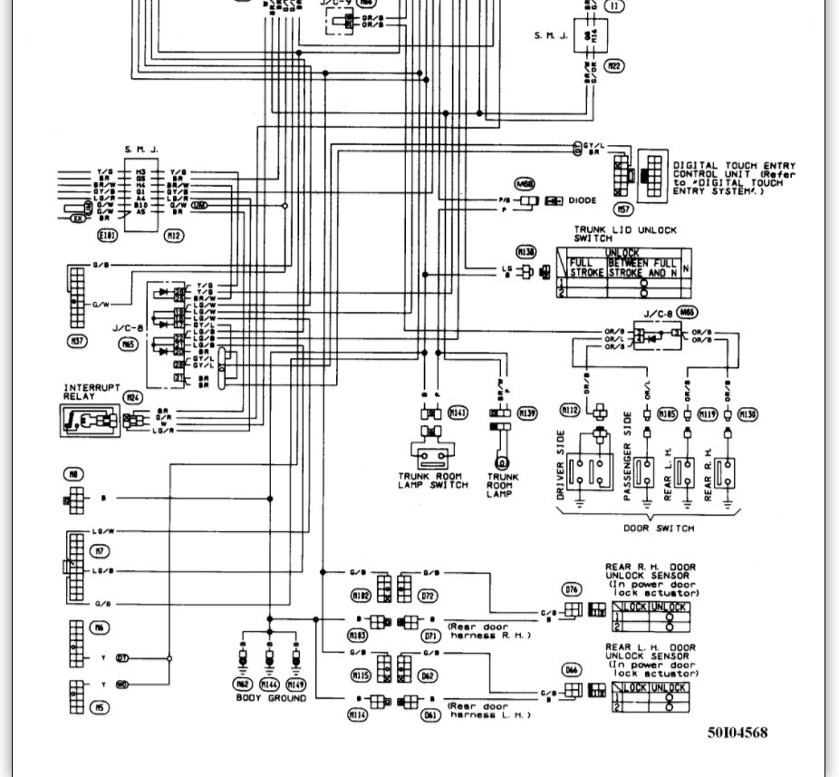
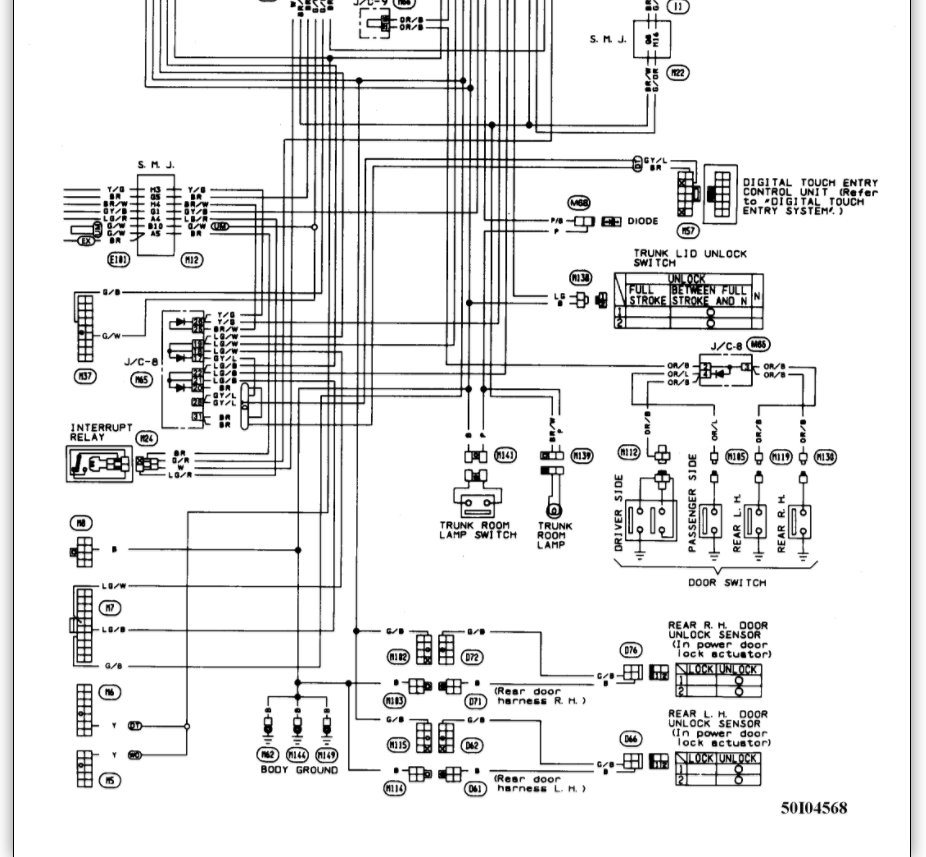
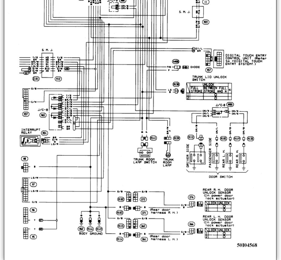
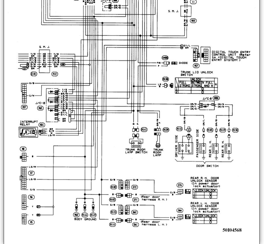
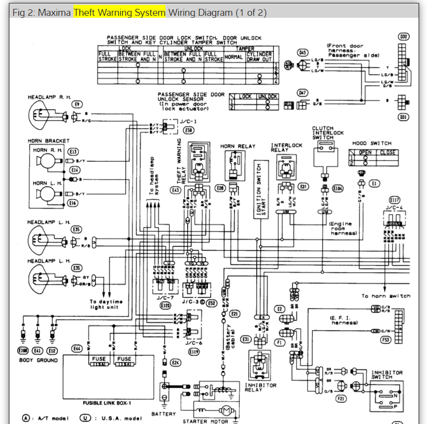
I would like help, my car will not start due to the alarm system and I really cannot afford to pay to have it reset at a dealership. I have done everything from disconnecting the battery and unlocking the drivers side, passengers side doors even the trunk but no success.





