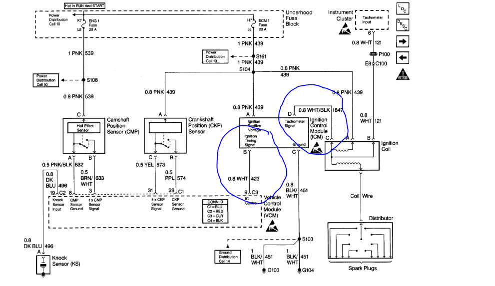
I have change crankshaft sensor, can sensor, ICM plug wires. I get no signal to the coil from ICM. I have ohm wires from PCM. I've check voltage to all sensors there good. I've check all the signals from CLP, to cams enor, to ICM to knock sensor. I've owned wires from senors to PCM. I've check for my ground. I can't get the ICM to send signal to coil. I get the signal from PCM to the ICM but that's as far it will go. Don't tell me the ICM is bad cause I've have tried 5 different ICM, bought new one and the last 3 of the I had tested at store before I left. What the heck? By the way I've got good fuel pressure check all the fuses. All the sensors that are responsible in starting the truck check out right. From ground to signal. I can't get the ICM signal to coil.
No security light is on, no codes. One thing I'd like to know on my coil I have a plug in that had 3 terminals one is pink wire which is my 12 volts, the other one in middle is the white wire for the tech, the 3rd circuit is the Whittemore and black stripe wire that the ICM sends its signal to coil to make it fire. Okay on all three circuit I have 120 volts coming in on pink wire I have 12 volts coming out on the tech wire, a different 12 volts coming out of the white/black strip down it which is my signal wire from ICM. How can you push 12 volts to a 5 volt circuit? When I turn key on the coil would be sending 12 volts to the ICM 5 volt circuit on signal wire. How is that? Is there someone out there that think so they can tell me a trick of why it won't produce a signal to coil to fire? I've asked and asked who can be smarter than anyone else out of 1,000 so of people.
Please show me and make me feel stupid. I've check voltage ohm wires. I've been. Working on this for 3 weeks still haven't got anywhere.
I know someone has had the same problem out there as I do. Help me!
Friday, August 30th, 2019 AT 8:40 PM





