Will not turn over after replacing starter and bypassing the push button start

Tiny
ZENOBIA MANRIQUEZ
  • MEMBER
  • 2005 HONDA CIVIC
  • 1.7L
  • 4 CYL
  • 2WD
  • AUTOMATIC
  • 27,400 MILES
Replaced starter and took off the bypass push button start car started it a few times, but now it won't. It's making a sound when trying to turn it over not a clicking but a scratchy sound. Possibly bad relay?
Saturday, February 6th, 2021 AT 3:03 PM

1 Reply

Tiny
KASEKENNY
  • MECHANIC
  • 18,907 POSTS
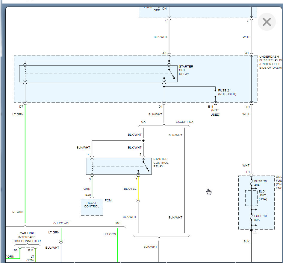
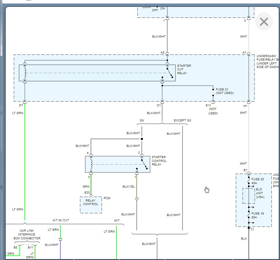
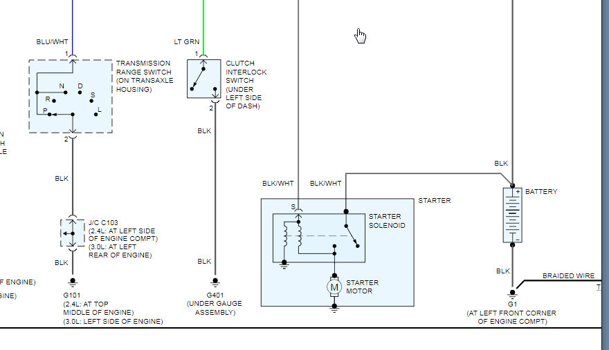
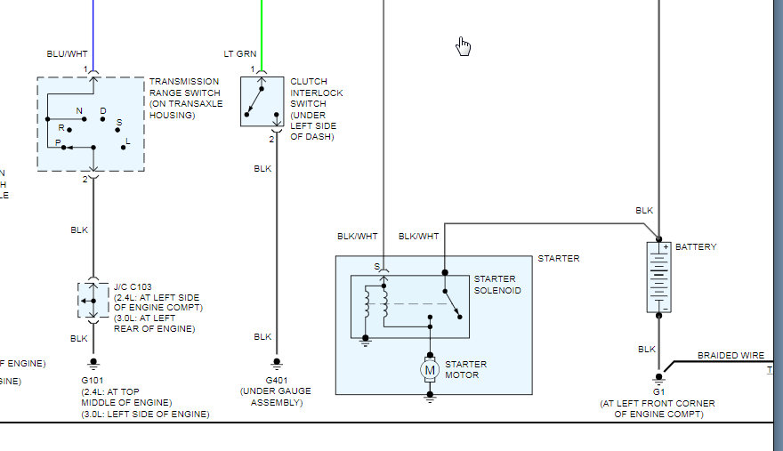
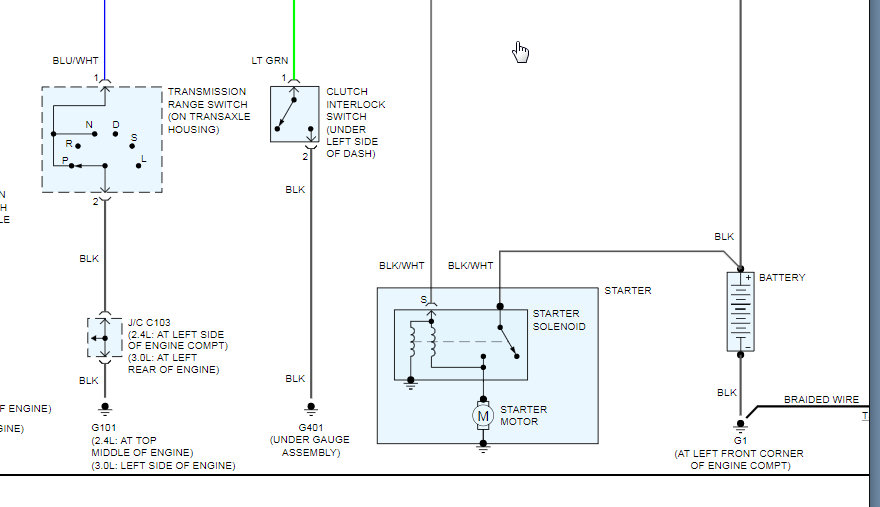
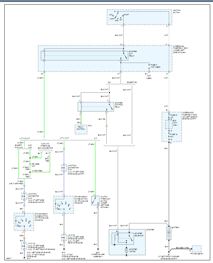
This could be a relay issue but we need to test power at the starter and find out if it is getting there as it should.

Here is a guide that will help with this:

https://www.2carpros.com/articles/starter-not-working-repair

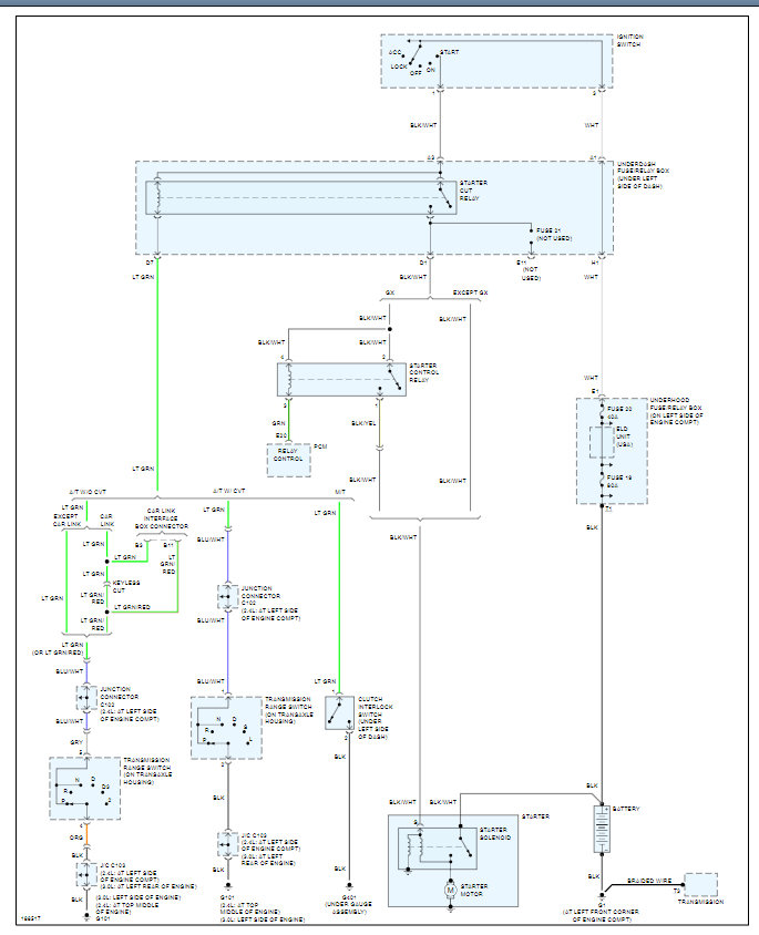
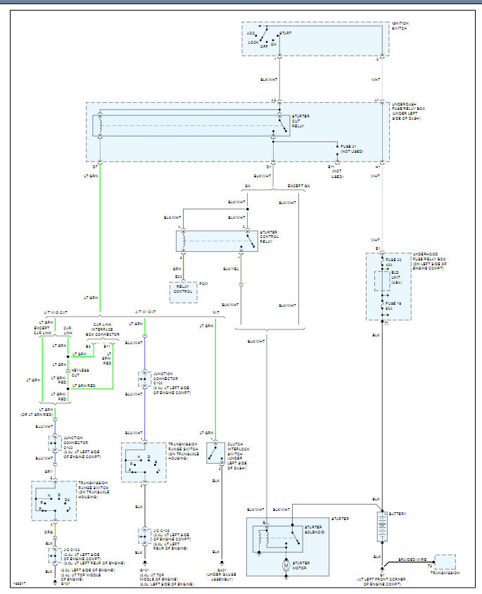
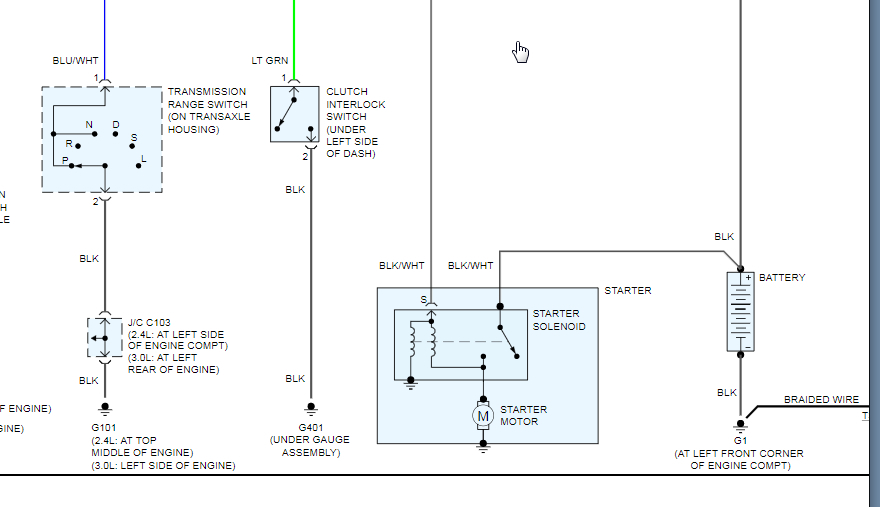
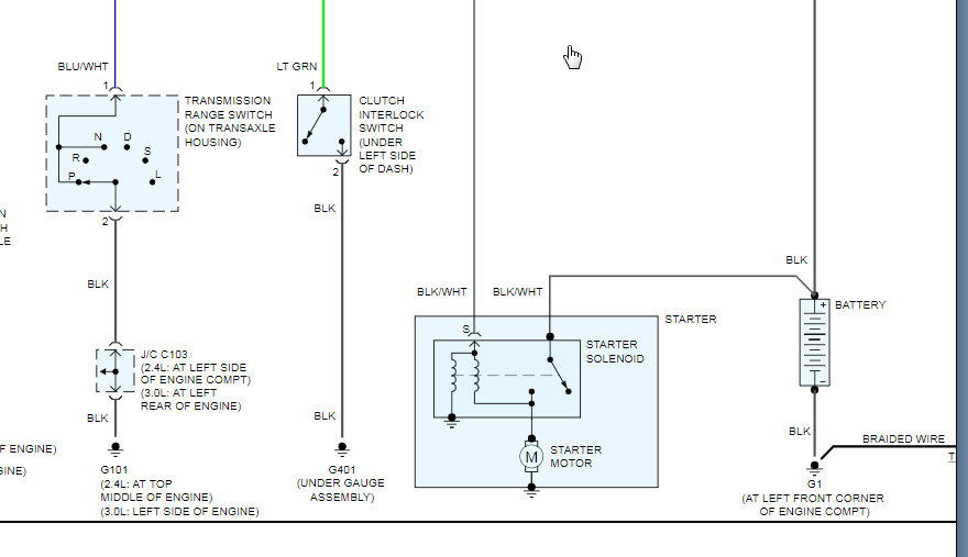
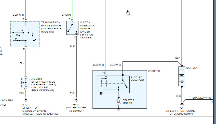
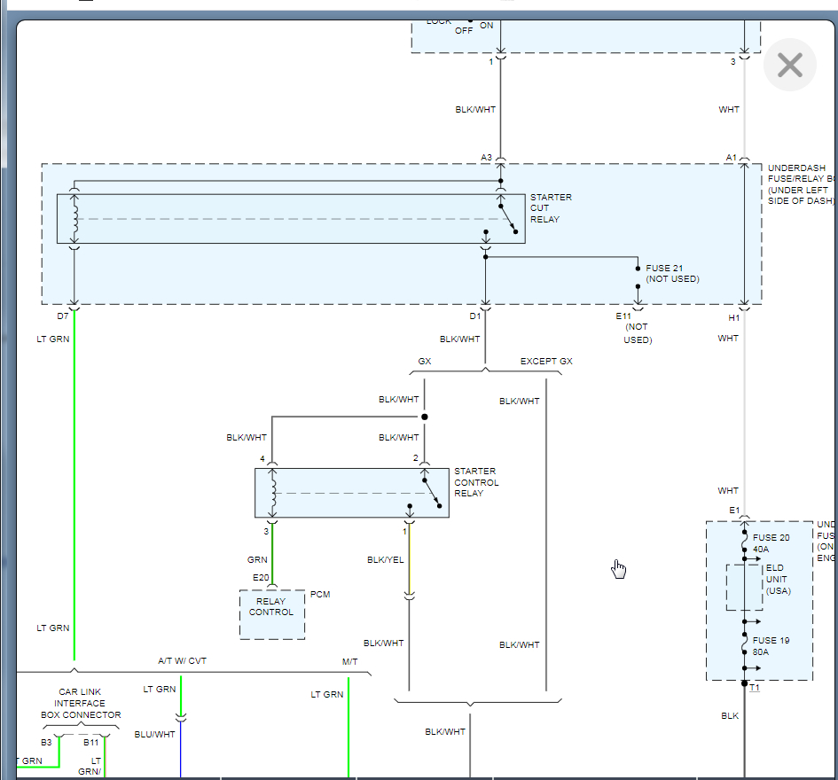
I attached the wiring diagram below that will help with finding which wiring we need to test. The wire from the battery should have 12 volts all the time and the other wire should have 12 volts on it only when you are cranking the engine.

If you don't have 12 volts on what is called the control wire then we need to go back to the relay.

Here are some guides that will help with this:

https://www.2carpros.com/articles/how-to-check-wiring

https://www.2carpros.com/articles/how-to-check-an-electrical-relay-and-wiring-control-circuit

Let us know what this is and we can go from there. Thanks
Was this
answer
helpful?
Yes
No
Saturday, February 6th, 2021 AT 6:41 PM

Please login or register to post a reply.