Ignition switch problems?

Tiny
PUZROCK
  • MEMBER
  • 1994 FORD F-250
  • 6 CYL
  • 2WD
  • MANUAL
  • 99,800 MILES
When I turn the key to start the vehicle starts right up, as soon as I release the key it dies. I have kept it running by holding the key turning a bit clockwise.

Is it the cylinder that needs to be replaced, or the switch buried up under the dash that the actuator rod engages?
Sunday, May 14th, 2023 AT 3:05 PM

3 Replies

Tiny
KEN L
  • MASTER CERTIFIED MECHANIC
  • 55,302 POSTS
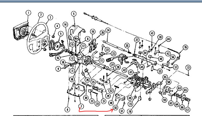
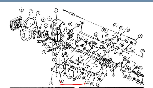
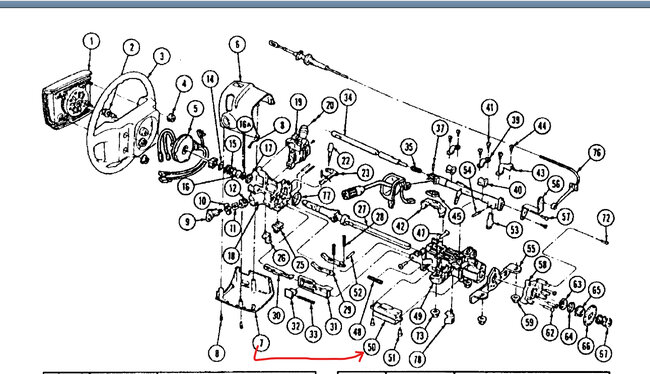
Yep, either the key lock is worn out or the ignition switch itself needs to be replaced here are diagrams in the images below the location and how to change the parts out to help fix the problem. Check out the images (below). Let us know what happens and please upload pictures or videos of the problem so we can see what's going on.
Was this
answer
helpful?
Yes
No
+1
Monday, May 15th, 2023 AT 12:42 PM
Tiny
PUZROCK
  • MEMBER
  • 2 POSTS
Thanks, I pulled the steering wheel and replaced the slide switch that connects to the key. The starter actually works better now and other electrical problems have disappeared. Thank you for your help!
Was this
answer
helpful?
Yes
No
Tuesday, May 30th, 2023 AT 12:25 PM
Tiny
KEN L
  • MASTER CERTIFIED MECHANIC
  • 55,302 POSTS
Thanks for letting us know, we are here to help, please use 2CarPros anytime.
Was this
answer
helpful?
Yes
No
Thursday, June 1st, 2023 AT 1:53 PM

Please login or register to post a reply.