Tuesday, December 28th, 2010 AT 2:48 PM
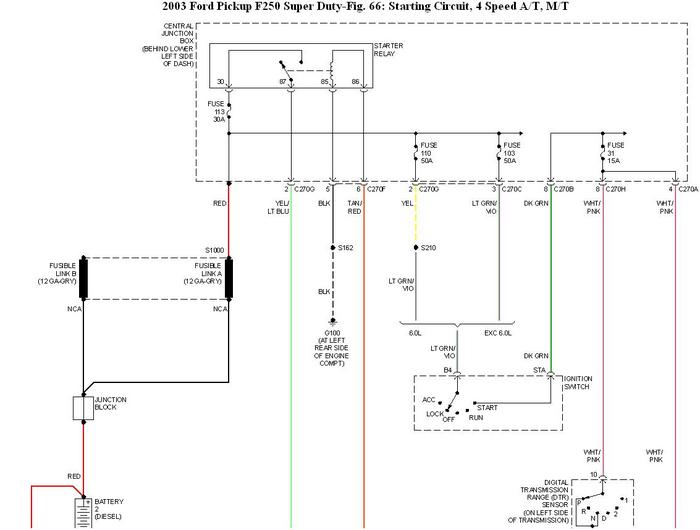
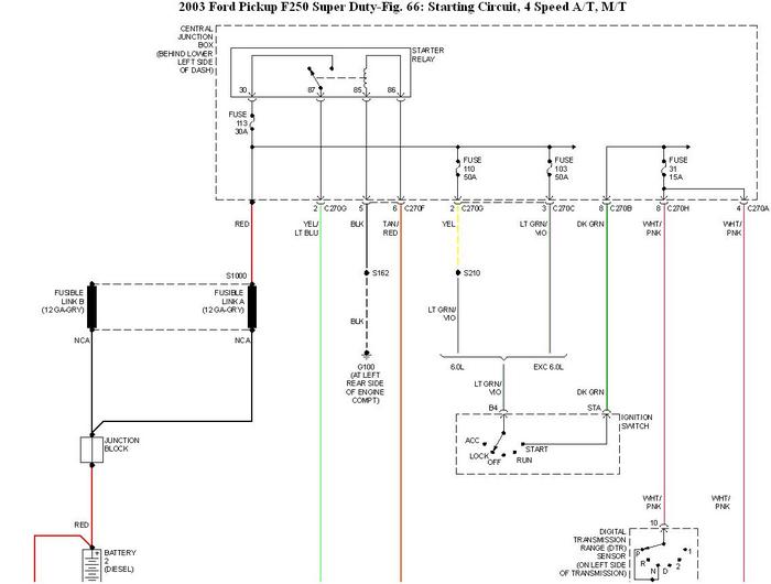
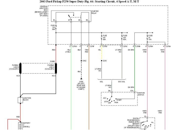
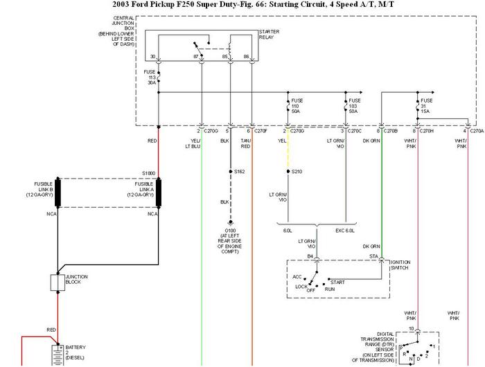
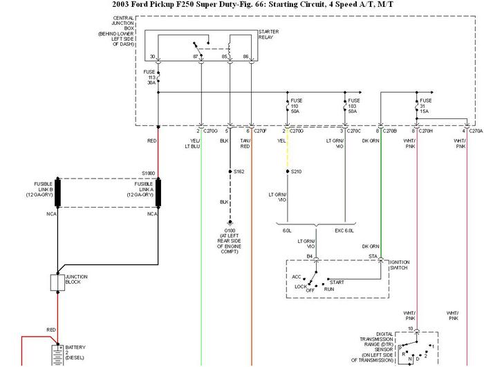
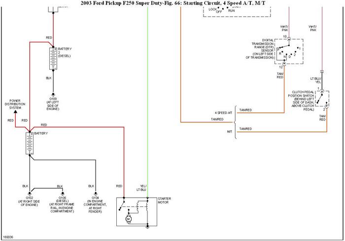
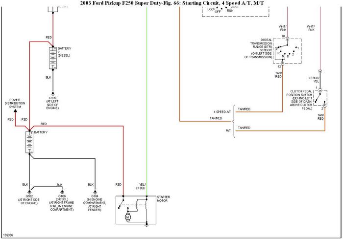
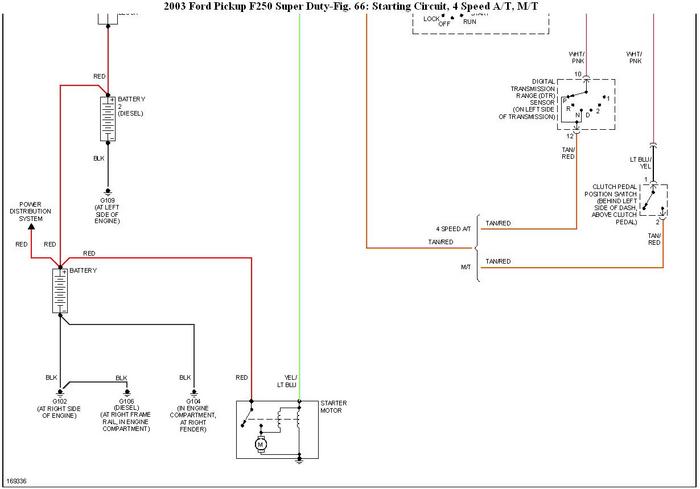
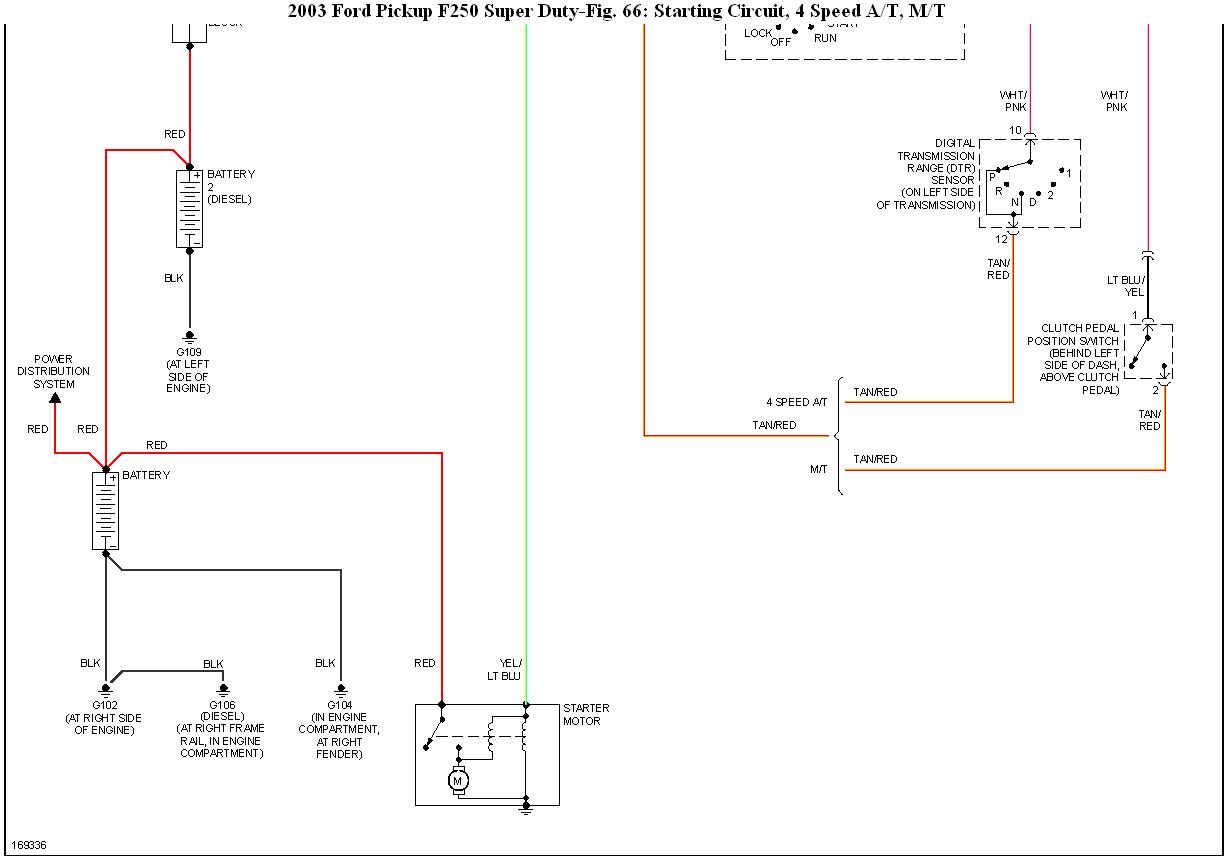
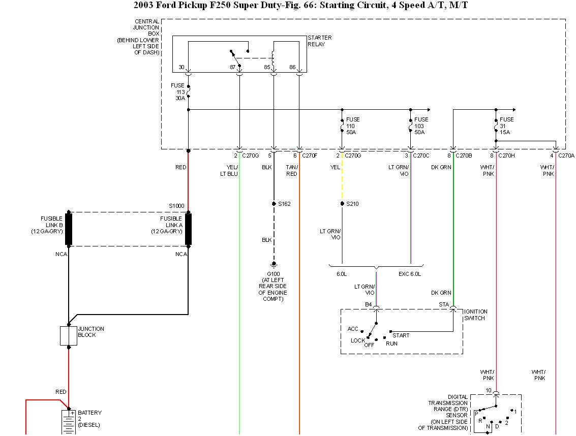
On a 2003 ford truck 4x4 250 v10, where does the small yellow wire green runner on solenoid go? Like whats between solenoid and ignition switch?Negative or positive, thanks




