Will not crank over

Tiny
AUSTINO
  • MEMBER
  • 2003 JAGUAR S-TYPE
  • 6 CYL
  • 2WD
  • AUTOMATIC
  • 67,000 MILES
Hello good afternoon, I am not getting anything off the car ignition when I turn the key for the car to start, however when I use a screw driver to bridge the starter at the bottom of the car it starts. Do you know what Is causing that to happen? If yes can you give me a solution please? Thank you.
NB
Please note that the car is a crash car that I am trying to fix.
Friday, August 24th, 2018 AT 11:03 AM

16 Replies

Tiny
KEN L
  • MASTER CERTIFIED MECHANIC
  • 55,481 POSTS
Hello,

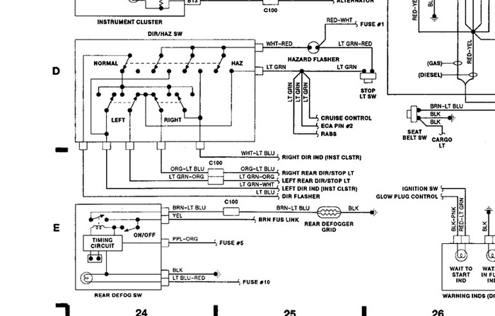
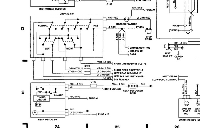
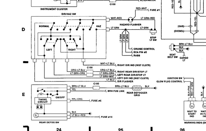
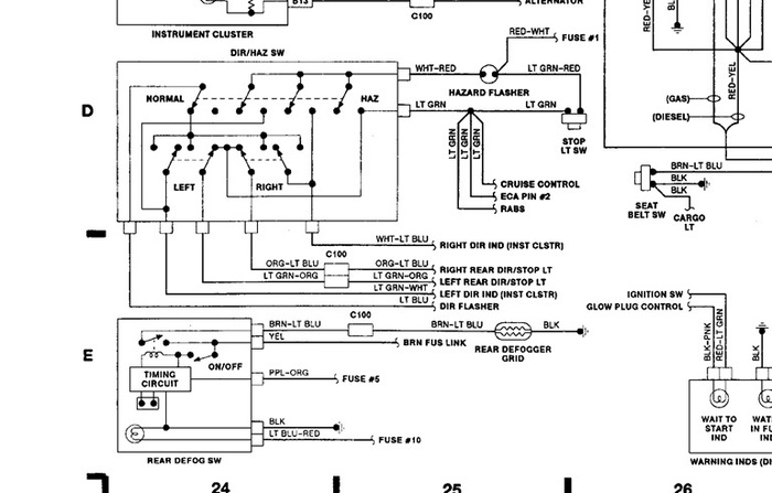
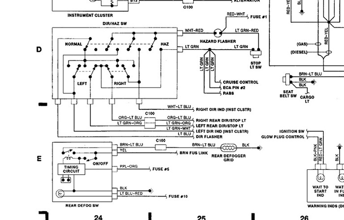
There is a starter relay in the front fuse panel that needs to be checked. Here is a guide to help us get started the relay location and the starter wiring diagrams so you can see how the system works:

https://www.2carpros.com/articles/how-to-check-an-electrical-relay-and-wiring-control-circuit

Please check the fuses as well.

https://www.2carpros.com/articles/how-to-check-a-car-fuse

Check out the diagrams (below). Let us know what happens and please upload pictures or videos of the problem.

Cheers, Ken
Was this
answer
helpful?
Yes
No
Saturday, August 25th, 2018 AT 2:40 PM
Tiny
AUSTINO
  • MEMBER
  • 220 POSTS
Thank you Ken, I will let you know what happens.
Was this
answer
helpful?
Yes
No
Saturday, August 25th, 2018 AT 7:46 PM
Tiny
KEN L
  • MASTER CERTIFIED MECHANIC
  • 55,481 POSTS
Please let us know what you find. We are interested to see what it is.

Cheers, Ken
Was this
answer
helpful?
Yes
No
Sunday, August 26th, 2018 AT 10:45 AM
Tiny
AUSTINO
  • MEMBER
  • 220 POSTS
Hello.
Was this
answer
helpful?
Yes
No
Wednesday, August 29th, 2018 AT 8:55 AM
Tiny
KEN L
  • MASTER CERTIFIED MECHANIC
  • 55,481 POSTS
Hello, Did you find something or need more help? Cheers, Ken
Was this
answer
helpful?
Yes
No
Wednesday, August 29th, 2018 AT 10:28 AM
Tiny
AUSTINO
  • MEMBER
  • 220 POSTS
Hello, this is a follow up question from the one that I posted before. So I checked all the fuses and they are okay. The battery in the car is a new working one. The car is still not cranking or starting. However, the security system/alarm system is not working. Can you tell me how to get it working again? I think that is causing the vehicle to not crank or start. What are your thoughts? Please help. Thanks.
Was this
answer
helpful?
Yes
No
Wednesday, August 29th, 2018 AT 10:36 AM
Tiny
AUSTINO
  • MEMBER
  • 220 POSTS
Ken, I did ask this question earlier in the" Ask A Question box". I also added a video and picture of the car. Do you think you can find it please?
Was this
answer
helpful?
Yes
No
Wednesday, August 29th, 2018 AT 10:39 AM
Tiny
AUSTINO
  • MEMBER
  • 220 POSTS
  • 2003 JAGUAR S-TYPE
  • 6 CYL
  • 2WD
  • AUTOMATIC
  • 67,000 MILES
Hello, this is a follow up question from the one that I posted before. So I checked all the fuses and they are okay. The battery in the car is a new working one. The car is still not cranking or starting. However, the security system/alarm system is not working. Can you tell me how to get it working again? I think that is causing the vehicle to not crank or start. What are your thoughts? Please help. Thanks. See images or video of the vehicle below please.
Was this
answer
helpful?
Yes
No
Wednesday, August 29th, 2018 AT 3:31 PM (Merged)
Tiny
KEN L
  • MASTER CERTIFIED MECHANIC
  • 55,481 POSTS
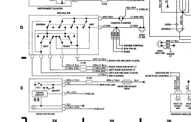
Thanks for the video. We need to go over the power and grounds for the security system to make sure it is working. Here is a guide and the wiring diagrams to help you see how the system works and where to test:

https://www.2carpros.com/articles/how-to-check-wiring

Check out the diagrams (below). Please let us know what happens.

Cheers, Ken
Was this
answer
helpful?
Yes
No
Thursday, August 30th, 2018 AT 9:36 AM
Tiny
AUSTINO
  • MEMBER
  • 220 POSTS
Good afternoon, thank you for the information Ken. We will let you know what happens soon.
Was this
answer
helpful?
Yes
No
Thursday, August 30th, 2018 AT 10:18 AM
Tiny
AUSTINO
  • MEMBER
  • 220 POSTS
Hello, I checked and the security /alarm system is not working, can you tell me how to fix it please? Thanks
Was this
answer
helpful?
Yes
No
Friday, August 31st, 2018 AT 7:49 AM
Tiny
KEN L
  • MASTER CERTIFIED MECHANIC
  • 55,481 POSTS
Can you tell me if the security light is flashing when you crank the car over?
Was this
answer
helpful?
Yes
No
Friday, August 31st, 2018 AT 12:26 PM
Tiny
AUSTINO
  • MEMBER
  • 220 POSTS
I bought the car from someone crashed so I am just trying to repair it, so as a result I don't know which light is the security light. Can you help me to identify the security light please?
Was this
answer
helpful?
Yes
No
Friday, August 31st, 2018 AT 2:53 PM
Tiny
AUSTINO
  • MEMBER
  • 220 POSTS
Do I have to program the remote for the car before it can start the car? Just wondering. Thanks
Was this
answer
helpful?
Yes
No
Friday, August 31st, 2018 AT 3:12 PM
Tiny
KEN L
  • MASTER CERTIFIED MECHANIC
  • 55,481 POSTS
Yes, you do need to program the remote to the car which a shop or dealer must do.
Was this
answer
helpful?
Yes
No
Saturday, September 1st, 2018 AT 10:59 AM
Tiny
AUSTINO
  • MEMBER
  • 220 POSTS
Oh, okay. Thanks
Was this
answer
helpful?
Yes
No
Saturday, September 1st, 2018 AT 11:02 AM

Please login or register to post a reply.