Sunday, January 8th, 2017 AT 6:59 AM
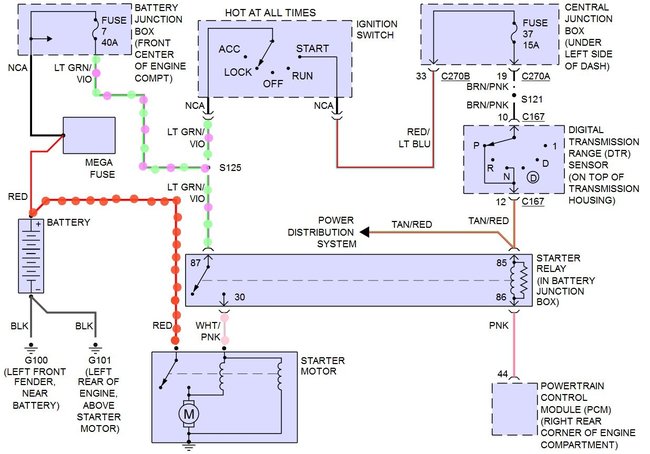
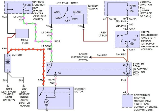
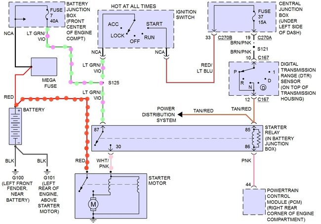
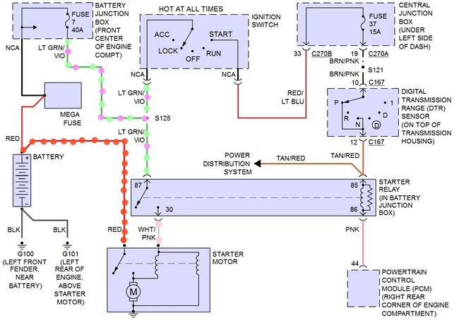
Here is how my problem started. I was getting a code for a misfire on the number three cylinder. First thing I did was to replace the spark plugs and cleared the code. I drove the car around and after a few minutes I was getting the code again. I pulled in and popped the hood checked the wire from the coil to the plugs and cleared the codes (with the car running). I went to turn off the car and it would not turn off. Instead it started making a loud awful noise. I disconnected the battery cable from the battery and was successful in turning off the car. I went to start it back up and nothing. I checked the fuses under the hood and found the 40 amp ignition fuse had blown. I replaced the fuse and tried to start the car. As soon as I turned the key to the start position the fuse blew again. Any ideas before I start tearing the car apart? I need to get it running before tomorrow or I will miss work.



