Ignition A 40 amp fuse keeps blowing

Tiny
BCMULLEN95
  • MEMBER
  • 1999 CHEVROLET TAHOE
  • 5.7L
  • V8
  • 2WD
  • AUTOMATIC
  • 237,000 MILES
I have recently replaced the starter less than two months ago. Went to start the SUV and the 40 amp fuse blew in the run position. Looking for information on where to look for wires that could be short or the ground that may be loose.
Tuesday, January 17th, 2017 AT 11:25 AM

9 Replies

Tiny
KASEKENNY
  • MECHANIC
  • 18,907 POSTS
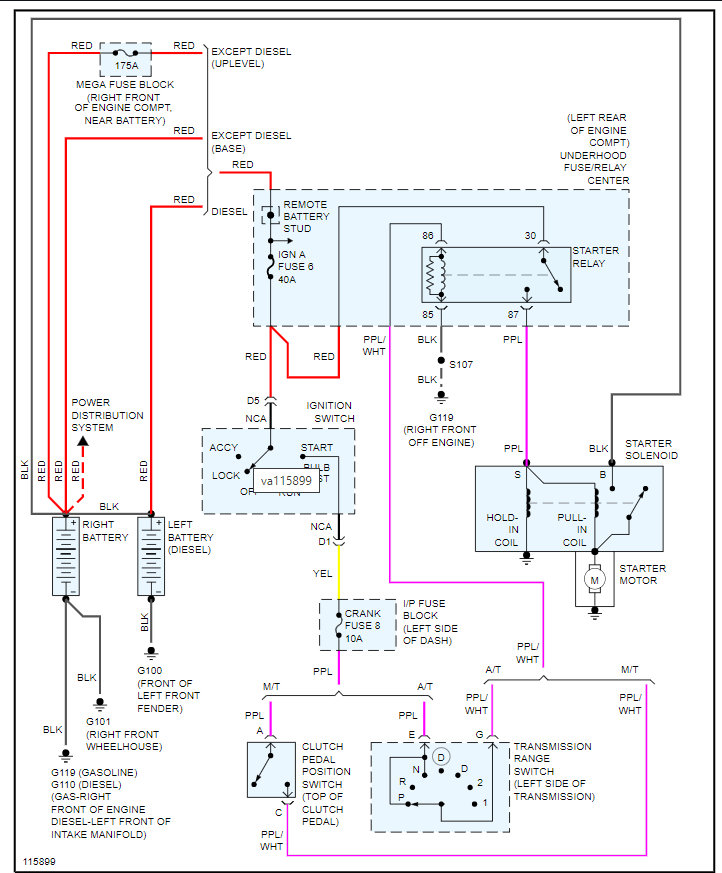
If the 40 amp fuse is blowing then the most likely cause of this is the starter itself. This is a pretty large fuse and it feeds not only the starter but the ignition switch as well.

However, even if the ignition switch is shorted, it is unlikely to blow this fuse.

I would suggest unplugging the starter, replace the fuse and see if the fuse blows again when you turn the key back on.

This will prove out if the starter solenoid is shorted.

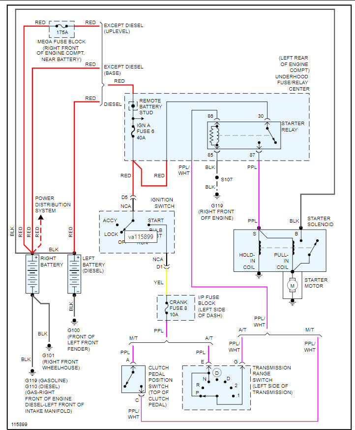
If you follow the wiring diagram below you will see that the fuse feeds the supply side of the relay and when the relay is applied and the fuse blows then the starter is the likely issue.

https://www.2carpros.com/articles/how-to-check-wiring

https://www.2carpros.com/articles/how-to-check-a-car-fuse

Please run through this info below and let us know if you have other questions. Thanks
Was this
answer
helpful?
Yes
No
+4
Thursday, September 16th, 2021 AT 8:48 PM
Tiny
BCMULLEN95
  • MEMBER
  • 249 POSTS
Turns out the starter was bad. Is there a way to find out if something is causing the starter to fail as this is not the first that was replaced?
Was this
answer
helpful?
Yes
No
+2
Thursday, September 16th, 2021 AT 8:50 PM
Tiny
KASEKENNY
  • MECHANIC
  • 18,907 POSTS
Yeah. More than likely if the fuse is blowing when you turn the key to the on position and not the start position then the relay is the issue.

I would replace the relay and retest this.

https://www.2carpros.com/articles/how-to-check-an-electrical-relay-and-wiring-control-circuit

Please let us know what you find. Thanks
Was this
answer
helpful?
Yes
No
+2
Thursday, September 16th, 2021 AT 8:54 PM
Tiny
ZACHINTHEBOX
  • MEMBER
  • 5 POSTS
03 suburban 2wd
So far I replaced the starter with a re-manufactured starter. 3-4 days and blown ignA 40amp fuse. Swapped for brand new starter and new starter relay. 12 hours maybe. Ran twice and the second trip it died at the local home depot. Unplug the starter and it doesn't blow. So what's making the starter do that?
Was this
answer
helpful?
Yes
No
+1
Monday, May 1st, 2023 AT 8:42 AM
Tiny
JACOBANDNICKOLAS
  • MECHANIC
  • 110,192 POSTS
Hi,

I noticed it has been a couple of days since we heard from you. By chance, have you been able to make any progress?

Also, how/where are you disconnecting the starter to prevent the fuse from failing?

Let me know.

Joe
Was this
answer
helpful?
Yes
No
Wednesday, May 3rd, 2023 AT 6:25 PM
Tiny
ZACHINTHEBOX
  • MEMBER
  • 5 POSTS
Unhooking the 2 cables from the posts on the starter after unplugging the battery obviously. Then plug the battery back in. New 40amp ignA fuse. Try to start and I get the clicks like a bad starter right. But no fuse blown. So, if I change the starter, it'll work right away but then sooner or later blows the fuse. Ign A. Everyone is saying dead short/ground out, but I don't see it yet. Then how if I swap the starter, it works right away? Then it doesn't. So frustrating.
Was this
answer
helpful?
Yes
No
+1
Thursday, May 4th, 2023 AT 3:41 PM
Tiny
JACOBANDNICKOLAS
  • MECHANIC
  • 110,192 POSTS
If it starts when you first replace the starter, you must be moving something. Are the cables at the starter motor in good condition?

Try this. Disconnect the battery and then the starter motor. Then reconnect it. See if it works. If it does, we have a wiring issue.

Let me know.

Joe
Was this
answer
helpful?
Yes
No
Friday, May 5th, 2023 AT 9:51 PM
Tiny
ZACHINTHEBOX
  • MEMBER
  • 5 POSTS
I'm not finding anything super crazy like burned or frayed nicked wires. It's not something damaging to the starter or solenoid, right? Or could a bad alternator be sending the wrong voltage? Just wondering if my starter is actually causing the problem at all. Which it can stay. Those fuses are 5$ a piece though! 40-amp jcase box fuse. Because like I said if I warranty my new starter and swap it the truck will start right up. Trying to cover all my bases because I've changed the starter twice and now starter relay as well. And it worked great.
Was this
answer
helpful?
Yes
No
+1
Saturday, May 6th, 2023 AT 5:26 AM
Tiny
JACOBANDNICKOLAS
  • MECHANIC
  • 110,192 POSTS
Hi,

That's the trigger wire for the starter motor. It only should have power when the key is in the start position. That would explain why it worked once. LOL Anything to make things a bit more difficult. Also, that wire was originally purple. LOL

Regardless, I'm glad to know you found the problem. Feel free to come back anytime in the future.

Take care,

Joe
Was this
answer
helpful?
Yes
No
Saturday, May 6th, 2023 AT 7:28 PM

Please login or register to post a reply.