Idle problems

Tiny
NICKL
  • MEMBER
  • 1990 HONDA ACCORD
  • 2.2L
  • 4 CYL
  • 2WD
  • AUTOMATIC
  • 90,000 MILES
I have been working this problem for a while, idle surges to 1,800, then lowers to 1,000, does not matter if engine is warm or cold. I cannot find any vacuum leaks. Replaced almost all vacuum hoses anyway. Checked and bled the coolant many times, system is full and coolant is present at FITV and IACV. Both valves are new, and PCV valve is also new. I tried finding vacuum leaks with carburetor cleaner and no change in idle at all. When car is in drive idle stays at 1,000, when shifted to neutral idle slowly increases to 1,800 then surges between 1,800 and 1,000. Only other information that seems weird, is if I shift car into neutral and allow it to roll to stop, idle stays around 1,000 (in neutral) until I step on gas and bring idle to about 2,000 then surge starts again. There are rare occasions when car will run fine, which means idle starts a little over 1,000 when cold and drops to about 600 to 700 when warm. Load does effect idle surge range, but only slightly with A/C on for example. No engine codes. Help please. :)

Added information: When cold surge continues to happen, but at a slightly higher rpm than when warm, guess the FITV is working okay.
Wednesday, May 30th, 2018 AT 4:10 PM

20 Replies

Tiny
KEN L
  • MASTER CERTIFIED MECHANIC
  • 55,522 POSTS
Two things come to mind; First is the engine coolant temperature sensor can be fluctuating causing the idle to do the same. Next would be a dirty throttle bore IAC. Here are two guides to help you see what you are in for when doing the job:

https://www.2carpros.com/articles/how-to-replace-an-idle-speed-control-motor-iac

and

https://www.2carpros.com/articles/coolant-temperature-sensor-cts-replacement

Also, can you remove the distributor cap and see if there is red/rust dust inside of it? This is a sign the unit is going bad they sell them on Amazon for $65.00.

Check out the diagrams (below). Please let us know what you find. We are interested to see what it is.

Cheers, Ken
Was this
answer
helpful?
Yes
No
Saturday, June 2nd, 2018 AT 1:33 PM
Tiny
NICKL
  • MEMBER
  • 38 POSTS
Thanks Ken, IAC is new. I cleaned the throttle body, then started the car, surge continued, cleaned throttle body again with engine running, removed all three temperature sensor wires. I was thinking that if sensor was fluctuating, with it removed I would see a difference, continued to surge. Took apart FICV (which was also new) to make sure plastic insert bottomed out when fully screwed down and lubricated o-ring on plastic insert. Still surging. Noticed "S" light flashing. Could have started with any of the above changes, did not really look for it. Shut car off, when I restarted "S" light off, idle was high but consistent. Did not have time to test drive until the following day. Next day stared fine, idle high because it was cold, when I got to end of driveway (about two hundred feet) I stopped and put in neutral, surge happened again. Took it for a ride, somewhere along the way, idle lowered and it ran fine. Took it out again today, ran fine. I am not convinced I got it, but will continue to use. If it comes back, I will limit my actions to one of the three to four things I did and see if I can get the problem to change. What is still stumping me is when I had the problem, I could be moving, shift the car to neutral and coast to a stop, idle would stay low until I revved engine to over 2,000 rpm's and surge would start again. I know that is telling me something, and probably should point me to something, but I am not sure where. :) Any thoughts on that? Thanks for your help.
Was this
answer
helpful?
Yes
No
Wednesday, June 6th, 2018 AT 11:18 AM
Tiny
NICKL
  • MEMBER
  • 38 POSTS
Forgot to mention distributor cap looked fine.
Was this
answer
helpful?
Yes
No
Wednesday, June 6th, 2018 AT 11:19 AM
Tiny
KEN L
  • MASTER CERTIFIED MECHANIC
  • 55,522 POSTS
Okay good, lets run the codes to see what comes up.

https://www.2carpros.com/articles/honda-car-1990-1995-obd1-code-retrieval-procedure-and-definition-table

Is sounds like the computer might be bad.

Was this
answer
helpful?
Yes
No
Thursday, June 7th, 2018 AT 5:08 PM
Tiny
NICKL
  • MEMBER
  • 38 POSTS
I did check the codes when I began having problems, there were none at that time. Checked again today, got two codes four crank sensor and six coolant temperature. I think both were due to what I did the other day. Car stalled a few times when I was cleaning throttle body. After resetting codes, took it for a ride. Started/ran fine, when I got about a quarter mile up road stopped at a corner, engine surged a few times, continued on and car ran normal for the twenty minutes/ten miles I traveled. (That was the first problem I had in a few days). Checked codes again there are none. On a different topic, (I think), about four months ago, I started having all of the door ajar/trunk open and brake light display staying on, then dimming, then working correctly, problem still comes and goes. I have had problems on other older vehicles where corrosion was on fuses, and dropped voltage across fuse so full twelve volts was not reaching where ever it was suppose to and caused weird problem similar to the door lights. But I removed all the fuses in the panel in the engine compartment without getting display to turn off. I'll look for another fuse panel, just mentioning this for completeness. I did not think they were related, but who knows at this point!
Was this
answer
helpful?
Yes
No
Friday, June 8th, 2018 AT 10:43 AM
Tiny
KEN L
  • MASTER CERTIFIED MECHANIC
  • 55,522 POSTS
Hi Nick, can you please start a new question for the different problem we like to keep the topics clean.

https://www.2carpros.com/questions/new

Back to the idling problem it sounds like the coolant temperature sensor could be bad I have seen that before have you changed it?

Cheers, Ken
Was this
answer
helpful?
Yes
No
Friday, June 8th, 2018 AT 1:41 PM
Tiny
NICKL
  • MEMBER
  • 38 POSTS
Okay Ken, will post new question. Just wanted to make sure you did not think it could be related somehow. On the sensor, I did not change it. I just checked resistance. Starts at about 670 ohms, and slowly lowers to 186 ohms when cooling fan turns on. Then sensor stays between 210 and 186 as fan cycles on and off. Is that a range you would expect? Thanks again for your help. Have not read codes again, but check engine and S light blinking when coolant sensor unplugged. Thanks again for your help.
Was this
answer
helpful?
Yes
No
Friday, June 8th, 2018 AT 4:10 PM
Tiny
KEN L
  • MASTER CERTIFIED MECHANIC
  • 55,522 POSTS
That sounds normal. I am leaning toward the ECU being bad.
Was this
answer
helpful?
Yes
No
Saturday, June 9th, 2018 AT 10:09 AM
Tiny
NICKL
  • MEMBER
  • 38 POSTS
Okay Ken thanks, before I swap the ECU, what else can I double check?
Here is my thinking, let me know if I am misinterpreting anything.
Probably not a vacuum leak I missed, I would think most vacuum leaks are more consistent than my problem. Maybe heat related, but mine is not. Not coolant, checked to many times, not temperature sensor, that seems normal. New FITV ( I also did the aluminum can trick) to block both passages, looking for something to change, it did not. New IAC valve, I will clean throttle body again today, if that shows something I will re-post. So what is left that controls idle? Map sensor, I will use a vacuum pump on the sensor. Can you point me to the voltages I should see at given vacuum level? Other than ECU, anything else? Again I appreciate all the help.
Was this
answer
helpful?
Yes
No
Monday, June 11th, 2018 AT 6:18 AM
Tiny
KEN L
  • MASTER CERTIFIED MECHANIC
  • 55,522 POSTS
I had a thought that the EGR can be leaking. Here is the location of the valve and a video to help you test it once it is off:

https://youtu.be/DqUCbbKdWf4

Check out the diagrams (below). Please let us know what happens.

Cheers, Ken
Was this
answer
helpful?
Yes
No
Monday, June 11th, 2018 AT 11:26 AM
Tiny
NICKL
  • MEMBER
  • 38 POSTS
EGR valve holds vacuum and also works correctly. But air boost valve, does not hold vacuum, bleeds pretty quickly.
Was this
answer
helpful?
Yes
No
Thursday, June 14th, 2018 AT 2:18 PM
Tiny
KEN L
  • MASTER CERTIFIED MECHANIC
  • 55,522 POSTS
Air boost valve? Do you mean the brake booster? Can you take a picture?
Was this
answer
helpful?
Yes
No
Friday, June 15th, 2018 AT 10:03 AM
Tiny
NICKL
  • MEMBER
  • 38 POSTS
Glad it surprised you too! It is to the right of the FIV in the picture you sent me. Honda part number 17340-pt2-000. Funny thing is I cannot find it anywhere, auto stores, web etc. 0 vacuum line goes into control box, not sure if it goes to MAP or canister. I blocked the passages with a soda can, and problem is still there but now only under load and very consistent. AC and any blower speed seems to show surge pretty quickly, with AC and blower off, I have to work at getting it back, blower, lights, rear defrost, etc, sooner or later it returns. I am calling it a "surge" problem, but really it is a high idle. I can notice it in gear also, when I have the problem, idle is about 1,000 rpm's with foot on brake at stop. Without problem idle is below 600 to 800 rpm's. If I put car in neutral idle slowly climbs to 2,000 rpm's, and surge returns. I attached picture of valve.
Was this
answer
helpful?
Yes
No
Friday, June 15th, 2018 AT 2:36 PM
Tiny
KEN L
  • MASTER CERTIFIED MECHANIC
  • 55,522 POSTS
Yes, getting warmer. That is the air boost valve there is a fast idle valve as well. I would remove them and see if there are working correctly used a vacuum pump to see if the diaphragms are still good and hold vacuum.

Here is a guide of the locations (below) also look inside and clean any gunk that maybe present.

Check out the diagrams (below). Please let us know what you find.

Cheers, Ken
Was this
answer
helpful?
Yes
No
Saturday, June 16th, 2018 AT 11:12 AM
Tiny
NICKL
  • MEMBER
  • 38 POSTS
Already done that, air boost valve does not hold pressure. I have it blocked for now until I find other problem. FIV is new and does not have a diaphragm, aicv is also new.
Was this
answer
helpful?
Yes
No
Saturday, June 16th, 2018 AT 1:23 PM
Tiny
KEN L
  • MASTER CERTIFIED MECHANIC
  • 55,522 POSTS
Can you remove and block off the FIV to see if the engine stalls? Lets keep blocking things until the engine idle comes down or stalls so we can isolate the system that is causing the issue.
Was this
answer
helpful?
Yes
No
Sunday, June 17th, 2018 AT 10:44 AM
Tiny
NICKL
  • MEMBER
  • 38 POSTS
I did block FIV off before I blocked off air boost valve. It ran at very low RPM, s in gear when cold. But idle problem was still there with AC on. Seemed to work properly, FIV and IAC are both new. With that said, do you think it will learn anything with both blocked?
Was this
answer
helpful?
Yes
No
Monday, June 18th, 2018 AT 5:20 AM
Tiny
KEN L
  • MASTER CERTIFIED MECHANIC
  • 55,522 POSTS
I wanted to see if it was an throttle bore issue or something else was causing it. I am starting to think it is a PCM issue. I would try replacing it with a used unit here is the location.

Check out the diagrams (below). Please let us know what happens.

Cheers, Ken
Was this
answer
helpful?
Yes
No
Monday, June 18th, 2018 AT 10:39 AM
Tiny
NICKL
  • MEMBER
  • 38 POSTS
Finally got around to changing ECU. No help, Still surges under AC load.
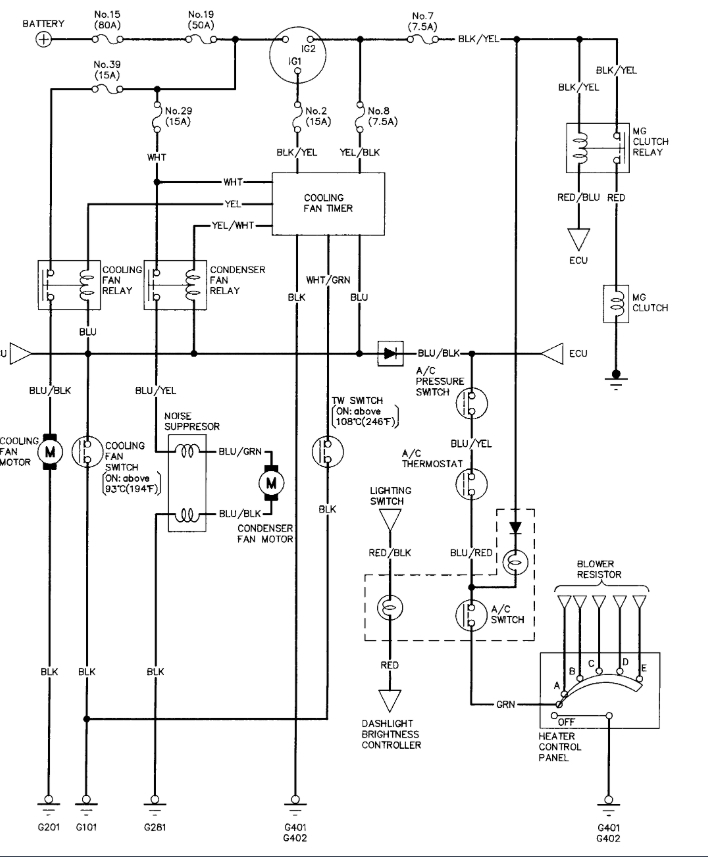
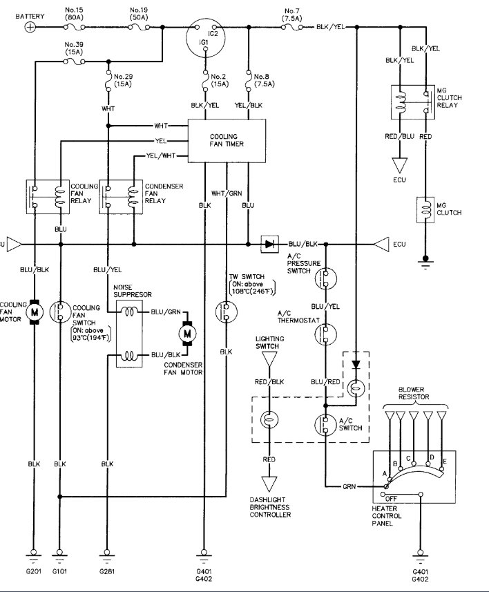
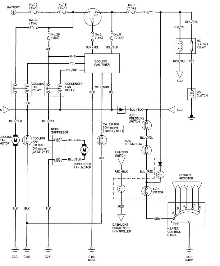
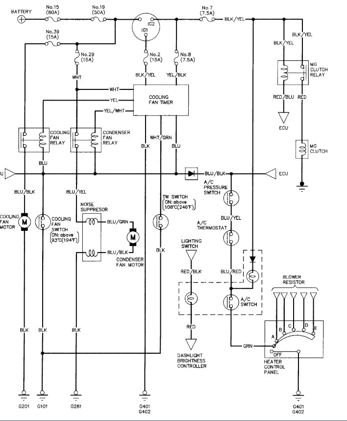
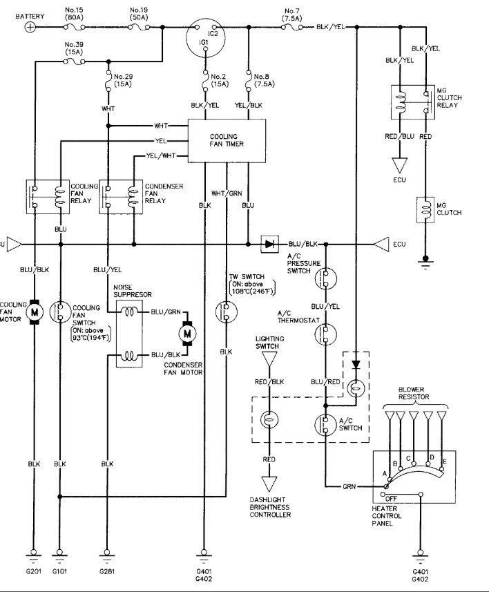
It does run fine at times, but not for very long with AC on. Runs fine without AC. Here is what I did to save you from reading all the above, New FIV currently blocked off. New and IACV. EGR valve holds vacuum, coolant temperature sensor working properly, coolant level fine, no air. Air boost diaphragms are bad, but have air boost valve blocked off for now. No vacuum leaks, and no codes. I seems to definitely be input related and not a vacuum leak. I can tell the problem is there at times because idle is high and breaking takes more effort. When that happens, (the AC is on) I put car in neutral as I decelerate, when car speed reaches zero, tachometer creeps up to 2100, when computer cuts off fuel and idle lowers and surge begins, sometimes I can shut AC off and problem goes away after ten to fifteen seconds, other times I have to drive, a very short distance with AC off and problem goes away. I noticed the following: at times as idle starts to creep up, I can hear a click behind the center console, which sounds like a relay, and idle immediately returns to normal. If I do not hear the click, surge begins. I checked the AC clutch in relation to the problem, sometimes AC clutch is engaged and no problem. Does anyone know if Honda uses switches on the AC compressor 9 or somewhere else in the AC circuit) that somehow feeds the ECU for idle? It is not as straight forward as AC on †idle problem present, - AC off problem gone. Sorry for the long post, but only way I could quickly get you to where I am.
Was this
answer
helpful?
Yes
No
Tuesday, October 16th, 2018 AT 4:31 PM
Tiny
KEN L
  • MASTER CERTIFIED MECHANIC
  • 55,522 POSTS
Hmm. Lets run the codes to see what come up.

https://www.2carpros.com/articles/honda-car-1990-1995-obd1-code-retrieval-procedure-and-definition-table

Can you see what is clicking? Lets check the AC system grounds it sounds like they could be back-feeding. Here is the wiring diagrams and a guide to help:

https://www.2carpros.com/articles/how-to-check-wiring

I want to say something might be up with the dual pressure switch, can you disconnect it to see if the idle does the same thing?

Check out the diagrams (below). Please let us know what you find.
Was this
answer
helpful?
Yes
No
Wednesday, October 17th, 2018 AT 9:53 AM

Please login or register to post a reply.