IAC code P0505 will not clear

Tiny
FORENSICS
  • MEMBER
  • 1995 NISSAN ALTIMA
  • 2.4L
  • 4 CYL
  • 2WD
  • AUTOMATIC
  • 247,000 MILES
Help, I have the car listed above that has an IAC code that refuses to clear. I believe the IAC is perfectly fine because the code has been there for over 6 years and has no trouble starting or accelerating, but none of my code readers will make the code go away. I've never had a code stay stuck like this. I've seen them come back after starting the vehicle but this ones stuck and it has got me stuck. Any help is useful.
Sunday, March 7th, 2021 AT 9:29 PM

1 Reply

Tiny
ASEMASTER6371
  • MECHANIC
  • 52,796 POSTS
Good morning,

The code indicates a fault in the system and must be diagnosed, repairs made before the light will clear. Clearing the light does nothing except make the ECM forget the fault until the issue returns.

https://www.2carpros.com/articles/how-to-replace-an-idle-speed-control-motor-iac

I attached the flowchart for you of the code below.

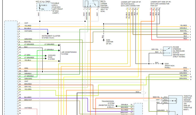
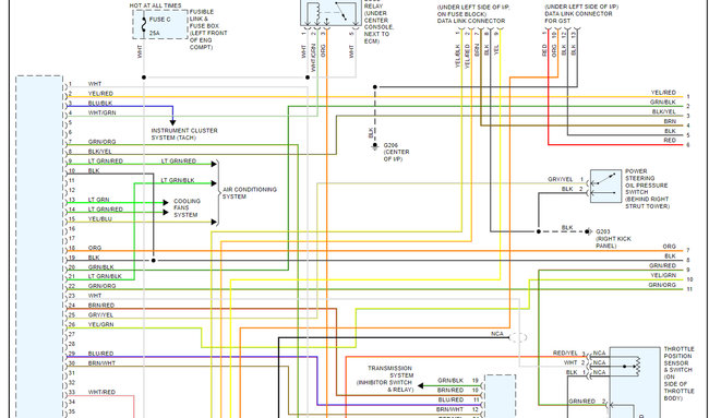
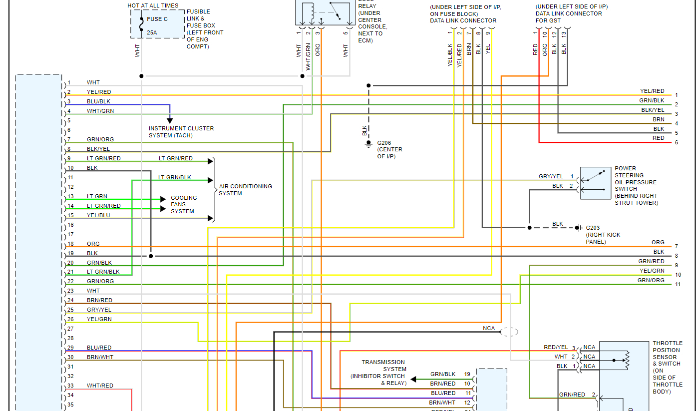
I also attached the wiring diagram of the system. Check the fuse I circled for power to the valve itself.

https://www.2carpros.com/articles/how-to-check-wiring

https://www.2carpros.com/articles/how-to-check-a-car-fuse

Roy

IACV-AAC VALVE
Disconnect Idle Air Control Valve-Auxiliary Air Control Valve (IACV-AAC) valve harness connector
Check IACV-AAC valve resistance.

Resistance: Approximately 10 ohms

Check plunger for seizing or sticking.
Check for broken spring.

P0505: Idle Control System Malfunction

Related Vehicles: 1995-2001 Altima (2.4L KA24DE)

Notes/Hints:

The crankshaft position sensor (POS) detects the actual engine speed and sends a signal to the ECM.
The ECM controls the electric throttle control actuator so that the engine speed coincides with the target value memorized in the ECM.
MAF sensor faults can set code P0505
After any repairs, adjustments or cleanings a “Throttle Valve Closed Position and “Idle Air Volume Learning” must be performed or code P0505 will reset.
Preliminary Tasks:

Warm the engine up to operating temperature.
Check the PCV Hose is connected correctly
Check for intake system vacuum leaks
Diagnosis:

Using a scan tool:

Command the idle speed up/down and determining if the IAC valve is following commands
Compare Desired and Actual RPM PID data
Wiggle wiring and connectors looking for an intermittent condition
Perform a hard reset of the ECM
Perform a “Throttle Valve Closed Position Learning”
Perform a “Idle Air Volume Learning”
Remedy any issues found and recheck.

Without a scan tool:

Wiggle the throttle actuator harness and look for RPM changes.
Check for any vacuum leaks after the MAF sensor.
Make sure no obstructions exist in the throttle body including excessive carbon build-up.
Remedy any issues found and recheck.
Was this
answer
helpful?
Yes
No
Monday, March 8th, 2021 AT 2:26 AM

Please login or register to post a reply.