How to diagnose the airbag clock spring?

Tiny
TAVARES DAVIS
  • MEMBER
  • 2004 CHEVROLET SILVERADO
  • 4.3L
  • V6
  • 2WD
  • AUTOMATIC
  • 200,000 MILES
I think my airbag clock spring is bad. How do I diagnose it?
Tuesday, April 9th, 2024 AT 6:51 PM

1 Reply

Tiny
BORIS K
  • MECHANIC
  • 836 POSTS
Hello,

A good video on how to test the clock spring, this one is removed from vehicle:
https://youtu.be/-UgL22uM8Tk?si=0mfYaKpZfmfVCzfe

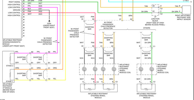
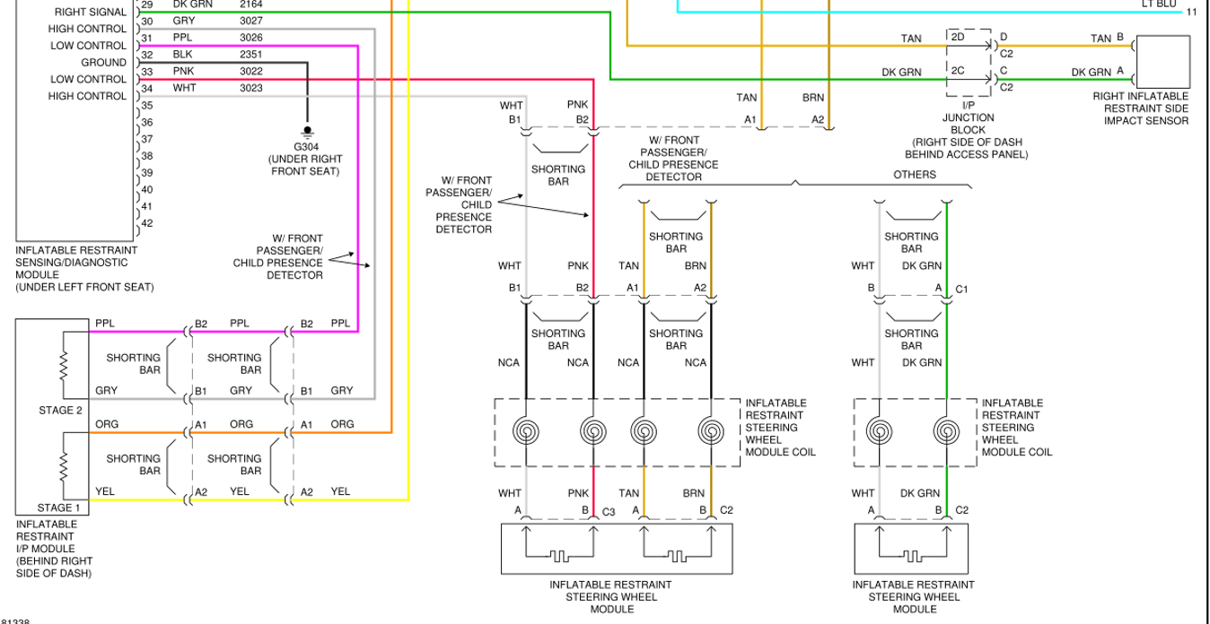
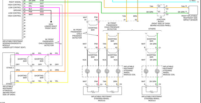
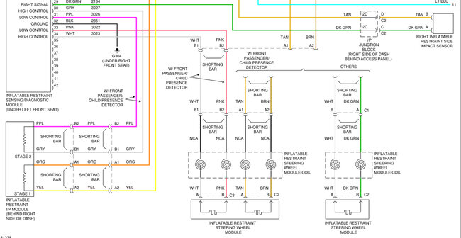
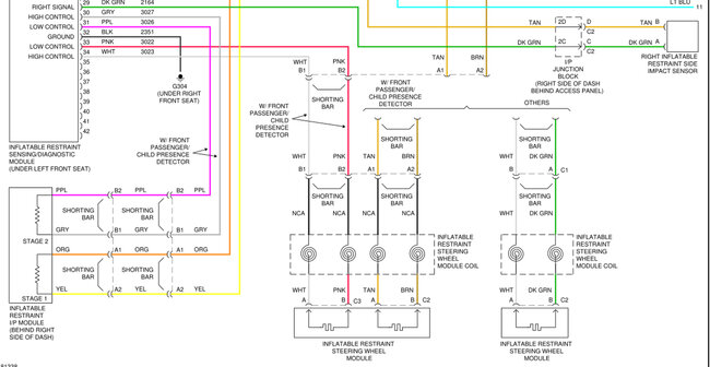
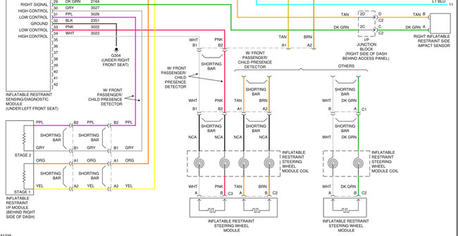
There are 2 types of driver air bag, with single or dual stage ignition
So, the clock spring will either have 1 or 2 airbag squibs.

You will need to remove the steering wheel air bag to carry out any tests on the airbag clock spring.

To remove the airbag first disconnect the 12V battery.

A good video how to remove airbag/steering wheel:
https://youtu.be/CKw9NiXK0j4?si=OKkfhKd8VR36x8cP

See image below for wiring/pin data

Continuity testing is best done using a voltmeter on ohm setting.

How to use a voltmeter:
https://www.2carpros.com/articles/how-to-use-a-voltmeter

Cheers, Boris
Was this
answer
helpful?
Yes
No
-1
Wednesday, April 10th, 2024 AT 6:55 AM

Please login or register to post a reply.