2002 Hyundai Elantra Volt regulator I think

Tiny
JASONMARINE1
  • MEMBER
  • 2002 HYUNDAI ELANTRA
  • 4 CYL
  • 2WD
  • MANUAL
  • 63,000 MILES
OK, here goes. I went to start my car after it was sitting for a few months. As I thought, the battery was dead. I jumped it. I took the jumpercables off and my car died right away. Assumed it was the alternator but the alternator tested good. Put three in that all tested good and still the same problem. The car runs great if I put a fully charged battery in it, that is, until the battery dies. I learned it may be the volt regulator. My question. What else could this be if not the volt regulator? Where is the volt regulator located? Any suggestions?
Monday, May 10th, 2010 AT 11:43 AM

7 Replies

Tiny
BLUELIGHTNIN6
  • MECHANIC
  • 16,542 POSTS
Hello and thanks for donating

The voltage regulator on late model vehicles such as yours is actually built into the alternator. If you have replaced the alternator than the voltage regulator was also replaced. It seems as though you may have bad cables. Check the battery cable ends to ensure they are tight and clean at all connections, including the alternator and starter.
Was this
answer
helpful?
Yes
No
Monday, May 10th, 2010 AT 12:04 PM
Tiny
JASONMARINE1
  • MEMBER
  • 2 POSTS
I mentioned the car starts and when running off the battery everything is fine. Somehow the battery is not getting charged. Where would I look for potential wiring issues? What kind off wiring issues i.E. Grounding out, would cause the car to run fine until the battery dies. The alternator is not only not charging the battery but not keeping the car running when the battery is dead as well.
Was this
answer
helpful?
Yes
No
Monday, May 10th, 2010 AT 12:13 PM
Tiny
BLUELIGHTNIN6
  • MECHANIC
  • 16,542 POSTS
The cables from the battery to the alternator need inspected. A corroded or loose connection at the alternator would prevent the alternator from doing its job.
Was this
answer
helpful?
Yes
No
Monday, May 10th, 2010 AT 12:18 PM
Tiny
BEN SOFGE
  • MEMBER
  • 2 POSTS
2002 Hyundai Elantra GT,

Hi there I've been fighting with the same problem for about 2 months now and it's been from switches inside the car I've been replaced on the steering mast of replaced the ends of the terminals replaced the negative cable to have the alternator tested inside and outside the car it tests good and I thought well since the alternator is good in the battery is not charging and when I happen to remove the leads from the battery the car immediately dies then it's a bad cable I'm hoping now herein is the problem I'm trying to trace the cable from the alternator to the battery and there isn't one it seems like it goes directly from the fuse panel inside the engine to the battery and I don't know if the alternator is running directly to that fuse panel then to the battery and I'm reluctant to take the front end of the car part to physically trace the wire if that's not where it leads to and I've done research on it and I can't find anything that tells me where the wire connects to on either end I know one thing is the alternator and the other end is unknown can anyone please tell me where the other end of the alternator wire goes to so I can start replacing things and testing things please.

Or is there a way I can tap into a line from the alternator and put it directly into the positive terminal on the battery without blowing something out and if so what should I tap into on the alternator I just want to get this thing where I can go to the store without being stranded I don't need to make any long trips or anything on it.

The picture is alternator wire running up under the front end of the vehicle
Was this
answer
helpful?
Yes
No
Tuesday, November 24th, 2020 AT 12:35 PM
Tiny
ASEMASTER6371
  • MECHANIC
  • 52,796 POSTS
Good morning,

Removing a battery cable while the engine is running is never a good idea and tests nothing. It should drain as the alternator needs battery voltage for it to work.

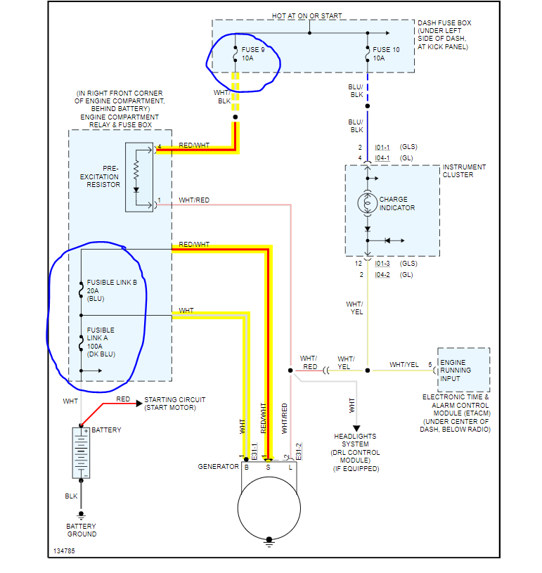
I attached a wiring diagram of the system for you. Check the fuses I circled for power.

https://www.2carpros.com/articles/how-to-check-wiring

https://www.2carpros.com/articles/how-to-check-a-car-alternator

https://www.2carpros.com/articles/how-to-check-a-car-fuse

Roy
Was this
answer
helpful?
Yes
No
+1
Wednesday, November 25th, 2020 AT 1:55 AM
Tiny
BEN SOFGE
  • MEMBER
  • 2 POSTS
Yes indeed that was just what I was searching for. And the jumper did work from the alternator output to the positive terminal. But it's probably hazardous as all get out bypassing so many fail-safes. Thank you for the information it's much appreciated. I'll be checking those odd bit of the fuse panel I believe I overlooked thinking they weren't replaceable.
Was this
answer
helpful?
Yes
No
Monday, December 7th, 2020 AT 7:05 AM
Tiny
ASEMASTER6371
  • MECHANIC
  • 52,796 POSTS
You are welcome.

Keep us updated.

Roy
Was this
answer
helpful?
Yes
No
Monday, December 7th, 2020 AT 7:14 AM

Please login or register to post a reply.